A
Analog Devices Inc./Maxim Integrated
| Series | Category | # Parts | Status | Description |
|---|---|---|---|---|
| Part | Spec A | Spec B | Spec C | Spec D | Description |
|---|---|---|---|---|---|
| Series | Category | # Parts | Status | Description |
|---|---|---|---|---|
| Part | Spec A | Spec B | Spec C | Spec D | Description |
|---|---|---|---|---|---|
| Part | Category | Description |
|---|---|---|
Analog Devices Inc./Maxim Integrated LTC1879EGN#TRUnknown | Integrated Circuits (ICs) | IC REG BUCK ADJ 1.2A 16SSOP |
Analog Devices Inc./Maxim Integrated LTC2208CUP#TRUnknown | Integrated Circuits (ICs) | IC ADC 16BIT 130MSPS 64-QFN |
Analog Devices Inc./Maxim Integrated ADP2108ACBZ-1.1-R7Obsolete | Integrated Circuits (ICs) | IC REG BUCK 1.1V 600MA 5WLCSP |
Analog Devices Inc./Maxim Integrated EV1HMC832ALP6GObsolete | Development Boards Kits Programmers | EVAL BOARD FOR HMC832ALP6GE |
Analog Devices Inc./Maxim Integrated LTC488ISWUnknown | Integrated Circuits (ICs) | IC LINE RCVR RS485 QUAD 16-SOIC |
Analog Devices Inc./Maxim Integrated LTC6946IUFD-2Obsolete | Integrated Circuits (ICs) | IC CLK/FREQ SYNTH 28QFN |
Analog Devices Inc./Maxim Integrated MAX5556ESA+TObsolete | Integrated Circuits (ICs) | IC DAC/AUDIO 16BIT 50K 8SOIC |
Analog Devices Inc./Maxim Integrated EVAL-FLTR-LD-1RZUnknown | Unclassified | EVAL BRD FOR AD800 SERIES |
Analog Devices Inc./Maxim Integrated | Development Boards Kits Programmers | BOARD EVAL FOR AD9963 |
Analog Devices Inc./Maxim Integrated LTC1296CCSW#TRUnknown | Integrated Circuits (ICs) | IC DATA ACQ SYS 12BIT 5V 20SOIC |
| Series | Category | # Parts | Status | Description |
|---|---|---|---|---|
| Drivers, Receivers, Transceivers | 2 | Active | ||
| Integrated Circuits (ICs) | 2 | Active | ||
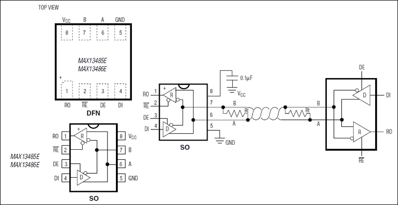
MAX13451ERS-485 Transceivers with Integrated 100Ω/120Ω Termination Resistors | Integrated Circuits (ICs) | 2 | Active | The MAX13450E/MAX13451E are half-duplex and full-duplex RS-485 transceivers. These devices feature internal 100Ω and 120Ω termination resistors. The resistor values are pin selectable. A logic supply input allows interfacing to logic levels down to +1.8V.The MAX13450E/MAX13451E feature strong drivers specified to drive low-impedance lines found when a fully loaded bus, based on today's 100Ω characteristic impedance cable, is doubly terminated. Both devices allow slew-rate limiting of the driver output to reduce EMI and reflections for data rates up to 500kbps.The MAX13451E has a FAULT alarm indication output to signal to the system that an error condition exists in the driver. The MAX13451E also features a logic inversion function. The logic inversion allows phase reversal of the A-B signals in case these are inadvertently connected wrongly.The MAX13450E/MAX13451E have 1/8-unit load receiver input impedance, allowing up to 256 transceivers on the bus. All driver outputs are protected to ±30kV ESD using the Human Body Model (HBM).The MAX13450E/MAX13451E are available in a 14-pin TSSOP package and operate over the automotive −40°C to +125°C temperature range.ApplicationsIndustrial Control SystemsMedical NetworksMotor ControlPortable Industrial EquipmentSecurity Networks |
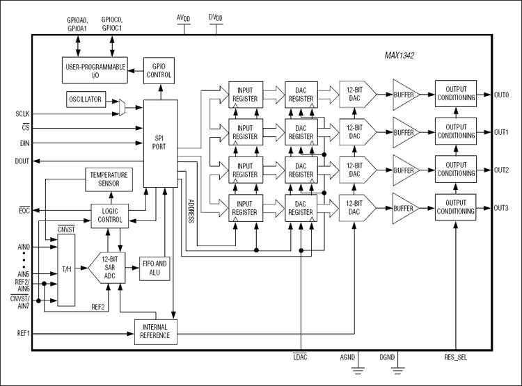
MAX134612-Bit, Multichannel ADCs/DACs with FIFO, Temperature Sensing, and GPIO Ports | Integrated Circuits (ICs) | 2 | Active | The MAX1340/MAX1342/MAX1346/MAX1348 integrate a multichannel, 12-bit, analog-to-digital converter (ADC) and a quad, 12-bit, digital-to-analog converter (DAC) in a single IC. The devices also include a temperature sensor and configurable general-purpose I/O ports (GPIOs) with a 25MHz SPI™-/QSPI™-/MICROWIRE™-compatible serial interface. The ADC is available in a 4 or an 8 input-channel version. The four DAC outputs settle within 2.0µs, and the ADC has a 225ksps conversion rate.All devices include an internal reference (4.096V) providing a well-regulated, low-noise reference for both the ADC and DAC. Programmable reference modes for the ADC and DAC allow the use of an internal reference, an external reference, or a combination of both. Features such as an internal ±1°C accurate temperature sensor, FIFO, scan modes, programmable internal or external clock modes, data averaging, and AutoShutdown™ allow users to minimize both power consumption and processor requirements. The low glitch energy (4nV•s) and low digital feedthrough (0.5nV•s) of the integrated quad DACs make these devices ideal for digital control of fast-response closed-loop systems.The devices are guaranteed to operate with a supply voltage from +4.75V to +5.25V The devices consume 2.5mA at 225ksps throughput, only 22µA at 1ksps throughput, and under 0.2µA in the shutdown mode. The MAX1342/MAX1348 offer four GPIOs that can be configured as inputs or outputs.The MAX1340/MAX1342/MAX1346/MAX1348 are available in 36-pin thin QFN packages. All devices are specified over the -40°C to +85°C temperature range.ApplicationsClosed-Loop Controls for Optical Components and Base StationsData Acquisition SystemsSystem Supervision and Control |
| Data Acquisition | 1 | Active | ||
| Interface | 2 | Obsolete | ||
| Drivers, Receivers, Transceivers | 1 | Obsolete | ||
| Evaluation Boards | 3 | Active | ||
| Drivers, Receivers, Transceivers | 1 | Active | ||
| Integrated Circuits (ICs) | 3 | Active | ||