A
Analog Devices Inc./Maxim Integrated
| Series | Category | # Parts | Status | Description |
|---|---|---|---|---|
| Part | Spec A | Spec B | Spec C | Spec D | Description |
|---|---|---|---|---|---|
| Series | Category | # Parts | Status | Description |
|---|---|---|---|---|
| Part | Spec A | Spec B | Spec C | Spec D | Description |
|---|---|---|---|---|---|
| Part | Category | Description |
|---|---|---|
Analog Devices Inc./Maxim Integrated LTC1879EGN#TRUnknown | Integrated Circuits (ICs) | IC REG BUCK ADJ 1.2A 16SSOP |
Analog Devices Inc./Maxim Integrated LTC2208CUP#TRUnknown | Integrated Circuits (ICs) | IC ADC 16BIT 130MSPS 64-QFN |
Analog Devices Inc./Maxim Integrated ADP2108ACBZ-1.1-R7Obsolete | Integrated Circuits (ICs) | IC REG BUCK 1.1V 600MA 5WLCSP |
Analog Devices Inc./Maxim Integrated EV1HMC832ALP6GObsolete | Development Boards Kits Programmers | EVAL BOARD FOR HMC832ALP6GE |
Analog Devices Inc./Maxim Integrated LTC488ISWUnknown | Integrated Circuits (ICs) | IC LINE RCVR RS485 QUAD 16-SOIC |
Analog Devices Inc./Maxim Integrated LTC6946IUFD-2Obsolete | Integrated Circuits (ICs) | IC CLK/FREQ SYNTH 28QFN |
Analog Devices Inc./Maxim Integrated MAX5556ESA+TObsolete | Integrated Circuits (ICs) | IC DAC/AUDIO 16BIT 50K 8SOIC |
Analog Devices Inc./Maxim Integrated EVAL-FLTR-LD-1RZUnknown | Unclassified | EVAL BRD FOR AD800 SERIES |
Analog Devices Inc./Maxim Integrated | Development Boards Kits Programmers | BOARD EVAL FOR AD9963 |
Analog Devices Inc./Maxim Integrated LTC1296CCSW#TRUnknown | Integrated Circuits (ICs) | IC DATA ACQ SYS 12BIT 5V 20SOIC |
| Series | Category | # Parts | Status | Description |
|---|---|---|---|---|
MAX134RS-485 Transceivers with Low-Voltage Logic Interface | Drivers, Receivers, Transceivers | 12 | Active | The MAX13430E–MAX13433E are full- and half-duplex RS-485 transceivers that feature an adjustable low-voltage logic interface for operation in multivoltage systems. This allows direct interfacing to low-voltage ASIC/FPGAs without extra components. The MAX13430E–MAX13433E RS-485 transceivers operate with a VCCvoltage supply from +3V to +5V. The low-voltage logic interface operates with a voltage supply from +1.62V to VCC.The MAX13430E/MAX13432E feature reduced slew-rate drivers that minimize EMI and reduce reflections caused by improperly terminated cables, allowing error-free data transmission up to 500kbps. The MAX13431E/MAX13433E driver slew rates are not limited, enabling data transmission up to 16Mbps. The MAX13430E/MAX13431E are intended for half-duplex communications, and the MAX13432E/MAX13433E are intended for full-duplex communications.The MAX13430E/MAX13431E are available in 10-pin µMAX® and 10-pin TDFN packages. The MAX13432E/MAX13433E are available in 14-pin TDFN and 14-pin SO packages.ApplicationsHVACIndustrial Control SystemsMotor ControlPortable Industrial Equipment |
| Integrated Circuits (ICs) | 1 | Active | ||
| Interface | 1 | Active | ||
| Drivers, Receivers, Transceivers | 1 | Active | ||
| Integrated Circuits (ICs) | 1 | Active | ||
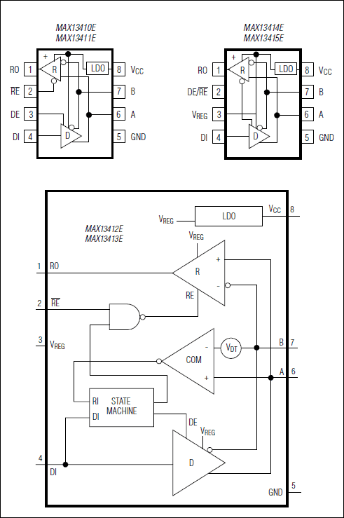
MAX13412RS-485 Transceiver with Integrated Low-Dropout Regulator and AutoDirection Control | Interface | 2 | Active | The MAX13410E–MAX13415E are half-duplex RS-485-/RS-422-compatible transceivers optimized for isolated applications. These devices feature an internal low-dropout regulator (LDO), one driver, and one receiver. The internal LDO allows the part to operate from an unregulated power supply of up to 28V. The AutoDirection feature reduces the number of optical isolators needed in isolated applications. Other features include enhanced ESD protection, fail-safe circuitry, slew-rate limiting, and full-speed operation.The MAX13410E–MAX13415E internal LDO generates a 5V ±10% power supply that is used to power its internal circuitry. The MAX13412E–MAX13415E bring the 5V to an output VREGthat allows the user to power additional external circuitry with up to 20mA to further reduce external components. The MAX13410E/MAX13411E do not have a 5V output and come in industry-compatible pinouts. This allows easy replacement in existing designs.The MAX13410E–MAX13415E feature a 1/8-unit load receiver input impedance, allowing up to 256 transceivers on the bus. All driver outputs are ESD protected using the Human Body Model. These devices also include fail-safe circuitry (MAX13410E/MAX13411E/MAX13414E/MAX13415E only), guaranteeing a logic-high receiver output when the receiver inputs are open or shorted. The receiver outputs a logic-high when the transmitter on the terminated bus is disabled (high impedance).The MAX13412E/MAX13413E feature Maxim's proprietary AutoDirection control. This architecture eliminates the need for the DE and active-low RE control signals. In isolated applications, this reduces the cost and size of the system by reducing the number of optical isolators required.The MAX13410E/MAX13412E/MAX13414E feature reduced slew-rate drivers that minimize EMI and reduce reflections caused by improperly terminated cables, allowing error-free transmission up to 500kbps. The MAX13411E/MAX13413E/MAX13415E are not slew-rate limited, allowing transmit speeds up to 16Mbps.The MAX13410E–MAX13415E are available in an 8-pin SO package with an exposed paddle to improve power dissipation, and operate over the extended -40°C to +85°C temperature range.Design Solution: Simplify Your Industrial Interface by Eliminating RS-485 Control Lines ›ApplicationsIndustrial EquipmentIsolated RS-485 InterfacesTelecomm EquipmentUtility Meters |
MAX13413RS-485 Transceiver with Integrated Low-Dropout Regulator and AutoDirection Control | Drivers, Receivers, Transceivers | 2 | Active | The MAX13410E–MAX13415E are half-duplex RS-485-/RS-422-compatible transceivers optimized for isolated applications. These devices feature an internal low-dropout regulator (LDO), one driver, and one receiver. The internal LDO allows the part to operate from an unregulated power supply of up to 28V. The AutoDirection feature reduces the number of optical isolators needed in isolated applications. Other features include enhanced ESD protection, fail-safe circuitry, slew-rate limiting, and full-speed operation.The MAX13410E–MAX13415E internal LDO generates a 5V ±10% power supply that is used to power its internal circuitry. The MAX13412E–MAX13415E bring the 5V to an output VREGthat allows the user to power additional external circuitry with up to 20mA to further reduce external components. The MAX13410E/MAX13411E do not have a 5V output and come in industry-compatible pinouts. This allows easy replacement in existing designs.The MAX13410E–MAX13415E feature a 1/8-unit load receiver input impedance, allowing up to 256 transceivers on the bus. All driver outputs are ESD protected using the Human Body Model. These devices also include fail-safe circuitry (MAX13410E/MAX13411E/MAX13414E/MAX13415E only), guaranteeing a logic-high receiver output when the receiver inputs are open or shorted. The receiver outputs a logic-high when the transmitter on the terminated bus is disabled (high impedance).The MAX13412E/MAX13413E feature Maxim's proprietary AutoDirection control. This architecture eliminates the need for the DE and active-low RE control signals. In isolated applications, this reduces the cost and size of the system by reducing the number of optical isolators required.The MAX13410E/MAX13412E/MAX13414E feature reduced slew-rate drivers that minimize EMI and reduce reflections caused by improperly terminated cables, allowing error-free transmission up to 500kbps. The MAX13411E/MAX13413E/MAX13415E are not slew-rate limited, allowing transmit speeds up to 16Mbps.The MAX13410E–MAX13415E are available in an 8-pin SO package with an exposed paddle to improve power dissipation, and operate over the extended -40°C to +85°C temperature range.Design Solution: Simplify Your Industrial Interface by Eliminating RS-485 Control Lines ›ApplicationsIndustrial EquipmentIsolated RS-485 InterfacesTelecomm EquipmentUtility Meters |
| Interface | 1 | Obsolete | ||
MAX134312-Bit, Multichannel ADCs/DACs with FIFO, Temperature Sensing, and GPIO Ports | ADCs/DACs - Special Purpose | 2 | Active | The MAX1221/MAX1223/MAX1343 integrate a multichannel, 12-bit, analog-to-digital converter (ADC) and a 12-bit, digital-to-analog converter (DAC) in a single IC. The devices also include a temperature sensor and configurable general-purpose I/O ports (GPIOs) with a 25MHz SPI™-/QSPI™-/MICROWIRE™-compatible serial interface. The ADC is available in a 12 or an eight input-channel version. The DAC outputs settle within 2.0µs, and the ADC has a 225ksps conversion rate.All devices include an internal reference (2.5V) providing a well-regulated, low-noise reference for both the ADC and DAC. Programmable reference modes for the ADC and DAC allow the use of an internal reference, an external reference, or a combination of both. Features such as an internal ±1°C accurate temperature sensor, FIFO, scan modes, programmable internal or external clock modes, data averaging, and AutoShutdown™ allow users to minimize both power consumption and processor requirements. The low glitch energy (4nV•s) and low digital feedthrough (0.5nV•s) of the integrated DACs make these devices ideal for digital control of fast-response closed-loop systems.The devices are guaranteed to operate with a supply voltage from +2.7V to +5.25V. The devices consume 2.5mA at 225ksps throughput, only 22µA at 1ksps throughput, and under 0.2µA in the shutdown mode. The MAX1221/MAX1343 offer four GPIOs that can be configured as inputs or outputs.The MAX1221/MAX1223/MAX1343 are available in 36-pin thin QFN packages. All devices are specified over the -40°C to +85°C temperature range.ApplicationsClosed-Loop Controls for Optical Components and Base StationsData Acquisition SystemsSystem Supervision and Control |
| Drivers, Receivers, Transceivers | 3 | Active | ||