A
Analog Devices Inc./Maxim Integrated
| Series | Category | # Parts | Status | Description |
|---|---|---|---|---|
| Part | Spec A | Spec B | Spec C | Spec D | Description |
|---|---|---|---|---|---|
| Series | Category | # Parts | Status | Description |
|---|---|---|---|---|
| Part | Spec A | Spec B | Spec C | Spec D | Description |
|---|---|---|---|---|---|
| Part | Category | Description |
|---|---|---|
Analog Devices Inc./Maxim Integrated LTC1879EGN#TRUnknown | Integrated Circuits (ICs) | IC REG BUCK ADJ 1.2A 16SSOP |
Analog Devices Inc./Maxim Integrated LTC2208CUP#TRUnknown | Integrated Circuits (ICs) | IC ADC 16BIT 130MSPS 64-QFN |
Analog Devices Inc./Maxim Integrated ADP2108ACBZ-1.1-R7Obsolete | Integrated Circuits (ICs) | IC REG BUCK 1.1V 600MA 5WLCSP |
Analog Devices Inc./Maxim Integrated EV1HMC832ALP6GObsolete | Development Boards Kits Programmers | EVAL BOARD FOR HMC832ALP6GE |
Analog Devices Inc./Maxim Integrated LTC488ISWUnknown | Integrated Circuits (ICs) | IC LINE RCVR RS485 QUAD 16-SOIC |
Analog Devices Inc./Maxim Integrated LTC6946IUFD-2Obsolete | Integrated Circuits (ICs) | IC CLK/FREQ SYNTH 28QFN |
Analog Devices Inc./Maxim Integrated MAX5556ESA+TObsolete | Integrated Circuits (ICs) | IC DAC/AUDIO 16BIT 50K 8SOIC |
Analog Devices Inc./Maxim Integrated EVAL-FLTR-LD-1RZUnknown | Unclassified | EVAL BRD FOR AD800 SERIES |
Analog Devices Inc./Maxim Integrated | Development Boards Kits Programmers | BOARD EVAL FOR AD9963 |
Analog Devices Inc./Maxim Integrated LTC1296CCSW#TRUnknown | Integrated Circuits (ICs) | IC DATA ACQ SYS 12BIT 5V 20SOIC |
| Series | Category | # Parts | Status | Description |
|---|---|---|---|---|
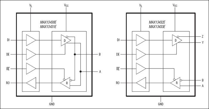
MAX13431ERS-485 Transceivers with Low-Voltage Logic Interface | Drivers, Receivers, Transceivers | 3 | Active | The MAX13430E–MAX13433E are full- and half-duplex RS-485 transceivers that feature an adjustable low-voltage logic interface for operation in multivoltage systems. This allows direct interfacing to low-voltage ASIC/FPGAs without extra components. The MAX13430E–MAX13433E RS-485 transceivers operate with a VCCvoltage supply from +3V to +5V. The low-voltage logic interface operates with a voltage supply from +1.62V to VCC.The MAX13430E/MAX13432E feature reduced slew-rate drivers that minimize EMI and reduce reflections caused by improperly terminated cables, allowing error-free data transmission up to 500kbps. The MAX13431E/MAX13433E driver slew rates are not limited, enabling data transmission up to 16Mbps. The MAX13430E/MAX13431E are intended for half-duplex communications, and the MAX13432E/MAX13433E are intended for full-duplex communications.The MAX13430E/MAX13431E are available in 10-pin µMAX® and 10-pin TDFN packages. The MAX13432E/MAX13433E are available in 14-pin TDFN and 14-pin SO packages.ApplicationsHVACIndustrial Control SystemsMotor ControlPortable Industrial Equipment |
MAX13432ERS-485 Transceivers with Low-Voltage Logic Interface | Interface | 3 | Active | The MAX13430E–MAX13433E are full- and half-duplex RS-485 transceivers that feature an adjustable low-voltage logic interface for operation in multivoltage systems. This allows direct interfacing to low-voltage ASIC/FPGAs without extra components. The MAX13430E–MAX13433E RS-485 transceivers operate with a VCCvoltage supply from +3V to +5V. The low-voltage logic interface operates with a voltage supply from +1.62V to VCC.The MAX13430E/MAX13432E feature reduced slew-rate drivers that minimize EMI and reduce reflections caused by improperly terminated cables, allowing error-free data transmission up to 500kbps. The MAX13431E/MAX13433E driver slew rates are not limited, enabling data transmission up to 16Mbps. The MAX13430E/MAX13431E are intended for half-duplex communications, and the MAX13432E/MAX13433E are intended for full-duplex communications.The MAX13430E/MAX13431E are available in 10-pin µMAX® and 10-pin TDFN packages. The MAX13432E/MAX13433E are available in 14-pin TDFN and 14-pin SO packages.ApplicationsHVACIndustrial Control SystemsMotor ControlPortable Industrial Equipment |
| Interface | 3 | Active | ||
MAX13442±15kV ESD-Protected, ±80V Fault-Protected, Fail-Safe RS-485/J1708 Transceivers | Drivers, Receivers, Transceivers | 1 | Active | The MAX13442E/MAX13444E are fault-protected RS-485 and J1708 transceivers that feature ±80V protection from signal faults on communication bus lines. The MAX13442E/MAX13444E feature a reduced slew-rate driver that minimizes EMI and reflections, allowing error-free transmission up to 250kbps. The MAX13443E driver can transmit up to 10Mbps. The high-speed MAX13443E RS-485 tranceiver features ±60V protection from signal faults on communication bus lines. These transceivers feature foldback current limit. Each device contains one differential line driver with three-state output and one differential line receiver with three-state input. The 1/4-unit-load receiver input impedance allows up to 128 transceivers on a single bus. The devices operate from a 5V supply. True fail-safe inputs guarantee a logic-high receiver output when the receiver inputs are open, shorted, or connected to an idle data line.Hot-swap circuitry eliminates false transitions on the data bus during circuit initialization or connection to a live backplane. Short-circuit current-limiting and thermal-shutdown circuitry protect the driver against excessive power dissipation, and on-chip ±15kV ESD protection eliminates costly external protection devices.The MAX13442E/MAX13443E/MAX13444E are available in an 8-pin SO package and are specified over the automotive temperature range.ApplicationsAutomotive ApplicationsHVAC ControlsIndustrial NetworksRS-422/RS-485 CommunicationsTelecommunications SystemsTruck and Trailer Applications |
MAX13442E±15kV ESD-Protected, ±80V Fault-Protected, Fail-Safe RS-485/J1708 Transceivers | Integrated Circuits (ICs) | 1 | Active | The MAX13442E/MAX13444E are fault-protected RS-485 and J1708 transceivers that feature ±80V protection from signal faults on communication bus lines. The MAX13442E/MAX13444E feature a reduced slew-rate driver that minimizes EMI and reflections, allowing error-free transmission up to 250kbps. The MAX13443E driver can transmit up to 10Mbps. The high-speed MAX13443E RS-485 tranceiver features ±60V protection from signal faults on communication bus lines. These transceivers feature foldback current limit. Each device contains one differential line driver with three-state output and one differential line receiver with three-state input. The 1/4-unit-load receiver input impedance allows up to 128 transceivers on a single bus. The devices operate from a 5V supply. True fail-safe inputs guarantee a logic-high receiver output when the receiver inputs are open, shorted, or connected to an idle data line.Hot-swap circuitry eliminates false transitions on the data bus during circuit initialization or connection to a live backplane. Short-circuit current-limiting and thermal-shutdown circuitry protect the driver against excessive power dissipation, and on-chip ±15kV ESD protection eliminates costly external protection devices.The MAX13442E/MAX13443E/MAX13444E are available in an 8-pin SO package and are specified over the automotive temperature range.ApplicationsAutomotive ApplicationsHVAC ControlsIndustrial NetworksRS-422/RS-485 CommunicationsTelecommunications SystemsTruck and Trailer Applications |
MAX13443±15kV ESD-Protected, ±80V Fault-Protected, Fail-Safe RS-485/J1708 Transceivers | Drivers, Receivers, Transceivers | 1 | Active | The MAX13442E/MAX13444E are fault-protected RS-485 and J1708 transceivers that feature ±80V protection from signal faults on communication bus lines. The MAX13442E/MAX13444E feature a reduced slew-rate driver that minimizes EMI and reflections, allowing error-free transmission up to 250kbps. The MAX13443E driver can transmit up to 10Mbps. The high-speed MAX13443E RS-485 tranceiver features ±60V protection from signal faults on communication bus lines. These transceivers feature foldback current limit. Each device contains one differential line driver with three-state output and one differential line receiver with three-state input. The 1/4-unit-load receiver input impedance allows up to 128 transceivers on a single bus. The devices operate from a 5V supply. True fail-safe inputs guarantee a logic-high receiver output when the receiver inputs are open, shorted, or connected to an idle data line.Hot-swap circuitry eliminates false transitions on the data bus during circuit initialization or connection to a live backplane. Short-circuit current-limiting and thermal-shutdown circuitry protect the driver against excessive power dissipation, and on-chip ±15kV ESD protection eliminates costly external protection devices.The MAX13442E/MAX13443E/MAX13444E are available in an 8-pin SO package and are specified over the automotive temperature range.ApplicationsAutomotive ApplicationsHVAC ControlsIndustrial NetworksRS-422/RS-485 CommunicationsTelecommunications SystemsTruck and Trailer Applications |
MAX13443E±15kV ESD-Protected, ±80V Fault-Protected, Fail-Safe RS-485/J1708 Transceivers | Interface | 1 | Active | The MAX13442E/MAX13444E are fault-protected RS-485 and J1708 transceivers that feature ±80V protection from signal faults on communication bus lines. The MAX13442E/MAX13444E feature a reduced slew-rate driver that minimizes EMI and reflections, allowing error-free transmission up to 250kbps. The MAX13443E driver can transmit up to 10Mbps. The high-speed MAX13443E RS-485 tranceiver features ±60V protection from signal faults on communication bus lines. These transceivers feature foldback current limit. Each device contains one differential line driver with three-state output and one differential line receiver with three-state input. The 1/4-unit-load receiver input impedance allows up to 128 transceivers on a single bus. The devices operate from a 5V supply. True fail-safe inputs guarantee a logic-high receiver output when the receiver inputs are open, shorted, or connected to an idle data line.Hot-swap circuitry eliminates false transitions on the data bus during circuit initialization or connection to a live backplane. Short-circuit current-limiting and thermal-shutdown circuitry protect the driver against excessive power dissipation, and on-chip ±15kV ESD protection eliminates costly external protection devices.The MAX13442E/MAX13443E/MAX13444E are available in an 8-pin SO package and are specified over the automotive temperature range.ApplicationsAutomotive ApplicationsHVAC ControlsIndustrial NetworksRS-422/RS-485 CommunicationsTelecommunications SystemsTruck and Trailer Applications |
| Drivers, Receivers, Transceivers | 2 | Active | ||
| Interface | 2 | Active | ||
| Drivers, Receivers, Transceivers | 1 | Obsolete | ||