A
Analog Devices Inc./Maxim Integrated
| Series | Category | # Parts | Status | Description |
|---|---|---|---|---|
| Part | Spec A | Spec B | Spec C | Spec D | Description |
|---|---|---|---|---|---|
| Series | Category | # Parts | Status | Description |
|---|---|---|---|---|
| Part | Spec A | Spec B | Spec C | Spec D | Description |
|---|---|---|---|---|---|
| Part | Category | Description |
|---|---|---|
Analog Devices Inc./Maxim Integrated LTC1879EGN#TRUnknown | Integrated Circuits (ICs) | IC REG BUCK ADJ 1.2A 16SSOP |
Analog Devices Inc./Maxim Integrated LTC2208CUP#TRUnknown | Integrated Circuits (ICs) | IC ADC 16BIT 130MSPS 64-QFN |
Analog Devices Inc./Maxim Integrated ADP2108ACBZ-1.1-R7Obsolete | Integrated Circuits (ICs) | IC REG BUCK 1.1V 600MA 5WLCSP |
Analog Devices Inc./Maxim Integrated EV1HMC832ALP6GObsolete | Development Boards Kits Programmers | EVAL BOARD FOR HMC832ALP6GE |
Analog Devices Inc./Maxim Integrated LTC488ISWUnknown | Integrated Circuits (ICs) | IC LINE RCVR RS485 QUAD 16-SOIC |
Analog Devices Inc./Maxim Integrated LTC6946IUFD-2Obsolete | Integrated Circuits (ICs) | IC CLK/FREQ SYNTH 28QFN |
Analog Devices Inc./Maxim Integrated MAX5556ESA+TObsolete | Integrated Circuits (ICs) | IC DAC/AUDIO 16BIT 50K 8SOIC |
Analog Devices Inc./Maxim Integrated EVAL-FLTR-LD-1RZUnknown | Unclassified | EVAL BRD FOR AD800 SERIES |
Analog Devices Inc./Maxim Integrated | Development Boards Kits Programmers | BOARD EVAL FOR AD9963 |
Analog Devices Inc./Maxim Integrated LTC1296CCSW#TRUnknown | Integrated Circuits (ICs) | IC DATA ACQ SYS 12BIT 5V 20SOIC |
| Series | Category | # Parts | Status | Description |
|---|---|---|---|---|
MAX1247+2.7V, Low-Power, 4-Channel, Serial 12-Bit ADCs in QSOP-16 | Analog to Digital Converters (ADC) | 19 | Active | The MAX1246/MAX1247 12-bit data-acquisition systems combine a 4-channel multiplexer, high-bandwidth track/hold, and serial interface with high conversion speed and low power consumption. The MAX1246 operates from a single +2.7V to +3.6V supply; the MAX1247 operates from a single +2.7V to +5.25V supply. Both devices' analog inputs are software configurable for unipolar/bipolar and single-ended/differential operation.The 4-wire serial interface connects directly to SPI™/QSPI™ and MICROWIRE™ devices without external logic. A serial strobe output allows direct connection to TMS320-family digital signal processors. The MAX1246/MAX1247 use either the internal clock or an external serial-interface clock to perform successive-approximation analog-to-digital conversions.The MAX1246 has an internal 2.5V reference, while the MAX1247 requires an external reference. Both parts have a reference-buffer amplifier with a ±1.5% voltage-adjustment range. These devices provide a hard-wired SHDN-bar pin and a software-selectable power-down, and can be programmed to automatically shut down at the end of a conversion. Accessing the serial interface automatically powers up the MAX1246/MAX1247, and the quick turn-on time allows them to be shut down between all conversions. This technique can cut supply current to under 60µA at reduced sampling rates. The MAX1246/MAX1247 are available in a 16-pin DIP and a small QSOP that occupies the same board area as an 8-pin SO.For 8-channel versions of these devices, see the MAX146/MAX147 data sheet.ApplicationsBattery-Powered ApplicationsData AcquisitionMedical InstrumentsPen DigitizersPortable Data LoggingProcess Control |
| Analog to Digital Converters (ADC) | 14 | Active | ||
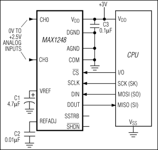
MAX1249+2.7V to +5.25V, Low-Power, 4-Channel, Serial, 10-Bit ADCs in QSOP-16 | Integrated Circuits (ICs) | 11 | Active | The MAX1248/MAX1249 10-bit data-acquisition systems combine a 4-channel multiplexer, high-bandwidth track/hold, and serial interface with high conversion speed and low power consumption. They operate from a single +2.7V to +5.25V supply, and their analog inputs are software configurable for unipolar/bipolar and single-ended/differential operation.The 4-wire serial interface connects directly to SPI™/ QSPI™ and MICROWIRE™ devices without external logic. A serial strobe output allows direct connection to TMS320-family digital signal processors. The MAX1248/MAX1249 use either the internal clock or an external serial-interface clock to perform successive-approximation analog-to-digital conversions.The MAX1248 has an internal 2.5V reference, while the MAX1249 requires an external reference. Both parts have a reference-buffer amplifier with a ±1.5% voltage adjustment range.These devices provide a hard-wired active-low SHDN pin and a software-selectable power-down, and can be programmed to automatically shut down at the end of a conversion. Accessing the serial interface automatically powers up the MAX1248/MAX1249, and the quick turn-on time allows them to be shut down between all conversions. This technique can cut supply current to under 60µA at reduced sampling rates.The MAX1248/MAX1249 are available in a 16-pin DIP and a very small QSOP that occupies the same board area as an 8-pin SO.For 8-channel versions of these devices, see the MAX148/MAX149 datasheet.ApplicationsBattery-Powered ApplicationsData AcquisitionMedical InstrumentsPen DigitizersPortable Data LoggingSystem Supervision |
MAX1252x4-Channel, Simultaneous-Sampling, 14-Bit DAS | Analog to Digital Converters (ADCs) Evaluation Boards | 11 | Active | The MAX125/MAX126 are high-speed, multichannel, 14-bit data-acquisition systems (DAS) with simultaneous track/holds (T/Hs). These devices contain a 14-bit, 3µs, successive-approximation analog-to-digital converter (ADC), a +2.5V reference, a buffered reference input, and a bank of four simultaneous-sampling T/H amplifiers that preserve the relative phase information of the sampled inputs. The MAX125/MAX126 have two multiplexed inputs for each T/H, allowing a total of eight inputs. In addition, the converter is overvoltage tolerant to ±17V; a fault condition on any channel will not harm the IC. Available input ranges are ±5V (MAX125) and ±2.5V (MAX126).An on-board sequencer converts one to four channels per active-low CONVST pulse. In the default mode, one T/H output (CH1A) is converted. An interrupt signal (active-low INT) is provided after the last conversion is complete. Convert two, three, or four channels by reprogramming the MAX125/MAX126 through the bidirectional parallel interface. Once programmed, the MAX125/MAX126 continue to convert the specified number of channels per active-low CONVST pulse until they are reprogrammed. The channels are converted sequentially, beginning with CH1. The INT signal always follows the end of the last conversion in a conversion sequence. The ADC converts each assigned channel in 3µs and stores the result in an internal 14x4 RAM. Upon completion of the conversions, data can be accessed by applying successive pulses to the active-low RD pin. Four successive reads access four data words sequentially.The parallel interface's data-access and bus-release timing specifications are compatible with most popular digital signal processors and 16-bit/32-bit microprocessors, so the MAX125/MAX126 conversion results can be accessed without resorting to wait states.ApplicationsDigital Signal Processing (DSP)Multiphase Motor ControlPower-Factor MonitoringPower-Grid SynchronizationVibration and Waveform Analysis |
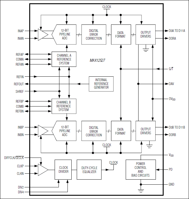
MAX12527Dual, 65Msps, 12-Bit, IF/Baseband ADC | Development Boards, Kits, Programmers | 3 | Active | The MAX12527 is a dual 3.3V, 12-bit analog-to-digital converter (ADC) featuring fully differential wideband track-and-hold (T/H) inputs, driving internal quantizers. The MAX12527 is optimized for low power, small size, and high dynamic performance in intermediate frequency (IF) and baseband sampling applications. This dual ADC operates from a single 3.3V supply, consuming only 620mW while delivering a typical 69.8dB signal-tonoise ratio (SNR) performance at a 175MHz input frequency. The T/H input stages accept single-ended or differential inputs up to 400MHz. In addition to low operating power, the MAX12527 features a 166µW powerdown mode to conserve power during idle periods.A flexible reference structure allows the MAX12527 to use the internal 2.048V bandgap reference or accept an externally applied reference and allows the reference to be shared between the two ADCs. The reference structure allows the full-scale analog input range to be adjusted from ±0.35V to ±1.15V. The MAX12527 provides a common-mode reference to simplify design and reduce external component count in differential analog input circuits.The MAX12527 supports either a single-ended or differential input clock. User-selectable divide-by-two (DIV2) and divide-by-four (DIV4) modes allow for design flexibility and help eliminate the negative effects of clock jitter. Wide variations in the clock duty cycle are compensated with the ADC's internal duty-cycle equalizer (DCE).The MAX12527 features two parallel, 12-bit-wide, CMOS-compatible outputs. The digital output format is pin-selectable to be either two's complement or Gray code. A separate power-supply input for the digital outputs accepts a 1.7V to 3.6V voltage for flexible interfacing with various logic levels. The MAX12527 is available in a 10mm x 10mm x 0.8mm, 68-pin thin QFN package with exposed paddle (EP), and is specified for the extended (-40°C to +85°C) temperature range.For a 14-bit, pin-compatible version of this ADC, refer to the MAX12557 data sheet.See a parametric table of the complete family of pin-compatible, 12-/14-bit high-speed ADCs.ApplicationsDigital Set-Top BoxesI/Q ReceiversIF and Baseband Communication Receivers: Cellular, LMDS, Point-to-Point Microwave, MMDS, HFC, WLANLow-Power Data AcquisitionPortable InstrumentationUltrasound and Medical Imaging |
| Integrated Circuits (ICs) | 2 | Active | ||
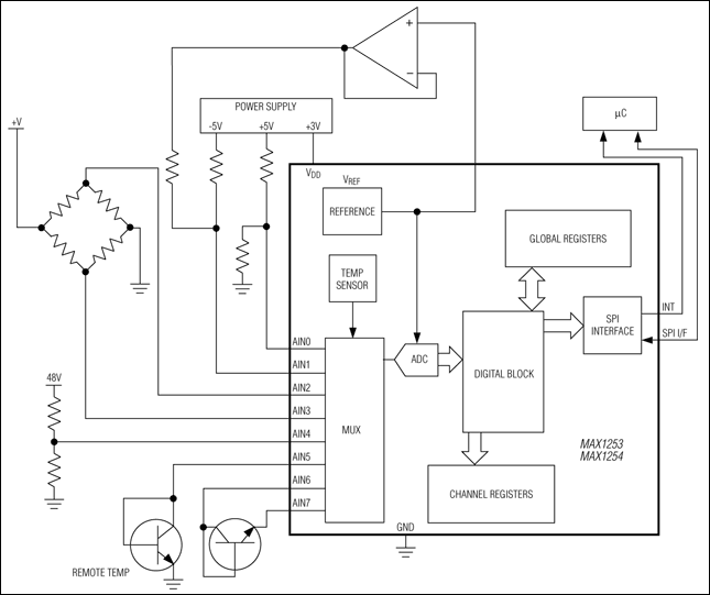
MAX1254Stand-Alone, 10-Channel, 12-Bit System Monitors with Internal Temperature Sensor and VDDMonitor | Data Acquisition | 2 | Active | The MAX1253/MAX1254 are stand-alone, 10-channel (8 external, 2 internal) 12-bit system monitor ADCs with internal reference. A programmable single-ended/differential mux accepts voltage and remote-diode temperature-sensor inputs. These devices independently monitor the input channels without microprocessor interaction and generate an interrupt when any variable exceeds user-defined limits. The MAX1253/MAX1254 configure both high and low limits, as well as the number of fault cycles allowed, before generating an interrupt. These ADCs can also perform recursive data averaging for noise reduction. Programmable wait intervals between conversion sequences allow the selection of the sample rate.At the maximum sampling rate of 94ksps (auto mode, single channel enabled), the MAX1253 consumes only 5mW (1.7mA at 3V). AutoShutdown™ reduces supply current to 190µA at 2ksps and to less than 8µA at 50sps.Stand-alone operation, combined with ease of use in a small package (16-pin TSSOP), makes the MAX1253/ MAX1254 ideal for multichannel system-monitoring applications. Low power consumption also makes these devices a good fit for hand-held and battery-powered applications.ApplicationsRemote Data LoggingRemote Telecom NetworksServer FarmsSystem Supervision |
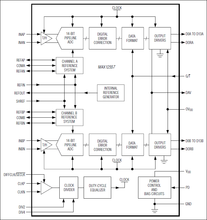
MAX1255514-Bit, 95Msps, 3.3V ADC | Analog to Digital Converters (ADCs) Evaluation Boards | 3 | Active | The MAX12555 is a 3.3V, 14-bit, 95Msps analog-to-digital converter (ADC) featuring a fully differential wideband track-and-hold (T/H) input amplifier, driving a low-noise internal quantizer. The analog input stage accepts single ended or differential signals. The MAX12555 is optimized for high dynamic performance, low power, and small size. Excellent dynamic performance is maintained from baseband to input frequencies of 175MHz and beyond, making the MAX12555 ideal for intermediate frequency (IF) sampling applications.Powered from a single 3.3V supply, the MAX12555 consumes only 497mW while delivering a typical 72.1dB signal-to-noise ratio (SNR) performance at a 175MHz input frequency. In addition to low operating power, the MAX12555 features a 300µW power-down mode to conserve power during idle periods.A flexible reference structure allows the MAX12555 to use the internal 2.048V bandgap reference or accept an externally applied reference. The reference structure allows the full-scale analog input range to be adjusted from ±0.35V to ±1.10V. The MAX12555 provides a common- mode reference to simplify design and reduce external component count in differential analog input circuits.The MAX12555 supports either a single-ended or differential input clock. Wide variations in the clock duty cycle are compensated with the ADC's internal dutycycle equalizer (DCE).ADC conversion results are available through a 14-bit, parallel, CMOS-compatible output bus. The digital output format is pin selectable to be either two's complement or Gray code. A data-valid indicator eliminates external components that are normally required for reliable digital interfacing. A separate digital power input accepts a wide 1.7V to 3.6V supply, allowing the MAX12555 to interface with various logic levels.The MAX12555 is available in a 6mm x 6mm x 0.8mm, 40-pin thin QFN package with exposed paddle (EP), and is specified for the extended industrial (-40°C to +85°C) temperature range.See a parametric table of the complete family of pin-compatible, 12-/14-bit high-speed ADCs.ApplicationsIF and Baseband Communication Receivers: Cellular, Point-to-Point Microwave, HFC, WLANLow-Power Data AcquisitionMedical Imaging Including Positron Emission Tomography (PET)Portable InstrumentationVideo Imaging |
| Integrated Circuits (ICs) | 2 | Active | ||
| Integrated Circuits (ICs) | 2 | Obsolete | ||