A
Analog Devices Inc./Maxim Integrated
| Series | Category | # Parts | Status | Description |
|---|---|---|---|---|
| Part | Spec A | Spec B | Spec C | Spec D | Description |
|---|---|---|---|---|---|
| Series | Category | # Parts | Status | Description |
|---|---|---|---|---|
| Part | Spec A | Spec B | Spec C | Spec D | Description |
|---|---|---|---|---|---|
| Part | Category | Description |
|---|---|---|
Analog Devices Inc./Maxim Integrated LTC1879EGN#TRUnknown | Integrated Circuits (ICs) | IC REG BUCK ADJ 1.2A 16SSOP |
Analog Devices Inc./Maxim Integrated LTC2208CUP#TRUnknown | Integrated Circuits (ICs) | IC ADC 16BIT 130MSPS 64-QFN |
Analog Devices Inc./Maxim Integrated ADP2108ACBZ-1.1-R7Obsolete | Integrated Circuits (ICs) | IC REG BUCK 1.1V 600MA 5WLCSP |
Analog Devices Inc./Maxim Integrated EV1HMC832ALP6GObsolete | Development Boards Kits Programmers | EVAL BOARD FOR HMC832ALP6GE |
Analog Devices Inc./Maxim Integrated LTC488ISWUnknown | Integrated Circuits (ICs) | IC LINE RCVR RS485 QUAD 16-SOIC |
Analog Devices Inc./Maxim Integrated LTC6946IUFD-2Obsolete | Integrated Circuits (ICs) | IC CLK/FREQ SYNTH 28QFN |
Analog Devices Inc./Maxim Integrated MAX5556ESA+TObsolete | Integrated Circuits (ICs) | IC DAC/AUDIO 16BIT 50K 8SOIC |
Analog Devices Inc./Maxim Integrated EVAL-FLTR-LD-1RZUnknown | Unclassified | EVAL BRD FOR AD800 SERIES |
Analog Devices Inc./Maxim Integrated | Development Boards Kits Programmers | BOARD EVAL FOR AD9963 |
Analog Devices Inc./Maxim Integrated LTC1296CCSW#TRUnknown | Integrated Circuits (ICs) | IC DATA ACQ SYS 12BIT 5V 20SOIC |
| Series | Category | # Parts | Status | Description |
|---|---|---|---|---|
| Integrated Circuits (ICs) | 1 | Obsolete | ||
| Video Processing | 2 | Obsolete | ||
| Linear | 1 | Obsolete | ||
| Integrated Circuits (ICs) | 1 | Obsolete | ||
| Video Processing | 2 | Obsolete | ||
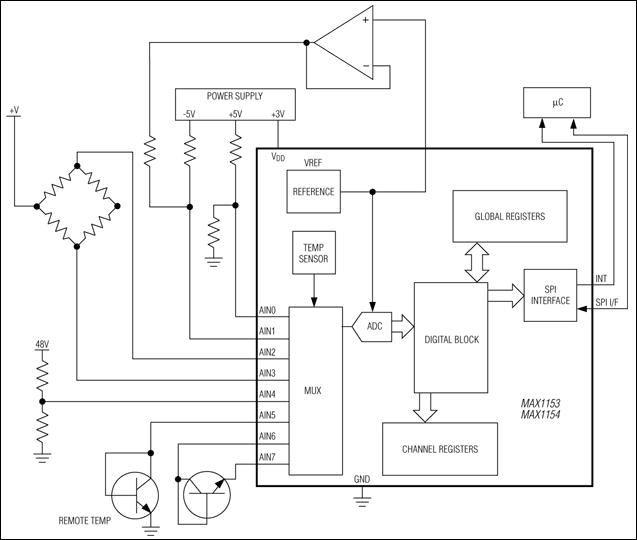
MAX1153Stand-Alone, 10-Channel, 10-Bit System Monitors with Internal Temperature Sensor and VDDMonitor | Integrated Circuits (ICs) | 2 | Active | The MAX1153/MAX1154 are stand-alone, 10-channel (8 external, 2 internal) 10-bit system monitor ADCs with internal reference. A programmable single-ended/differential mux accepts voltage and remote-diode temperature-sensor inputs. These devices independently monitor the input channels without microprocessor interaction and generate an interrupt when any variable exceeds user-defined limits. The MAX1153/MAX1154 configure both high and low limits, as well as the number of fault cycles allowed, before generating an interrupt. These ADCs can also perform recursive data averaging for noise reduction. Programmable wait intervals between conversion sequences allow the selection of the sample rate.At the maximum sampling rate of 94ksps (auto mode, single channel enabled), the MAX1153 consumes only 5mW (1.7mA at 3V). AutoShutdown™ reduces supply current to 190µA at 2ksps and to less than 8µA at 50sps.Stand-alone operation, combined with ease of use in a small package (16-pin TSSOP), makes the MAX1153/MAX1154 ideal for multichannel system-monitoring applications. Low power consumption also makes these devices a good fit for hand-held and battery-powered applications.ApplicationsRemote Data LoggingRemote Telecom NetworksServer FarmsSystem Supervision |
MAX1154Stand-Alone, 10-Channel, 10-Bit System Monitors with Internal Temperature Sensor and VDDMonitor | Data Acquisition | 2 | Active | The MAX1153/MAX1154 are stand-alone, 10-channel (8 external, 2 internal) 10-bit system monitor ADCs with internal reference. A programmable single-ended/differential mux accepts voltage and remote-diode temperature-sensor inputs. These devices independently monitor the input channels without microprocessor interaction and generate an interrupt when any variable exceeds user-defined limits. The MAX1153/MAX1154 configure both high and low limits, as well as the number of fault cycles allowed, before generating an interrupt. These ADCs can also perform recursive data averaging for noise reduction. Programmable wait intervals between conversion sequences allow the selection of the sample rate.At the maximum sampling rate of 94ksps (auto mode, single channel enabled), the MAX1153 consumes only 5mW (1.7mA at 3V). AutoShutdown™ reduces supply current to 190µA at 2ksps and to less than 8µA at 50sps.Stand-alone operation, combined with ease of use in a small package (16-pin TSSOP), makes the MAX1153/MAX1154 ideal for multichannel system-monitoring applications. Low power consumption also makes these devices a good fit for hand-held and battery-powered applications.ApplicationsRemote Data LoggingRemote Telecom NetworksServer FarmsSystem Supervision |
| Analog to Digital Converters (ADC) | 1 | Obsolete | ||
| Integrated Circuits (ICs) | 2 | Obsolete | ||
| Data Acquisition | 1 | Obsolete | ||