T
Texas Instruments
| Series | Category | # Parts | Status | Description |
|---|---|---|---|---|
| Part | Spec A | Spec B | Spec C | Spec D | Description |
|---|---|---|---|---|---|
| Series | Category | # Parts | Status | Description |
|---|---|---|---|---|
| Part | Spec A | Spec B | Spec C | Spec D | Description |
|---|---|---|---|---|---|
| Part | Category | Description |
|---|---|---|
Texas Instruments | Integrated Circuits (ICs) | BUS DRIVER, BCT/FBT SERIES |
Texas Instruments | Integrated Circuits (ICs) | 12BIT 3.3V~3.6V 210MHZ PARALLEL VQFN-48-EP(7X7) ANALOG TO DIGITAL CONVERTERS (ADC) ROHS |
Texas Instruments | Integrated Circuits (ICs) | TMX320DRE311 179PIN UBGA 200MHZ |
Texas Instruments TPS61040DRVTG4Unknown | Integrated Circuits (ICs) | IC LED DRV RGLTR PWM 350MA 6WSON |
Texas Instruments LP3876ET-2.5Obsolete | Integrated Circuits (ICs) | IC REG LINEAR 2.5V 3A TO220-5 |
Texas Instruments LMS1585ACSX-ADJObsolete | Integrated Circuits (ICs) | IC REG LIN POS ADJ 5A DDPAK |
Texas Instruments INA111APG4Obsolete | Integrated Circuits (ICs) | IC INST AMP 1 CIRCUIT 8DIP |
Texas Instruments | Integrated Circuits (ICs) | AUTOMOTIVE, QUAD 36V 1.2MHZ OPERATIONAL AMPLIFIER |
Texas Instruments OPA340NA/3KG4Unknown | Integrated Circuits (ICs) | IC OPAMP GP 1 CIRCUIT SOT23-5 |
Texas Instruments PT5112AObsolete | Power Supplies - Board Mount | DC DC CONVERTER 8V 8W |
| Series | Category | # Parts | Status | Description |
|---|---|---|---|---|
ADC0820-N8-Bit High Speed µP Compatible A/D Converter with Track/Hold Function | Analog to Digital Converters (ADC) | 3 | Active | By using a half-flash conversion technique, the 8-bit ADC0820-N CMOS A/D offers a 1.5 µs conversion time and dissipates only 75 mW of power. The half-flash technique consists of 32 comparators, a most significant 4-bit ADC and a least significant 4-bit ADC.
The input to the ADC0820-N is tracked and held by the input sampling circuitry eliminating the need for an external sample-and-hold for signals moving at less than 100 mV/µs.
For ease of interface to microprocessors, the ADC0820-N has been designed to appear as a memory location or I/O port without the need for external interfacing logic.
By using a half-flash conversion technique, the 8-bit ADC0820-N CMOS A/D offers a 1.5 µs conversion time and dissipates only 75 mW of power. The half-flash technique consists of 32 comparators, a most significant 4-bit ADC and a least significant 4-bit ADC.
The input to the ADC0820-N is tracked and held by the input sampling circuitry eliminating the need for an external sample-and-hold for signals moving at less than 100 mV/µs.
For ease of interface to microprocessors, the ADC0820-N has been designed to appear as a memory location or I/O port without the need for external interfacing logic. |
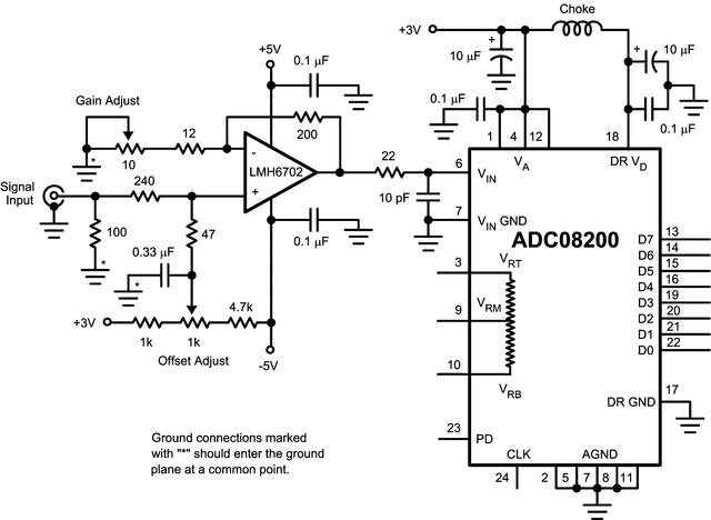
ADC082008-Bit 200MSPS Low-Power Analog-to-Digital Converter (ADC) With Internal Sample and Hold | Development Boards, Kits, Programmers | 3 | Active | The ADC08200 is a low-power, 8-bit, monolithic analog-to-digital converter with an on-chip track-and-hold circuit. Optimized for low cost, low power, small size and ease of use, this product operates at conversion rates up to 230 Msps while consuming just 1.05 mW per MHz of clock frequency, or 210 mW at 200 Msps. Raising the PD pin puts the ADC08200 into a Power Down mode where it consumes about 1 mW.
The unique architecture achieves 7.3 Effective Bits with 50 MHz input frequency. The ADC08200 is resistant to latch-up and the outputs are short-circuit proof. The top and bottom of the ADC08200's reference ladder are available for connections, enabling a wide range of input possibilities. The digital outputs are TTL/CMOS compatible with a separate output power supply pin to support interfacing with 3V or 2.5V logic. The digital inputs (CLK and PD) are TTL/CMOS compatible. The output data format is straight binary.
The ADC08200 is offered in a 24-lead TSSOP package and, while specified over the industrial temperature range of −40°C to +85°C, it will function over the to −40°C to +105°C temperature range.
The ADC08200 is a low-power, 8-bit, monolithic analog-to-digital converter with an on-chip track-and-hold circuit. Optimized for low cost, low power, small size and ease of use, this product operates at conversion rates up to 230 Msps while consuming just 1.05 mW per MHz of clock frequency, or 210 mW at 200 Msps. Raising the PD pin puts the ADC08200 into a Power Down mode where it consumes about 1 mW.
The unique architecture achieves 7.3 Effective Bits with 50 MHz input frequency. The ADC08200 is resistant to latch-up and the outputs are short-circuit proof. The top and bottom of the ADC08200's reference ladder are available for connections, enabling a wide range of input possibilities. The digital outputs are TTL/CMOS compatible with a separate output power supply pin to support interfacing with 3V or 2.5V logic. The digital inputs (CLK and PD) are TTL/CMOS compatible. The output data format is straight binary.
The ADC08200 is offered in a 24-lead TSSOP package and, while specified over the industrial temperature range of −40°C to +85°C, it will function over the to −40°C to +105°C temperature range. |
ADC082S0212 Channel, 50 ksps to 200 ksps, 8-Bit A/D Converter | Data Acquisition | 1 | Active | The ADC082S021 is a low-power, two-channel CMOS 8-bit analog-to-digital converter with a high-speed serial interface. Unlike the conventional practice of specifying performance at a single sample rate only, the ADC082S021 is fully specified over a sample rate range of 50 ksps to 200 ksps. The converter is based upon a successive-approximation register architecture with an internal track-and-hold circuit. It can be configured to accept one or two input signals at inputs IN1 and IN2.
The output serial data is straight binary, and is compatible with several standards, such as SPI™, QSPI™, MICROWIRE, and many common DSP serial interfaces.
The ADC082S021 operates with a single supply that can range from +2.7V to +5.25V. Normal power consumption using a +3V or +5V supply is 1.6 mW and 5.8 mW, respectively. The power-down feature reduces the power consumption to just 0.12 µW using a +3V supply, or 0.35 µW using a +5V supply.
The ADC082S021 is packaged in an 8-lead VSSOP package. Operation over the industrial temperature range of −40°C to +85°C.
The ADC082S021 is a low-power, two-channel CMOS 8-bit analog-to-digital converter with a high-speed serial interface. Unlike the conventional practice of specifying performance at a single sample rate only, the ADC082S021 is fully specified over a sample rate range of 50 ksps to 200 ksps. The converter is based upon a successive-approximation register architecture with an internal track-and-hold circuit. It can be configured to accept one or two input signals at inputs IN1 and IN2.
The output serial data is straight binary, and is compatible with several standards, such as SPI™, QSPI™, MICROWIRE, and many common DSP serial interfaces.
The ADC082S021 operates with a single supply that can range from +2.7V to +5.25V. Normal power consumption using a +3V or +5V supply is 1.6 mW and 5.8 mW, respectively. The power-down feature reduces the power consumption to just 0.12 µW using a +3V supply, or 0.35 µW using a +5V supply.
The ADC082S021 is packaged in an 8-lead VSSOP package. Operation over the industrial temperature range of −40°C to +85°C. |
ADC082S0512 Channel, 200 ksps to 500 ksps, 8-Bit A/D Converter | Analog to Digital Converters (ADC) | 1 | Active | The ADC082S051 is a low-power, two-channel CMOS 8-bit analog-to-digital converter with a high-speed serial interface. Unlike the conventional practice of specifying performance at a single sample rate only, the ADC082S051 is fully specified over a sample rate range of 200 ksps to 500 ksps. The converter is based on a successive-approximation register architecture with an internal track-and-hold circuit. It can be configured to accept one or two input signals at inputs IN1 and IN2.
The output serial data is straight binary, and is compatible with several standards, such as SPI™, QSPI™, MICROWIRE, and many common DSP serial interfaces.
The ADC082S051 operates with a single supply that can range from +2.7V to +5.25V. Normal power consumption using a +3V or +5V supply is 2.2 mW and 7.1 mW, respectively. The power-down feature reduces the power consumption to just 0.12 µW using a +3V supply, or 0.35 µW using a +5V supply.
The ADC082S051 is packaged in an 8-lead VSSOP package. Operation over the industrial temperature range of −40°C to +85°C is ensured.
The ADC082S051 is a low-power, two-channel CMOS 8-bit analog-to-digital converter with a high-speed serial interface. Unlike the conventional practice of specifying performance at a single sample rate only, the ADC082S051 is fully specified over a sample rate range of 200 ksps to 500 ksps. The converter is based on a successive-approximation register architecture with an internal track-and-hold circuit. It can be configured to accept one or two input signals at inputs IN1 and IN2.
The output serial data is straight binary, and is compatible with several standards, such as SPI™, QSPI™, MICROWIRE, and many common DSP serial interfaces.
The ADC082S051 operates with a single supply that can range from +2.7V to +5.25V. Normal power consumption using a +3V or +5V supply is 2.2 mW and 7.1 mW, respectively. The power-down feature reduces the power consumption to just 0.12 µW using a +3V supply, or 0.35 µW using a +5V supply.
The ADC082S051 is packaged in an 8-lead VSSOP package. Operation over the industrial temperature range of −40°C to +85°C is ensured. |
ADC082S1012 Channel, 500 ksps to 1 Msps, 8-Bit A/D Converter | Data Acquisition | 2 | Active | The ADC082S101 is a low-power, two-channel CMOS 8-bit analog-to-digital converter with a high-speed serial interface. Unlike the conventional practice of specifying performance at a single sample rate only, the ADC082S101 is fully specified over a sample rate range of 500 ksps to 1 Msps. The converter is based on a successive-approximation register architecture with an internal track-and-hold circuit. It can be configured to accept one or two input signals at inputs IN1 and IN2.
The output serial data is straight binary, and is compatible with several standards, such as SPI™, QSPI™, MICROWIRE, and many common DSP serial interfaces.
The ADC082S101 operates with a single supply that can range from +2.7V to +5.25V. Normal power consumption using a +3V or +5V supply is 3.2 mW and 9.6 mW, respectively. The power-down feature reduces the power consumption to just 0.12 µW using a +3V supply, or 0.35 µW using a +5V supply.
The ADC082S101 is packaged in an 8-lead VSSOP package. Operation over the industrial temperature range of −40°C to +85°C is ensured.
The ADC082S101 is a low-power, two-channel CMOS 8-bit analog-to-digital converter with a high-speed serial interface. Unlike the conventional practice of specifying performance at a single sample rate only, the ADC082S101 is fully specified over a sample rate range of 500 ksps to 1 Msps. The converter is based on a successive-approximation register architecture with an internal track-and-hold circuit. It can be configured to accept one or two input signals at inputs IN1 and IN2.
The output serial data is straight binary, and is compatible with several standards, such as SPI™, QSPI™, MICROWIRE, and many common DSP serial interfaces.
The ADC082S101 operates with a single supply that can range from +2.7V to +5.25V. Normal power consumption using a +3V or +5V supply is 3.2 mW and 9.6 mW, respectively. The power-down feature reduces the power consumption to just 0.12 µW using a +3V supply, or 0.35 µW using a +5V supply.
The ADC082S101 is packaged in an 8-lead VSSOP package. Operation over the industrial temperature range of −40°C to +85°C is ensured. |
| Evaluation Boards | 17 | Obsolete | ||
ADC0830008-Bit, 3.0-GSPS Analog-to-Digital Converter (ADC) | Integrated Circuits (ICs) | 1 | Active | The ADC083000 is a single, low power, high performance CMOS analog-to-digital converter that digitizes signals to 8 bits resolution at sampling rates up to 3.4 GSPS. Consuming a typical 1.9 Watts at 3 GSPS from a single 1.9 Volt supply, this device is guaranteed to have no missing codes over the full operating temperature range. The unique folding and interpolating architecture, the fully differential comparator design, the innovative design of the internal sample-and-hold amplifier and the self-calibration scheme enable an excellent response of all dynamic parameters up to Nyquist, producing a high 7.0 Effective Number Of Bits, (ENOB) with a 748 MHz input signal and a 3 GHz sample rate while providing a 10-18Word Error Rate. The ADC083000 achieves a 3 GSPS sampling rate by utilizing both the rising and falling edge of a 1.5 GHz input clock. Output formatting is offset binary and the LVDS digital outputs are compatible with IEEE 1596.3-1996, with the exception of an adjustable common mode voltage between 0.8V and 1.15V.
The ADC has a 1:4 demultiplexer that feeds four LVDS buses and reduces the output data rate on each bus to a quarter of the sampling rate.
The converter typically consumes less than 25 mW in the Power Down Mode and is available in a 128-lead, thermally enhanced exposed pad LQFP and operates over the Industrial (-40°C≤TA≤+85°C) temperature range.
The ADC083000 is a single, low power, high performance CMOS analog-to-digital converter that digitizes signals to 8 bits resolution at sampling rates up to 3.4 GSPS. Consuming a typical 1.9 Watts at 3 GSPS from a single 1.9 Volt supply, this device is guaranteed to have no missing codes over the full operating temperature range. The unique folding and interpolating architecture, the fully differential comparator design, the innovative design of the internal sample-and-hold amplifier and the self-calibration scheme enable an excellent response of all dynamic parameters up to Nyquist, producing a high 7.0 Effective Number Of Bits, (ENOB) with a 748 MHz input signal and a 3 GHz sample rate while providing a 10-18Word Error Rate. The ADC083000 achieves a 3 GSPS sampling rate by utilizing both the rising and falling edge of a 1.5 GHz input clock. Output formatting is offset binary and the LVDS digital outputs are compatible with IEEE 1596.3-1996, with the exception of an adjustable common mode voltage between 0.8V and 1.15V.
The ADC has a 1:4 demultiplexer that feeds four LVDS buses and reduces the output data rate on each bus to a quarter of the sampling rate.
The converter typically consumes less than 25 mW in the Power Down Mode and is available in a 128-lead, thermally enhanced exposed pad LQFP and operates over the Industrial (-40°C≤TA≤+85°C) temperature range. |
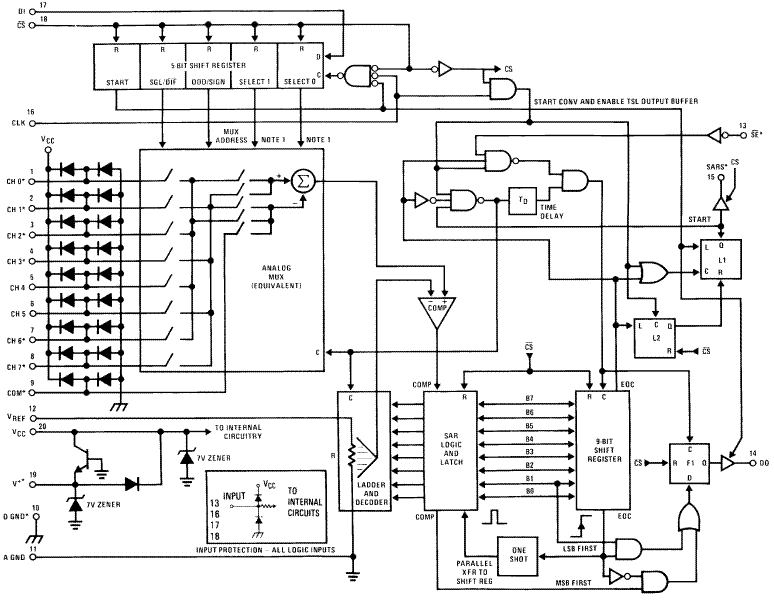
ADC0831-N8-Bit, 1-Ch Serial I/O A/D Converter | Analog to Digital Converters (ADC) | 3 | Active | The ADC0831 series are 8-bit successive approximation A/D converters with a serial I/O and configurable input multiplexers with up to 8 channels. The serial I/O is configured to comply with the TI MICROWIRE serial data exchange standard for easy interface to the COPS family of processors, and can interface with standard shift registers or μPs.
The 2‐, 4‐ or 8‐channel multiplexers are software configured for single‐ended or differential inputs as well as channel assignment.
The differential analog voltage input allows increasing the common‐mode rejection and offsetting the analog zero input voltage value. In addition, the voltage reference input can be adjusted to allow encoding any smaller analog voltage span to the full 8 bits of resolution.
The ADC0831 series are 8-bit successive approximation A/D converters with a serial I/O and configurable input multiplexers with up to 8 channels. The serial I/O is configured to comply with the TI MICROWIRE serial data exchange standard for easy interface to the COPS family of processors, and can interface with standard shift registers or μPs.
The 2‐, 4‐ or 8‐channel multiplexers are software configured for single‐ended or differential inputs as well as channel assignment.
The differential analog voltage input allows increasing the common‐mode rejection and offsetting the analog zero input voltage value. In addition, the voltage reference input can be adjusted to allow encoding any smaller analog voltage span to the full 8 bits of resolution. |
ADC0832-N8-Bit, 2-Ch Serial I/O A/D Converter | Data Acquisition | 3 | Obsolete | The ADC0831 series are 8-bit successive approximation A/D converters with a serial I/O and configurable input multiplexers with up to 8 channels. The serial I/O is configured to comply with the TI MICROWIRE serial data exchange standard for easy interface to the COPS family of processors, and can interface with standard shift registers or μPs.
The 2‐, 4‐ or 8‐channel multiplexers are software configured for single‐ended or differential inputs as well as channel assignment.
The differential analog voltage input allows increasing the common‐mode rejection and offsetting the analog zero input voltage value. In addition, the voltage reference input can be adjusted to allow encoding any smaller analog voltage span to the full 8 bits of resolution.
The ADC0831 series are 8-bit successive approximation A/D converters with a serial I/O and configurable input multiplexers with up to 8 channels. The serial I/O is configured to comply with the TI MICROWIRE serial data exchange standard for easy interface to the COPS family of processors, and can interface with standard shift registers or μPs.
The 2‐, 4‐ or 8‐channel multiplexers are software configured for single‐ended or differential inputs as well as channel assignment.
The differential analog voltage input allows increasing the common‐mode rejection and offsetting the analog zero input voltage value. In addition, the voltage reference input can be adjusted to allow encoding any smaller analog voltage span to the full 8 bits of resolution. |
ADC0834-N8-Bit, 4-Ch Serial I/O A/D Converter | Integrated Circuits (ICs) | 2 | Active | The ADC0831 series are 8-bit successive approximation A/D converters with a serial I/O and configurable input multiplexers with up to 8 channels. The serial I/O is configured to comply with the TI MICROWIRE serial data exchange standard for easy interface to the COPS family of processors, and can interface with standard shift registers or μPs.
The 2‐, 4‐ or 8‐channel multiplexers are software configured for single‐ended or differential inputs as well as channel assignment.
The differential analog voltage input allows increasing the common‐mode rejection and offsetting the analog zero input voltage value. In addition, the voltage reference input can be adjusted to allow encoding any smaller analog voltage span to the full 8 bits of resolution.
The ADC0831 series are 8-bit successive approximation A/D converters with a serial I/O and configurable input multiplexers with up to 8 channels. The serial I/O is configured to comply with the TI MICROWIRE serial data exchange standard for easy interface to the COPS family of processors, and can interface with standard shift registers or μPs.
The 2‐, 4‐ or 8‐channel multiplexers are software configured for single‐ended or differential inputs as well as channel assignment.
The differential analog voltage input allows increasing the common‐mode rejection and offsetting the analog zero input voltage value. In addition, the voltage reference input can be adjusted to allow encoding any smaller analog voltage span to the full 8 bits of resolution. |