OPA2145Dual, 5.5-MHz, high slew rate, low-noise, low-power, RRO precision JFET operational amplifier | Instrumentation, Op Amps, Buffer Amps | 2 | Active | The OPA145 and OPA2145 (OPAx145) devices are part of a family of low-power JFET input amplifier that have excellent drift, low current noise, and pico-ampere input bias current. These features make the OPAx145 an excellent choice for amplifying small signals from high-impedance sensors.
The rail-to-rail output swing interfaces to modern, single-supply, precision, analog-to-digital converters (ADCs) and digital-to-analog converters (DACs). In addition, the input range that includes V– allows designers to simplify power management and take advantage of the single-supply, low-noise JFET architecture.
The OPA145 and OPA2145 (OPAx145) devices are part of a family of low-power JFET input amplifier that have excellent drift, low current noise, and pico-ampere input bias current. These features make the OPAx145 an excellent choice for amplifying small signals from high-impedance sensors.
The rail-to-rail output swing interfaces to modern, single-supply, precision, analog-to-digital converters (ADCs) and digital-to-analog converters (DACs). In addition, the input range that includes V– allows designers to simplify power management and take advantage of the single-supply, low-noise JFET architecture. |
OPA2156Low noise (3-nV/√Hz @10kHz), high speed (25-MHz, 40-V/µs), CMOS precision RRIO dual op amp | Integrated Circuits (ICs) | 4 | Active | The OPA2156 is the first in a planned new generation of 36-V, rail-to-rail operational amplifiers (op amps).
This devices offers very low offset voltage (±25 µV), drift (±0.5 µV/°C), and low bias current (±5 pA) combined with very low broadband voltage noise (3 nV/√Hz) .
Unique features, such as rail-to-rail input and output voltage ranges, wide bandwidth (25 MHz) high output current (100 mA), and high slew rate (40 V/µs) make the OPA2156 a robust, high-performance operational amplifier for high-voltage precision industrial applications.
The OPA2156 op amp is available in 8-pin SOIC and VSSOP packages and is specified over the industrial temperature range of –40°C to +125°C.
The OPA2156 is the first in a planned new generation of 36-V, rail-to-rail operational amplifiers (op amps).
This devices offers very low offset voltage (±25 µV), drift (±0.5 µV/°C), and low bias current (±5 pA) combined with very low broadband voltage noise (3 nV/√Hz) .
Unique features, such as rail-to-rail input and output voltage ranges, wide bandwidth (25 MHz) high output current (100 mA), and high slew rate (40 V/µs) make the OPA2156 a robust, high-performance operational amplifier for high-voltage precision industrial applications.
The OPA2156 op amp is available in 8-pin SOIC and VSSOP packages and is specified over the industrial temperature range of –40°C to +125°C. |
OPA2170-Q1Automotive-grade, dual, 36-V, 1.2-MHz, low-power operational amplifier | Linear | 6 | Active | The OPA170-Q1, OPA2170-Q1, and OPA4170-Q1 devices (OPAx170-Q1) are a family of 36-V, single-supply, low-noise operational amplifiers that feature micro packages with the ability to operate on supplies ranging from 2.7 V (±1.35 V) to 36 V (±18 V). They offer good offset, drift, and bandwidth with low quiescent current.
Unlike most operational amplifiers, which are specified at only one supply voltage, the OPAx170-Q1 family of operational amplifiers is specified from 2.7 V to 36 V. Input signals beyond the supply rails do not cause phase reversal. The OPAx170-Q1 family is stable with capacitive loads up to 300 pF. The input can operate 100 mV below the negative rail and within 2 V of the positive rail for normal operation. Note that these devices can operate with full rail-to-rail input 100 mV beyond the positive rail, but with reduced performance within 2 V of the positive rail. The OPAx170-Q1 operational amplifiers are specified from –40°C to +125°C.
The OPA170-Q1, OPA2170-Q1, and OPA4170-Q1 devices (OPAx170-Q1) are a family of 36-V, single-supply, low-noise operational amplifiers that feature micro packages with the ability to operate on supplies ranging from 2.7 V (±1.35 V) to 36 V (±18 V). They offer good offset, drift, and bandwidth with low quiescent current.
Unlike most operational amplifiers, which are specified at only one supply voltage, the OPAx170-Q1 family of operational amplifiers is specified from 2.7 V to 36 V. Input signals beyond the supply rails do not cause phase reversal. The OPAx170-Q1 family is stable with capacitive loads up to 300 pF. The input can operate 100 mV below the negative rail and within 2 V of the positive rail for normal operation. Note that these devices can operate with full rail-to-rail input 100 mV beyond the positive rail, but with reduced performance within 2 V of the positive rail. The OPAx170-Q1 operational amplifiers are specified from –40°C to +125°C. |
OPA2171-EPEnhanced product, dual, 36-V, 3-MHz, low-power operational amplifier | Integrated Circuits (ICs) | 8 | Active | The OPA171-Q1 family of devices is a 36-V, single-supply, low-noise operational amplifier (op amp) with the ability to operate on supplies ranging from 2.7 V (±1.35 V) to 36 V (±18 V). This series is available in multiple packages and offers low offset, drift, and low quiescent current. The single, dual, and quad versions all have identical specifications for maximum design flexibility.
Unlike most op amps, which are specified at only one supply voltage, the OPAx171-Q1 family of devices is specified from 2.7 V to 36 V. Input signals beyond the supply rails do not cause phase reversal. The OPAx171-Q1 family of devices is stable with capacitive loads up to 300 pF. The input can operate 100 mV below the negative rail and within 2 V of the top rail during normal operation. The device can operate with full rail-to-rail input 100 mV beyond the top rail, but with reduced performance within 2 V of the top rail.
The OPAx171-Q1 op amp family is specified from –40°C to +125°C.
The OPA171-Q1 family of devices is a 36-V, single-supply, low-noise operational amplifier (op amp) with the ability to operate on supplies ranging from 2.7 V (±1.35 V) to 36 V (±18 V). This series is available in multiple packages and offers low offset, drift, and low quiescent current. The single, dual, and quad versions all have identical specifications for maximum design flexibility.
Unlike most op amps, which are specified at only one supply voltage, the OPAx171-Q1 family of devices is specified from 2.7 V to 36 V. Input signals beyond the supply rails do not cause phase reversal. The OPAx171-Q1 family of devices is stable with capacitive loads up to 300 pF. The input can operate 100 mV below the negative rail and within 2 V of the top rail during normal operation. The device can operate with full rail-to-rail input 100 mV beyond the top rail, but with reduced performance within 2 V of the top rail.
The OPAx171-Q1 op amp family is specified from –40°C to +125°C. |
| Linear | 7 | Active | |
OPA2180-Q1Automotive-Qualified 0.1 uV/°C Drift, Low Noise, RRO, 36V, Zero-Drift Op Amp | Instrumentation, Op Amps, Buffer Amps | 3 | Active | The OPA180, OPA2180 and OPA4180 operational amplifiers (op amps) use TI’s proprietaryzero-drifttechniques to simultaneously provide low offset voltage (75 µV), and near zero-drift over time and temperature. These miniature, high-precision, low-quiescent-current op amps offer high input impedance and rail-to-rail output swing within 18 mV of the rails. The input common-mode range includes the negative rail. Single- or dual-supplies ranging from 4 V to 36 V (±2 V to ±18 V) can be used.
The dual-channel version is offered in VSSOP-8 packages and SOIC-8 packages. The quad-channel version is offered in SOIC-14 and TSSOP-14 packages. The single and quad package offerings (OPA180 and OPA4180) are specified from –40°C to +125°C, and the dual package (OPA2180) is specified from –40°C to +105°C.
The OPA180, OPA2180 and OPA4180 operational amplifiers (op amps) use TI’s proprietaryzero-drifttechniques to simultaneously provide low offset voltage (75 µV), and near zero-drift over time and temperature. These miniature, high-precision, low-quiescent-current op amps offer high input impedance and rail-to-rail output swing within 18 mV of the rails. The input common-mode range includes the negative rail. Single- or dual-supplies ranging from 4 V to 36 V (±2 V to ±18 V) can be used.
The dual-channel version is offered in VSSOP-8 packages and SOIC-8 packages. The quad-channel version is offered in SOIC-14 and TSSOP-14 packages. The single and quad package offerings (OPA180 and OPA4180) are specified from –40°C to +125°C, and the dual package (OPA2180) is specified from –40°C to +105°C. |
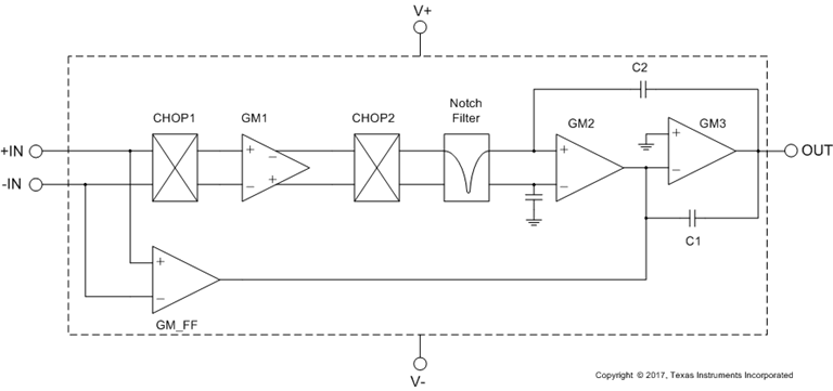
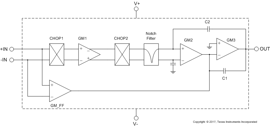
OPA2182Industry’s lowest offset drift (0.012 uV/˚C, max), 5.7 nV/rtHz, MUX-friendly 36V op amp | Linear | 3 | Active | The OPA182, OPA2182, and OPA4182 (OPAx182) are ultra-low noise, fast-settling, zero-drift, high-precision operational amplifiers, These devices provide rail-to-rail output operation and feature a unique MUX-friendly architecture and controlled start-up system. These devices also feature excellent ac performance combined with only 0.45 µV of offset voltage and 0.003 µV/°C of drift over temperature. All these features make the OPAx182 a great choice for data acquisition, battery test, analog input modules, weigh scales, and any other systems requiring high dc precision and low noise.
The MUX-friendly input architecture prevents inrush current when applying large input differential voltages and improves settling performance in multichannel systems. Moreover, the controlled start-up system rejects any inrush current when ramping up the supply rails, all while providing robust ESD protection during shipment, handling, and assembly.
The device is specified from –40°C to +125°C.
The OPA182, OPA2182, and OPA4182 (OPAx182) are ultra-low noise, fast-settling, zero-drift, high-precision operational amplifiers, These devices provide rail-to-rail output operation and feature a unique MUX-friendly architecture and controlled start-up system. These devices also feature excellent ac performance combined with only 0.45 µV of offset voltage and 0.003 µV/°C of drift over temperature. All these features make the OPAx182 a great choice for data acquisition, battery test, analog input modules, weigh scales, and any other systems requiring high dc precision and low noise.
The MUX-friendly input architecture prevents inrush current when applying large input differential voltages and improves settling performance in multichannel systems. Moreover, the controlled start-up system rejects any inrush current when ramping up the supply rails, all while providing robust ESD protection during shipment, handling, and assembly.
The device is specified from –40°C to +125°C. |
OPA2186Dual, 24-V, 90-μA 5-μV-offset zero-drift operational amplifier with rail-to-rail input and output | Integrated Circuits (ICs) | 1 | Active | The OPA186, OPA2186, and OPA4186 (OPAx186) are low-power, 24-V, rail-to-rail input and output, zero-drift operational amplifiers (op amps). These op amps feature only 10 µV of offset voltage (maximum) and 0.04 µV/°C of offset voltage drift over temperature (maximum). These devices are a great choice for precision instrumentation, signal measurement, and active-filtering applications.
The low quiescent current consumption of 90 µA makes the OPAx186 an excellent option for power-sensitive applications, such as battery-powered instrumentation and portable systems.
Moreover, the high common-mode architecture along with low offset voltage allows for high-side current shunt monitoring at the positive rail. These devices also provide robust ESD protection during shipment, handling, and assembly.
The OPA186, OPA2186, and OPA4186 (OPAx186) are low-power, 24-V, rail-to-rail input and output, zero-drift operational amplifiers (op amps). These op amps feature only 10 µV of offset voltage (maximum) and 0.04 µV/°C of offset voltage drift over temperature (maximum). These devices are a great choice for precision instrumentation, signal measurement, and active-filtering applications.
The low quiescent current consumption of 90 µA makes the OPAx186 an excellent option for power-sensitive applications, such as battery-powered instrumentation and portable systems.
Moreover, the high common-mode architecture along with low offset voltage allows for high-side current shunt monitoring at the positive rail. These devices also provide robust ESD protection during shipment, handling, and assembly. |
OPA2187Zero-drift (10µV, 0.001µV/C˚), MUX-friendly, low power, RRO, CMOS precision op amp (dual) | Integrated Circuits (ICs) | 3 | Active | The OPAx187 series operational amplifiers use auto-zeroing techniques to simultaneously provide low-offset voltage (1 µV), and near zero drift over time and temperature. These miniature, high-precision, low-quiescent current amplifiers offer high-input impedance and rail-to-rail output swing within 5 mV of the rails into high-impedance loads. The input common-mode range includes the negative rail. Either single or dual supplies can be used in the range of 4.5 V to 36 V (±2.25 V to ±18 V).
The single version OPAx187 device is available in microsize 8-pin VSSOP, 5-pin SOT-23, and 8-pin SOIC packages. The dual version is offered in 8-pin VSSOP and 8-pin SOIC packages. The quad version is offered in 14-pin SOIC, 14-pin TSSOP, and 16-pin WQFN packages. All versions are specified for operation from –40°C to +125°C.
The OPAx187 series operational amplifiers use auto-zeroing techniques to simultaneously provide low-offset voltage (1 µV), and near zero drift over time and temperature. These miniature, high-precision, low-quiescent current amplifiers offer high-input impedance and rail-to-rail output swing within 5 mV of the rails into high-impedance loads. The input common-mode range includes the negative rail. Either single or dual supplies can be used in the range of 4.5 V to 36 V (±2.25 V to ±18 V).
The single version OPAx187 device is available in microsize 8-pin VSSOP, 5-pin SOT-23, and 8-pin SOIC packages. The dual version is offered in 8-pin VSSOP and 8-pin SOIC packages. The quad version is offered in 14-pin SOIC, 14-pin TSSOP, and 16-pin WQFN packages. All versions are specified for operation from –40°C to +125°C. |
OPA2188-Q10.03µV/°C, 6µV Vos, Low Noise, Rail-to-Rail Output, 36V Zero-Drift Operational Amplifier | Amplifiers | 4 | Active | The OPAx188-Q1 operational amplifier family uses TI’s proprietary zero drift techniques to provide low offset voltage (25-µV maximum) and nearzero-driftover time and temperature. This miniature, high-precision, low-quiescent current amplifier family offers high input impedance and rail-to-rail output swing within 15 mV of the rails. The input common-mode range includes the negative rail. Either single or dual supplies can be used in the range from 4 V to 36 V (±2 V to ±18 V).
The OPA188-Q1 and OPA2188-Q1 are both offered in VSSOP-8. The single-channel version(OPA188-Q1) is fully specified from –40°C to +125°C, and the dual-channel version (OPA2188-Q1) is fully specified from –40°C to +105°C.
The OPAx188-Q1 operational amplifier family uses TI’s proprietary zero drift techniques to provide low offset voltage (25-µV maximum) and nearzero-driftover time and temperature. This miniature, high-precision, low-quiescent current amplifier family offers high input impedance and rail-to-rail output swing within 15 mV of the rails. The input common-mode range includes the negative rail. Either single or dual supplies can be used in the range from 4 V to 36 V (±2 V to ±18 V).
The OPA188-Q1 and OPA2188-Q1 are both offered in VSSOP-8. The single-channel version(OPA188-Q1) is fully specified from –40°C to +125°C, and the dual-channel version (OPA2188-Q1) is fully specified from –40°C to +105°C. |