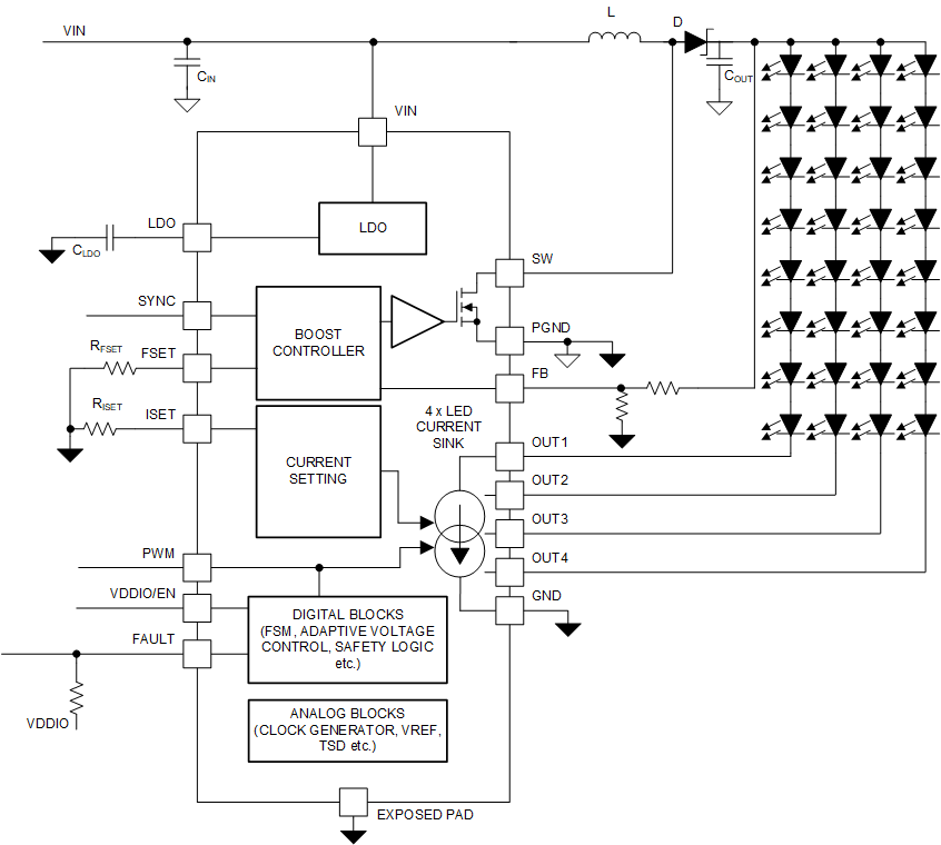
LP8865W-Q1Automotive, 65-V 2-A buck LED driver with flexible dimming option | Integrated Circuits (ICs) | 1 | Active | The LP8865-Q1 family is a non-synchronous multi-topology solution with 4.5-V to 65-V wide input range. By integrating the low-side NMOS switch, the device is capable of driving LEDs with high power density and high efficiency. The family also supports common cathode connection and single layer PCB design. The switching frequency is configurable from 100 kHz to 2.2 MHz with an optional spread spectrum feature for better EMI performance.
The LP8865-Q1 family supports four dimming options, including analog, PWM, hybrid and flexible dimming. Each dimming method can be configured through the PWM and ADIM input pins by means of simple high and low signals. The family adopts an adaptive off-time current mode control along with smart and accurate sampling to enable inductive fast dimming (IFD) and achieve high dimming accuracy.
The LP8865-Q1 family also provides multiple systematic protections, including LED open and short, sense resistor open and short, configurable thermal foldback and thermal shutdown. Fault output will send out acknowledge signals as soon as any fault condition is detected.
The LP8865-Q1 family is a non-synchronous multi-topology solution with 4.5-V to 65-V wide input range. By integrating the low-side NMOS switch, the device is capable of driving LEDs with high power density and high efficiency. The family also supports common cathode connection and single layer PCB design. The switching frequency is configurable from 100 kHz to 2.2 MHz with an optional spread spectrum feature for better EMI performance.
The LP8865-Q1 family supports four dimming options, including analog, PWM, hybrid and flexible dimming. Each dimming method can be configured through the PWM and ADIM input pins by means of simple high and low signals. The family adopts an adaptive off-time current mode control along with smart and accurate sampling to enable inductive fast dimming (IFD) and achieve high dimming accuracy.
The LP8865-Q1 family also provides multiple systematic protections, including LED open and short, sense resistor open and short, configurable thermal foldback and thermal shutdown. Fault output will send out acknowledge signals as soon as any fault condition is detected. |
LP8865X-Q1Automotive, 65-V 2-A boost LED driver with flexible dimming option and spread spectrum | Integrated Circuits (ICs) | 1 | Active | The LP8865-Q1 family is a non-synchronous multi-topology solution with 4.5-V to 65-V wide input range. By integrating the low-side NMOS switch, the device is capable of driving LEDs with high power density and high efficiency. The family also supports common cathode connection and single layer PCB design. The switching frequency is configurable from 100 kHz to 2.2 MHz with an optional spread spectrum feature for better EMI performance.
The LP8865-Q1 family supports four dimming options, including analog, PWM, hybrid and flexible dimming. Each dimming method can be configured through the PWM and ADIM input pins by means of simple high and low signals. The family adopts an adaptive off-time current mode control along with smart and accurate sampling to enable inductive fast dimming (IFD) and achieve high dimming accuracy.
The LP8865-Q1 family also provides multiple systematic protections, including LED open and short, sense resistor open and short, configurable thermal foldback and thermal shutdown. Fault output will send out acknowledge signals as soon as any fault condition is detected.
The LP8865-Q1 family is a non-synchronous multi-topology solution with 4.5-V to 65-V wide input range. By integrating the low-side NMOS switch, the device is capable of driving LEDs with high power density and high efficiency. The family also supports common cathode connection and single layer PCB design. The switching frequency is configurable from 100 kHz to 2.2 MHz with an optional spread spectrum feature for better EMI performance.
The LP8865-Q1 family supports four dimming options, including analog, PWM, hybrid and flexible dimming. Each dimming method can be configured through the PWM and ADIM input pins by means of simple high and low signals. The family adopts an adaptive off-time current mode control along with smart and accurate sampling to enable inductive fast dimming (IFD) and achieve high dimming accuracy.
The LP8865-Q1 family also provides multiple systematic protections, including LED open and short, sense resistor open and short, configurable thermal foldback and thermal shutdown. Fault output will send out acknowledge signals as soon as any fault condition is detected. |
LP8865Y-Q1Automotive, 65-V 2-A buck-boost LED driver with flexible dimming option and spread spectrum | LED Drivers | 1 | Active | The LP8865-Q1 family is a non-synchronous multi-topology solution with 4.5-V to 65-V wide input range. By integrating the low-side NMOS switch, the device is capable of driving LEDs with high power density and high efficiency. The family also supports common cathode connection and single layer PCB design. The switching frequency is configurable from 100 kHz to 2.2 MHz with an optional spread spectrum feature for better EMI performance.
The LP8865-Q1 family supports four dimming options, including analog, PWM, hybrid and flexible dimming. Each dimming method can be configured through the PWM and ADIM input pins by means of simple high and low signals. The family adopts an adaptive off-time current mode control along with smart and accurate sampling to enable inductive fast dimming (IFD) and achieve high dimming accuracy.
The LP8865-Q1 family also provides multiple systematic protections, including LED open and short, sense resistor open and short, configurable thermal foldback and thermal shutdown. Fault output will send out acknowledge signals as soon as any fault condition is detected.
The LP8865-Q1 family is a non-synchronous multi-topology solution with 4.5-V to 65-V wide input range. By integrating the low-side NMOS switch, the device is capable of driving LEDs with high power density and high efficiency. The family also supports common cathode connection and single layer PCB design. The switching frequency is configurable from 100 kHz to 2.2 MHz with an optional spread spectrum feature for better EMI performance.
The LP8865-Q1 family supports four dimming options, including analog, PWM, hybrid and flexible dimming. Each dimming method can be configured through the PWM and ADIM input pins by means of simple high and low signals. The family adopts an adaptive off-time current mode control along with smart and accurate sampling to enable inductive fast dimming (IFD) and achieve high dimming accuracy.
The LP8865-Q1 family also provides multiple systematic protections, including LED open and short, sense resistor open and short, configurable thermal foldback and thermal shutdown. Fault output will send out acknowledge signals as soon as any fault condition is detected. |
LP8866S-Q1Automotive display LED-backlight driver with six 200-mA channels | Evaluation Boards | 5 | Active | The LP8866S-Q1 is an automotive high-efficiency LED driver with boost controller. The Six high-precision current sinks support phase shifting that is automatically adjusted based on the number of channels in use. LED brightness can be controlled globally through the I²C interface or PWM input.
The boost controller has adaptive output voltage control based on the headroom voltages of the LED current sinks. This feature minimizes the power consumption by adjusting the boost voltage to the lowest sufficient level in all conditions. A wide-range adjustable frequency allows the LP8866S-Q1 to avoid disturbance for AM radio band.
The LP8866S-Q1 supports built-in hybrid PWM dimming and analog current dimming, which reduces EMI, extends the LED lifetime, and increases the total optical efficiency.
The LP8866S-Q1 is an automotive high-efficiency LED driver with boost controller. The Six high-precision current sinks support phase shifting that is automatically adjusted based on the number of channels in use. LED brightness can be controlled globally through the I²C interface or PWM input.
The boost controller has adaptive output voltage control based on the headroom voltages of the LED current sinks. This feature minimizes the power consumption by adjusting the boost voltage to the lowest sufficient level in all conditions. A wide-range adjustable frequency allows the LP8866S-Q1 to avoid disturbance for AM radio band.
The LP8866S-Q1 supports built-in hybrid PWM dimming and analog current dimming, which reduces EMI, extends the LED lifetime, and increases the total optical efficiency. |
LP8867C-Q1Highly-integrated 4-channel 120-mA automotive LED driver with power line FET protection | Development Boards, Kits, Programmers | 3 | Active | The LP8867C-Q1, LP8869C-Q1 is an automotive highly-integrated, low-EMI, easy-to-use LED driver with DC-DC converter. The DC-DC converter supports both boost and SEPIC mode operation. The device has four or three high-precision current sinks that can be combined for higher current capability.
The DC-DC converter has adaptive output voltage control based on the LED forward voltages. This feature minimizes the power consumption by adjusting the voltage to the lowest sufficient level in all conditions. For EMI reduction DC-DC supports spread spectrum for switching frequency and an external synchronization with dedicated pin. A wide-range adjustable frequency allows the LP886xC-Q1 to avoid disturbance for sensitive frequency band.
The input voltage range for the LP886xC-Q1 is from 4.5 V to 40 V to support automotive stop, start and load dump condition. The LP886xC-Q1 integrates extensive fault detection features.
The LP8867C-Q1, LP8869C-Q1 is an automotive highly-integrated, low-EMI, easy-to-use LED driver with DC-DC converter. The DC-DC converter supports both boost and SEPIC mode operation. The device has four or three high-precision current sinks that can be combined for higher current capability.
The DC-DC converter has adaptive output voltage control based on the LED forward voltages. This feature minimizes the power consumption by adjusting the voltage to the lowest sufficient level in all conditions. For EMI reduction DC-DC supports spread spectrum for switching frequency and an external synchronization with dedicated pin. A wide-range adjustable frequency allows the LP886xC-Q1 to avoid disturbance for sensitive frequency band.
The input voltage range for the LP886xC-Q1 is from 4.5 V to 40 V to support automotive stop, start and load dump condition. The LP886xC-Q1 integrates extensive fault detection features. |
LP8868U-Q1Automotive, 65-V, 4-A backlight boost LED driver with flexible dimming option | Integrated Circuits (ICs) | 1 | Active | The LP8868-Q1 family is a non-synchronous multi-topology solution with 4.5-V to 65-V wide input range. By integrating the low-side NMOS switch, the device is capable of driving LEDs with high power density and high efficiency. The family also supports common cathode connection and single layer PCB design. The switching frequency is configurable from 100 kHz to 2.2 MHz with an optional spread spectrum feature for better EMI performance.
The LP8868-Q1 family supports four dimming options, including analog, PWM, hybrid and flexible dimming. Each dimming method can be configured through the PWM and ADIM input pins by means of simple high and low signals. The family adopts an adaptive off-time current mode control along with smart and accurate sampling to enable inductive fast dimming (IFD) and achieve high dimming accuracy.
The LP8868-Q1 family also provides multiple systematic protections, including LED open and short, sense resistor open and short, configurable thermal foldback and thermal shutdown. Fault output will send out acknowledge signals as soon as any fault condition is detected.
The LP8868-Q1 family is a non-synchronous multi-topology solution with 4.5-V to 65-V wide input range. By integrating the low-side NMOS switch, the device is capable of driving LEDs with high power density and high efficiency. The family also supports common cathode connection and single layer PCB design. The switching frequency is configurable from 100 kHz to 2.2 MHz with an optional spread spectrum feature for better EMI performance.
The LP8868-Q1 family supports four dimming options, including analog, PWM, hybrid and flexible dimming. Each dimming method can be configured through the PWM and ADIM input pins by means of simple high and low signals. The family adopts an adaptive off-time current mode control along with smart and accurate sampling to enable inductive fast dimming (IFD) and achieve high dimming accuracy.
The LP8868-Q1 family also provides multiple systematic protections, including LED open and short, sense resistor open and short, configurable thermal foldback and thermal shutdown. Fault output will send out acknowledge signals as soon as any fault condition is detected. |
LP8868X-Q1Automotive, 65-V 4-A boost LED driver with flexible dimming option and spread spectrum | LED Drivers | 1 | Active | The LP8868-Q1 family is a non-synchronous multi-topology solution with 4.5-V to 65-V wide input range. By integrating the low-side NMOS switch, the device is capable of driving LEDs with high power density and high efficiency. The family also supports common cathode connection and single layer PCB design. The switching frequency is configurable from 100 kHz to 2.2 MHz with an optional spread spectrum feature for better EMI performance.
The LP8868-Q1 family supports four dimming options, including analog, PWM, hybrid and flexible dimming. Each dimming method can be configured through the PWM and ADIM input pins by means of simple high and low signals. The family adopts an adaptive off-time current mode control along with smart and accurate sampling to enable inductive fast dimming (IFD) and achieve high dimming accuracy.
The LP8868-Q1 family also provides multiple systematic protections, including LED open and short, sense resistor open and short, configurable thermal foldback and thermal shutdown. Fault output will send out acknowledge signals as soon as any fault condition is detected.
The LP8868-Q1 family is a non-synchronous multi-topology solution with 4.5-V to 65-V wide input range. By integrating the low-side NMOS switch, the device is capable of driving LEDs with high power density and high efficiency. The family also supports common cathode connection and single layer PCB design. The switching frequency is configurable from 100 kHz to 2.2 MHz with an optional spread spectrum feature for better EMI performance.
The LP8868-Q1 family supports four dimming options, including analog, PWM, hybrid and flexible dimming. Each dimming method can be configured through the PWM and ADIM input pins by means of simple high and low signals. The family adopts an adaptive off-time current mode control along with smart and accurate sampling to enable inductive fast dimming (IFD) and achieve high dimming accuracy.
The LP8868-Q1 family also provides multiple systematic protections, including LED open and short, sense resistor open and short, configurable thermal foldback and thermal shutdown. Fault output will send out acknowledge signals as soon as any fault condition is detected. |
LP8868Z-Q1Automotive, 65-V 4-A buck LED driver with flexible dimming option and spread spectrum | Power Management (PMIC) | 1 | Active | The LP8868-Q1 family is a non-synchronous multi-topology solution with 4.5-V to 65-V wide input range. By integrating the low-side NMOS switch, the device is capable of driving LEDs with high power density and high efficiency. The family also supports common cathode connection and single layer PCB design. The switching frequency is configurable from 100 kHz to 2.2 MHz with an optional spread spectrum feature for better EMI performance.
The LP8868-Q1 family supports four dimming options, including analog, PWM, hybrid and flexible dimming. Each dimming method can be configured through the PWM and ADIM input pins by means of simple high and low signals. The family adopts an adaptive off-time current mode control along with smart and accurate sampling to enable inductive fast dimming (IFD) and achieve high dimming accuracy.
The LP8868-Q1 family also provides multiple systematic protections, including LED open and short, sense resistor open and short, configurable thermal foldback and thermal shutdown. Fault output will send out acknowledge signals as soon as any fault condition is detected.
The LP8868-Q1 family is a non-synchronous multi-topology solution with 4.5-V to 65-V wide input range. By integrating the low-side NMOS switch, the device is capable of driving LEDs with high power density and high efficiency. The family also supports common cathode connection and single layer PCB design. The switching frequency is configurable from 100 kHz to 2.2 MHz with an optional spread spectrum feature for better EMI performance.
The LP8868-Q1 family supports four dimming options, including analog, PWM, hybrid and flexible dimming. Each dimming method can be configured through the PWM and ADIM input pins by means of simple high and low signals. The family adopts an adaptive off-time current mode control along with smart and accurate sampling to enable inductive fast dimming (IFD) and achieve high dimming accuracy.
The LP8868-Q1 family also provides multiple systematic protections, including LED open and short, sense resistor open and short, configurable thermal foldback and thermal shutdown. Fault output will send out acknowledge signals as soon as any fault condition is detected. |
LP8869-Q1Highly-integrated 3-channel 120-mA automotive LED driver with power line FET protection | LED Drivers | 1 | Active | The LP8867-Q1, LP8869-Q1 is an automotive highly-integrated, low-EMI, easy-to-use LED driver with DC-DC converter. The DC-DC converter supports both boost and SEPIC mode operation. The device has four or three high-precision current sinks that can be combined for higher current capability.
The DC-DC converter has adaptive output voltage control based on the LED forward voltages. This feature minimizes the power consumption by adjusting the voltage to the lowest sufficient level in all conditions. For EMI reduction DC-DC supports spread spectrum for switching frequency and an external synchronization with dedicated pin. A wide-range adjustable frequency allows the LP886x-Q1 to avoid disturbance for sensitive frequency band.
The input voltage range for the LP886x-Q1 is from 4.5 V to 40 V to support automotive start-stop and load dump condition. The LP886x-Q1 integrates extensive fault detection features.
The LP8867-Q1, LP8869-Q1 is an automotive highly-integrated, low-EMI, easy-to-use LED driver with DC-DC converter. The DC-DC converter supports both boost and SEPIC mode operation. The device has four or three high-precision current sinks that can be combined for higher current capability.
The DC-DC converter has adaptive output voltage control based on the LED forward voltages. This feature minimizes the power consumption by adjusting the voltage to the lowest sufficient level in all conditions. For EMI reduction DC-DC supports spread spectrum for switching frequency and an external synchronization with dedicated pin. A wide-range adjustable frequency allows the LP886x-Q1 to avoid disturbance for sensitive frequency band.
The input voltage range for the LP886x-Q1 is from 4.5 V to 40 V to support automotive start-stop and load dump condition. The LP886x-Q1 integrates extensive fault detection features. |
LP8900200-mA, low-noise, high-accuracy, dual-channel low-dropout voltage regulator with enable | Voltage Regulators - Linear, Low Drop Out (LDO) Regulators | 5 | Active | The LP8900 is a dual LDO capable of supplying 200-mA output current per regulator. Designed to meet the requirements of RF and analog circuits, the LP8900 provides low device noise, high PSRR, low quiescent current, and superior line transient response figures.
Using new innovative design techniques, the LP8900 offers class-leading device noise performance without a noise bypass capacitor.
The LP8900 is designed to be stable with space saving ceramic capacitors as small as 0402 case size, enabling a solution size < 4 mm2. Performance is specified for a –40°C to +125°C junction temperature range.
Output voltage options from 1.2 V to 3.6 V are available; for availability, contact your local TI sales office.
The LP8900 is a dual LDO capable of supplying 200-mA output current per regulator. Designed to meet the requirements of RF and analog circuits, the LP8900 provides low device noise, high PSRR, low quiescent current, and superior line transient response figures.
Using new innovative design techniques, the LP8900 offers class-leading device noise performance without a noise bypass capacitor.
The LP8900 is designed to be stable with space saving ceramic capacitors as small as 0402 case size, enabling a solution size < 4 mm2. Performance is specified for a –40°C to +125°C junction temperature range.
Output voltage options from 1.2 V to 3.6 V are available; for availability, contact your local TI sales office. |