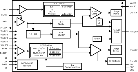
LMX24333.6-GHz/1.7-GHz PLLatinum dual high frequency synthesizer for RF personal communications | Development Boards, Kits, Programmers | 5 | Active | Using a proprietary digital-phase, locked-loop technique, the LMX243x devices generate very stable, low-noise control signals for RF and IF voltage controlled oscillators. Both the RF and IF synthesizers include a two-level programmable charge pump. Both the RF and IF PLLs have dedicated fastlock circuitry with integrated time-out counters which require only a single word write to power up or change frequencies.
The LMX243x devices are high-performance frequency synthesizers with integrated dual-modulus prescalers. A 32/33 or a 16/17 prescale ratio can be selected for the 5-GHz LMX2434 RF synthesizer. An 8/9 or a 16/17 prescale ratio can be selected for both the LMX2430 and LMX2433 RF synthesizers. The IF circuitry contains an 8/9 or a 16/17 prescaler.
Serial data is transferred to the devices through a three-wire interface (DATA, LE, CLK). A low voltage logic interface allows direct connection to 1.8-V devices. Supply voltages from 2.25 V to 2.75 V are supported.
Using a proprietary digital-phase, locked-loop technique, the LMX243x devices generate very stable, low-noise control signals for RF and IF voltage controlled oscillators. Both the RF and IF synthesizers include a two-level programmable charge pump. Both the RF and IF PLLs have dedicated fastlock circuitry with integrated time-out counters which require only a single word write to power up or change frequencies.
The LMX243x devices are high-performance frequency synthesizers with integrated dual-modulus prescalers. A 32/33 or a 16/17 prescale ratio can be selected for the 5-GHz LMX2434 RF synthesizer. An 8/9 or a 16/17 prescale ratio can be selected for both the LMX2430 and LMX2433 RF synthesizers. The IF circuitry contains an 8/9 or a 16/17 prescaler.
Serial data is transferred to the devices through a three-wire interface (DATA, LE, CLK). A low voltage logic interface allows direct connection to 1.8-V devices. Supply voltages from 2.25 V to 2.75 V are supported. |
| Clock Generators, PLLs, Frequency Synthesizers | 3 | Obsolete | |
| Clock Generators, PLLs, Frequency Synthesizers | 2 | Active | |
| Clock/Timing | 1 | Obsolete | |
LMX2485Q-Q1500-MHz to 3-GHz delta-sigma low power dual PLL for RF personal communications | Clock Generators, PLLs, Frequency Synthesizers | 6 | Active | The LMX2485Q-Q1 is a low power, high performance delta-sigma fractional-N PLL with an auxiliary integer-N PLL. The device is fabricated using TI’s advanced process.
With delta-sigma architecture, fractional spurs at lower offset frequencies are pushed to higher frequencies outside the loop bandwidth. The ability to push close in spur and phase noise energy to higher frequencies is a direct function of the modulator order. Unlike analog compensation, the digital feedback technique used in the LMX2485Q-Q1 is highly resistant to changes in temperature and variations in wafer processing. The LMX2485Q-Q1 delta-sigma modulator is programmable up to fourth order, which allows the designer to select the optimum modulator order to fit the phase noise, spur, and lock time requirements of the system.
Serial data for programming the LMX2485Q-Q1 is transferred through a three-line, high-speed (20-MHz) MICROWIRE interface. The LMX2485Q-Q1 offers fine frequency resolution, low spurs, fast programming speed, and a single word write to change the frequency. This makes it ideal for direct digital modulation applications, where the N-counter is directly modulated with information. The LMX2485Q-Q1 is available in a 24-lead 4.0 × 4.0 × 0.8 mm WQFN package.
The LMX2485Q-Q1 is a low power, high performance delta-sigma fractional-N PLL with an auxiliary integer-N PLL. The device is fabricated using TI’s advanced process.
With delta-sigma architecture, fractional spurs at lower offset frequencies are pushed to higher frequencies outside the loop bandwidth. The ability to push close in spur and phase noise energy to higher frequencies is a direct function of the modulator order. Unlike analog compensation, the digital feedback technique used in the LMX2485Q-Q1 is highly resistant to changes in temperature and variations in wafer processing. The LMX2485Q-Q1 delta-sigma modulator is programmable up to fourth order, which allows the designer to select the optimum modulator order to fit the phase noise, spur, and lock time requirements of the system.
Serial data for programming the LMX2485Q-Q1 is transferred through a three-line, high-speed (20-MHz) MICROWIRE interface. The LMX2485Q-Q1 offers fine frequency resolution, low spurs, fast programming speed, and a single word write to change the frequency. This makes it ideal for direct digital modulation applications, where the N-counter is directly modulated with information. The LMX2485Q-Q1 is available in a 24-lead 4.0 × 4.0 × 0.8 mm WQFN package. |
LMX24861-GHz to 4.5-GHz delta-sigma low power dual PLL for RF personal communications | Clock/Timing | 1 | Active | The LMX2486 device is a low-power, high performance delta-sigma fractional-N PLL with an auxiliary integer-N PLL. The device is fabricated using TI’s advanced process.
With delta-sigma architecture, fractional spurs at lower offset frequencies are pushed to higher frequencies outside the loop bandwidth. The ability to push close in spur and phase noise energy to higher frequencies is a direct function of the modulator order. Unlike analog compensation, the digital feedback technique used in the LMX2486 is highly resistant to changes in temperature and variations in wafer processing. The LMX2486 delta-sigma modulator is programmable up to fourth order, which allows the designer to select the optimum modulator order to fit the phase noise, spur, and lock time requirements of the system.
Serial data for programming the LMX2486 is transferred through a three-line, high-speed (20-MHz) MICROWIRE interface. The LMX2486 offers fine frequency resolution, low spurs, fast programming speed, and a single-word write to change the frequency. This makes it ideal for direct digital modulation applications, where the N-counter is directly modulated with information. The LMX2486 is available in a 24-lead 4.0 × 4.0 × 0.8 mm WQFN package.
The LMX2486 device is a low-power, high performance delta-sigma fractional-N PLL with an auxiliary integer-N PLL. The device is fabricated using TI’s advanced process.
With delta-sigma architecture, fractional spurs at lower offset frequencies are pushed to higher frequencies outside the loop bandwidth. The ability to push close in spur and phase noise energy to higher frequencies is a direct function of the modulator order. Unlike analog compensation, the digital feedback technique used in the LMX2486 is highly resistant to changes in temperature and variations in wafer processing. The LMX2486 delta-sigma modulator is programmable up to fourth order, which allows the designer to select the optimum modulator order to fit the phase noise, spur, and lock time requirements of the system.
Serial data for programming the LMX2486 is transferred through a three-line, high-speed (20-MHz) MICROWIRE interface. The LMX2486 offers fine frequency resolution, low spurs, fast programming speed, and a single-word write to change the frequency. This makes it ideal for direct digital modulation applications, where the N-counter is directly modulated with information. The LMX2486 is available in a 24-lead 4.0 × 4.0 × 0.8 mm WQFN package. |
| RF Evaluation and Development Kits, Boards | 3 | Obsolete | |
LMX24916.4-GHz low noise fractional-N PLL with ramp/chirp generation | Integrated Circuits (ICs) | 2 | Active | The LMX2491 device is a low-noise, 6.4-GHz wideband delta-sigma fractional N PLL with ramp and chirp generation. It consists of a phase frequency detector, programmable charge pump, and high frequency input for the external VCO. The LMX2491 supports a broad and flexible class of ramping capabilities, including FSK, PSK, and configurable piecewise linear FM modulation profiles of up to 8 segments. It supports fine PLL resolution and fast ramp with up to a 200-MHz phase detector rate. The LMX2491 allows any of its registers to be read back. The LMX2491 can operate with a single 3.3-V supply. Moreover, supporting up to 5.25-V charge pump can eliminate the need of external amplifier, leading to a simpler solution with improved phase noise performance.
The LMX2491 device is a low-noise, 6.4-GHz wideband delta-sigma fractional N PLL with ramp and chirp generation. It consists of a phase frequency detector, programmable charge pump, and high frequency input for the external VCO. The LMX2491 supports a broad and flexible class of ramping capabilities, including FSK, PSK, and configurable piecewise linear FM modulation profiles of up to 8 segments. It supports fine PLL resolution and fast ramp with up to a 200-MHz phase detector rate. The LMX2491 allows any of its registers to be read back. The LMX2491 can operate with a single 3.3-V supply. Moreover, supporting up to 5.25-V charge pump can eliminate the need of external amplifier, leading to a simpler solution with improved phase noise performance. |
LMX2492-Q1Automotive grade 500-MHz to 14-GHz wideband, low noise fractional-N PLL with ramp/chirp generation | Clock Generators, PLLs, Frequency Synthesizers | 4 | Active | The LMX2492/92-Q1 is a low noise 14 GHz wideband delta-sigma fractional N PLL with ramp and chirp generation. It consists of a phase frequency detector, programmable charge pump, and high frequency input for the external VCO. The LMX2492/92-Q1 supports a broad and flexible class of ramping capabilities, including FSK, PSK, and configurable piecewise linear FM modulation profiles of up to 8 segments. It supports fine PLL resolution and fast ramp with up to a 200 MHz phase detector rate. The LMX2492/92-Q1 allows any of its registers to be read back. The LMX2492/92-Q1 can operate with a single 3.3 V supply. Moreover, supporting up to 5.25 V charge pump can eliminate the need of external amplifier, leading to a simpler solution with improved phase noise performance.
The LMX2492/92-Q1 is a low noise 14 GHz wideband delta-sigma fractional N PLL with ramp and chirp generation. It consists of a phase frequency detector, programmable charge pump, and high frequency input for the external VCO. The LMX2492/92-Q1 supports a broad and flexible class of ramping capabilities, including FSK, PSK, and configurable piecewise linear FM modulation profiles of up to 8 segments. It supports fine PLL resolution and fast ramp with up to a 200 MHz phase detector rate. The LMX2492/92-Q1 allows any of its registers to be read back. The LMX2492/92-Q1 can operate with a single 3.3 V supply. Moreover, supporting up to 5.25 V charge pump can eliminate the need of external amplifier, leading to a simpler solution with improved phase noise performance. |
| RF Misc ICs and Modules | 3 | LTB | |