| Linear | 2 | Obsolete | |
| Linear | 1 | Obsolete | |
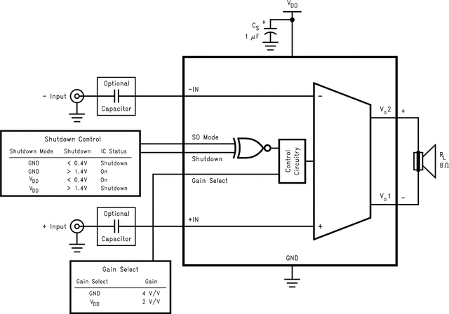
LM46651.4-W, mono, analog input Class-D audio amp with selectable gain | Linear | 2 | Active | The LM4665 is a fully integrated single-supply high efficiency switching audio amplifier. It features an innovative modulator that eliminates the LC output filter used with typical switching amplifiers. Eliminating the output filter reduces parts count, simplifies circuit design, and reduces board area. The LM4665 processes analog inputs with a delta-sigma modulation technique that lowers output noise and THD when compared to conventional pulse width modulators.
The LM4665 is designed to meet the demands of mobile phones and other portable communication devices. Operating on a single 3V supply, it is capable of driving 8Ω transducer loads at a continuous average output of 400mW with less than 2%THD+N.
The LM4665 has high efficiency with an 8Ω transducer load compared to a typical Class AB amplifier. With a 3V supply, the IC's efficiency for a 100mW power level is 75%, reaching 80% at 400mW output power.
The LM4665 features a low-power consumption shutdown mode. Shutdown may be enabled by either a logic high or low depending on the mode selection. Connecting the Shutdown Mode pin to either VDD(high) or GND (low) enables the Shutdown pin to be driven in a likewise manner to activate shutdown.
The LM4665 has fixed selectable gain of either 6dB or 12dB. The LM4665 has short circuit protection against a short from the outputs to VDD, GND or across the outputs.
The LM4665 is a fully integrated single-supply high efficiency switching audio amplifier. It features an innovative modulator that eliminates the LC output filter used with typical switching amplifiers. Eliminating the output filter reduces parts count, simplifies circuit design, and reduces board area. The LM4665 processes analog inputs with a delta-sigma modulation technique that lowers output noise and THD when compared to conventional pulse width modulators.
The LM4665 is designed to meet the demands of mobile phones and other portable communication devices. Operating on a single 3V supply, it is capable of driving 8Ω transducer loads at a continuous average output of 400mW with less than 2%THD+N.
The LM4665 has high efficiency with an 8Ω transducer load compared to a typical Class AB amplifier. With a 3V supply, the IC's efficiency for a 100mW power level is 75%, reaching 80% at 400mW output power.
The LM4665 features a low-power consumption shutdown mode. Shutdown may be enabled by either a logic high or low depending on the mode selection. Connecting the Shutdown Mode pin to either VDD(high) or GND (low) enables the Shutdown pin to be driven in a likewise manner to activate shutdown.
The LM4665 has fixed selectable gain of either 6dB or 12dB. The LM4665 has short circuit protection against a short from the outputs to VDD, GND or across the outputs. |
| Amplifiers | 2 | Obsolete | |
| Integrated Circuits (ICs) | 7 | Active | |
| Amplifiers | 4 | Obsolete | |
| Amplifiers | 7 | Active | |
LM46712.5-W, mono, analog input Class-D speaker amp with externally configurable gain | Evaluation Boards | 2 | Active | The LM4671 is a single supply, high efficiency 2.5W switching audio amplifier. A low noise, filterless PWM architecture eliminates the output filter, reducing external component count, board area consumption, system cost, and simplifying design.
The LM4671 is designed to meet the demands of mobile phones and other portable communication devices. Operating on a single 5V supply, it is capable of driving a 4Ω speaker load at a continuous average output of 2.1W with less than 1% THD+N. Its flexible power supply requirements allow operation from 2.4V to 5.5V.
The LM4671 has high efficiency with speaker loads compared to a typical Class AB amplifier. With a 3V supply driving an 8Ω speaker, the IC's efficiency for a 100mW power level is 80%, reaching 88% at 400mW output power.
The LM4671 features a low-power consumption shutdown mode. Shutdown may be enabled by driving the Shutdown pin to a logic low (GND).
The gain of the LM4671 is externally configurable which allows independent gain control from multiple sources by summing the signals.
The LM4671 is a single supply, high efficiency 2.5W switching audio amplifier. A low noise, filterless PWM architecture eliminates the output filter, reducing external component count, board area consumption, system cost, and simplifying design.
The LM4671 is designed to meet the demands of mobile phones and other portable communication devices. Operating on a single 5V supply, it is capable of driving a 4Ω speaker load at a continuous average output of 2.1W with less than 1% THD+N. Its flexible power supply requirements allow operation from 2.4V to 5.5V.
The LM4671 has high efficiency with speaker loads compared to a typical Class AB amplifier. With a 3V supply driving an 8Ω speaker, the IC's efficiency for a 100mW power level is 80%, reaching 88% at 400mW output power.
The LM4671 features a low-power consumption shutdown mode. Shutdown may be enabled by driving the Shutdown pin to a logic low (GND).
The gain of the LM4671 is externally configurable which allows independent gain control from multiple sources by summing the signals. |
LM46732.65-W, mono, analog input Class-D speaker amp | Audio Amplifier Evaluation Boards | 7 | Active | The LM4673 is a single supply, high efficiency, 2.65W, mono, Class D audio amplifier. A low noise, filterless PWM architecture eliminates the output filter, reducing external component count, board area consumption, system cost, and simplifying design.
The LM4673 is designed to meet the demands of mobile phones and other portable communication devices. Operating on a single 5V supply, it is capable of driving a 4Ω speaker load at a continuous average output of 2.1W with less than 1% THD+N. Its flexible power supply requirements allow operation from 2.4V to 5.5V.
The LM4673 has high efficiency with speaker loads compared to a typical Class AB amplifier. With a 3.6V supply driving an 8Ω speaker, the IC's efficiency for a 100mW power level is 80%, reaching 88% at 400mW output power.
The LM4673 features a low-power consumption shutdown mode. Shutdown may be enabled by driving the Shutdown pin to a logic low (GND).
The gain of the LM4673 is externally configurable which allows independent gain control from multiple sources by summing the signals. Output short circuit and thermal overload protection prevent the device from damage during fault conditions.
The LM4673 is a single supply, high efficiency, 2.65W, mono, Class D audio amplifier. A low noise, filterless PWM architecture eliminates the output filter, reducing external component count, board area consumption, system cost, and simplifying design.
The LM4673 is designed to meet the demands of mobile phones and other portable communication devices. Operating on a single 5V supply, it is capable of driving a 4Ω speaker load at a continuous average output of 2.1W with less than 1% THD+N. Its flexible power supply requirements allow operation from 2.4V to 5.5V.
The LM4673 has high efficiency with speaker loads compared to a typical Class AB amplifier. With a 3.6V supply driving an 8Ω speaker, the IC's efficiency for a 100mW power level is 80%, reaching 88% at 400mW output power.
The LM4673 features a low-power consumption shutdown mode. Shutdown may be enabled by driving the Shutdown pin to a logic low (GND).
The gain of the LM4673 is externally configurable which allows independent gain control from multiple sources by summing the signals. Output short circuit and thermal overload protection prevent the device from damage during fault conditions. |
LM4674Filterless 2.5 Stereo Class D Audio Power Amplifier | Evaluation Boards | 6 | Active | The LM4674 is a single supply, high efficiency, 2.5W/channel, filterless switching audio amplifier. A low noise PWM architecture eliminates the output filter, reducing external component count, board area consumption, system cost, and simplifying design.
The LM4674 is designed to meet the demands of mobile phones and other portable communication devices. Operating from a single 5V supply, the device is capable of delivering 2.5W/channel of continuous output power to a 4Ω load with less than 10% THD+N. Flexible power supply requirements allow operation from 2.4V to 5.5V.
The LM4674 features high efficiency compared to conventional Class AB amplifiers. When driving an 8Ω speaker from a 3.6V supply, the device features 85% efficiency at PO= 500mW. Four gain options are pin selectable through the G0 and G1 pins.
Output short circuit protection prevents the device from being damaged during fault conditions. Superior click and pop suppression eliminates audible transients on power-up/down and during shutdown. Independent left/right shutdown control maximizes power savings in mixed mono/stereo applications.
The LM4674 is a single supply, high efficiency, 2.5W/channel, filterless switching audio amplifier. A low noise PWM architecture eliminates the output filter, reducing external component count, board area consumption, system cost, and simplifying design.
The LM4674 is designed to meet the demands of mobile phones and other portable communication devices. Operating from a single 5V supply, the device is capable of delivering 2.5W/channel of continuous output power to a 4Ω load with less than 10% THD+N. Flexible power supply requirements allow operation from 2.4V to 5.5V.
The LM4674 features high efficiency compared to conventional Class AB amplifiers. When driving an 8Ω speaker from a 3.6V supply, the device features 85% efficiency at PO= 500mW. Four gain options are pin selectable through the G0 and G1 pins.
Output short circuit protection prevents the device from being damaged during fault conditions. Superior click and pop suppression eliminates audible transients on power-up/down and during shutdown. Independent left/right shutdown control maximizes power savings in mixed mono/stereo applications. |