T
Texas Instruments
| Series | Category | # Parts | Status | Description |
|---|---|---|---|---|
| Part | Spec A | Spec B | Spec C | Spec D | Description |
|---|---|---|---|---|---|
| Series | Category | # Parts | Status | Description |
|---|---|---|---|---|
| Part | Spec A | Spec B | Spec C | Spec D | Description |
|---|---|---|---|---|---|
| Series | Category | # Parts | Status | Description |
|---|---|---|---|---|
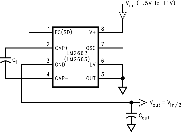
LM2663200mA switched capacitor voltage converter with low current shutdown mode | Power Management (PMIC) | 3 | Active | The LM2662/LM2663 CMOS charge-pump voltage converter inverts a positive voltage in the range of 1.5 V to 5.5 V to the corresponding negative voltage. The LM2662/LM2663 uses two low cost capacitors to provide 200 mA of output current without the cost, size, and EMI related to inductor based converters. With an operating current of only 300 µA and operating efficiency greater than 90% at most loads, the LM2662/LM2663 provides ideal performance for battery powered systems. The LM2662/LM2663 may also be used as a positive voltage doubler.
The oscillator frequency can be lowered by adding an external capacitor to the OSC pin. Also, the OSC pin may be used to drive the LM2662/LM2663 with an external clock. For LM2662, a frequency control (FC) pin selects the oscillator frequency of 20 kHz or 150 kHz. For LM2663, an external shutdown (SD) pin replaces the FC pin. The SD pin can be used to disable the device and reduce the quiescent current to 10 µA. The oscillator frequency for LM2663 is 150 kHz.
The LM2662/LM2663 CMOS charge-pump voltage converter inverts a positive voltage in the range of 1.5 V to 5.5 V to the corresponding negative voltage. The LM2662/LM2663 uses two low cost capacitors to provide 200 mA of output current without the cost, size, and EMI related to inductor based converters. With an operating current of only 300 µA and operating efficiency greater than 90% at most loads, the LM2662/LM2663 provides ideal performance for battery powered systems. The LM2662/LM2663 may also be used as a positive voltage doubler.
The oscillator frequency can be lowered by adding an external capacitor to the OSC pin. Also, the OSC pin may be used to drive the LM2662/LM2663 with an external clock. For LM2662, a frequency control (FC) pin selects the oscillator frequency of 20 kHz or 150 kHz. For LM2663, an external shutdown (SD) pin replaces the FC pin. The SD pin can be used to disable the device and reduce the quiescent current to 10 µA. The oscillator frequency for LM2663 is 150 kHz. |
LM26641.8-V to 5.5-VIN switched capacitor voltage inverter | Voltage Regulators - DC DC Switching Regulators | 2 | Active | The LM2664 CMOS charge-pump voltage converter inverts a positive voltage in the range of 1.8 V to 5.5 V to the corresponding negative voltage of −1.8 V to −5.5 V. The device uses two low-cost capacitors to provide up to 40 mA of output current.
The LM2664 operates at 160-kHz oscillator frequency to reduce output resistance and voltage ripple. With an operating current of only 220 µA (operating efficiency greater than 91% with most loads) and 1-µA typical shutdown current, the LM2664 provides ideal performance for battery-powered systems.
The LM2664 CMOS charge-pump voltage converter inverts a positive voltage in the range of 1.8 V to 5.5 V to the corresponding negative voltage of −1.8 V to −5.5 V. The device uses two low-cost capacitors to provide up to 40 mA of output current.
The LM2664 operates at 160-kHz oscillator frequency to reduce output resistance and voltage ripple. With an operating current of only 220 µA (operating efficiency greater than 91% with most loads) and 1-µA typical shutdown current, the LM2664 provides ideal performance for battery-powered systems. |
LM26651.8-V to 5.5-VIN switched capacitor voltage doubler | Voltage Regulators - DC DC Switching Regulators | 2 | Active | The LM2665 CMOS charge-pump voltage converter operates as a voltage doubler for an input voltage in the range of 2.5 V to 5.5 V. Two low-cost capacitors and a diode (needed during start-up) are used in this circuit to provide up to 40 mA of output current. The LM2665 can also work as a voltage divider to split a voltage in the range of 1.8 V to 11 V in half.
The LM2665 operates at 160-kHz oscillator frequency to reduce output resistance and voltage ripple. With an operating current of only 650 µA (operating efficiency greater than 90% with most loads) and1-µA typical shutdown current, the LM2665 provides ideal performance for battery powered systems.
The LM2665 CMOS charge-pump voltage converter operates as a voltage doubler for an input voltage in the range of 2.5 V to 5.5 V. Two low-cost capacitors and a diode (needed during start-up) are used in this circuit to provide up to 40 mA of output current. The LM2665 can also work as a voltage divider to split a voltage in the range of 1.8 V to 11 V in half.
The LM2665 operates at 160-kHz oscillator frequency to reduce output resistance and voltage ripple. With an operating current of only 650 µA (operating efficiency greater than 90% with most loads) and1-µA typical shutdown current, the LM2665 provides ideal performance for battery powered systems. |
LM2670SIMPLE SWITCHER High Efficiency 3A Step-Down Voltage Regulator with Sync | Voltage Regulators - DC DC Switching Regulators | 22 | Active | The LM2670 series of regulators are monolithic integrated circuits which provide all of the active functions for a step-down (buck) switching regulator capable of driving up to 3-A loads with excellent line and load regulation characteristics. High efficiency (>90%) is obtained through the use of a low ON-resistance DMOS power switch. The series consists of fixed output voltages of 3.3-V, 5-V, and 12-V output version.
The SIMPLE SWITCHER®concept provides for a complete design using a minimum number of external components. The switching clock frequency can be provided by an internal fixed frequency oscillator (260 kHz) or from an externally provided clock in the range of 280 kHz to 400 kHz which allows the use of physically smaller sized components. A family of standard inductors for use with the LM2670 are available from several manufacturers to greatly simplify the design process. The external sync clock provides direct and precise control of the output ripple frequency for consistent filtering or frequency spectrum positioning.
The LM2670 series also has built-in thermal shutdown, current limiting and an ON/OFF control input that can power down the regulator to a low 50-µA quiescent current standby condition. The output voltage is ensured to a ±2% tolerance.
The LM2670 series of regulators are monolithic integrated circuits which provide all of the active functions for a step-down (buck) switching regulator capable of driving up to 3-A loads with excellent line and load regulation characteristics. High efficiency (>90%) is obtained through the use of a low ON-resistance DMOS power switch. The series consists of fixed output voltages of 3.3-V, 5-V, and 12-V output version.
The SIMPLE SWITCHER®concept provides for a complete design using a minimum number of external components. The switching clock frequency can be provided by an internal fixed frequency oscillator (260 kHz) or from an externally provided clock in the range of 280 kHz to 400 kHz which allows the use of physically smaller sized components. A family of standard inductors for use with the LM2670 are available from several manufacturers to greatly simplify the design process. The external sync clock provides direct and precise control of the output ripple frequency for consistent filtering or frequency spectrum positioning.
The LM2670 series also has built-in thermal shutdown, current limiting and an ON/OFF control input that can power down the regulator to a low 50-µA quiescent current standby condition. The output voltage is ensured to a ±2% tolerance. |
| Integrated Circuits (ICs) | 22 | Active | ||
LM2672SIMPLE SWITCHER® 6.5V to 40V, 1A Low Component Count Step-Down Regulator | Integrated Circuits (ICs) | 23 | Active | The LM2672 series of regulators are monolithic integrated DC-DC converter built with a LMDMOS process. These regulators provide all the active functions for a step-down (buck) switching regulator, capable of driving a 1-A load current with excellent line and load regulation. These devices are available in fixed output voltages of 3.3 V, 5 V, 12 V, and an adjustable output version.
Requiring a minimum number of external components, these regulators are simple to use and include patented internal frequency compensation, fixed frequency oscillator, external shutdown, soft-start, and frequency synchronization.
The LM2672 series operates at a switching frequency of 260 kHz, thus allowing smaller sized filter components than what is required with lower frequency switching regulators. Because of its very high efficiency (>90%), the copper traces on the printed-circuit board are the only heat sinking required.
The LM2672 series of regulators are monolithic integrated DC-DC converter built with a LMDMOS process. These regulators provide all the active functions for a step-down (buck) switching regulator, capable of driving a 1-A load current with excellent line and load regulation. These devices are available in fixed output voltages of 3.3 V, 5 V, 12 V, and an adjustable output version.
Requiring a minimum number of external components, these regulators are simple to use and include patented internal frequency compensation, fixed frequency oscillator, external shutdown, soft-start, and frequency synchronization.
The LM2672 series operates at a switching frequency of 260 kHz, thus allowing smaller sized filter components than what is required with lower frequency switching regulators. Because of its very high efficiency (>90%), the copper traces on the printed-circuit board are the only heat sinking required. |
| Power Management (PMIC) | 28 | Active | ||
LM2674SIMPLE SWITCHER® 40V, 500mA Low Component Count Step-Down Regulator | Power Management (PMIC) | 17 | Active | The LM2674 series of regulators are monolithic integrated circuits built with a LMDMOS process. These regulators provide all the active functions for a step-down (buck) switching regulator, capable of driving a 500-mA load current with excellent line and load regulation. These devices are available in fixed output voltages of 3.3 V, 5 V, 12 V, and an adjustable output version.
Requiring a minimum number of external components, these regulators are simple to use and include patented internal frequency compensation and a fixed frequency oscillator.
The LM2674 series operates at a switching frequency of 260 kHz, thus allowing smaller sized filter components than what is required with lower frequency switching regulators. Because of very high efficiency (> 90%), the copper traces on the printed-circuit board are the only heat sinking required.
A family of standard inductors for use with the LM2674 are available from several different manufacturers. This feature greatly simplifies the design of switch-mode power supplies using these advanced ICs. Also included in the data sheet are selector guides for diodes and capacitors designed to work in switch-mode power supplies.
The LM2674 series of regulators are monolithic integrated circuits built with a LMDMOS process. These regulators provide all the active functions for a step-down (buck) switching regulator, capable of driving a 500-mA load current with excellent line and load regulation. These devices are available in fixed output voltages of 3.3 V, 5 V, 12 V, and an adjustable output version.
Requiring a minimum number of external components, these regulators are simple to use and include patented internal frequency compensation and a fixed frequency oscillator.
The LM2674 series operates at a switching frequency of 260 kHz, thus allowing smaller sized filter components than what is required with lower frequency switching regulators. Because of very high efficiency (> 90%), the copper traces on the printed-circuit board are the only heat sinking required.
A family of standard inductors for use with the LM2674 are available from several different manufacturers. This feature greatly simplifies the design of switch-mode power supplies using these advanced ICs. Also included in the data sheet are selector guides for diodes and capacitors designed to work in switch-mode power supplies. |
LM2675SIMPLE SWITCHER® 6.5V to 40V, 1A Low Component Count Step-Down Regulator | Evaluation Boards | 20 | Active | The LM2675 series of regulators are monolithic integrated DC-DC converter circuits built with a LMDMOS process. These regulators provide all the active functions for a step-down (buck) switching regulator, capable of driving a 1-A load current with excellent line and load regulation. These devices are available in fixed output voltages of 3.3 V, 5 V, 12 V, and an adjustable output version.
Requiring a minimum number of external components, these regulators are simple to use and include patented internal frequency compensation and a fixed frequency oscillator.
The LM2675 series operates at a switching frequency of 260 kHz, thus allowing smaller-sized filter components than what would be needed with lower frequency switching regulators. Because of its very high efficiency (>90%), the copper traces on the printed-circuit board are the only heat sinking needed.
A family of standard inductors for use with the LM2675 are available from several different manufacturers. This feature greatly simplifies the design of switch-mode power supplies using these advanced ICs. Also included in the data sheet are selector guides for diodes and capacitors designed to work in switch-mode power supplies.
Other features include ±1.5%-tolerance on output voltage within specified input voltages and output load conditions, and ±10% on the oscillator frequency. External shutdown is included, featuring typically 50-µA standby current. The output switch includes current limiting, as well as thermal shutdown for full protection under fault conditions.
The LM2675 series of regulators are monolithic integrated DC-DC converter circuits built with a LMDMOS process. These regulators provide all the active functions for a step-down (buck) switching regulator, capable of driving a 1-A load current with excellent line and load regulation. These devices are available in fixed output voltages of 3.3 V, 5 V, 12 V, and an adjustable output version.
Requiring a minimum number of external components, these regulators are simple to use and include patented internal frequency compensation and a fixed frequency oscillator.
The LM2675 series operates at a switching frequency of 260 kHz, thus allowing smaller-sized filter components than what would be needed with lower frequency switching regulators. Because of its very high efficiency (>90%), the copper traces on the printed-circuit board are the only heat sinking needed.
A family of standard inductors for use with the LM2675 are available from several different manufacturers. This feature greatly simplifies the design of switch-mode power supplies using these advanced ICs. Also included in the data sheet are selector guides for diodes and capacitors designed to work in switch-mode power supplies.
Other features include ±1.5%-tolerance on output voltage within specified input voltages and output load conditions, and ±10% on the oscillator frequency. External shutdown is included, featuring typically 50-µA standby current. The output switch includes current limiting, as well as thermal shutdown for full protection under fault conditions. |
| Voltage Regulators - DC DC Switching Regulators | 30 | Active | ||
| Part | Category | Description |
|---|---|---|
Texas Instruments | Integrated Circuits (ICs) | BUS DRIVER, BCT/FBT SERIES |
Texas Instruments | Integrated Circuits (ICs) | 12BIT 3.3V~3.6V 210MHZ PARALLEL VQFN-48-EP(7X7) ANALOG TO DIGITAL CONVERTERS (ADC) ROHS |
Texas Instruments | Integrated Circuits (ICs) | TMX320DRE311 179PIN UBGA 200MHZ |
Texas Instruments TPS61040DRVTG4Unknown | Integrated Circuits (ICs) | IC LED DRV RGLTR PWM 350MA 6WSON |
Texas Instruments LP3876ET-2.5Obsolete | Integrated Circuits (ICs) | IC REG LINEAR 2.5V 3A TO220-5 |
Texas Instruments LMS1585ACSX-ADJObsolete | Integrated Circuits (ICs) | IC REG LIN POS ADJ 5A DDPAK |
Texas Instruments INA111APG4Obsolete | Integrated Circuits (ICs) | IC INST AMP 1 CIRCUIT 8DIP |
Texas Instruments | Integrated Circuits (ICs) | AUTOMOTIVE, QUAD 36V 1.2MHZ OPERATIONAL AMPLIFIER |
Texas Instruments OPA340NA/3KG4Unknown | Integrated Circuits (ICs) | IC OPAMP GP 1 CIRCUIT SOT23-5 |
Texas Instruments PT5112AObsolete | Power Supplies - Board Mount | DC DC CONVERTER 8V 8W |