| Interface | 1 | LTB | |
UCC275114-A/8-A single-channel gate driver with 5-V UVLO, split outputs, and 13-ns Prop delay | Gate Drivers | 5 | Active | The UCC27511 and UCC27512 single-channel, high-speed, low-side gate-driver device can effectively drive MOSFET and IGBT power switches. Using a design that inherently minimizes shoot-through current, UCC27511 and UCC27512 are capable of sourcing and sinking high peak-current pulses into capacitive loads offering rail-to-rail drive capability and extremely small propagation delay, typically 13 ns.
UCC27511 features a dual-input design which offers flexibility of implementing both inverting (IN– pin) and noninverting (IN+ pin) configuration with the same device. Either IN+ or IN– pin can be used to control the state of the driver output. The unused input pin can be used for enable and disable functions. For safety purpose, internal pullup and pulldown resistors on the input pins ensure that outputs are held low when input pins are in floating condition. Hence the unused input pin is not left floating and must be properly biased to ensure that driver output is in enabled for normal operation.
The input pin threshold of the UCC27511 device is based on TTL and CMOS-compatible low-voltage logic which is fixed and independent of the VDDsupply voltage. Wide hysteresis between the high and low thresholds offers excellent noise immunity.
The UCC27511 and UCC27512 provides 4-A source, 8-A sink (asymmetrical drive) peak-drive current capability. Strong sink capability in asymmetrical drive boosts immunity against parasitic, Miller turnon effect. The UCC27511 device also features a unique split output configuration where the gate-drive current is sourced through OUTH pin and sunk through OUTL pin. This unique pin arrangement allows the user to apply independent turnon and turnoff resistors to the OUTH and OUTL pins respectively and easily control the switching slew rates.
UCC27511 and UCC27512 are designed to operate over a wide VDDrange of 4.5 to 18 V and wide temperature range of –40°C to 140°C. Internal Undervoltage Lockout (UVLO) circuitry on VDDpin holds output low outside VDDoperating range. The capability to operate at low voltage levels such as below 5 V, along with best-in-class switching characteristics, is especially suited for driving emerging wide band-gap power-switching devices such as GaN power-semiconductor devices.
The UCC27511 and UCC27512 single-channel, high-speed, low-side gate-driver device can effectively drive MOSFET and IGBT power switches. Using a design that inherently minimizes shoot-through current, UCC27511 and UCC27512 are capable of sourcing and sinking high peak-current pulses into capacitive loads offering rail-to-rail drive capability and extremely small propagation delay, typically 13 ns.
UCC27511 features a dual-input design which offers flexibility of implementing both inverting (IN– pin) and noninverting (IN+ pin) configuration with the same device. Either IN+ or IN– pin can be used to control the state of the driver output. The unused input pin can be used for enable and disable functions. For safety purpose, internal pullup and pulldown resistors on the input pins ensure that outputs are held low when input pins are in floating condition. Hence the unused input pin is not left floating and must be properly biased to ensure that driver output is in enabled for normal operation.
The input pin threshold of the UCC27511 device is based on TTL and CMOS-compatible low-voltage logic which is fixed and independent of the VDDsupply voltage. Wide hysteresis between the high and low thresholds offers excellent noise immunity.
The UCC27511 and UCC27512 provides 4-A source, 8-A sink (asymmetrical drive) peak-drive current capability. Strong sink capability in asymmetrical drive boosts immunity against parasitic, Miller turnon effect. The UCC27511 device also features a unique split output configuration where the gate-drive current is sourced through OUTH pin and sunk through OUTL pin. This unique pin arrangement allows the user to apply independent turnon and turnoff resistors to the OUTH and OUTL pins respectively and easily control the switching slew rates.
UCC27511 and UCC27512 are designed to operate over a wide VDDrange of 4.5 to 18 V and wide temperature range of –40°C to 140°C. Internal Undervoltage Lockout (UVLO) circuitry on VDDpin holds output low outside VDDoperating range. The capability to operate at low voltage levels such as below 5 V, along with best-in-class switching characteristics, is especially suited for driving emerging wide band-gap power-switching devices such as GaN power-semiconductor devices. |
UCC275124-A/8-A single-channel gate driver with 5-V UVLO and split outputs in SON package | Power Management (PMIC) | 3 | Active | The UCC27511 and UCC27512 single-channel, high-speed, low-side gate-driver device can effectively drive MOSFET and IGBT power switches. Using a design that inherently minimizes shoot-through current, UCC27511 and UCC27512 are capable of sourcing and sinking high peak-current pulses into capacitive loads offering rail-to-rail drive capability and extremely small propagation delay, typically 13 ns.
UCC27511 features a dual-input design which offers flexibility of implementing both inverting (IN– pin) and noninverting (IN+ pin) configuration with the same device. Either IN+ or IN– pin can be used to control the state of the driver output. The unused input pin can be used for enable and disable functions. For safety purpose, internal pullup and pulldown resistors on the input pins ensure that outputs are held low when input pins are in floating condition. Hence the unused input pin is not left floating and must be properly biased to ensure that driver output is in enabled for normal operation.
The input pin threshold of the UCC27511 device is based on TTL and CMOS-compatible low-voltage logic which is fixed and independent of the VDDsupply voltage. Wide hysteresis between the high and low thresholds offers excellent noise immunity.
The UCC27511 and UCC27512 provides 4-A source, 8-A sink (asymmetrical drive) peak-drive current capability. Strong sink capability in asymmetrical drive boosts immunity against parasitic, Miller turnon effect. The UCC27511 device also features a unique split output configuration where the gate-drive current is sourced through OUTH pin and sunk through OUTL pin. This unique pin arrangement allows the user to apply independent turnon and turnoff resistors to the OUTH and OUTL pins respectively and easily control the switching slew rates.
UCC27511 and UCC27512 are designed to operate over a wide VDDrange of 4.5 to 18 V and wide temperature range of –40°C to 140°C. Internal Undervoltage Lockout (UVLO) circuitry on VDDpin holds output low outside VDDoperating range. The capability to operate at low voltage levels such as below 5 V, along with best-in-class switching characteristics, is especially suited for driving emerging wide band-gap power-switching devices such as GaN power-semiconductor devices.
The UCC27511 and UCC27512 single-channel, high-speed, low-side gate-driver device can effectively drive MOSFET and IGBT power switches. Using a design that inherently minimizes shoot-through current, UCC27511 and UCC27512 are capable of sourcing and sinking high peak-current pulses into capacitive loads offering rail-to-rail drive capability and extremely small propagation delay, typically 13 ns.
UCC27511 features a dual-input design which offers flexibility of implementing both inverting (IN– pin) and noninverting (IN+ pin) configuration with the same device. Either IN+ or IN– pin can be used to control the state of the driver output. The unused input pin can be used for enable and disable functions. For safety purpose, internal pullup and pulldown resistors on the input pins ensure that outputs are held low when input pins are in floating condition. Hence the unused input pin is not left floating and must be properly biased to ensure that driver output is in enabled for normal operation.
The input pin threshold of the UCC27511 device is based on TTL and CMOS-compatible low-voltage logic which is fixed and independent of the VDDsupply voltage. Wide hysteresis between the high and low thresholds offers excellent noise immunity.
The UCC27511 and UCC27512 provides 4-A source, 8-A sink (asymmetrical drive) peak-drive current capability. Strong sink capability in asymmetrical drive boosts immunity against parasitic, Miller turnon effect. The UCC27511 device also features a unique split output configuration where the gate-drive current is sourced through OUTH pin and sunk through OUTL pin. This unique pin arrangement allows the user to apply independent turnon and turnoff resistors to the OUTH and OUTL pins respectively and easily control the switching slew rates.
UCC27511 and UCC27512 are designed to operate over a wide VDDrange of 4.5 to 18 V and wide temperature range of –40°C to 140°C. Internal Undervoltage Lockout (UVLO) circuitry on VDDpin holds output low outside VDDoperating range. The capability to operate at low voltage levels such as below 5 V, along with best-in-class switching characteristics, is especially suited for driving emerging wide band-gap power-switching devices such as GaN power-semiconductor devices. |
UCC275164-A/4-A single-channel gate driver with 5-V UVLO and 13-ns prop delay in SON package | Power Management (PMIC) | 2 | Active | The UCC27516 and UCC27517 single-channel, high-speed, low-side gate driver devices can effectively drive MOSFET and IGBT power switches. Using a design that inherently minimizes shoot-through current, UCC27516 and UCC27517 can source and sink high peak-current pulses into capacitive loads offering rail-to-rail drive capability and extremely small propagation delay, typically 13 ns.
The UCC27516 and UCC27517 provides 4-A source, 4-A sink (symmetrical drive) peak-drive current capability at VDD = 12 V.
The UCC27516 and UCC27517 are designed to operate over a wide VDD range of 4.5 to 18 V and wide temperature range of –40°C to 140°C. Internal undervoltage lockout (UVLO) circuitry on the VDD pin holds output low outside VDD operating range. The capability to operate at low voltage levels such as below 5 V, along with best-in-class switching characteristics, is especially suited for driving emerging wide band-gap power-switching devices such as GaN power semiconductor devices.
The UCC27516 and UCC27517 devices feature a dual-input design which offers flexibility of implementing both inverting (IN– pin) and noninverting (IN+ pin) configurations with the same device. Either the IN+ or IN– pin can be used to control the state of the driver output. The unused input pin can be used for enable and disable function. For safety purpose, internal pullup and pulldown resistors on the input pins ensure that outputs are held low when input pins are in floating condition. Hence the unused input pin is not left floating and must be properly biased to ensure that driver output is in enabled for normal operation.
The input pin threshold of the UCC27516 and UCC27517 devices are based on TTL and CMOS compatible low-voltage logic which is fixed and independent of the VDD supply voltage. Wide hysteresis between the high and low thresholds offers excellent noise immunity.
The UCC27516 and UCC27517 single-channel, high-speed, low-side gate driver devices can effectively drive MOSFET and IGBT power switches. Using a design that inherently minimizes shoot-through current, UCC27516 and UCC27517 can source and sink high peak-current pulses into capacitive loads offering rail-to-rail drive capability and extremely small propagation delay, typically 13 ns.
The UCC27516 and UCC27517 provides 4-A source, 4-A sink (symmetrical drive) peak-drive current capability at VDD = 12 V.
The UCC27516 and UCC27517 are designed to operate over a wide VDD range of 4.5 to 18 V and wide temperature range of –40°C to 140°C. Internal undervoltage lockout (UVLO) circuitry on the VDD pin holds output low outside VDD operating range. The capability to operate at low voltage levels such as below 5 V, along with best-in-class switching characteristics, is especially suited for driving emerging wide band-gap power-switching devices such as GaN power semiconductor devices.
The UCC27516 and UCC27517 devices feature a dual-input design which offers flexibility of implementing both inverting (IN– pin) and noninverting (IN+ pin) configurations with the same device. Either the IN+ or IN– pin can be used to control the state of the driver output. The unused input pin can be used for enable and disable function. For safety purpose, internal pullup and pulldown resistors on the input pins ensure that outputs are held low when input pins are in floating condition. Hence the unused input pin is not left floating and must be properly biased to ensure that driver output is in enabled for normal operation.
The input pin threshold of the UCC27516 and UCC27517 devices are based on TTL and CMOS compatible low-voltage logic which is fixed and independent of the VDD supply voltage. Wide hysteresis between the high and low thresholds offers excellent noise immunity. |
| Integrated Circuits (ICs) | 4 | Active | |
UCC27517A-Q1Automotive 4-A/4-A single-channel gate driver with 5-V UVLO and dual-input structure | Gate Drivers | 1 | Active | The UCC27517A-Q1 single-channel high-speed low-side gate-driver device effectively drives MOSFET and IGBT power switches. With a design that inherently minimizes shoot-through current, the UCC27517A-Q1 sources and sinks high peak-current pulses into capacitive loads offering rail-to-rail drive capability and extremely small propagation delay typically 13 ns.
The UCC27517A-Q1 device handles –5 V at input.
The UCC27517A-Q1 provides 4-A source and 4-A sink (symmetrical drive) peak-drive current capability at VDD= 12 V.
The UCC27517A-Q1 operates over a wide VDDrange of 4.5 V to 18 V and wide temperature range of –40°C to 140°C. Internal Undervoltage Lockout (UVLO) circuitry on VDDpin holds the output low outside VDDoperating range. The ability to operate at low voltage levels such as below 5 V, along with best-in-class switching characteristics, is especially suited for driving emerging wide band-gap power-switching devices such as GaN power-semiconductor devices.
The UCC27517A-Q1 single-channel high-speed low-side gate-driver device effectively drives MOSFET and IGBT power switches. With a design that inherently minimizes shoot-through current, the UCC27517A-Q1 sources and sinks high peak-current pulses into capacitive loads offering rail-to-rail drive capability and extremely small propagation delay typically 13 ns.
The UCC27517A-Q1 device handles –5 V at input.
The UCC27517A-Q1 provides 4-A source and 4-A sink (symmetrical drive) peak-drive current capability at VDD= 12 V.
The UCC27517A-Q1 operates over a wide VDDrange of 4.5 V to 18 V and wide temperature range of –40°C to 140°C. Internal Undervoltage Lockout (UVLO) circuitry on VDDpin holds the output low outside VDDoperating range. The ability to operate at low voltage levels such as below 5 V, along with best-in-class switching characteristics, is especially suited for driving emerging wide band-gap power-switching devices such as GaN power-semiconductor devices. |
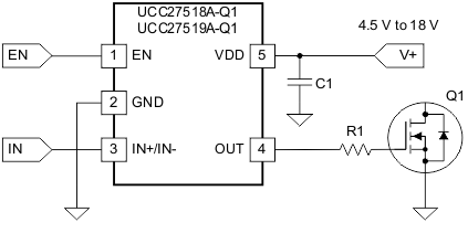
UCC27518Automotive 4-A/4-A single-channel gate driver with 5-V UVLO, enable, and inverting CMOS input | Power Management (PMIC) | 3 | Active | The UCC2751xA-Q1 single-channel high-speed low-side gate driver devices effectively drive MOSFET and IGBT power switches. With a design that inherently minimizes shoot-through current, the UCC2751xA-Q1 family of devices sources and sinks high, peak-current pulses into capacitive loads offering rail-to-rail drive capability and extremely small propagation delay typically 17 ns.
The UCC2751xA-Q1 family of devices provides 4-A source, 4-A sink (symmetrical drive) peak-drive current capability at VDD = 12 V.
The UCC2751xA-Q1 family of devices operates over a wide VDD range of 4.5 V to 18 V and wide temperature range of –40°C to 140°C. Internal undervoltage lockout (UVLO) circuitry on VDD pin holds output low outside VDD operating range. The ability to operate at low voltage levels such as below 5 V, along with best in class switching characteristics, is especially suited for driving emerging wide band-gap power switching devices such as GaN power-semiconductor devices.
The input pin threshold of the UCC2751xA-Q1 family of devices is based on CMOS logic where the threshold voltage is a function of the VDD supply voltage. Typically, the input high threshold (VIN–H) is 55% VDDand the input low threshold (VIN–L) is 39% VDD. Wide hysteresis (16% VDDtypically) between the high and low thresholds offers excellent noise immunity and allows users to introduce delays using RC circuits between the input PWM signal and the INx pin of the device.
The UCC2751xA-Q1 family of devices also features a floatable enable function on the EN pin. The EN pin can be left in a no-connect condition, which allows pin-to-pin compatibility between the UCC2751xA-Q1 family of devices and the TPS2828-Q1 or TPS2829-Q1 device, respectively. The enable pin threshold is a fixed voltage threshold and does not vary based on VDDpin bias voltage. Typically, the enable high threshold (VEN-H) is 2.1 V and the enable low threshold (VEN-L) is 1.25 V.
The UCC2751xA-Q1 single-channel high-speed low-side gate driver devices effectively drive MOSFET and IGBT power switches. With a design that inherently minimizes shoot-through current, the UCC2751xA-Q1 family of devices sources and sinks high, peak-current pulses into capacitive loads offering rail-to-rail drive capability and extremely small propagation delay typically 17 ns.
The UCC2751xA-Q1 family of devices provides 4-A source, 4-A sink (symmetrical drive) peak-drive current capability at VDD = 12 V.
The UCC2751xA-Q1 family of devices operates over a wide VDD range of 4.5 V to 18 V and wide temperature range of –40°C to 140°C. Internal undervoltage lockout (UVLO) circuitry on VDD pin holds output low outside VDD operating range. The ability to operate at low voltage levels such as below 5 V, along with best in class switching characteristics, is especially suited for driving emerging wide band-gap power switching devices such as GaN power-semiconductor devices.
The input pin threshold of the UCC2751xA-Q1 family of devices is based on CMOS logic where the threshold voltage is a function of the VDD supply voltage. Typically, the input high threshold (VIN–H) is 55% VDDand the input low threshold (VIN–L) is 39% VDD. Wide hysteresis (16% VDDtypically) between the high and low thresholds offers excellent noise immunity and allows users to introduce delays using RC circuits between the input PWM signal and the INx pin of the device.
The UCC2751xA-Q1 family of devices also features a floatable enable function on the EN pin. The EN pin can be left in a no-connect condition, which allows pin-to-pin compatibility between the UCC2751xA-Q1 family of devices and the TPS2828-Q1 or TPS2829-Q1 device, respectively. The enable pin threshold is a fixed voltage threshold and does not vary based on VDDpin bias voltage. Typically, the enable high threshold (VEN-H) is 2.1 V and the enable low threshold (VEN-L) is 1.25 V. |
UCC27519Automotive 4-A/4-A single-channel gate driver with 5-V UVLO, enable, and CMOS input | Integrated Circuits (ICs) | 3 | Active | The UCC2751xA-Q1 single-channel high-speed low-side gate driver devices effectively drive MOSFET and IGBT power switches. With a design that inherently minimizes shoot-through current, the UCC2751xA-Q1 family of devices sources and sinks high, peak-current pulses into capacitive loads offering rail-to-rail drive capability and extremely small propagation delay typically 17 ns.
The UCC2751xA-Q1 family of devices provides 4-A source, 4-A sink (symmetrical drive) peak-drive current capability at VDD = 12 V.
The UCC2751xA-Q1 family of devices operates over a wide VDD range of 4.5 V to 18 V and wide temperature range of –40°C to 140°C. Internal undervoltage lockout (UVLO) circuitry on VDD pin holds output low outside VDD operating range. The ability to operate at low voltage levels such as below 5 V, along with best in class switching characteristics, is especially suited for driving emerging wide band-gap power switching devices such as GaN power-semiconductor devices.
The input pin threshold of the UCC2751xA-Q1 family of devices is based on CMOS logic where the threshold voltage is a function of the VDD supply voltage. Typically, the input high threshold (VIN–H) is 55% VDDand the input low threshold (VIN–L) is 39% VDD. Wide hysteresis (16% VDDtypically) between the high and low thresholds offers excellent noise immunity and allows users to introduce delays using RC circuits between the input PWM signal and the INx pin of the device.
The UCC2751xA-Q1 family of devices also features a floatable enable function on the EN pin. The EN pin can be left in a no-connect condition, which allows pin-to-pin compatibility between the UCC2751xA-Q1 family of devices and the TPS2828-Q1 or TPS2829-Q1 device, respectively. The enable pin threshold is a fixed voltage threshold and does not vary based on VDDpin bias voltage. Typically, the enable high threshold (VEN-H) is 2.1 V and the enable low threshold (VEN-L) is 1.25 V.
The UCC2751xA-Q1 single-channel high-speed low-side gate driver devices effectively drive MOSFET and IGBT power switches. With a design that inherently minimizes shoot-through current, the UCC2751xA-Q1 family of devices sources and sinks high, peak-current pulses into capacitive loads offering rail-to-rail drive capability and extremely small propagation delay typically 17 ns.
The UCC2751xA-Q1 family of devices provides 4-A source, 4-A sink (symmetrical drive) peak-drive current capability at VDD = 12 V.
The UCC2751xA-Q1 family of devices operates over a wide VDD range of 4.5 V to 18 V and wide temperature range of –40°C to 140°C. Internal undervoltage lockout (UVLO) circuitry on VDD pin holds output low outside VDD operating range. The ability to operate at low voltage levels such as below 5 V, along with best in class switching characteristics, is especially suited for driving emerging wide band-gap power switching devices such as GaN power-semiconductor devices.
The input pin threshold of the UCC2751xA-Q1 family of devices is based on CMOS logic where the threshold voltage is a function of the VDD supply voltage. Typically, the input high threshold (VIN–H) is 55% VDDand the input low threshold (VIN–L) is 39% VDD. Wide hysteresis (16% VDDtypically) between the high and low thresholds offers excellent noise immunity and allows users to introduce delays using RC circuits between the input PWM signal and the INx pin of the device.
The UCC2751xA-Q1 family of devices also features a floatable enable function on the EN pin. The EN pin can be left in a no-connect condition, which allows pin-to-pin compatibility between the UCC2751xA-Q1 family of devices and the TPS2828-Q1 or TPS2829-Q1 device, respectively. The enable pin threshold is a fixed voltage threshold and does not vary based on VDDpin bias voltage. Typically, the enable high threshold (VEN-H) is 2.1 V and the enable low threshold (VEN-L) is 1.25 V. |
| Gate Drivers | 6 | Active | |
UCC27524Automotive 5-A/5-A dual-channel gate driver with 5-V UVLO and negative input voltage handling | Gate Drivers | 13 | Active | The UCC27524A-Q1 device is a dual-channel, high-speed, low-side, gate-driver device capable of effectively driving MOSFET and IGBT power switches. The UCC27524A-Q1 device is a variant of the UCC2752x family. The UCC27524A-Q1 device adds the ability to handle –5V directly at the input pins for increased robustness. The UCC27524A-Q1 device is a dual, non-inverting driver. Using a design that inherently minimizes shoot-through current, the UCC27524A-Q1 device is capable of delivering high-peak current pulses of up to 5A source and 5A sink into capacitive loads along with rail-to-rail drive capability and extremely small propagation delay (typically 17ns). In addition, the drivers feature matched, internal-propagation delays between the two channels which are very well suited for applications requiring dual-gate drives with critical timing, such as synchronous rectifiers. This also enables connecting two channels in parallel to effectively increase current-drive capability or driving two switches in parallel with a single input signal. The input pin thresholds are based on TTL and CMOS compatible low-voltage logic, which is fixed and independent of the VDD supply voltage. Wide hysteresis between the high and low thresholds offers excellent noise immunity.
For protection purposes, internal pull-up and pull-down resistors on the input pins of the UCC27524A-Q1 device ensure that outputs are held LOW when input pins are in floating condition. The UCC27524A-Q1 device features enable pins (ENA and ENB) to have better control of the operation of the driver applications. The pins are internally pulled up to VDD for active-high logic and are left open for standard operation.
The UCC27524A-Q1 devices is available in SOIC-8 (D) and VSSOP-PowerPAD-8 with exposed pad (DGN) packages.
The UCC27524A-Q1 device is a dual-channel, high-speed, low-side, gate-driver device capable of effectively driving MOSFET and IGBT power switches. The UCC27524A-Q1 device is a variant of the UCC2752x family. The UCC27524A-Q1 device adds the ability to handle –5V directly at the input pins for increased robustness. The UCC27524A-Q1 device is a dual, non-inverting driver. Using a design that inherently minimizes shoot-through current, the UCC27524A-Q1 device is capable of delivering high-peak current pulses of up to 5A source and 5A sink into capacitive loads along with rail-to-rail drive capability and extremely small propagation delay (typically 17ns). In addition, the drivers feature matched, internal-propagation delays between the two channels which are very well suited for applications requiring dual-gate drives with critical timing, such as synchronous rectifiers. This also enables connecting two channels in parallel to effectively increase current-drive capability or driving two switches in parallel with a single input signal. The input pin thresholds are based on TTL and CMOS compatible low-voltage logic, which is fixed and independent of the VDD supply voltage. Wide hysteresis between the high and low thresholds offers excellent noise immunity.
For protection purposes, internal pull-up and pull-down resistors on the input pins of the UCC27524A-Q1 device ensure that outputs are held LOW when input pins are in floating condition. The UCC27524A-Q1 device features enable pins (ENA and ENB) to have better control of the operation of the driver applications. The pins are internally pulled up to VDD for active-high logic and are left open for standard operation.
The UCC27524A-Q1 devices is available in SOIC-8 (D) and VSSOP-PowerPAD-8 with exposed pad (DGN) packages. |