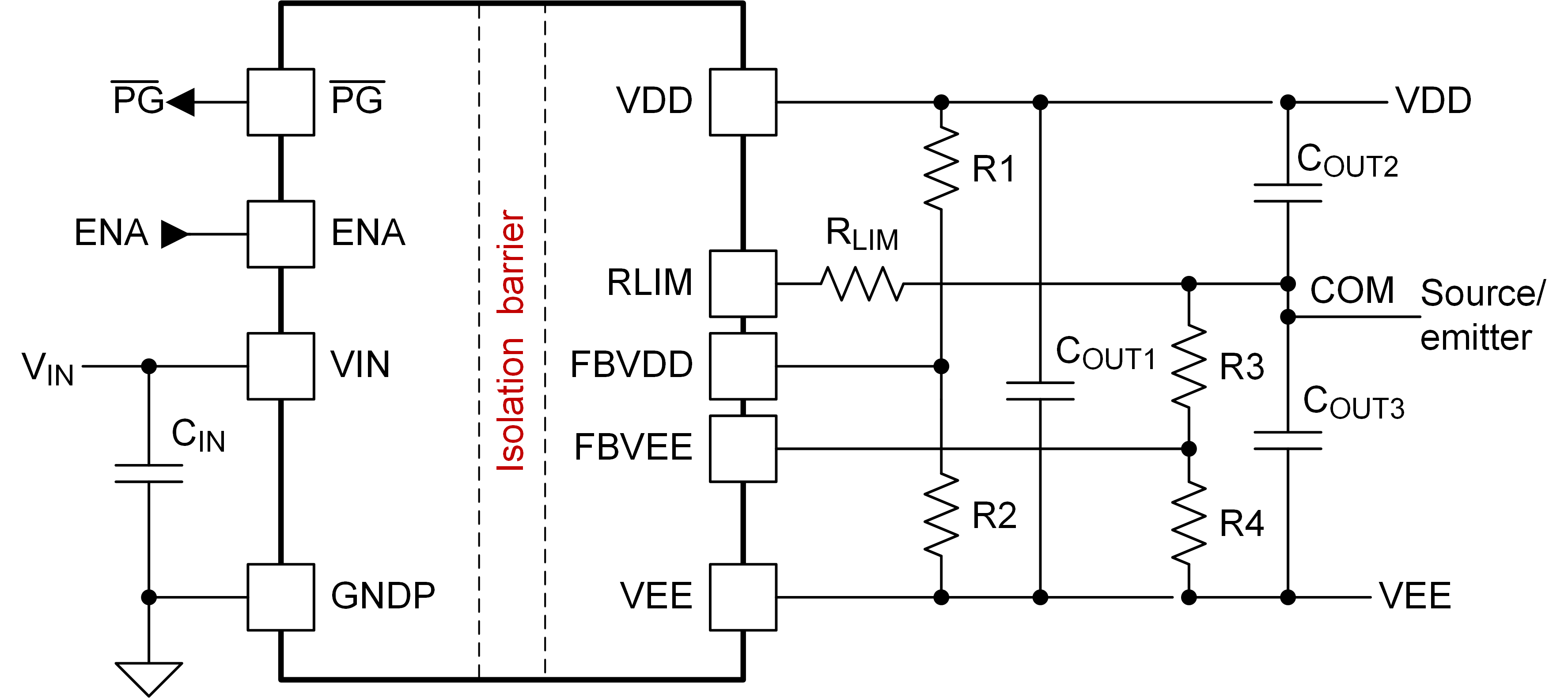
UCC14141-Q1Automotive, 1.5-W, 12-V VIN, 25-V VOUT high-density >5-kVRMS isolated DC/DC module | DC DC Converters | 1 | Active | UCC14141-Q1 is an automotive qualified high isolation voltage DC/DC power module designed to provide power to IGBT or SiC gate drivers. The UCC14141-Q1 integrates a transformer and DC/DC controller with a proprietary architecture to achieve high density with very low emissions. The high-accuracy output voltages provide better channel enhancement for higher system efficiency without over-stressing the power device gate. The input voltage of UCC14141-Q1 supports both wide LiFePO 4 battery voltage of electric vehicle (8 V-18 V) and regulated 12-V rail (10.8 V-13.2 V), with different output power.
The fully integrated module with on-chip device protection requires a minimum of external components, and provides extra features such as input under-voltage lockout, over-voltage lockout, output voltage power-good comparators, over-temperature shutdown, soft-start time-out, adjustable isolated positive and negative output voltage, an enable pin, and an open-drain output power-good pin.
UCC14141-Q1 is an automotive qualified high isolation voltage DC/DC power module designed to provide power to IGBT or SiC gate drivers. The UCC14141-Q1 integrates a transformer and DC/DC controller with a proprietary architecture to achieve high density with very low emissions. The high-accuracy output voltages provide better channel enhancement for higher system efficiency without over-stressing the power device gate. The input voltage of UCC14141-Q1 supports both wide LiFePO 4 battery voltage of electric vehicle (8 V-18 V) and regulated 12-V rail (10.8 V-13.2 V), with different output power.
The fully integrated module with on-chip device protection requires a minimum of external components, and provides extra features such as input under-voltage lockout, over-voltage lockout, output voltage power-good comparators, over-temperature shutdown, soft-start time-out, adjustable isolated positive and negative output voltage, an enable pin, and an open-drain output power-good pin. |
UCC14240-Q1Automotive, 2.0-W, 24-Vin, 25-Vout high-density > 3-kVRMS isolated DC/DC module | DC DC Converters | 1 | Active | UCC14240-Q1 is an automotive qualified high isolation voltage DC/DC power module designed to provide power to IGBT or SiC gate drivers. The UCC14240-Q1 integrates a transformer and DC/DC controller with a proprietary architecture to achieve high efficiency with very low emissions. The high-accuracy output voltages provide better channel enhancement for higher system efficiency without over-stressing the power device gate.
The UCC14240-Q1 provides up to 2.0 W (typical) of isolated output power at high efficiency. Requiring a minimum of external components and including on-chip device protection, the module provides extra features such as input undervoltage lockout, overvoltage lockout, output voltage power-good comparators, overtemperature shutdown, soft-start time-out, adjustable isolated positive and negative output voltage, an enable pin, and an open-drain output power-good pin.
UCC14240-Q1 is an automotive qualified high isolation voltage DC/DC power module designed to provide power to IGBT or SiC gate drivers. The UCC14240-Q1 integrates a transformer and DC/DC controller with a proprietary architecture to achieve high efficiency with very low emissions. The high-accuracy output voltages provide better channel enhancement for higher system efficiency without over-stressing the power device gate.
The UCC14240-Q1 provides up to 2.0 W (typical) of isolated output power at high efficiency. Requiring a minimum of external components and including on-chip device protection, the module provides extra features such as input undervoltage lockout, overvoltage lockout, output voltage power-good comparators, overtemperature shutdown, soft-start time-out, adjustable isolated positive and negative output voltage, an enable pin, and an open-drain output power-good pin. |
UCC14241-Q1Automotive, 2-W, 24-V VIN, 25-V VOUT high-density >5-kVRMS isolated DC/DC module | DC DC Converters | 1 | Active | UCC14241-Q1 is an automotive qualified high isolation voltage DC/DC power module designed to provide power to IGBT or SiC gate drivers. The UCC14241-Q1 integrates a transformer and DC/DC controller with a proprietary architecture to achieve high efficiency with very low emissions. The high-accuracy output voltages provide better channel enhancement for higher system efficiency without over-stressing the power device gate.
The UCC14241-Q1 provides up to 2W (typical) of isolated output power at high efficiency. Requiring a minimum of external components and including on-chip device protection, the module provides extra features such as input undervoltage lockout, overvoltage lockout, output voltage power-good comparators, overtemperature shutdown, soft-start time-out, adjustable isolated positive and negative output voltage, an enable pin, and an open-drain output power-good pin.
UCC14241-Q1 is an automotive qualified high isolation voltage DC/DC power module designed to provide power to IGBT or SiC gate drivers. The UCC14241-Q1 integrates a transformer and DC/DC controller with a proprietary architecture to achieve high efficiency with very low emissions. The high-accuracy output voltages provide better channel enhancement for higher system efficiency without over-stressing the power device gate.
The UCC14241-Q1 provides up to 2W (typical) of isolated output power at high efficiency. Requiring a minimum of external components and including on-chip device protection, the module provides extra features such as input undervoltage lockout, overvoltage lockout, output voltage power-good comparators, overtemperature shutdown, soft-start time-out, adjustable isolated positive and negative output voltage, an enable pin, and an open-drain output power-good pin. |
UCC14340-Q1Automotive, 1.5-W, 15-Vin, 25-Vout high-density > 3-kVRMS isolated DC-DC module | DC DC Converters | 1 | Active | UCC14340-Q1 is a high isolation voltage DC/DC module designed to provide power to IGBT or SiC gate drivers. The module integrates a transformer and DC/DC controller with a proprietary architecture to achieve high efficiency with very low emissions. The high-accuracy output voltages provide higher system efficiency without over-stressing the power device gate.
The fully integrated module with on-chip device protection requires a minimum of external components, and provides extra features such as input under-voltage lockout, over-voltage lockout, output voltage powergood comparators, over-temperature shutdown, soft-start timing, adjustable isolated positive and negative output voltage, an enable pin, and an open-drain output powergood pin.
UCC14340-Q1 is a high isolation voltage DC/DC module designed to provide power to IGBT or SiC gate drivers. The module integrates a transformer and DC/DC controller with a proprietary architecture to achieve high efficiency with very low emissions. The high-accuracy output voltages provide higher system efficiency without over-stressing the power device gate.
The fully integrated module with on-chip device protection requires a minimum of external components, and provides extra features such as input under-voltage lockout, over-voltage lockout, output voltage powergood comparators, over-temperature shutdown, soft-start timing, adjustable isolated positive and negative output voltage, an enable pin, and an open-drain output powergood pin. |
UCC14341-Q1Automotive, 1.5-W, 15-Vin, 25-Vout high-density > 5-kVRMS isolated DC/DC module | Power Supplies - Board Mount | 2 | Active | UCC14341-Q1 is a high isolation voltage DC/DC module designed to provide power to IGBT or SiC gate drivers. The module integrates a transformer and DC/DC controller with a proprietary architecture to achieve high efficiency with very low emissions. The high-accuracy output voltages provide higher system efficiency without over-stressing the power device gate.
The fully integrated module with on-chip device protection requires a minimum of external components, and provides extra features such as input under-voltage lockout, over-voltage lockout, output voltage powergood comparators, over-temperature shutdown, soft-start timing, adjustable isolated positive and negative output voltage, an enable pin, and an open-drain output powergood pin.
UCC14341-Q1 is a high isolation voltage DC/DC module designed to provide power to IGBT or SiC gate drivers. The module integrates a transformer and DC/DC controller with a proprietary architecture to achieve high efficiency with very low emissions. The high-accuracy output voltages provide higher system efficiency without over-stressing the power device gate.
The fully integrated module with on-chip device protection requires a minimum of external components, and provides extra features such as input under-voltage lockout, over-voltage lockout, output voltage powergood comparators, over-temperature shutdown, soft-start timing, adjustable isolated positive and negative output voltage, an enable pin, and an open-drain output powergood pin. |
UCC15240Automotive, 2.5-W, 24-Vin, 25-Vout high-density > 3-kVRMS isolated DC/DC module | Power Supplies - Board Mount | 1 | Active | UCC15240-Q1 is an automotive qualified high isolation voltage DC/DC power module designed to provide power to IGBT or SiC gate drivers. The UCC15240-Q1 integrates a transformer and DC/DC controller with a proprietary architecture to achieve high efficiency with very low emissions. The high-accuracy output voltages provide better channel enhancement for higher system efficiency without over-stressing the power device gate.
The UCC15240-Q1 provides up to 2.5W (typical) of isolated output power at high efficiency. Requiring a minimum of external components and including on-chip device protection, the module provides extra features such as input undervoltage lockout, overvoltage lockout, output voltage power-good comparators, overtemperature shutdown, soft-start time-out, adjustable isolated positive and negative output voltage, an enable pin, and an open-drain output power-good pin.
UCC15240-Q1 is an automotive qualified high isolation voltage DC/DC power module designed to provide power to IGBT or SiC gate drivers. The UCC15240-Q1 integrates a transformer and DC/DC controller with a proprietary architecture to achieve high efficiency with very low emissions. The high-accuracy output voltages provide better channel enhancement for higher system efficiency without over-stressing the power device gate.
The UCC15240-Q1 provides up to 2.5W (typical) of isolated output power at high efficiency. Requiring a minimum of external components and including on-chip device protection, the module provides extra features such as input undervoltage lockout, overvoltage lockout, output voltage power-good comparators, overtemperature shutdown, soft-start time-out, adjustable isolated positive and negative output voltage, an enable pin, and an open-drain output power-good pin. |
UCC15241-Q1Automotive, 2.5-W, 24-Vin, 25-Vout high-density > 5-kVRMS isolated DC-DC module | DC DC Converters | 1 | Active | UCC15241-Q1 is an automotive qualified high isolation voltage DC/DC power module designed to provide power to IGBT or SiC gate drivers. The UCC15241-Q1 integrates a transformer and DC/DC controller with a proprietary architecture to achieve high efficiency with very low emissions. The high-accuracy output voltages provide better channel enhancement for higher system efficiency without over-stressing the power device gate.
The UCC15241-Q1 provides up to 2.5W (typical) of isolated output power at high efficiency. Requiring a minimum of external components and including on-chip device protection, the module provides extra features such as input undervoltage lockout, overvoltage lockout, output voltage power-good comparators, overtemperature shutdown, soft-start time-out, adjustable isolated positive and negative output voltage, an enable pin, and an open-drain output power-good pin.
UCC15241-Q1 is an automotive qualified high isolation voltage DC/DC power module designed to provide power to IGBT or SiC gate drivers. The UCC15241-Q1 integrates a transformer and DC/DC controller with a proprietary architecture to achieve high efficiency with very low emissions. The high-accuracy output voltages provide better channel enhancement for higher system efficiency without over-stressing the power device gate.
The UCC15241-Q1 provides up to 2.5W (typical) of isolated output power at high efficiency. Requiring a minimum of external components and including on-chip device protection, the module provides extra features such as input undervoltage lockout, overvoltage lockout, output voltage power-good comparators, overtemperature shutdown, soft-start time-out, adjustable isolated positive and negative output voltage, an enable pin, and an open-drain output power-good pin. |
| Integrated Circuits (ICs) | 6 | Active | |
UCC1801Low-Power BiCMOS Current-Mode PWM | Power Management (PMIC) | 3 | Active | The UCC280x family of high-speed, low-power integrated circuits contain all of the control and drive components required for off-line and DC-to-DC fixed frequency current-mode switching mode power supplies with minimal parts count.
These devices have the same pin configuration as the UCx84x family, and also offer the added features of internal full-cycle soft start and internal leading-edge blanking of the current-sense input.
The UCC280x family of high-speed, low-power integrated circuits contain all of the control and drive components required for off-line and DC-to-DC fixed frequency current-mode switching mode power supplies with minimal parts count.
These devices have the same pin configuration as the UCx84x family, and also offer the added features of internal full-cycle soft start and internal leading-edge blanking of the current-sense input. |
UCC1802Low-Power BiCMOS Current-Mode PWM | Power Management (PMIC) | 2 | Active | The UCC280x family of high-speed, low-power integrated circuits contain all of the control and drive components required for off-line and DC-to-DC fixed frequency current-mode switching mode power supplies with minimal parts count.
These devices have the same pin configuration as the UCx84x family, and also offer the added features of internal full-cycle soft start and internal leading-edge blanking of the current-sense input.
The UCC280x family of high-speed, low-power integrated circuits contain all of the control and drive components required for off-line and DC-to-DC fixed frequency current-mode switching mode power supplies with minimal parts count.
These devices have the same pin configuration as the UCx84x family, and also offer the added features of internal full-cycle soft start and internal leading-edge blanking of the current-sense input. |