| Integrated Circuits (ICs) | 3 | LTB | |
UC2610Dual schottky diode bridge with 1-A peak forward current | Discrete Semiconductor Products | 1 | Obsolete | This eight-diode array is designed for high-current, low duty-cycle applications typical of flyback voltage clamping for inductive loads. The dual bridge connection makes this device particularly applicable to bipolar driven stepper motors.
The use of Schottky diode technology features high efficiency through lowered forward voltage drop and decreased reverse recovery time.
This single monolithic chip is fabricated in both hermetic CERDIP and copper-leaded plastic packages. The UC1610 in ceramic is designed for -55°C to 125°C environments but with reduced peak current capability. The UC2610 in plastic and ceramic is designed for -25°C to 125°C environments also with reduced peak current capability; while the UC3610 in plastic has higher current rating over a 0°C to 70°C temperature range.
This eight-diode array is designed for high-current, low duty-cycle applications typical of flyback voltage clamping for inductive loads. The dual bridge connection makes this device particularly applicable to bipolar driven stepper motors.
The use of Schottky diode technology features high efficiency through lowered forward voltage drop and decreased reverse recovery time.
This single monolithic chip is fabricated in both hermetic CERDIP and copper-leaded plastic packages. The UC1610 in ceramic is designed for -55°C to 125°C environments but with reduced peak current capability. The UC2610 in plastic and ceramic is designed for -25°C to 125°C environments also with reduced peak current capability; while the UC3610 in plastic has higher current rating over a 0°C to 70°C temperature range. |
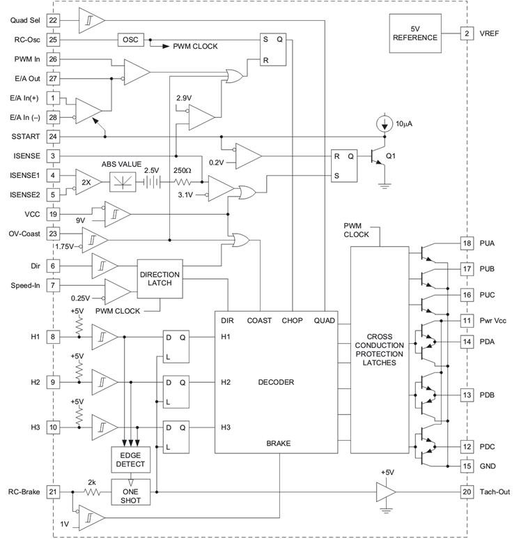
UC2625Enhanced Product 3-phase sensored trapezoidal control BLDC gate driver | Motor Drivers, Controllers | 8 | Active | The UC2625 motor controller integrates most of the functions required for high-performance brushless dc motor control into one package. When coupled with external power MOSFETs or Darlingtons, this device performs fixed-frequency PWM motor control in either voltage or current mode while implementing closed loop speed control and braking with smart noise rejection, safe direction reversal, and cross-conduction protection.
Although specified for operation from power supplies between 10 V and 18 V, the UC2625 can control higher voltage power devices with external level-shifting components. The UC2625 contains fast, high-current push-pull drivers for low-side power devices and 50-V open-collector outputs for high-side power devices or level shifting circuitry.
The UC2625 is characterized for operation over the military temperature range of -55°C to 125°C.
The UC2625 motor controller integrates most of the functions required for high-performance brushless dc motor control into one package. When coupled with external power MOSFETs or Darlingtons, this device performs fixed-frequency PWM motor control in either voltage or current mode while implementing closed loop speed control and braking with smart noise rejection, safe direction reversal, and cross-conduction protection.
Although specified for operation from power supplies between 10 V and 18 V, the UC2625 can control higher voltage power devices with external level-shifting components. The UC2625 contains fast, high-current push-pull drivers for low-side power devices and 50-V open-collector outputs for high-side power devices or level shifting circuitry.
The UC2625 is characterized for operation over the military temperature range of -55°C to 125°C. |
UC2637Switched mode controller for DC motor drive | Motor Drivers, Controllers | 8 | Active | The UC1637 is a pulse width modulator circuit intended to be used for a variety of PWM motor drive and amplifier applications requiring either uni-directional or bi-directional drive circuits. When used to replace conventional drivers, this circuit can increase efficiency and reduce component costs for many applications. All necessary circuitry is included to generate an analog error signal and modulate two bi-directional pulse train outputs in proportion to the error signal magnitude and polarity.
This monolithic device contains a sawtooth oscillator, error amplifier, and two PWM comparators with ±100mA output stages as standard features. Protection circuitry includes under-voltage lockout, pulse-by-pulse current limiting, and a shutdown port with a 2.5V temperature compensated threshold.
The UC1637 is characterized for operation over the full military temperature range of -55°C to +125°C, while the UC2637 and UC3637 are characterized for -25°C to +85°C and 0°C to +70°C, respectively.
The UC1637 is a pulse width modulator circuit intended to be used for a variety of PWM motor drive and amplifier applications requiring either uni-directional or bi-directional drive circuits. When used to replace conventional drivers, this circuit can increase efficiency and reduce component costs for many applications. All necessary circuitry is included to generate an analog error signal and modulate two bi-directional pulse train outputs in proportion to the error signal magnitude and polarity.
This monolithic device contains a sawtooth oscillator, error amplifier, and two PWM comparators with ±100mA output stages as standard features. Protection circuitry includes under-voltage lockout, pulse-by-pulse current limiting, and a shutdown port with a 2.5V temperature compensated threshold.
The UC1637 is characterized for operation over the full military temperature range of -55°C to +125°C, while the UC2637 and UC3637 are characterized for -25°C to +85°C and 0°C to +70°C, respectively. |
UC2638Advanced PWM Motor Controller | Power Management (PMIC) | 5 | Active | The UC2638 family of integrated circuits are advanced pulse width modulators intended for a variety of PWM motor drive and amplifier applications requiring either uni-directional or bi-directional drive circuits. Similar in architecture to the UC2637, all necessary circuitry is included to generate an analog error signal and modulate two bi-directional pulse train outputs in proportion to the error signal magnitude and polarity.
Key features of the UC2638 include a programmable high speed triangle oscillator, a 5X differential current sensing amplifier, a high slew rate error amplifier, high speed PWM comparators, and two 50mA open collector as well as two ±500mA totem pole output stages. The individual circuit blocks are designed to provide practical operation to switching frequencies of 500kHz.
Significant improvements in circuit speed, elimination of many external programming components, and the inclusion of a differential current sense amplifier, allow this controller to be specified for higher performance applications, yet maintain the flexibility of the UC2637. The current sense amplifier in conjunction with the error amplifier can be configured for average current feedback. The additional open collector outputs provide a drive signal for the highside switches in a full bridge configuration. The programmable AREFIN pin allows for single or dual supply operation. Oscillator ramp amplitude and PWM deadband are programmable by tapping a voltage divider off the 5V reference to the appropriate programming input (PVSET or DB).
Additional features include a precision externally available 5V reference, undervoltage lockout, pulse-by-pulse peak current limiting, and a remote shutdown port. The UC1638 family is available in the 20 pin N, DW and J packages. Consult the factory for other packaging options.
The UC2638 family of integrated circuits are advanced pulse width modulators intended for a variety of PWM motor drive and amplifier applications requiring either uni-directional or bi-directional drive circuits. Similar in architecture to the UC2637, all necessary circuitry is included to generate an analog error signal and modulate two bi-directional pulse train outputs in proportion to the error signal magnitude and polarity.
Key features of the UC2638 include a programmable high speed triangle oscillator, a 5X differential current sensing amplifier, a high slew rate error amplifier, high speed PWM comparators, and two 50mA open collector as well as two ±500mA totem pole output stages. The individual circuit blocks are designed to provide practical operation to switching frequencies of 500kHz.
Significant improvements in circuit speed, elimination of many external programming components, and the inclusion of a differential current sense amplifier, allow this controller to be specified for higher performance applications, yet maintain the flexibility of the UC2637. The current sense amplifier in conjunction with the error amplifier can be configured for average current feedback. The additional open collector outputs provide a drive signal for the highside switches in a full bridge configuration. The programmable AREFIN pin allows for single or dual supply operation. Oscillator ramp amplitude and PWM deadband are programmable by tapping a voltage divider off the 5V reference to the appropriate programming input (PVSET or DB).
Additional features include a precision externally available 5V reference, undervoltage lockout, pulse-by-pulse peak current limiting, and a remote shutdown port. The UC1638 family is available in the 20 pin N, DW and J packages. Consult the factory for other packaging options. |
| Integrated Circuits (ICs) | 4 | Active | |
UC27061.5-A/1.5-A dual-channel gate driver with 40-V VDD, 100-ns prop delay, & dual-inputs for each output | Gate Drivers | 3 | Active | The UC1706 family of output drivers are made with a high-speed Schottky process to interface between low-level control functions and high-power switching devices - particularly power MOSFET's. These devices implement three generalized functions as outlined below.
First: They accept a single-ended, low-current digital input of either polarity and process it to activate a pair of high-current, totem pole outputs which can source or sink up to 1.5A each.
Second: They provide an optional single-ended to push-pull conversion through the use of an internal flip-flop driven by double-pulse-suppression logic. With the flip-flop disabled, the outputs work in parallel for 3.0A capability.
Third: Protection functions are also included for pulse-by-pulse current limiting, automatic deadband control, and thermal shutdown.
These devices are available in a two-watt plastic "bat-wing" DIP for operation over a 0°C to 70°C temperature range and, with reduced power, in a hermetically sealed cerdip for -55°C to +125°C operation. Also available in surface mount Q and L packages.
The UC1706 family of output drivers are made with a high-speed Schottky process to interface between low-level control functions and high-power switching devices - particularly power MOSFET's. These devices implement three generalized functions as outlined below.
First: They accept a single-ended, low-current digital input of either polarity and process it to activate a pair of high-current, totem pole outputs which can source or sink up to 1.5A each.
Second: They provide an optional single-ended to push-pull conversion through the use of an internal flip-flop driven by double-pulse-suppression logic. With the flip-flop disabled, the outputs work in parallel for 3.0A capability.
Third: Protection functions are also included for pulse-by-pulse current limiting, automatic deadband control, and thermal shutdown.
These devices are available in a two-watt plastic "bat-wing" DIP for operation over a 0°C to 70°C temperature range and, with reduced power, in a hermetically sealed cerdip for -55°C to +125°C operation. Also available in surface mount Q and L packages. |
UC27071.5-A/1.5-A dual-channel gate driver with 40-V VDD and output latch in 16-pin package | Power Management (PMIC) | 6 | Active | The UC1707 family of power drivers is made with a high-speed Schottky process to interface between low-level control functions and high-power switching devices - particularly power MOSFETs. These devices contain two independent channels, each of which can be activated by either a high or low input logic level signal. Each output can source or sink up to 1.5 A as long as power dissipation limits are not exceeded.
Although each output can be activated independently with its own inputs, it can be forced low in common through the action either of a digital high signal at the Shutdown terminal or a differential low-level analog signal. The Shutdown command from either source can either be latching or not, depending on the status of the Latch Disable pin.
Supply voltage for both VIN and VC can independently range from 5 V to 40 V.
These devices are available in two-watt plastic "bat-wing" DIP for operation over a 0°C to 70°C temperature range and, with reduced power, in a hermetically sealed cerdip for –55°C to +125°C operation. Also available in surface mount DW, Q, L packages.
The UC1707 family of power drivers is made with a high-speed Schottky process to interface between low-level control functions and high-power switching devices - particularly power MOSFETs. These devices contain two independent channels, each of which can be activated by either a high or low input logic level signal. Each output can source or sink up to 1.5 A as long as power dissipation limits are not exceeded.
Although each output can be activated independently with its own inputs, it can be forced low in common through the action either of a digital high signal at the Shutdown terminal or a differential low-level analog signal. The Shutdown command from either source can either be latching or not, depending on the status of the Latch Disable pin.
Supply voltage for both VIN and VC can independently range from 5 V to 40 V.
These devices are available in two-watt plastic "bat-wing" DIP for operation over a 0°C to 70°C temperature range and, with reduced power, in a hermetically sealed cerdip for –55°C to +125°C operation. Also available in surface mount DW, Q, L packages. |
UC27083-A/3-A dual-channel gate driver with 35-V VDD in 16-pin SOIC package | Integrated Circuits (ICs) | 4 | Active | The UC1708 family of power drivers is made with a high-speed, high-voltage, Schottky process to interface control functions and high-power switching devices — particularly power MOSFETs. Operating over a 5 V to 35 V supply range, these devices contain two independent channels. The A and B inputs are compatible with TTL and CMOS logic families, but can withstand input voltages as high as VIN. Each output can source or sink up to 3 A as long as power dissipation limits are not exceeded.
Although each output can be activated independently with its own inputs, they can be forced low in common through the action of either a digital high signal at the Shutdown terminal or by forcing the Enable terminal low. The Shutdown terminal will only force the outputs low, it will not effect the behavior of the rest of the device. The Enable terminal effectively places the device in under-voltage lockout, reducing power consumption by as much as 90%. During under-voltage and disable (Enable terminal forced low) conditions, the outputs are held in a self-biasing, low-voltage, state.
The UC3708 and UC2708 are available in plastic 8-pin MINI DIP and 16-pinbat-wingDIP packages for commercial operation over a 0°C to 70°C temperature range and industrial temperature range of -25°C to 85°C respectively. For operation over a -55°C to 125°C temperature range, the UC1708 is available in hermetically sealed 8-pin MINI CDIP, 16 pin CDIP and 20 pin CLCC packages. Surface mount devices are also available.
The UC1708 family of power drivers is made with a high-speed, high-voltage, Schottky process to interface control functions and high-power switching devices — particularly power MOSFETs. Operating over a 5 V to 35 V supply range, these devices contain two independent channels. The A and B inputs are compatible with TTL and CMOS logic families, but can withstand input voltages as high as VIN. Each output can source or sink up to 3 A as long as power dissipation limits are not exceeded.
Although each output can be activated independently with its own inputs, they can be forced low in common through the action of either a digital high signal at the Shutdown terminal or by forcing the Enable terminal low. The Shutdown terminal will only force the outputs low, it will not effect the behavior of the rest of the device. The Enable terminal effectively places the device in under-voltage lockout, reducing power consumption by as much as 90%. During under-voltage and disable (Enable terminal forced low) conditions, the outputs are held in a self-biasing, low-voltage, state.
The UC3708 and UC2708 are available in plastic 8-pin MINI DIP and 16-pinbat-wingDIP packages for commercial operation over a 0°C to 70°C temperature range and industrial temperature range of -25°C to 85°C respectively. For operation over a -55°C to 125°C temperature range, the UC1708 is available in hermetically sealed 8-pin MINI CDIP, 16 pin CDIP and 20 pin CLCC packages. Surface mount devices are also available. |
UC27091.5-A/1.5-A dual-channel gate driver with 40-V VDD and regulated 5-V output | Integrated Circuits (ICs) | 3 | Active | The UC3709 family of power drivers is an effective low-cost solution to the problem of providing fast turn-on and off for the capacitive gates of power MOSFETs. Made with a high-speed Schottky process, these devices will provide up to 1.5 A of either source or sink current from a totem-pole output stage configured for minimal cross-conduction current spike.
The UC3709 is pin compatible with the MMH0026 or DS0026, and while the delay times are longer, the supply current is much less than these older devices.
With inverting logic, these units feature complete TTL compatibility at the inputs with an output stage that can swing over 30 V. This design also includes thermal shutdown protection.
The UC3709 family of power drivers is an effective low-cost solution to the problem of providing fast turn-on and off for the capacitive gates of power MOSFETs. Made with a high-speed Schottky process, these devices will provide up to 1.5 A of either source or sink current from a totem-pole output stage configured for minimal cross-conduction current spike.
The UC3709 is pin compatible with the MMH0026 or DS0026, and while the delay times are longer, the supply current is much less than these older devices.
With inverting logic, these units feature complete TTL compatibility at the inputs with an output stage that can swing over 30 V. This design also includes thermal shutdown protection. |