| Power Management (PMIC) | 2 | Active | |
| Power Management (PMIC) | 2 | Active | |
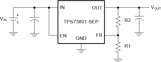
TPS73801-SEPRadiation-tolerant, 2.2-V to 20-V input, 1-A adjustable LDO regulator in a plastic package | Power Management (PMIC) | 2 | Active | The TPS73801-SEP is a low-dropout (LDO) regulator optimized for fast transient response. The device can supply 1 A of output current with a dropout voltage of 300 mV. Operating quiescent current is 1 mA and drops to less than 1 µA in shutdown. Compared to many other regulators, quiescent current is well controlled and does not rise in dropout. In addition to fast transient response, a very low output noise makes the TPS73801-SEP regulator ideal for sensitive RF supply applications.
Output voltage range is from 1.21 to 20 V and is stable with use of output capacitors as low as 10 µF. Small ceramic capacitors can be used without the necessary addition of ESR. Internal protection circuitry includes reverse-battery protection, current limiting, thermal limiting, and reverse-current protection. The TPS73801-SEP regulator is available with an adjustable 1.21-V reference voltage and in the 6-pin TO-223 (DCQ) package.
The TPS73801-SEP is a low-dropout (LDO) regulator optimized for fast transient response. The device can supply 1 A of output current with a dropout voltage of 300 mV. Operating quiescent current is 1 mA and drops to less than 1 µA in shutdown. Compared to many other regulators, quiescent current is well controlled and does not rise in dropout. In addition to fast transient response, a very low output noise makes the TPS73801-SEP regulator ideal for sensitive RF supply applications.
Output voltage range is from 1.21 to 20 V and is stable with use of output capacitors as low as 10 µF. Small ceramic capacitors can be used without the necessary addition of ESR. Internal protection circuitry includes reverse-battery protection, current limiting, thermal limiting, and reverse-current protection. The TPS73801-SEP regulator is available with an adjustable 1.21-V reference voltage and in the 6-pin TO-223 (DCQ) package. |
TPS73HD3750-mA, 10-V, dual-channel low-dropout voltage regulator with enable | Integrated Circuits (ICs) | 6 | Active | The TPS73HD3xx family of dual voltage regulators offers very low dropout voltages and dual outputs in a compact package. Designed primarily for DSP applications, these devices can be used in any mixed-output voltage application with each regulator supporting up to 750 mA. Output current can be allocated as desired between the two regulators and used to power many of todays DSPs. Low quiescent current and very low dropout voltage assure maximum power usage in battery-powered applications. Texas Instruments PowerPAD TSSOP package allows use of these devices with any voltage/current combination within the range of the listed specifications without thermal problems, provided proper device mounting procedures are followed. Separate inputs allow the designer to configure the source power as desired. Dual active-low reset signals allow resetting of core-logic and I/O separately. Remote sense/feedback terminals provide regulation at the load. The TPS73HD3xx are available in 28-pin PowerPAD TSSOP. They operate over a free-air temperature range of -40°C to 125°C.
The TPS73HD3xx family of dual voltage regulators offers very low dropout voltages and dual outputs in a compact package. Designed primarily for DSP applications, these devices can be used in any mixed-output voltage application with each regulator supporting up to 750 mA. Output current can be allocated as desired between the two regulators and used to power many of todays DSPs. Low quiescent current and very low dropout voltage assure maximum power usage in battery-powered applications. Texas Instruments PowerPAD TSSOP package allows use of these devices with any voltage/current combination within the range of the listed specifications without thermal problems, provided proper device mounting procedures are followed. Separate inputs allow the designer to configure the source power as desired. Dual active-low reset signals allow resetting of core-logic and I/O separately. Remote sense/feedback terminals provide regulation at the load. The TPS73HD3xx are available in 28-pin PowerPAD TSSOP. They operate over a free-air temperature range of -40°C to 125°C. |
| Integrated Circuits (ICs) | 1 | Unknown | |
| Voltage Regulators - Linear, Low Drop Out (LDO) Regulators | 6 | Active | |
| Voltage Regulators - Linear, Low Drop Out (LDO) Regulators | 5 | Active | |
| Development Boards, Kits, Programmers | 1 | Obsolete | |
| Integrated Circuits (ICs) | 2 | Obsolete | |
| Voltage Regulators - Linear, Low Drop Out (LDO) Regulators | 1 | Unknown | |