T
Texas Instruments
| Series | Category | # Parts | Status | Description |
|---|---|---|---|---|
| Part | Spec A | Spec B | Spec C | Spec D | Description |
|---|---|---|---|---|---|
| Series | Category | # Parts | Status | Description |
|---|---|---|---|---|
| Part | Spec A | Spec B | Spec C | Spec D | Description |
|---|---|---|---|---|---|
| Part | Category | Description |
|---|---|---|
Texas Instruments BQ2002CSNTRG4Unknown | Integrated Circuits (ICs) | LINEAR BATTERY CHARGER NICD/NIMH 2000MA 0V TO 6V 8-PIN SOIC T/R |
Texas Instruments LM3676SDX-3.3Obsolete | Integrated Circuits (ICs) | IC REG BUCK 3.3V 600MA 8WSON |
Texas Instruments | Integrated Circuits (ICs) | TMX320DRE311 179PIN UBGA 200MHZ |
Texas Instruments UCC3580N-1G4Obsolete | Integrated Circuits (ICs) | IC REG CTRLR FWRD CONV 16DIP |
Texas Instruments LM2831YMF EVALObsolete | Development Boards Kits Programmers | EVAL BOARD FOR LM2831 |
Texas Instruments | Integrated Circuits (ICs) | BUFFER/LINE DRIVER 8-CH NON-INVERTING 3-ST CMOS 20-PIN SSOP T/R |
Texas Instruments | Integrated Circuits (ICs) | ANALOG OTHER PERIPHERALS |
Texas Instruments | Integrated Circuits (ICs) | RADIATION-HARDENED, QMLP 60V HAL |
Texas Instruments SN75LVDS051DRObsolete | Integrated Circuits (ICs) | IC TRANSCEIVER FULL 2/2 16SOIC |
Texas Instruments | Integrated Circuits (ICs) | AUTOMOTIVE OCTAL D-TYPE FLIP-FLO |
| Series | Category | # Parts | Status | Description |
|---|---|---|---|---|
| Development Boards, Kits, Programmers | 10 | Active | ||
TPS652170User programmable power management IC (PMIC) with 3 DC/DCs, 4 LDOs, battery charger and LED driver | Power Management - Specialized | 2 | Active | The TPS652170 is a single-chip power management IC (PMIC) specifically designed to power the AM335x ARM®Cortex®-A8 processor in portable and 5-V line-powered applications. The PMIC device provides a linear battery charger for single-cell Li-ion and Li-polymer batteries, dual-input power path, three step-down converters, four low-dropout (LDO) regulators, and a high-efficiency boost converter to power two strings of up to 10 LEDs each. The system can be supplied by any combination of USB port, 5-V AC adaptor, or Li-Ion battery. The device is characterized across a –40°C to +105°C temperature range which makes it suitable for industrial applications. Three high-efficiency 2.25-MHz step-down converters can providing the core voltage, memory, and I/O voltage for a system. The TPS652170 device comes in a 48-pin leadless package (6-mm × 6-mm VQFN) with a 0.4-mm pitch.
The TPS652170 is a single-chip power management IC (PMIC) specifically designed to power the AM335x ARM®Cortex®-A8 processor in portable and 5-V line-powered applications. The PMIC device provides a linear battery charger for single-cell Li-ion and Li-polymer batteries, dual-input power path, three step-down converters, four low-dropout (LDO) regulators, and a high-efficiency boost converter to power two strings of up to 10 LEDs each. The system can be supplied by any combination of USB port, 5-V AC adaptor, or Li-Ion battery. The device is characterized across a –40°C to +105°C temperature range which makes it suitable for industrial applications. Three high-efficiency 2.25-MHz step-down converters can providing the core voltage, memory, and I/O voltage for a system. The TPS652170 device comes in a 48-pin leadless package (6-mm × 6-mm VQFN) with a 0.4-mm pitch. |
TPS65218Integrated power management (PMIC) for ARM® Cortex™-A8/A9 SOCs and FPGAs | Development Boards, Kits, Programmers | 11 | Active | The TPS65218D0 is a single chip, power-management IC (PMIC) specifically designed to support the AM335x and AM438x line of processors in both portable (Li-Ion battery) and nonportable (5-V adapter) applications. The device is characterized across a –40°C to +105°C temperature range, making it suitable for various industrial applications.
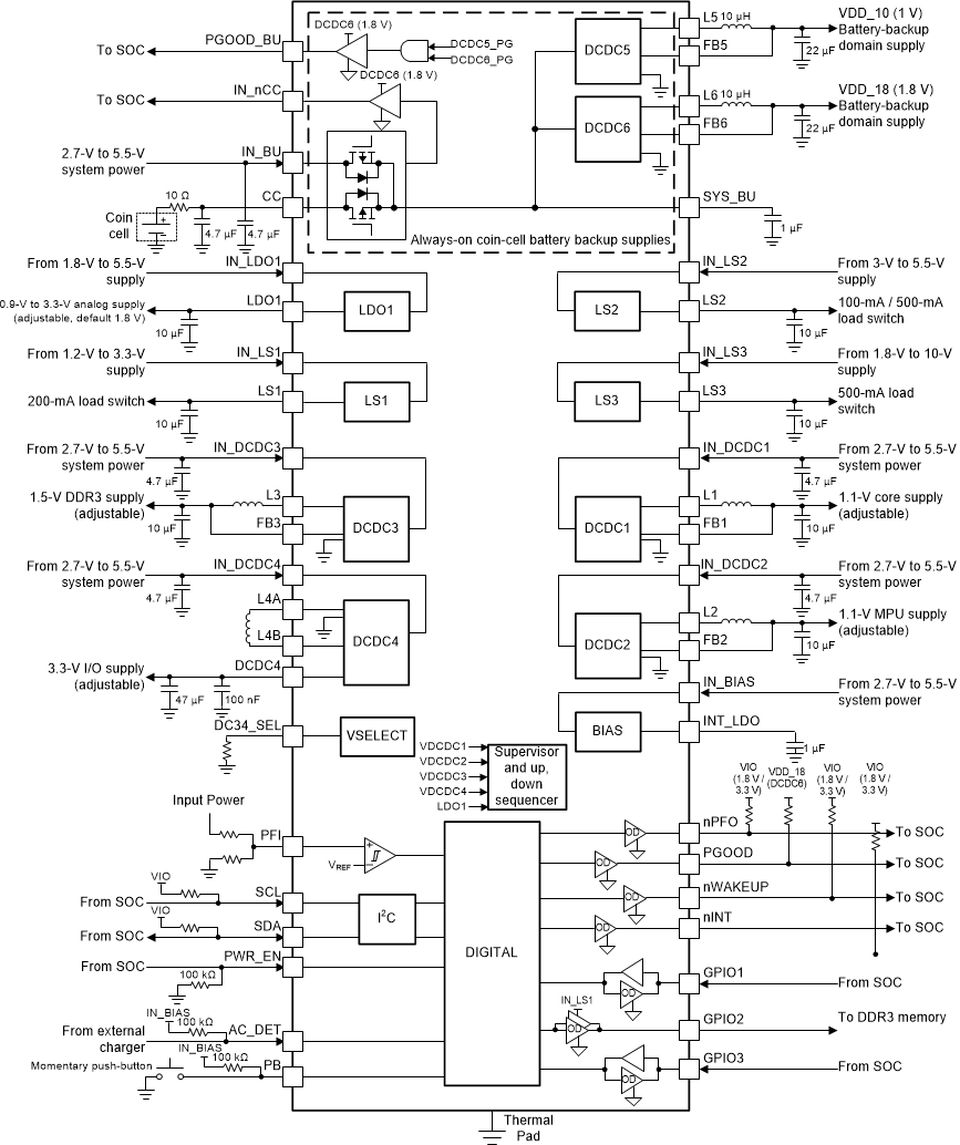
The TPS65218D0 is specifically designed to provide power management for all the functionalities of the AM438x processor. The DC/DC converters DCDC1 through DCDC4 are intended to power the core, MPU, DDR memory, and 3.3-V analog and I/O, respectively. LDO1 provides the 1.8-V analog and I/O for the processor. GPIO1 and GPO2 allow for memory reset and GPIO3 allows for warm reset (335x only) of the DCDC1 and DCDC2 converters. The I2C interface allows the user to enable and disable all voltage regulators, load switches, and GPIOs. Additionally, UVLO and supervisor voltage thresholds, power-up sequence, and power-down sequence can be programmed through I2C. Interrupts for overtemperature, overcurrent, and undervoltage can be monitored as well. The supervisor monitors DCDC1 through DCDC4 and LDO1. The supervisor has two settings, one for typical undervoltage tolerance (STRICT = 0b), and one for tight undervoltage and overvoltage tolerances (STRICT = 1b). A power-good signal indicates proper regulation of the five voltage regulators.
Three hysteretic step-down converters are targeted at providing power for the processor core, MPU, and DDRx memory. The default output voltages for each converter can be adjusted through the I2C interface. DCDC1 and DCDC2 feature dynamic voltage scaling to provide power at all operating points of the processor. DCDC1 and DCDC2 also have programmable slew rates to help protect processor components. DCDC3 remains powered while the processor is in a sleep mode to maintain power to DDRx memory. Backup power provides two step-down converters for the tamper, RTC, or both domains of the processor if system power fails or is disabled. If both system power and coin-cell battery are connected to the PMIC, power is not drawn from the coin-cell battery. A separate power good signal monitors the backup converters. A battery backup monitor determines the power level of the coin-cell battery.
The TPS65218D0 device is available in a 48-pin VQFN package (6 mm × 6 mm, 0.4-mm pitch).
The TPS65218D0 is a single chip, power-management IC (PMIC) specifically designed to support the AM335x and AM438x line of processors in both portable (Li-Ion battery) and nonportable (5-V adapter) applications. The device is characterized across a –40°C to +105°C temperature range, making it suitable for various industrial applications.
The TPS65218D0 is specifically designed to provide power management for all the functionalities of the AM438x processor. The DC/DC converters DCDC1 through DCDC4 are intended to power the core, MPU, DDR memory, and 3.3-V analog and I/O, respectively. LDO1 provides the 1.8-V analog and I/O for the processor. GPIO1 and GPO2 allow for memory reset and GPIO3 allows for warm reset (335x only) of the DCDC1 and DCDC2 converters. The I2C interface allows the user to enable and disable all voltage regulators, load switches, and GPIOs. Additionally, UVLO and supervisor voltage thresholds, power-up sequence, and power-down sequence can be programmed through I2C. Interrupts for overtemperature, overcurrent, and undervoltage can be monitored as well. The supervisor monitors DCDC1 through DCDC4 and LDO1. The supervisor has two settings, one for typical undervoltage tolerance (STRICT = 0b), and one for tight undervoltage and overvoltage tolerances (STRICT = 1b). A power-good signal indicates proper regulation of the five voltage regulators.
Three hysteretic step-down converters are targeted at providing power for the processor core, MPU, and DDRx memory. The default output voltages for each converter can be adjusted through the I2C interface. DCDC1 and DCDC2 feature dynamic voltage scaling to provide power at all operating points of the processor. DCDC1 and DCDC2 also have programmable slew rates to help protect processor components. DCDC3 remains powered while the processor is in a sleep mode to maintain power to DDRx memory. Backup power provides two step-down converters for the tamper, RTC, or both domains of the processor if system power fails or is disabled. If both system power and coin-cell battery are connected to the PMIC, power is not drawn from the coin-cell battery. A separate power good signal monitors the backup converters. A battery backup monitor determines the power level of the coin-cell battery.
The TPS65218D0 device is available in a 48-pin VQFN package (6 mm × 6 mm, 0.4-mm pitch). |
| Integrated Circuits (ICs) | 2 | Active | ||
TPS6521825Power Management IC (PMIC) for NXP i.MX 8M mini | Integrated Circuits (ICs) | 2 | Active | The TPS6521825 is a single chip, power-management IC (PMIC) specifically intended to support the i.MX 8M Mini processor in conjunction with the LP873347 device. The device is characterized across a –40°C to +105°C temperature range, making it suitable for various industrial applications.
The TPS6521825 is a single chip, power-management IC (PMIC) specifically intended to support the i.MX 8M Mini processor in conjunction with the LP873347 device. The device is characterized across a –40°C to +105°C temperature range, making it suitable for various industrial applications. |
| Power Management (PMIC) | 2 | Active | ||
TPS6521845Power Management IC (PMIC) for NXP i.MX 6Solo/ 6DualLite | Special Purpose Regulators | 2 | Active | The TPS6521845 is a single chip power management IC, specifically designed to support both portable (Li-Ion battery) and non-portable (5-V adapter) applications.The device is characterized across a –40°C to +105°C temperature range, making it suitable for a wide range of industrial applications.
The TPS6521845 is a single chip power management IC, specifically designed to support both portable (Li-Ion battery) and non-portable (5-V adapter) applications.The device is characterized across a –40°C to +105°C temperature range, making it suitable for a wide range of industrial applications. |
| Special Purpose Regulators | 2 | Active | ||
| Evaluation Boards | 16 | Active | ||
TPS65219-Q1Automotive power management IC (PMIC) with three buck converters and four LDOs | Power Management - Specialized | 2 | Active | The TPS65219-Q1 is a Power Management IC (PMIC) designed to supply a wide range of SoCs in automotive applications. The device is characterized across an ambient temperature range of -40°C to +125°C, making the PMIC an excellent choice for automotive applications. The device includes three synchronous stepdown DC-DC converters and four linear regulators.
The DC-DC converters are capable of 1x 3.5A and 2x 2 A. The converters require a small 470nH inductor, 4.7µF input capacitance, and a minimum 10µF output capacitance per rail depending on the switching mode configuration.
Two of the LDOs support output currents of 400mA at an output voltage range of 0.6V to 3.4V. These LDOs support bypass mode, acting as a load-switch, and allow voltage-changes during operation. The other two LDOs support output currents of 300mA at an output voltage range of 1.2V to 3.3V. These LDOs also support load-switch mode.
The I2C-interface, IOs, GPIOs and multi-function-pins (MFP) allow a seamless interface to a wide range of SoCs.
The TPS65219-Q1 is a Power Management IC (PMIC) designed to supply a wide range of SoCs in automotive applications. The device is characterized across an ambient temperature range of -40°C to +125°C, making the PMIC an excellent choice for automotive applications. The device includes three synchronous stepdown DC-DC converters and four linear regulators.
The DC-DC converters are capable of 1x 3.5A and 2x 2 A. The converters require a small 470nH inductor, 4.7µF input capacitance, and a minimum 10µF output capacitance per rail depending on the switching mode configuration.
Two of the LDOs support output currents of 400mA at an output voltage range of 0.6V to 3.4V. These LDOs support bypass mode, acting as a load-switch, and allow voltage-changes during operation. The other two LDOs support output currents of 300mA at an output voltage range of 1.2V to 3.3V. These LDOs also support load-switch mode.
The I2C-interface, IOs, GPIOs and multi-function-pins (MFP) allow a seamless interface to a wide range of SoCs. |