T
Texas Instruments
| Series | Category | # Parts | Status | Description |
|---|---|---|---|---|
| Part | Spec A | Spec B | Spec C | Spec D | Description |
|---|---|---|---|---|---|
| Series | Category | # Parts | Status | Description |
|---|---|---|---|---|
| Part | Spec A | Spec B | Spec C | Spec D | Description |
|---|---|---|---|---|---|
| Part | Category | Description |
|---|---|---|
Texas Instruments BQ2002CSNTRG4Unknown | Integrated Circuits (ICs) | LINEAR BATTERY CHARGER NICD/NIMH 2000MA 0V TO 6V 8-PIN SOIC T/R |
Texas Instruments LM3676SDX-3.3Obsolete | Integrated Circuits (ICs) | IC REG BUCK 3.3V 600MA 8WSON |
Texas Instruments | Integrated Circuits (ICs) | TMX320DRE311 179PIN UBGA 200MHZ |
Texas Instruments UCC3580N-1G4Obsolete | Integrated Circuits (ICs) | IC REG CTRLR FWRD CONV 16DIP |
Texas Instruments LM2831YMF EVALObsolete | Development Boards Kits Programmers | EVAL BOARD FOR LM2831 |
Texas Instruments | Integrated Circuits (ICs) | BUFFER/LINE DRIVER 8-CH NON-INVERTING 3-ST CMOS 20-PIN SSOP T/R |
Texas Instruments | Integrated Circuits (ICs) | ANALOG OTHER PERIPHERALS |
Texas Instruments | Integrated Circuits (ICs) | RADIATION-HARDENED, QMLP 60V HAL |
Texas Instruments SN75LVDS051DRObsolete | Integrated Circuits (ICs) | IC TRANSCEIVER FULL 2/2 16SOIC |
Texas Instruments | Integrated Circuits (ICs) | AUTOMOTIVE OCTAL D-TYPE FLIP-FLO |
| Series | Category | # Parts | Status | Description |
|---|---|---|---|---|
TPS65142LCD Bias Solution For LCD Panels with 6ch WLED Driver | Power Management (PMIC) | 1 | Active | The TPS65142 provides a compact solution to the bias power and the WLED backlight in note-pc TFT-LCD panels. The device features a boost converter, a positive charge pump regulator, and a negative charge pump regulator to power the source drivers and the gate drivers. A 150 mA unity-gain high-speed buffer is offered to drive the VCOM plane. Gate voltage shaping and the LCD discharge function are offered to improve the image quality. A reset function allows a proper reset of the TCON at the power on. The TPS65142 also offers the complete solution to driver up to 6 chains of WLEDs with 1000:1 ratio PWM dimming.
All features are integrated in a compact 6 × 3 mm2Thin QFN package.
The TPS65142 provides a compact solution to the bias power and the WLED backlight in note-pc TFT-LCD panels. The device features a boost converter, a positive charge pump regulator, and a negative charge pump regulator to power the source drivers and the gate drivers. A 150 mA unity-gain high-speed buffer is offered to drive the VCOM plane. Gate voltage shaping and the LCD discharge function are offered to improve the image quality. A reset function allows a proper reset of the TCON at the power on. The TPS65142 also offers the complete solution to driver up to 6 chains of WLEDs with 1000:1 ratio PWM dimming.
All features are integrated in a compact 6 × 3 mm2Thin QFN package. |
| Integrated Circuits (ICs) | 1 | Unknown | ||
TPS651454-CH LCD Bias w/ Fully Int. Pos. Charge Pump, 3.3V LDO Contr., 0.96A Min. Boost Ilim & Fault Detect | Power Management - Specialized | 4 | Active | The TPS6514x series offers a compact and small power supply solution to provide all three voltages required by thin film transistor (TFT) LCD displays. The auxiliary linear regulator controller can be used to generate a 3.3-V logic power rail for systems powered by a 5-V supply rail only.
The main output VO1is a 1.6-MHz fixed frequency PWM boost converter providing the source drive voltage for the LCD display. The device is available in two versions with different internal switch current limits to allow the use of a smaller external inductor when lower output power is required. The TPS65140 and TPS65141 has a typical switch current limit of 2.3 A and the TPS65145 has a typical switch current limit of 1.37 A. A fully integrated adjustable charge pump doubler or tripler provides the positive LCD gate drive voltage. An externally adjustable negative charge pump provides the negative gate drive voltage. Due to the high 1.6-MHz switching frequency of the charge pumps, inexpensive and small 220-nF capacitors can be used.
Additionally, the TPS6514x series has a system power good output to indicate when all supply rails are acceptable. For LCD panels powered by 5 V the device has a linear regulator controller using an external transistor to provide a regulated 3.3-V output for the digital circuits. For maximum safety, the TPS65140 and TPS65145 goes into shutdown as soon as one of the outputs is out of regulation. The device can be enabled again by toggling the input or the enable (EN) pin to GND. The TPS65141 does not enter shutdown when one of its outputs is below its power good threshold.
The TPS6514x series offers a compact and small power supply solution to provide all three voltages required by thin film transistor (TFT) LCD displays. The auxiliary linear regulator controller can be used to generate a 3.3-V logic power rail for systems powered by a 5-V supply rail only.
The main output VO1is a 1.6-MHz fixed frequency PWM boost converter providing the source drive voltage for the LCD display. The device is available in two versions with different internal switch current limits to allow the use of a smaller external inductor when lower output power is required. The TPS65140 and TPS65141 has a typical switch current limit of 2.3 A and the TPS65145 has a typical switch current limit of 1.37 A. A fully integrated adjustable charge pump doubler or tripler provides the positive LCD gate drive voltage. An externally adjustable negative charge pump provides the negative gate drive voltage. Due to the high 1.6-MHz switching frequency of the charge pumps, inexpensive and small 220-nF capacitors can be used.
Additionally, the TPS6514x series has a system power good output to indicate when all supply rails are acceptable. For LCD panels powered by 5 V the device has a linear regulator controller using an external transistor to provide a regulated 3.3-V output for the digital circuits. For maximum safety, the TPS65140 and TPS65145 goes into shutdown as soon as one of the outputs is out of regulation. The device can be enabled again by toggling the input or the enable (EN) pin to GND. The TPS65141 does not enter shutdown when one of its outputs is below its power good threshold. |
| Integrated Circuits (ICs) | 1 | Active | ||
TPS651484-CH LCD Bias w/ GPM, VCOM, Reset, LCD Discharge, HVS, Ext. Isolation Switch & LDO for Gamma | Integrated Circuits (ICs) | 2 | Active | The TPS65148 offers a compact power supply solution designed to supply the LCD bias voltages required by TFT (Thin Film Transistor) LCD panels running from a typical 5 V supply rail. The device integrates a high power step-up converter for VS(Source Driver voltage), an accurate voltage rail using an integrated LDO to supply the Gamma Buffer (VREG_O) and a Vcom buffer driving the LCD backplane. In addition to that, a gate voltage shaping block is integrated. The VGHsignal (Gate Driver High voltage) supplied by an external positive charge pump, is modulated into VGHMwith high flexibility by using a logic input VFLK and an external discharge resistor connected to the RE pin. Also, an external negative charge pump can be set using the boost converter of the TPS65148 to generate VGL(Gate Driver Low voltage). The integrated reset function together with the LCD discharge function available in the TPS65148 provide the signals enabling the discharge of the LCD TFT pixels when powering-off. The device includes safety features like overcurrent protection (OCP) and short-circuit protection (SCP) achieved by an external input-to-output isolation switch, as well as overvoltage protection (OVP) and thermal shutdown.
The TPS65148 offers a compact power supply solution designed to supply the LCD bias voltages required by TFT (Thin Film Transistor) LCD panels running from a typical 5 V supply rail. The device integrates a high power step-up converter for VS(Source Driver voltage), an accurate voltage rail using an integrated LDO to supply the Gamma Buffer (VREG_O) and a Vcom buffer driving the LCD backplane. In addition to that, a gate voltage shaping block is integrated. The VGHsignal (Gate Driver High voltage) supplied by an external positive charge pump, is modulated into VGHMwith high flexibility by using a logic input VFLK and an external discharge resistor connected to the RE pin. Also, an external negative charge pump can be set using the boost converter of the TPS65148 to generate VGL(Gate Driver Low voltage). The integrated reset function together with the LCD discharge function available in the TPS65148 provide the signals enabling the discharge of the LCD TFT pixels when powering-off. The device includes safety features like overcurrent protection (OCP) and short-circuit protection (SCP) achieved by an external input-to-output isolation switch, as well as overvoltage protection (OVP) and thermal shutdown. |
TPS65149LCD Bias Solution For LCD Panels Using ASG/GIP Technology | Integrated Circuits (ICs) | 1 | Active | LCD Bias Solution For LCD Panels Using ASG/GIP Technology |
TPS65150Automotive, compact LCD bias Power Supply with integrated VCOM Buffer | Evaluation Boards | 8 | Active | The TPS65150 device offers a very compact and small power supply solution that provides all three voltages required by thin film transistor (TFT) LCD displays. With an input voltage range of 1.8 V to 6 V the device is ideal for notebooks powered by a 2.5-V or 3.3-V input rail or monitor applications with a 5-V input voltage rail. Additionally the TPS65150 device provides an integrated high current buffer to provide the VCOM voltage for the TFT backplane.
Two regulated adjustable charge pump driver provide the positive V(VGH)and negative V(VGL)bias voltages for the TFT. The device incorporates adjustable power-on sequencing for V(VGL)as well as for V(VGH). This avoids any additional external components to implement application specific sequencing. The device has an integrated high-voltage switch to isolate V(VGH).
The same internal circuit can also be used to provide a gate shaping signal of V(VGH)for the LCD panel controlled by the signal applied to the CTRL input. For highest safety, the TPS65150 device has an integrated adjustable shutdown latch feature, which allows application-specific flexibility. The device monitors the outputs (V(VS), V(VGL), V(VGH)); and, as soon as one of the outputs falls below its power good threshold, the device enters shutdown latch, after its adjustable delay time has passed by.
The TPS65150 device offers a very compact and small power supply solution that provides all three voltages required by thin film transistor (TFT) LCD displays. With an input voltage range of 1.8 V to 6 V the device is ideal for notebooks powered by a 2.5-V or 3.3-V input rail or monitor applications with a 5-V input voltage rail. Additionally the TPS65150 device provides an integrated high current buffer to provide the VCOM voltage for the TFT backplane.
Two regulated adjustable charge pump driver provide the positive V(VGH)and negative V(VGL)bias voltages for the TFT. The device incorporates adjustable power-on sequencing for V(VGL)as well as for V(VGH). This avoids any additional external components to implement application specific sequencing. The device has an integrated high-voltage switch to isolate V(VGH).
The same internal circuit can also be used to provide a gate shaping signal of V(VGH)for the LCD panel controlled by the signal applied to the CTRL input. For highest safety, the TPS65150 device has an integrated adjustable shutdown latch feature, which allows application-specific flexibility. The device monitors the outputs (V(VS), V(VGL), V(VGH)); and, as soon as one of the outputs falls below its power good threshold, the device enters shutdown latch, after its adjustable delay time has passed by. |
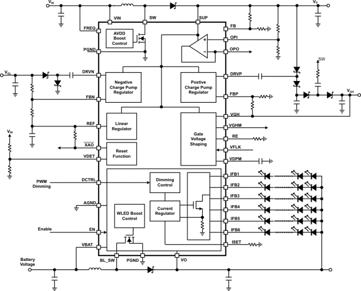
TPS65154LCD Bias IC with Integrated WLED Driver | Integrated Circuits (ICs) | 1 | Active | The TPS65154 is a compact LCD bias solution primarily intended for use in Notebook and Tablet PCs. The device comprises two boost converters to supply the LCD panel’s source driver and gate driver; a linear regulator to supply the system's logic voltage; a programmable VCOMwith high-speed amplifier; and a gate voltage shaping function; and a 6-channel WLED driver.
The TPS65154 is a compact LCD bias solution primarily intended for use in Notebook and Tablet PCs. The device comprises two boost converters to supply the LCD panel’s source driver and gate driver; a linear regulator to supply the system's logic voltage; a programmable VCOMwith high-speed amplifier; and a gate voltage shaping function; and a 6-channel WLED driver. |
TPS65155LCD Bias Solution with Level Shifters for GOA Panels | Integrated Circuits (ICs) | 1 | LTB | The TPS65155 provides an integrated bias and level shifter solution for LCD monitors .
The device integrates a boost converter to generate the source driver supply voltage (VAVDD), positive and negative charge pump controllers to generate gate driver ON (VGH) and OFF (VGL) voltages, and an 6-channel level shifter in a single IC. The positive charge pump controller supports temperature compensation to reduce VGHat high temperatures.
In addition to the above functions, the TPS65155 generates an additional active-lowXAOreset output.
Supply sequencing during power-up can be controlled by an externally generated enable signal.
To request a full data sheet or other design resources:request TPS65155
The TPS65155 provides an integrated bias and level shifter solution for LCD monitors .
The device integrates a boost converter to generate the source driver supply voltage (VAVDD), positive and negative charge pump controllers to generate gate driver ON (VGH) and OFF (VGL) voltages, and an 6-channel level shifter in a single IC. The positive charge pump controller supports temperature compensation to reduce VGHat high temperatures.
In addition to the above functions, the TPS65155 generates an additional active-lowXAOreset output.
Supply sequencing during power-up can be controlled by an externally generated enable signal.
To request a full data sheet or other design resources:request TPS65155 |
TPS651604-CH LCD Bias (2.8A Min. Boost Ilim. Up to 17.5V, 2A Min. Buck Ilim) | Special Purpose Regulators | 4 | Active | The TPS65160 offers a compact power supply solution to provide all four voltages required by thin-film transistor (TFT) LCD panel. With its high current capabilities, the device is ideal for large screen monitor panels and LCD TV applications.
The device can be powered directly from a 12-V input voltage generating the bias voltages VGH and VGL, as well as the source voltage VSand logic voltage for the LCD panels. The device consists of a boost converter to provide the source voltage VSand a step-down converter to provide the logic voltage for the system. A positive and a negative charge-pump driver provide adjustable regulated output voltages VGL and VGH to bias the TFT. Both boost and step-down converters, as well as the charge-pump driver, operate with a fixed switching frequency of 500 kHz or 750 kHz, selectable by the FREQ pin. The TPS65160 includes adjustable power-on sequencing. The device includes safety features like overvoltage protection of the boost converter and short-circuit protection of the buck converter, as well as thermal shutdown. Additionally, the device incorporates a gate drive signal to control an isolation MOSFET switch in series with VSor VGH. See the application circuits at the end of this data sheet.
The TPS65160 offers a compact power supply solution to provide all four voltages required by thin-film transistor (TFT) LCD panel. With its high current capabilities, the device is ideal for large screen monitor panels and LCD TV applications.
The device can be powered directly from a 12-V input voltage generating the bias voltages VGH and VGL, as well as the source voltage VSand logic voltage for the LCD panels. The device consists of a boost converter to provide the source voltage VSand a step-down converter to provide the logic voltage for the system. A positive and a negative charge-pump driver provide adjustable regulated output voltages VGL and VGH to bias the TFT. Both boost and step-down converters, as well as the charge-pump driver, operate with a fixed switching frequency of 500 kHz or 750 kHz, selectable by the FREQ pin. The TPS65160 includes adjustable power-on sequencing. The device includes safety features like overvoltage protection of the boost converter and short-circuit protection of the buck converter, as well as thermal shutdown. Additionally, the device incorporates a gate drive signal to control an isolation MOSFET switch in series with VSor VGH. See the application circuits at the end of this data sheet. |