| Integrated Circuits (ICs) | 4 | Obsolete | |
| Development Boards, Kits, Programmers | 42 | Active | |
| Voltage Regulators - DC DC Switching Regulators | 1 | Active | |
| Evaluation Boards | 1 | Active | |
TPS622314Automotive 2V to 6V, 500mA Buck Converter with 1.5V Fixed Output Voltage in 1x1.5mm SON Package | Voltage Regulators - DC DC Switching Regulators | 1 | Active | The TPS6223x-Q1 device family is a high-frequency, synchronous step-down DC-DC converter ideal for space-optimized automotive and industrial applications. The device supports up to 500-mA output current and allows the use of tiny and low-cost chip inductors and capacitors.
With a wide input-voltage range of 2.05 V to 6 V, the device can be powered by a preregulated voltage rail or Li-Ion batteries with extended voltage range. Two different fixed-output voltage versions are available at 1.5 V and 1.8 V.
The TPS6223x-Q1 series features switch frequency up to 3.8 MHz. At medium to heavy loads, the converter operates in PWM mode and automatically enters Power Save Mode operation at light load currents to maintain high efficiency over the entire load current range.
Because of its excellent PSRR and AC load regulation performance, the device is also suitable to replace linear regulators to obtain better power conversion efficiency.
The Power Save Mode in TPS6223x-Q1 reduces the quiescent current consumption down to 22 µA during light load operation. It is optimized to achieve very low output voltage ripple even with small external component and features excellent AC load regulation.
For noise-sensitive applications, the device can be forced to PWM Mode operation over the entire load range by pulling the MODE pin high. In the shutdown mode, the current consumption is reduced to less than 1 µA. The TPS6223x-Q1 is available in a 1-mm × 1.5-mm26-pin SON package.
The TPS6223x-Q1 device family is a high-frequency, synchronous step-down DC-DC converter ideal for space-optimized automotive and industrial applications. The device supports up to 500-mA output current and allows the use of tiny and low-cost chip inductors and capacitors.
With a wide input-voltage range of 2.05 V to 6 V, the device can be powered by a preregulated voltage rail or Li-Ion batteries with extended voltage range. Two different fixed-output voltage versions are available at 1.5 V and 1.8 V.
The TPS6223x-Q1 series features switch frequency up to 3.8 MHz. At medium to heavy loads, the converter operates in PWM mode and automatically enters Power Save Mode operation at light load currents to maintain high efficiency over the entire load current range.
Because of its excellent PSRR and AC load regulation performance, the device is also suitable to replace linear regulators to obtain better power conversion efficiency.
The Power Save Mode in TPS6223x-Q1 reduces the quiescent current consumption down to 22 µA during light load operation. It is optimized to achieve very low output voltage ripple even with small external component and features excellent AC load regulation.
For noise-sensitive applications, the device can be forced to PWM Mode operation over the entire load range by pulling the MODE pin high. In the shutdown mode, the current consumption is reduced to less than 1 µA. The TPS6223x-Q1 is available in a 1-mm × 1.5-mm26-pin SON package. |
| Development Boards, Kits, Programmers | 1 | Active | |
| Evaluation Boards | 1 | Active | |
| Integrated Circuits (ICs) | 7 | Active | |
| Power Management (PMIC) | 4 | Active | |
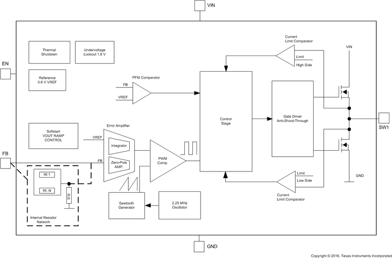
TPS622431.8V / 300mA Step-Down Converter in 2x2mm SON/TSOT23 Package | Voltage Regulators - DC DC Switching Regulators | 3 | Active | The TPS6224x device is a highly efficient synchronous step-down DC-DC converter. The device provides up to 300-mA output current from a single Li-Ion cell and is ideal for battery powered portable applications like mobile phones and other portable equipment.
With an wide input voltage range of 2 V to 6 V, the device also supports two- and three-cell alkaline, 3.3-V and 5-V input voltage rails.
The TPS6224x operates at 2.25-MHz fixed switching frequency and enters power save mode operation at light load currents to maintain high efficiency over the entire load current range.
The power save mode is optimized for low output voltage ripple. For low-noise applications, the device can be forced into fixed-frequency pulse width modulation (PWM) mode by pulling the MODE pin high. In shutdown mode, the current consumption is reduced to less than 1 µA. The TPS6224x allows the use of small inductors and capacitors to achieve a small solution size.
The TPS6224x operates over a free-air temperature range of –40°C to 85°C. The device is available in a 5-pin SOT and a 6-pin 2-mm × 2-mm WSON package.
The TPS6224x device is a highly efficient synchronous step-down DC-DC converter. The device provides up to 300-mA output current from a single Li-Ion cell and is ideal for battery powered portable applications like mobile phones and other portable equipment.
With an wide input voltage range of 2 V to 6 V, the device also supports two- and three-cell alkaline, 3.3-V and 5-V input voltage rails.
The TPS6224x operates at 2.25-MHz fixed switching frequency and enters power save mode operation at light load currents to maintain high efficiency over the entire load current range.
The power save mode is optimized for low output voltage ripple. For low-noise applications, the device can be forced into fixed-frequency pulse width modulation (PWM) mode by pulling the MODE pin high. In shutdown mode, the current consumption is reduced to less than 1 µA. The TPS6224x allows the use of small inductors and capacitors to achieve a small solution size.
The TPS6224x operates over a free-air temperature range of –40°C to 85°C. The device is available in a 5-pin SOT and a 6-pin 2-mm × 2-mm WSON package. |