T
Texas Instruments
| Series | Category | # Parts | Status | Description |
|---|---|---|---|---|
| Part | Spec A | Spec B | Spec C | Spec D | Description |
|---|---|---|---|---|---|
| Series | Category | # Parts | Status | Description |
|---|---|---|---|---|
| Part | Spec A | Spec B | Spec C | Spec D | Description |
|---|---|---|---|---|---|
| Part | Category | Description |
|---|---|---|
Texas Instruments BQ2002CSNTRG4Unknown | Integrated Circuits (ICs) | LINEAR BATTERY CHARGER NICD/NIMH 2000MA 0V TO 6V 8-PIN SOIC T/R |
Texas Instruments LM3676SDX-3.3Obsolete | Integrated Circuits (ICs) | IC REG BUCK 3.3V 600MA 8WSON |
Texas Instruments | Integrated Circuits (ICs) | TMX320DRE311 179PIN UBGA 200MHZ |
Texas Instruments UCC3580N-1G4Obsolete | Integrated Circuits (ICs) | IC REG CTRLR FWRD CONV 16DIP |
Texas Instruments LM2831YMF EVALObsolete | Development Boards Kits Programmers | EVAL BOARD FOR LM2831 |
Texas Instruments | Integrated Circuits (ICs) | BUFFER/LINE DRIVER 8-CH NON-INVERTING 3-ST CMOS 20-PIN SSOP T/R |
Texas Instruments | Integrated Circuits (ICs) | ANALOG OTHER PERIPHERALS |
Texas Instruments | Integrated Circuits (ICs) | RADIATION-HARDENED, QMLP 60V HAL |
Texas Instruments SN75LVDS051DRObsolete | Integrated Circuits (ICs) | IC TRANSCEIVER FULL 2/2 16SOIC |
Texas Instruments | Integrated Circuits (ICs) | AUTOMOTIVE OCTAL D-TYPE FLIP-FLO |
| Series | Category | # Parts | Status | Description |
|---|---|---|---|---|
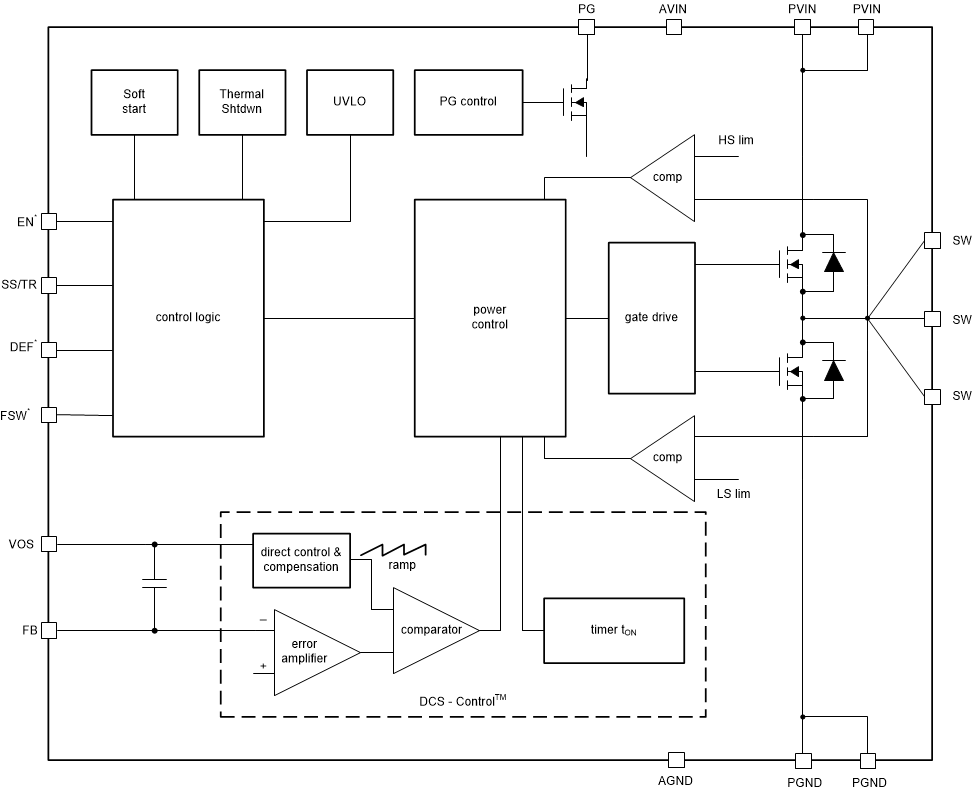
TPS621403–17V 2A Step-Down Converter with DCS-Control in 3x3 QFN package | Development Boards, Kits, Programmers | 4 | Active | The TPS6214x family is an easy-to-use synchronous step-down DC-DC converter optimized for applications with high power density. A high switching frequency of typically 2.5 MHz allows the use of small inductors and provides fast transient response by use of the DCS-Control topology.
With their wide operating input voltage range of 3 V to 17 V, the devices are ideally suited for systems powered from either a Li-Ion or other batteries, as well as from 12-V intermediate power rails. It supports up to 2 A of continuous output current at output voltages between 0.9 V and 6 V (with 100% duty-cycle mode). The output voltage start-up ramp is controlled by the soft-start pin, which allows operation as either a standalone power supply or in tracking configurations. Power sequencing is also possible by configuring the Enable (EN) and open-drain Power Good (PG) pins.
In power save mode, the devices draw quiescent current of about 17 µA from VIN. Power Save Mode, entered automatically and seamlessly if the load is small, maintains high efficiency over the entire load range. In Shutdown Mode, the device is turned off and current consumption is less than 2 µA.
The device, available in adjustable and fixed output voltage versions, is packaged in a 16-pin VQFN package measuring 3 mm × 3 mm (RGT).
The TPS6214x family is an easy-to-use synchronous step-down DC-DC converter optimized for applications with high power density. A high switching frequency of typically 2.5 MHz allows the use of small inductors and provides fast transient response by use of the DCS-Control topology.
With their wide operating input voltage range of 3 V to 17 V, the devices are ideally suited for systems powered from either a Li-Ion or other batteries, as well as from 12-V intermediate power rails. It supports up to 2 A of continuous output current at output voltages between 0.9 V and 6 V (with 100% duty-cycle mode). The output voltage start-up ramp is controlled by the soft-start pin, which allows operation as either a standalone power supply or in tracking configurations. Power sequencing is also possible by configuring the Enable (EN) and open-drain Power Good (PG) pins.
In power save mode, the devices draw quiescent current of about 17 µA from VIN. Power Save Mode, entered automatically and seamlessly if the load is small, maintains high efficiency over the entire load range. In Shutdown Mode, the device is turned off and current consumption is less than 2 µA.
The device, available in adjustable and fixed output voltage versions, is packaged in a 16-pin VQFN package measuring 3 mm × 3 mm (RGT). |
| Power Management (PMIC) | 2 | Active | ||
TPS621423–17V 2A Step-Down Converter in 3x3 QFN package | Voltage Regulators - DC DC Switching Regulators | 2 | Active | The TPS6214x family is an easy-to-use synchronous step-down DC-DC converter optimized for applications with high power density. A high switching frequency of typically 2.5 MHz allows the use of small inductors and provides fast transient response by use of the DCS-Control topology.
With their wide operating input voltage range of 3 V to 17 V, the devices are ideally suited for systems powered from either a Li-Ion or other batteries, as well as from 12-V intermediate power rails. It supports up to 2 A of continuous output current at output voltages between 0.9 V and 6 V (with 100% duty-cycle mode). The output voltage start-up ramp is controlled by the soft-start pin, which allows operation as either a standalone power supply or in tracking configurations. Power sequencing is also possible by configuring the Enable (EN) and open-drain Power Good (PG) pins.
In power save mode, the devices draw quiescent current of about 17 µA from VIN. Power Save Mode, entered automatically and seamlessly if the load is small, maintains high efficiency over the entire load range. In Shutdown Mode, the device is turned off and current consumption is less than 2 µA.
The device, available in adjustable and fixed output voltage versions, is packaged in a 16-pin VQFN package measuring 3 mm × 3 mm (RGT).
The TPS6214x family is an easy-to-use synchronous step-down DC-DC converter optimized for applications with high power density. A high switching frequency of typically 2.5 MHz allows the use of small inductors and provides fast transient response by use of the DCS-Control topology.
With their wide operating input voltage range of 3 V to 17 V, the devices are ideally suited for systems powered from either a Li-Ion or other batteries, as well as from 12-V intermediate power rails. It supports up to 2 A of continuous output current at output voltages between 0.9 V and 6 V (with 100% duty-cycle mode). The output voltage start-up ramp is controlled by the soft-start pin, which allows operation as either a standalone power supply or in tracking configurations. Power sequencing is also possible by configuring the Enable (EN) and open-drain Power Good (PG) pins.
In power save mode, the devices draw quiescent current of about 17 µA from VIN. Power Save Mode, entered automatically and seamlessly if the load is small, maintains high efficiency over the entire load range. In Shutdown Mode, the device is turned off and current consumption is less than 2 µA.
The device, available in adjustable and fixed output voltage versions, is packaged in a 16-pin VQFN package measuring 3 mm × 3 mm (RGT). |
TPS621433–17V 2A Step-Down Converter in 3x3 QFN package | Power Management (PMIC) | 2 | Active | The TPS6214x family is an easy-to-use synchronous step-down DC-DC converter optimized for applications with high power density. A high switching frequency of typically 2.5 MHz allows the use of small inductors and provides fast transient response by use of the DCS-Control topology.
With their wide operating input voltage range of 3 V to 17 V, the devices are ideally suited for systems powered from either a Li-Ion or other batteries, as well as from 12-V intermediate power rails. It supports up to 2 A of continuous output current at output voltages between 0.9 V and 6 V (with 100% duty-cycle mode). The output voltage start-up ramp is controlled by the soft-start pin, which allows operation as either a standalone power supply or in tracking configurations. Power sequencing is also possible by configuring the Enable (EN) and open-drain Power Good (PG) pins.
In power save mode, the devices draw quiescent current of about 17 µA from VIN. Power Save Mode, entered automatically and seamlessly if the load is small, maintains high efficiency over the entire load range. In Shutdown Mode, the device is turned off and current consumption is less than 2 µA.
The device, available in adjustable and fixed output voltage versions, is packaged in a 16-pin VQFN package measuring 3 mm × 3 mm (RGT).
The TPS6214x family is an easy-to-use synchronous step-down DC-DC converter optimized for applications with high power density. A high switching frequency of typically 2.5 MHz allows the use of small inductors and provides fast transient response by use of the DCS-Control topology.
With their wide operating input voltage range of 3 V to 17 V, the devices are ideally suited for systems powered from either a Li-Ion or other batteries, as well as from 12-V intermediate power rails. It supports up to 2 A of continuous output current at output voltages between 0.9 V and 6 V (with 100% duty-cycle mode). The output voltage start-up ramp is controlled by the soft-start pin, which allows operation as either a standalone power supply or in tracking configurations. Power sequencing is also possible by configuring the Enable (EN) and open-drain Power Good (PG) pins.
In power save mode, the devices draw quiescent current of about 17 µA from VIN. Power Save Mode, entered automatically and seamlessly if the load is small, maintains high efficiency over the entire load range. In Shutdown Mode, the device is turned off and current consumption is less than 2 µA.
The device, available in adjustable and fixed output voltage versions, is packaged in a 16-pin VQFN package measuring 3 mm × 3 mm (RGT). |
TPS621473-17V 2.0A Step-Down Converter with 1% accuracy and PFM/Forced-PWM in 2x3QFN | Power Management (PMIC) | 2 | Active | The TPS62147 and TPS62148 are high efficiency and easy-to-use synchronous step-down DC/DC converters, based on the DCS-Control Topology. The wide input voltage range of 3-V to 17-V make the devices suitable for multi-cell Li-Ion as well as 12-V intermediate supply rails. The devices provide 2-A continuous output current. The devices automatically enter Power Save Mode at light loads to maintain high efficiency across the whole load range. With that, the devices are well suited for applications that require connected standby performance, like industrial PC and video surveillance. With the MODE pin set to low, the switching frequency is adapted automatically based on the output current and also on input and output voltage. This technique is called Automatic Efficiency Enhancement (AEE) and maintains high conversion efficiency over the whole operation range. TPS62147, TPS62148 provide a 1% output voltage accuracy in PWM mode and therefore enable the design of a power supply with high output voltage accuracy. The FSEL pin allows to set a switching frequency in forced PWM mode of 1.25 MHz or 2.5 MHz, respectively.
The typical quiescent current is 18 µA. In shutdown mode, the current is typically 1 µA.
The devices are available as an adjustable version, packaged in a 3-mm × 2-mm VQFN package.
The TPS62147 and TPS62148 are high efficiency and easy-to-use synchronous step-down DC/DC converters, based on the DCS-Control Topology. The wide input voltage range of 3-V to 17-V make the devices suitable for multi-cell Li-Ion as well as 12-V intermediate supply rails. The devices provide 2-A continuous output current. The devices automatically enter Power Save Mode at light loads to maintain high efficiency across the whole load range. With that, the devices are well suited for applications that require connected standby performance, like industrial PC and video surveillance. With the MODE pin set to low, the switching frequency is adapted automatically based on the output current and also on input and output voltage. This technique is called Automatic Efficiency Enhancement (AEE) and maintains high conversion efficiency over the whole operation range. TPS62147, TPS62148 provide a 1% output voltage accuracy in PWM mode and therefore enable the design of a power supply with high output voltage accuracy. The FSEL pin allows to set a switching frequency in forced PWM mode of 1.25 MHz or 2.5 MHz, respectively.
The typical quiescent current is 18 µA. In shutdown mode, the current is typically 1 µA.
The devices are available as an adjustable version, packaged in a 3-mm × 2-mm VQFN package. |
TPS621483-17V 2.0A Step-Down Converter with 1% accuracy and PFM/Forced-PWM in 2x3QFN | Power Management (PMIC) | 3 | Active | The TPS62147 and TPS62148 are high efficiency and easy-to-use synchronous step-down DC/DC converters, based on the DCS-Control Topology. The wide input voltage range of 3-V to 17-V make the devices suitable for multi-cell Li-Ion as well as 12-V intermediate supply rails. The devices provide 2-A continuous output current. The devices automatically enter Power Save Mode at light loads to maintain high efficiency across the whole load range. With that, the devices are well suited for applications that require connected standby performance, like industrial PC and video surveillance. With the MODE pin set to low, the switching frequency is adapted automatically based on the output current and also on input and output voltage. This technique is called Automatic Efficiency Enhancement (AEE) and maintains high conversion efficiency over the whole operation range. TPS62147, TPS62148 provide a 1% output voltage accuracy in PWM mode and therefore enable the design of a power supply with high output voltage accuracy. The FSEL pin allows to set a switching frequency in forced PWM mode of 1.25 MHz or 2.5 MHz, respectively.
The typical quiescent current is 18 µA. In shutdown mode, the current is typically 1 µA.
The devices are available as an adjustable version, packaged in a 3-mm × 2-mm VQFN package.
The TPS62147 and TPS62148 are high efficiency and easy-to-use synchronous step-down DC/DC converters, based on the DCS-Control Topology. The wide input voltage range of 3-V to 17-V make the devices suitable for multi-cell Li-Ion as well as 12-V intermediate supply rails. The devices provide 2-A continuous output current. The devices automatically enter Power Save Mode at light loads to maintain high efficiency across the whole load range. With that, the devices are well suited for applications that require connected standby performance, like industrial PC and video surveillance. With the MODE pin set to low, the switching frequency is adapted automatically based on the output current and also on input and output voltage. This technique is called Automatic Efficiency Enhancement (AEE) and maintains high conversion efficiency over the whole operation range. TPS62147, TPS62148 provide a 1% output voltage accuracy in PWM mode and therefore enable the design of a power supply with high output voltage accuracy. The FSEL pin allows to set a switching frequency in forced PWM mode of 1.25 MHz or 2.5 MHz, respectively.
The typical quiescent current is 18 µA. In shutdown mode, the current is typically 1 µA.
The devices are available as an adjustable version, packaged in a 3-mm × 2-mm VQFN package. |
TPS62150TPS62150A-Q1 3 to 17-V 1-A AUTOMOTIVE Step-Down Converter in 3 × 3 QFN Package | Development Boards, Kits, Programmers | 8 | Active | The TPS6215x family is an easy-to-use synchronous step down dc-dc converter optimized for applications with high power density. A high switching frequency of typically 2.5 MHz allows the use of small inductors and provides fast transient response as well as high output-voltage accuracy by the use of DCS-Control topology.
With their wide operating input-voltage range of 3 V to 17 V, the devices are ideally suited for systems powered from either Li-Ion or other batteries as well as from 12-V intermediate power rails. The devices support up to 1-A continuous output current at output voltages between 0.9 V and 6 V (in 100% duty-cycle mode). The soft-start pin controls the output-voltage start-up ramp, which allows operation as either a standalone power supply or in tracking configurations. Power sequencing is also possible by configuring the enable (EN) and open-drain power-good (PG) pins.
In power-save mode, the devices draw quiescent current of about 17 µA from VIN. Power-save-mode, entered automatically and seamlessly if the load is small, maintains high efficiency over the entire load range. In shutdown mode, the device turns off and current consumption is less than 2 µA.
The device, available in adjustable- and fixed-output-voltage versions, comes in a 16-pin VQFN package measuring 3 × 3 mm (RGT).
The TPS6215x family is an easy-to-use synchronous step down dc-dc converter optimized for applications with high power density. A high switching frequency of typically 2.5 MHz allows the use of small inductors and provides fast transient response as well as high output-voltage accuracy by the use of DCS-Control topology.
With their wide operating input-voltage range of 3 V to 17 V, the devices are ideally suited for systems powered from either Li-Ion or other batteries as well as from 12-V intermediate power rails. The devices support up to 1-A continuous output current at output voltages between 0.9 V and 6 V (in 100% duty-cycle mode). The soft-start pin controls the output-voltage start-up ramp, which allows operation as either a standalone power supply or in tracking configurations. Power sequencing is also possible by configuring the enable (EN) and open-drain power-good (PG) pins.
In power-save mode, the devices draw quiescent current of about 17 µA from VIN. Power-save-mode, entered automatically and seamlessly if the load is small, maintains high efficiency over the entire load range. In shutdown mode, the device turns off and current consumption is less than 2 µA.
The device, available in adjustable- and fixed-output-voltage versions, comes in a 16-pin VQFN package measuring 3 × 3 mm (RGT). |
| Integrated Circuits (ICs) | 2 | Active | ||
TPS62152Automotive 3V to 17V, 1A Buck Converter in 3x3 QFN package | Integrated Circuits (ICs) | 4 | Active | The TPS6215x family is an easy-to-use synchronous step down dc-dc converter optimized for applications with high power density. A high switching frequency of typically 2.5 MHz allows the use of small inductors and provides fast transient response as well as high output-voltage accuracy by the use of DCS-Control topology.
With their wide operating input-voltage range of 3 V to 17 V, the devices are ideally suited for systems powered from either Li-Ion or other batteries as well as from 12-V intermediate power rails. The devices support up to 1-A continuous output current at output voltages between 0.9 V and 6 V (in 100% duty-cycle mode). The soft-start pin controls the output-voltage start-up ramp, which allows operation as either a standalone power supply or in tracking configurations. Power sequencing is also possible by configuring the enable (EN) and open-drain power-good (PG) pins.
In power-save mode, the devices draw quiescent current of about 17 µA from VIN. Power-save-mode, entered automatically and seamlessly if the load is small, maintains high efficiency over the entire load range. In shutdown mode, the device turns off and current consumption is less than 2 µA.
The device, available in adjustable- and fixed-output-voltage versions, comes in a 16-pin VQFN package measuring 3 × 3 mm (RGT).
The TPS6215x family is an easy-to-use synchronous step down dc-dc converter optimized for applications with high power density. A high switching frequency of typically 2.5 MHz allows the use of small inductors and provides fast transient response as well as high output-voltage accuracy by the use of DCS-Control topology.
With their wide operating input-voltage range of 3 V to 17 V, the devices are ideally suited for systems powered from either Li-Ion or other batteries as well as from 12-V intermediate power rails. The devices support up to 1-A continuous output current at output voltages between 0.9 V and 6 V (in 100% duty-cycle mode). The soft-start pin controls the output-voltage start-up ramp, which allows operation as either a standalone power supply or in tracking configurations. Power sequencing is also possible by configuring the enable (EN) and open-drain power-good (PG) pins.
In power-save mode, the devices draw quiescent current of about 17 µA from VIN. Power-save-mode, entered automatically and seamlessly if the load is small, maintains high efficiency over the entire load range. In shutdown mode, the device turns off and current consumption is less than 2 µA.
The device, available in adjustable- and fixed-output-voltage versions, comes in a 16-pin VQFN package measuring 3 × 3 mm (RGT). |
TPS621533–17V 1A Step-Down Converter in 3x3 QFN package | Voltage Regulators - DC DC Switching Regulators | 4 | Active | The TPS62150A-Q1 device is an easy-to-use synchronous step-down DC-DC converter optimized for applications with high power density. A high switching frequency of typically 2.5 MHz allows the use of small inductors and provides fast transient response as well as high output-voltage accuracy through the use of the DCS-Control™ topology.
With a wide operating input-voltage range of 3 to 17 V, the device is ideally suited for systems powered from intermediate bus power rails. The device supports up to 1A continuous output current at output voltages between 0.9 V and 6 V (with 100% duty cycle mode).
The output-voltage startup ramp is controlled by the soft-start pin, which allows operation as either a standalone power supply or in tracking configurations. Power sequencing is also possible by configuring the enable and open-drain power-good pins.
In power save mode, the device shows quiescent current of about 17 µA from VIN. Power save mode which is entered automatically and seamlessly if the load is small, maintains high efficiency over the entire load range. In shutdown mode, the device is turned off and shutdown current consumption is less than 2 µA. The device is packaged in a 16-pin VQFN package measuring 3 × 3 mm (RGT).
The TPS62150A-Q1 device is an easy-to-use synchronous step-down DC-DC converter optimized for applications with high power density. A high switching frequency of typically 2.5 MHz allows the use of small inductors and provides fast transient response as well as high output-voltage accuracy through the use of the DCS-Control™ topology.
With a wide operating input-voltage range of 3 to 17 V, the device is ideally suited for systems powered from intermediate bus power rails. The device supports up to 1A continuous output current at output voltages between 0.9 V and 6 V (with 100% duty cycle mode).
The output-voltage startup ramp is controlled by the soft-start pin, which allows operation as either a standalone power supply or in tracking configurations. Power sequencing is also possible by configuring the enable and open-drain power-good pins.
In power save mode, the device shows quiescent current of about 17 µA from VIN. Power save mode which is entered automatically and seamlessly if the load is small, maintains high efficiency over the entire load range. In shutdown mode, the device is turned off and shutdown current consumption is less than 2 µA. The device is packaged in a 16-pin VQFN package measuring 3 × 3 mm (RGT). |