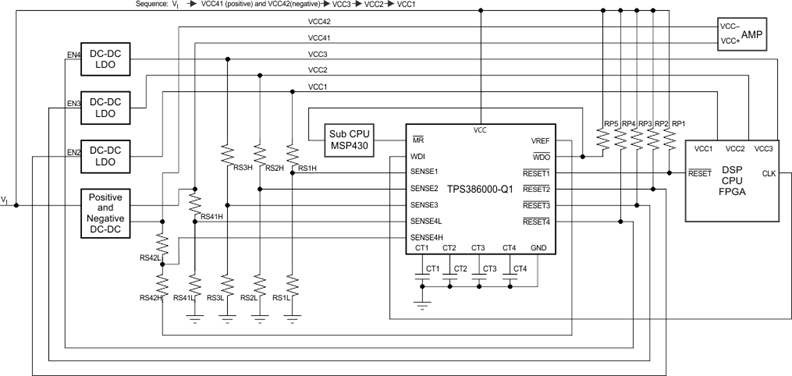
TPS386000Automotive, quad-supply voltage supervisors with programmable delay & watchdog timer | Integrated Circuits (ICs) | 4 | Active | The TPS3860x0 family of supply voltage supervisors (SVSs) can monitor four power rails that are greater than 0.4 V and one power rail less than 0.4 V (including negative voltage) with a 0.25% (typical) threshold accuracy. Each of the four supervisory circuits (SVS-n) assert aRESETnor RESETn output signal when the SENSEm input voltage drops below the programmed threshold. With external resistors, the threshold of each SVS-n can be programmed (wheren= 1, 2, 3, 4 andm= 1, 2, 3, 4L, 4H).
Each SVS-n has a programmable delay before releasingRESETnor RESETn. The delay time can be set independently for each SVS from 1.4 ms to 10 s through the CTn pin connection. Only SVS-1 has an active-low manual reset (MR) input; a logic-low input toMRassertsRESET1or RESET1.
SVS-4 monitors the threshold window using two comparators. The extra comparator can be configured as a fifth SVS to monitor negative voltage with voltage reference output VREF.
The TPS3860x0 has a very low quiescent current of 11 µA (typical) and is available in a small, 4-mm x 4-mm, VQFN-20 package.
The TPS3860x0 family of supply voltage supervisors (SVSs) can monitor four power rails that are greater than 0.4 V and one power rail less than 0.4 V (including negative voltage) with a 0.25% (typical) threshold accuracy. Each of the four supervisory circuits (SVS-n) assert aRESETnor RESETn output signal when the SENSEm input voltage drops below the programmed threshold. With external resistors, the threshold of each SVS-n can be programmed (wheren= 1, 2, 3, 4 andm= 1, 2, 3, 4L, 4H).
Each SVS-n has a programmable delay before releasingRESETnor RESETn. The delay time can be set independently for each SVS from 1.4 ms to 10 s through the CTn pin connection. Only SVS-1 has an active-low manual reset (MR) input; a logic-low input toMRassertsRESET1or RESET1.
SVS-4 monitors the threshold window using two comparators. The extra comparator can be configured as a fifth SVS to monitor negative voltage with voltage reference output VREF.
The TPS3860x0 has a very low quiescent current of 11 µA (typical) and is available in a small, 4-mm x 4-mm, VQFN-20 package. |
| Evaluation and Demonstration Boards and Kits | 3 | Active | |
TPS386596Quad voltage supervisor with manual reset Input | Supervisors | 2 | Active | The TPS386596 device monitors four power rails and asserts theRESETsignal when any of the SENSE inputs drop below the respective thresholds. SVS-1 can be used to monitor a 3.3-V nominal power supply with no external components required. SVS-2, SVS-3, and SVS-4 are adjustable using external resistors and can be used to monitor any power-supply voltage higher than 0.4 V. All SENSE inputs have a threshold accuracy of 0.25% (typical). The TPS386596L33 also has an active-low manual reset (MR) that can assert theRESETsignal as desired by the application. The open-drain, active-lowRESEToutput deasserts after a fixed 50-ms delay.
The TPS386596 has a low quiescent current of 7 µA (typical) and is available in a space-saving, 8-pin MSOP package.
The TPS386596 device monitors four power rails and asserts theRESETsignal when any of the SENSE inputs drop below the respective thresholds. SVS-1 can be used to monitor a 3.3-V nominal power supply with no external components required. SVS-2, SVS-3, and SVS-4 are adjustable using external resistors and can be used to monitor any power-supply voltage higher than 0.4 V. All SENSE inputs have a threshold accuracy of 0.25% (typical). The TPS386596L33 also has an active-low manual reset (MR) that can assert theRESETsignal as desired by the application. The open-drain, active-lowRESEToutput deasserts after a fixed 50-ms delay.
The TPS386596 has a low quiescent current of 7 µA (typical) and is available in a space-saving, 8-pin MSOP package. |
| Power Management (PMIC) | 1 | Active | |
| Power Management (PMIC) | 1 | Active | |
TPS38700Power-supply sequencer with I²C support for up to 12 channels | Integrated Circuits (ICs) | 3 | Active | The TPS38700 device is an integrated multichannel voltage sequencer with a window watchdog and I2C programmable in a 24-pin 4mm x 4mm VQFN package.
This multichannel voltage sequencer is designed for systems that require precise power up and/or power down sequencing and can be interfaced with multichannel voltage supervisors. The device defaults to preprogrammed OTP options but the I2C can reprogram the power up and power down sequence, watchdog settings, and sequence timing options if needed.
Flexible and programmable voltage rail sequencing capabilities, low quiescent current, and small footprint allow this device to meet most application requirements. TPS38700 is designed to be used along with monitoring parts like TPS389006/TPS3890008.
The TPS38700 device is an integrated multichannel voltage sequencer with a window watchdog and I2C programmable in a 24-pin 4mm x 4mm VQFN package.
This multichannel voltage sequencer is designed for systems that require precise power up and/or power down sequencing and can be interfaced with multichannel voltage supervisors. The device defaults to preprogrammed OTP options but the I2C can reprogram the power up and power down sequence, watchdog settings, and sequence timing options if needed.
Flexible and programmable voltage rail sequencing capabilities, low quiescent current, and small footprint allow this device to meet most application requirements. TPS38700 is designed to be used along with monitoring parts like TPS389006/TPS3890008. |
TPS38700-Q1Automotive power-supply sequencer with I²C support for up to 12 channels | Power Supply Controllers, Monitors | 2 | Active | The TPS38700-Q1 device is an integrated multichannel voltage sequencer with a window watchdog and I2C programmable in a 24-pin 4mm x 4mm VQFN package.
This multichannel voltage sequencer is designed for systems that require precise power up and/or power down sequencing and can be interfaced with multichannel voltage supervisors. The device defaults to preprogrammed OTP options but the I2C can reprogram the power up and power down sequence, watchdog settings, and sequence timing options if needed.
Flexible and programmable voltage rail sequencing capabilities, low quiescent current, and small footprint allow this device to meet most application requirements. TPS38700 is designed to be used along with monitoring parts like TPS389006/TPS3890008.
The TPS38700-Q1 device is an integrated multichannel voltage sequencer with a window watchdog and I2C programmable in a 24-pin 4mm x 4mm VQFN package.
This multichannel voltage sequencer is designed for systems that require precise power up and/or power down sequencing and can be interfaced with multichannel voltage supervisors. The device defaults to preprogrammed OTP options but the I2C can reprogram the power up and power down sequence, watchdog settings, and sequence timing options if needed.
Flexible and programmable voltage rail sequencing capabilities, low quiescent current, and small footprint allow this device to meet most application requirements. TPS38700 is designed to be used along with monitoring parts like TPS389006/TPS3890008. |
TPS38700S-Q1Automotive power-supply sequencer with I²C support for up to six-channels | Integrated Circuits (ICs) | 1 | Active | The TPS38700S-Q1 device is an integrated multichannel voltage sequencer with a window watchdog and I 2C programmable available in a 24-pin 4 mm x 4 mm VQFN package.
This multichannel voltage sequencer is an excellent choice for systems that require precise power up and/or power down sequencing and can be interfaced with multichannel voltage supervisors. The device defaults to preprogrammed OTP options but the I 2C can reprogram the power up and power down sequence, watchdog settings, and sequence timing options if needed.
Flexible and programmable voltage rail sequencing capabilities, low quiescent current, and small footprint allow this device to meet most application requirements.
SYNC on the TPS38700S-Q1 allows designers to have more control over how their system powers up. The TPS38700S-Q1 acheives this by only firing the following enable signal when the current rail has powered up to an acceptable level with the use of the SYNC signal. In addition TPS38700S-Q1 allows for custom delay options. TPS38700S-Q1 is designed to be used with theTPS389006 -Q1.
The TPS38700S-Q1 device is an integrated multichannel voltage sequencer with a window watchdog and I 2C programmable available in a 24-pin 4 mm x 4 mm VQFN package.
This multichannel voltage sequencer is an excellent choice for systems that require precise power up and/or power down sequencing and can be interfaced with multichannel voltage supervisors. The device defaults to preprogrammed OTP options but the I 2C can reprogram the power up and power down sequence, watchdog settings, and sequence timing options if needed.
Flexible and programmable voltage rail sequencing capabilities, low quiescent current, and small footprint allow this device to meet most application requirements.
SYNC on the TPS38700S-Q1 allows designers to have more control over how their system powers up. The TPS38700S-Q1 acheives this by only firing the following enable signal when the current rail has powered up to an acceptable level with the use of the SYNC signal. In addition TPS38700S-Q1 allows for custom delay options. TPS38700S-Q1 is designed to be used with theTPS389006 -Q1. |
TPS388R0-Q1Automotive, multichannel overvoltage and undervoltage voltage supervisor with I²C and timeout reset | Power Management (PMIC) | 2 | Active | The TPS38800-Q1/TPS388R0-Q1 device is an ASIL-B device for a 2 to 8 channel window supervisor IC available in a 16-pin 3mm x 3mm QFN package. This high accuracy multichannel voltage supervisor is designed for systems that operate on low-voltage supply rails and have narrow margin supply tolerances.
I2C functionality gives flexibility in selecting thresholds, reset delays, glitch filters, and pin functionality. The internal glitch immunity and noise filters eliminate the need for external RC components to reduce false resets resulting from power transients. TPS38800-Q1/TPS388R0-Q1 does not require any external resistors for setting overvoltage and undervoltage reset thresholds, which further optimizes overall accuracy, cost, size, and improves reliability for safety systems.
The TPS38800-Q1/TPS388R0-Q1 device is an ASIL-B device for a 2 to 8 channel window supervisor IC available in a 16-pin 3mm x 3mm QFN package. This high accuracy multichannel voltage supervisor is designed for systems that operate on low-voltage supply rails and have narrow margin supply tolerances.
I2C functionality gives flexibility in selecting thresholds, reset delays, glitch filters, and pin functionality. The internal glitch immunity and noise filters eliminate the need for external RC components to reduce false resets resulting from power transients. TPS38800-Q1/TPS388R0-Q1 does not require any external resistors for setting overvoltage and undervoltage reset thresholds, which further optimizes overall accuracy, cost, size, and improves reliability for safety systems. |
| Integrated Circuits (ICs) | 16 | Active | |