T
Texas Instruments
| Series | Category | # Parts | Status | Description |
|---|---|---|---|---|
| Part | Spec A | Spec B | Spec C | Spec D | Description |
|---|---|---|---|---|---|
| Series | Category | # Parts | Status | Description |
|---|---|---|---|---|
| Part | Spec A | Spec B | Spec C | Spec D | Description |
|---|---|---|---|---|---|
| Part | Category | Description |
|---|---|---|
Texas Instruments BQ2002CSNTRG4Unknown | Integrated Circuits (ICs) | LINEAR BATTERY CHARGER NICD/NIMH 2000MA 0V TO 6V 8-PIN SOIC T/R |
Texas Instruments LM3676SDX-3.3Obsolete | Integrated Circuits (ICs) | IC REG BUCK 3.3V 600MA 8WSON |
Texas Instruments | Integrated Circuits (ICs) | TMX320DRE311 179PIN UBGA 200MHZ |
Texas Instruments UCC3580N-1G4Obsolete | Integrated Circuits (ICs) | IC REG CTRLR FWRD CONV 16DIP |
Texas Instruments LM2831YMF EVALObsolete | Development Boards Kits Programmers | EVAL BOARD FOR LM2831 |
Texas Instruments | Integrated Circuits (ICs) | BUFFER/LINE DRIVER 8-CH NON-INVERTING 3-ST CMOS 20-PIN SSOP T/R |
Texas Instruments | Integrated Circuits (ICs) | ANALOG OTHER PERIPHERALS |
Texas Instruments | Integrated Circuits (ICs) | RADIATION-HARDENED, QMLP 60V HAL |
Texas Instruments SN75LVDS051DRObsolete | Integrated Circuits (ICs) | IC TRANSCEIVER FULL 2/2 16SOIC |
Texas Instruments | Integrated Circuits (ICs) | AUTOMOTIVE OCTAL D-TYPE FLIP-FLO |
| Series | Category | # Parts | Status | Description |
|---|---|---|---|---|
TPIC6B2598-bit addressable latch with 150mA/ch | Logic | 5 | Active | This power logic 8-bit addressable latch controls open-drain DMOS-transistor outputs and is designed for general-purpose storage applications in digital systems. Specific uses include working registers, serial-holding registers, and decoders or demultiplexers. This is a multi-functional device capable of storing single-line data in eight addressable latches and 3-to-8 decoder or demultiplexer with active-low DMOS outputs.
Four distinct modes of operation are selectable by controlling the clear (CLR\) and enable (G\) inputs as enumerated in the function table. In the addressable-latch mode, data at the data-in (D) terminal is written into the addressed latch. The addressed DMOS-transistor output inverts the data input with all unaddressed DMOS-transistor outputs remaining in their previous states. In the memory mode, all DMOS-transistor outputs remain in their previous states and are unaffected by the data or address inputs. To eliminate the possibility of entering erroneous data in the latch, enable G\ should be held high (inactive) while the address lines are changing. In the 3-to-8 decoding or demultiplexing mode, the addressed output is inverted with respect to the D input and all other
outputs are off. In the clear mode, all outputs are off and unaffected by the address and data inputs. When data is low for a given output, the DMOS-transistor output is off. When data is high, the DMOS-transistor output has sink-current capability.
Outputs are low-side, open-drain DMOS transistors with output ratings of 50 V and 150-mA continuous sink-current capability. Each output provides a 500-mA typical current limit at TC= 25°C. The current limit decreases as the junction temperature increases for additional device protection.
The TPIC6B259 is characterized for operation over the operating case temperature range of -40°C to 125°C.
This power logic 8-bit addressable latch controls open-drain DMOS-transistor outputs and is designed for general-purpose storage applications in digital systems. Specific uses include working registers, serial-holding registers, and decoders or demultiplexers. This is a multi-functional device capable of storing single-line data in eight addressable latches and 3-to-8 decoder or demultiplexer with active-low DMOS outputs.
Four distinct modes of operation are selectable by controlling the clear (CLR\) and enable (G\) inputs as enumerated in the function table. In the addressable-latch mode, data at the data-in (D) terminal is written into the addressed latch. The addressed DMOS-transistor output inverts the data input with all unaddressed DMOS-transistor outputs remaining in their previous states. In the memory mode, all DMOS-transistor outputs remain in their previous states and are unaffected by the data or address inputs. To eliminate the possibility of entering erroneous data in the latch, enable G\ should be held high (inactive) while the address lines are changing. In the 3-to-8 decoding or demultiplexing mode, the addressed output is inverted with respect to the D input and all other
outputs are off. In the clear mode, all outputs are off and unaffected by the address and data inputs. When data is low for a given output, the DMOS-transistor output is off. When data is high, the DMOS-transistor output has sink-current capability.
Outputs are low-side, open-drain DMOS transistors with output ratings of 50 V and 150-mA continuous sink-current capability. Each output provides a 500-mA typical current limit at TC= 25°C. The current limit decreases as the junction temperature increases for additional device protection.
The TPIC6B259 is characterized for operation over the operating case temperature range of -40°C to 125°C. |
TPIC6B273Octal D-type latch with 150mA/ch | Logic | 5 | Active | The TPIC6B273 is a monolithic, high-voltage, medium-current, power logic octal D-type latch with DMOS-transistor outputs designed for use in systems that require relatively high load power. The device contains a built-in voltage clamp on the outputs for inductive transient protection. Power driver applications include relays, solenoids, and other medium-current or high-voltage loads.
The TPIC6B273 contains eight positive-edge-triggered D-type flip-flops with a direct clear input. Each flip-flop features an open-drain power DMOS-transistor output.
When clear (CLR\) is high, information at the D inputs meeting the setup time requirements is transferred to the DRAIN outputs on the positive-going edge of the clock (CLK) pulse. Clock triggering occurs at a particular voltage level and is not directly related to the transition time of the positive-going pulse. When the clock input (CLK) is at either the high or low level, the D input signal has no effect at the output. An asynchronous CLR\ is provided to turn all eight DMOS-transistor outputs off. When data is low for a given output, the DMOS-transistor output is off. When data is high, the DMOS-transistor output has sink-current capability.
Outputs are low-side, open-drain DMOStransistors with output ratings of 50 V and 150-mA continuous sink-current capability. Each output provides a 500-mA typical current limit atTC= 25°C. The current limit decreases as the junction temperature increases for additional device protection.
The TPIC6B273 is characterized for operation over the operating case temperature range of -40°C to 125°C.
The TPIC6B273 is a monolithic, high-voltage, medium-current, power logic octal D-type latch with DMOS-transistor outputs designed for use in systems that require relatively high load power. The device contains a built-in voltage clamp on the outputs for inductive transient protection. Power driver applications include relays, solenoids, and other medium-current or high-voltage loads.
The TPIC6B273 contains eight positive-edge-triggered D-type flip-flops with a direct clear input. Each flip-flop features an open-drain power DMOS-transistor output.
When clear (CLR\) is high, information at the D inputs meeting the setup time requirements is transferred to the DRAIN outputs on the positive-going edge of the clock (CLK) pulse. Clock triggering occurs at a particular voltage level and is not directly related to the transition time of the positive-going pulse. When the clock input (CLK) is at either the high or low level, the D input signal has no effect at the output. An asynchronous CLR\ is provided to turn all eight DMOS-transistor outputs off. When data is low for a given output, the DMOS-transistor output is off. When data is high, the DMOS-transistor output has sink-current capability.
Outputs are low-side, open-drain DMOStransistors with output ratings of 50 V and 150-mA continuous sink-current capability. Each output provides a 500-mA typical current limit atTC= 25°C. The current limit decreases as the junction temperature increases for additional device protection.
The TPIC6B273 is characterized for operation over the operating case temperature range of -40°C to 125°C. |
| Shift Registers | 5 | Active | ||
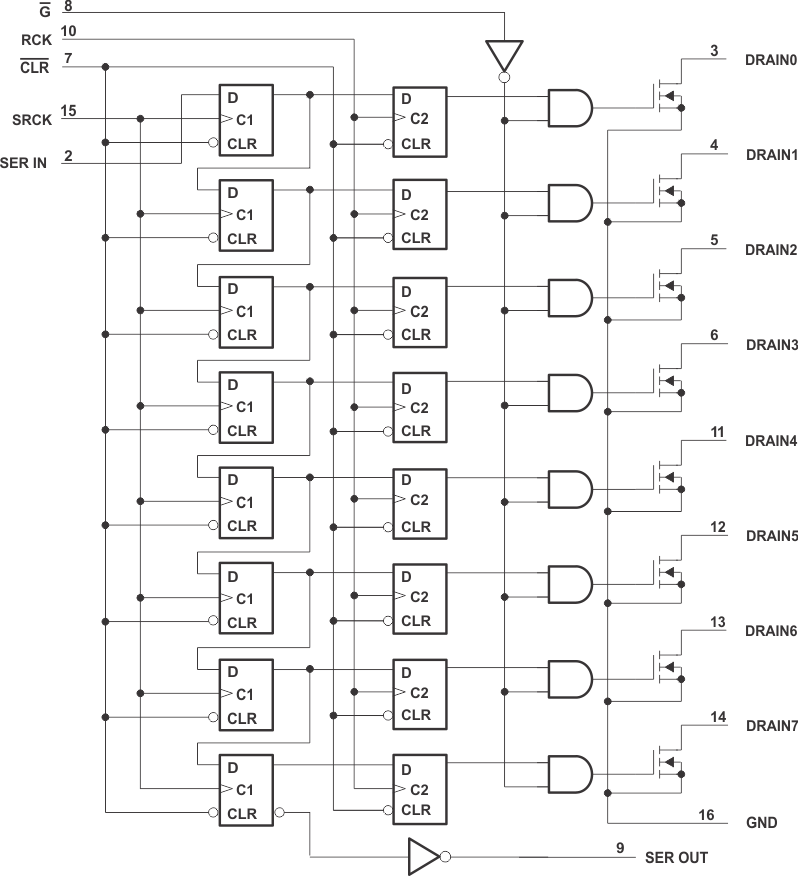
TPIC6B5968-bit shift register for enhanced cascading | Shift Registers | 5 | Active | The TPIC6B596 is a monolithic, high-voltage, medium-current power 8-bit shift register designed for use in systems that require relatively high load power. The device contains a built-in voltage clamp on the outputs for inductive transient protection. Power driver applications include relays, solenoids, and other medium- current or high-voltage loads.
This device contains an 8-bit serial-in, parallel-out shift register that feeds an 8-bit D-type storage register. Data transfers through both the shift and storage registers on the rising edge of the shift-register clock (SRCK) and the register clock (RCK), respectively. The storage register transfers data to the output buffer when shift- register clear (SRCLR) is high. Write data and read data are valid only when RCK is low. When SRCLR is low, all registers in the device are cleared. When output enable (G) is held high, all data in the output buffers is held low and all drain outputs are off. When G is held low, data from the storage register is transparent to the output buffers. When data in the output buffers is low, the DMOS- transistor outputs are off. When data is high, the DMOS-transistor outputs have sink-current capability. The serial output (SER OUT) is clocked out of the device on the falling edge of SRCK to provide additional hold time for cascaded applications. This will provide improved performance for applications where clock signals may be skewed, devices are not located near one another, or the system must tolerate electromagnetic interference.
Outputs are low-side, open-drain DMOS transistors with output ratings of 50V and 150mA continuous sink- current capability. Each output provides a 500mA typical current limit at TC = 25°C. The current limit decreases as the junction temperature increases for additional device protection.
The TPIC6B596 is characterized for operation over the operating case temperature range of −40°C to 125°C.
The TPIC6B596 is a monolithic, high-voltage, medium-current power 8-bit shift register designed for use in systems that require relatively high load power. The device contains a built-in voltage clamp on the outputs for inductive transient protection. Power driver applications include relays, solenoids, and other medium- current or high-voltage loads.
This device contains an 8-bit serial-in, parallel-out shift register that feeds an 8-bit D-type storage register. Data transfers through both the shift and storage registers on the rising edge of the shift-register clock (SRCK) and the register clock (RCK), respectively. The storage register transfers data to the output buffer when shift- register clear (SRCLR) is high. Write data and read data are valid only when RCK is low. When SRCLR is low, all registers in the device are cleared. When output enable (G) is held high, all data in the output buffers is held low and all drain outputs are off. When G is held low, data from the storage register is transparent to the output buffers. When data in the output buffers is low, the DMOS- transistor outputs are off. When data is high, the DMOS-transistor outputs have sink-current capability. The serial output (SER OUT) is clocked out of the device on the falling edge of SRCK to provide additional hold time for cascaded applications. This will provide improved performance for applications where clock signals may be skewed, devices are not located near one another, or the system must tolerate electromagnetic interference.
Outputs are low-side, open-drain DMOS transistors with output ratings of 50V and 150mA continuous sink- current capability. Each output provides a 500mA typical current limit at TC = 25°C. The current limit decreases as the junction temperature increases for additional device protection.
The TPIC6B596 is characterized for operation over the operating case temperature range of −40°C to 125°C. |
TPIC6C5958-bit shift register with 100mA/ch | Logic | 9 | Active | The TPIC6C595 is a monolithic, medium-voltage, low-current power 8-bit shift register designed for use in systems that require relatively moderate load power such as LEDs. The device contains a built-in voltage clamp on the outputs for inductive transient protection. Power driver applications include relays, solenoids, and other low-current or medium-voltage loads.
This device contains an 8-bit serial-in, parallel-out shift register that feeds an 8-bit D-type storage register. Data transfers through both the shift and storage registers on the rising edge of the shift register clock (SRCK) and the register clock (RCK), respectively. The device transfers data out the serial output (SER OUT) port on the rising edge of SRCK. The storage register transfers data to the output buffer when shift register clear (CLR) is high. WhenCLRis low, the input shift register is cleared. When output enable (G) is held high, all data in the output buffers is held low and all drain outputs are off. WhenGis held low, data from the storage register is transparent to the output buffers. When data in the output buffers is low, the DMOS transistor outputs are off. When data is high, the DMOS transistor outputs have sink-current capability. The SER OUT allows for cascading of the data from the shift register to additional devices.
Outputs are low-side, open-drain DMOS transistors with output ratings of 33-V to 100-mA continuous sink-current capability. Each output provides a 250-mA maximum current limit at TC= 25°C. The current limit decreases as the junction temperature increases for additional device protection. The device also provides up to 2500 V of ESD protection when tested using the human-body model and the 200-V machine model.
The TPIC6C595 is characterized for operation over the operating case temperature range of −40°C to 125°C.
The TPIC6C595 is a monolithic, medium-voltage, low-current power 8-bit shift register designed for use in systems that require relatively moderate load power such as LEDs. The device contains a built-in voltage clamp on the outputs for inductive transient protection. Power driver applications include relays, solenoids, and other low-current or medium-voltage loads.
This device contains an 8-bit serial-in, parallel-out shift register that feeds an 8-bit D-type storage register. Data transfers through both the shift and storage registers on the rising edge of the shift register clock (SRCK) and the register clock (RCK), respectively. The device transfers data out the serial output (SER OUT) port on the rising edge of SRCK. The storage register transfers data to the output buffer when shift register clear (CLR) is high. WhenCLRis low, the input shift register is cleared. When output enable (G) is held high, all data in the output buffers is held low and all drain outputs are off. WhenGis held low, data from the storage register is transparent to the output buffers. When data in the output buffers is low, the DMOS transistor outputs are off. When data is high, the DMOS transistor outputs have sink-current capability. The SER OUT allows for cascading of the data from the shift register to additional devices.
Outputs are low-side, open-drain DMOS transistors with output ratings of 33-V to 100-mA continuous sink-current capability. Each output provides a 250-mA maximum current limit at TC= 25°C. The current limit decreases as the junction temperature increases for additional device protection. The device also provides up to 2500 V of ESD protection when tested using the human-body model and the 200-V machine model.
The TPIC6C595 is characterized for operation over the operating case temperature range of −40°C to 125°C. |
TPIC6C596Automotive 8-bit shift register | Logic | 10 | Active | The TPIC6C596 device is a monolithic, medium-voltage, low-current, 8-bit shift register designed for use in systems that require relatively moderate load power such as LEDs. The device contains a built-in voltage clamp on the outputs for inductive transient protection. Power driver applications include relays, solenoids, and other low-current or medium-voltage loads.
This device contains an 8-bit serial-in, parallel-out shift register that feeds an 8-bit D-type storage register. Data transfers through both the shift and storage registers on the rising edge of the shift register clock (SRCK) and the register clock (RCK), respectively. The storage register transfers data to the output buffer when shift register clear (CLR) is high. WhenCLRis low, all registers in the device are cleared. When output enable (G) is held high, all data in the output buffers is held low and all drain outputs are off. WhenGis held low, data from the storage register is transparent to the output buffers. When data in the output buffers is low, the DMOS transistor outputs are off. When data is high, the DMOS transistor outputs have sink-current capability.
The serial output (SER OUT) is clocked out of the device on the falling edge of SRCK to provide additional hold time for cascaded applications. This will provide improved performance for applications where clock signals may be skewed, devices are not located near one another, or the system must tolerate electromagnetic interference.
Outputs are low-side, open-drain DMOS transistors with output ratings of 33 V and 100 mA continuous sink-current capability. Each output provides a 250-mA maximum current limit at TC= 25°C. The current limit decreases as the junction temperature increases for additional device protection. The device also provides up to 2500 V of ESD protection when tested using the human body model and the 200-V machine model.
The TPIC6C596 device is characterized for operation over the operating case temperature range of –40°C to 125°C.
The TPIC6C596 device is a monolithic, medium-voltage, low-current, 8-bit shift register designed for use in systems that require relatively moderate load power such as LEDs. The device contains a built-in voltage clamp on the outputs for inductive transient protection. Power driver applications include relays, solenoids, and other low-current or medium-voltage loads.
This device contains an 8-bit serial-in, parallel-out shift register that feeds an 8-bit D-type storage register. Data transfers through both the shift and storage registers on the rising edge of the shift register clock (SRCK) and the register clock (RCK), respectively. The storage register transfers data to the output buffer when shift register clear (CLR) is high. WhenCLRis low, all registers in the device are cleared. When output enable (G) is held high, all data in the output buffers is held low and all drain outputs are off. WhenGis held low, data from the storage register is transparent to the output buffers. When data in the output buffers is low, the DMOS transistor outputs are off. When data is high, the DMOS transistor outputs have sink-current capability.
The serial output (SER OUT) is clocked out of the device on the falling edge of SRCK to provide additional hold time for cascaded applications. This will provide improved performance for applications where clock signals may be skewed, devices are not located near one another, or the system must tolerate electromagnetic interference.
Outputs are low-side, open-drain DMOS transistors with output ratings of 33 V and 100 mA continuous sink-current capability. Each output provides a 250-mA maximum current limit at TC= 25°C. The current limit decreases as the junction temperature increases for additional device protection. The device also provides up to 2500 V of ESD protection when tested using the human body model and the 200-V machine model.
The TPIC6C596 device is characterized for operation over the operating case temperature range of –40°C to 125°C. |
TPIC71002Automotive Catalog Two-Channel Squib Driver | Specialized | 1 | Active | The TPIC71002 is a two-channel squib driver for airbag deployment in automotive applications. Each channel consists of a high side and a low side switches with independent control logic for protection against inadvertent deployment. Both the high and the low side switches have internal current limits and over-temperature protection.
The IC registers are used for two channel configuration, control and status monitoring. To prevent inadvertent deployment, the high and the low side switches are turned on only if the proper configuration sequence is used, two independent arming/safing inputs are active and multiple inputs to the deploy controller logic are at the correct level. The registers are programmed using a serial communication interface.
To prevent excessive power dissipation the maximum active ON time for each channel is limited by programmable Firing Time Out Timer. In addition, a current limit register is used to program the maximum current through the switches during a deployment. The current limitation on the low side switch is larger than the corresponding high side switch. During deployment, the low side switch will be fully enhanced and operates in RDS_ON mode and the high side switch will be in the current regulation mode.
IC diagnostic functions monitor deployment pin voltages to facilitate high-side switch test, low-side switch test, squib resistance measurements, squib leakage measurement to battery or ground or leakage between any squib channels. The squib leakage measurement does not require the squib load to be present and covers both Zx and ZMx pins. Diagnostic information is communicated through the AMX_OUT pin (for analog signals) and SPI mapped status registers (for status signals latched in digital core).
The high-side and low-side squib drivers have a diagnostic level current limit and a deployment level current limit. The default current limit for high-side and low-side squib drivers is the diagnostic level current limit. The high-side switch deployment current limit for all high-side drivers can be set to either 1.2 A min or 1.75 A min (see Table 1) through SPI mapped registers and device EEPROM settings (see Table 2). The low-side switch deployment current limit is not programmable and is fixed to a level greater than the high-side driver current limit. The ON time duration for each individual squib driver can be programmed through SPI mapped registers.
The deployment sequence requires a specific set of software commands combined with external hardware arming/safing logic inputs (TZ=H, IWD=L) to provide deployment capability. The turn-on sequence of the high-side and low-side drivers is software controlled via SPI commands. The turn-off procedure is automatically controlled by the deployment ASIC for the high side drivers, while the low side drivers turn-off procedure can be controlled by the deployment ASIC or by software via SPI commands. After the programmed ON time deployment has been achieved, the high-side driver is deactivated first. It is followed by the low-side driver deactivation after approximately 100usec (in case of hardware control turn-off sequence device configuration), or after SPI command for low side driver turn-off has been received from an external microcontroller (in case of software control turn-off sequence device configuration).
The RESET_N is an active low input reset signal. This input is driven high (by the power supply unit and/or the external µC) once the external voltage supplies are within the specified limits. The external microcontroller is required to configure and control device through the serial communication interface. Reliable software is critical for the system operation.
Extended deployment duration activates the over-temperature protection circuit and terminates deployment. If short-to-ground condition occurs during deployment, 35-V firing voltage is completely dropped across the HS_FET, thereby thermal shut down protection kicks in to protect the device.
The TPIC71002 is a two-channel squib driver for airbag deployment in automotive applications. Each channel consists of a high side and a low side switches with independent control logic for protection against inadvertent deployment. Both the high and the low side switches have internal current limits and over-temperature protection.
The IC registers are used for two channel configuration, control and status monitoring. To prevent inadvertent deployment, the high and the low side switches are turned on only if the proper configuration sequence is used, two independent arming/safing inputs are active and multiple inputs to the deploy controller logic are at the correct level. The registers are programmed using a serial communication interface.
To prevent excessive power dissipation the maximum active ON time for each channel is limited by programmable Firing Time Out Timer. In addition, a current limit register is used to program the maximum current through the switches during a deployment. The current limitation on the low side switch is larger than the corresponding high side switch. During deployment, the low side switch will be fully enhanced and operates in RDS_ON mode and the high side switch will be in the current regulation mode.
IC diagnostic functions monitor deployment pin voltages to facilitate high-side switch test, low-side switch test, squib resistance measurements, squib leakage measurement to battery or ground or leakage between any squib channels. The squib leakage measurement does not require the squib load to be present and covers both Zx and ZMx pins. Diagnostic information is communicated through the AMX_OUT pin (for analog signals) and SPI mapped status registers (for status signals latched in digital core).
The high-side and low-side squib drivers have a diagnostic level current limit and a deployment level current limit. The default current limit for high-side and low-side squib drivers is the diagnostic level current limit. The high-side switch deployment current limit for all high-side drivers can be set to either 1.2 A min or 1.75 A min (see Table 1) through SPI mapped registers and device EEPROM settings (see Table 2). The low-side switch deployment current limit is not programmable and is fixed to a level greater than the high-side driver current limit. The ON time duration for each individual squib driver can be programmed through SPI mapped registers.
The deployment sequence requires a specific set of software commands combined with external hardware arming/safing logic inputs (TZ=H, IWD=L) to provide deployment capability. The turn-on sequence of the high-side and low-side drivers is software controlled via SPI commands. The turn-off procedure is automatically controlled by the deployment ASIC for the high side drivers, while the low side drivers turn-off procedure can be controlled by the deployment ASIC or by software via SPI commands. After the programmed ON time deployment has been achieved, the high-side driver is deactivated first. It is followed by the low-side driver deactivation after approximately 100usec (in case of hardware control turn-off sequence device configuration), or after SPI command for low side driver turn-off has been received from an external microcontroller (in case of software control turn-off sequence device configuration).
The RESET_N is an active low input reset signal. This input is driven high (by the power supply unit and/or the external µC) once the external voltage supplies are within the specified limits. The external microcontroller is required to configure and control device through the serial communication interface. Reliable software is critical for the system operation.
Extended deployment duration activates the over-temperature protection circuit and terminates deployment. If short-to-ground condition occurs during deployment, 35-V firing voltage is completely dropped across the HS_FET, thereby thermal shut down protection kicks in to protect the device. |
TPIC71004Automotive Catalog Four-Channel Squib Driver | Integrated Circuits (ICs) | 1 | Active | The TPIC71004-Q1 is a quad channel squib driver for airbags deployment in automotive applications. Each channel consists of a high side and a low side switch with independent control logic for protection against inadvertent deployment. Both the high and the low side switches have internal current limits, over-temperature protection.
The IC registers are used for four channel configuration, control and status monitoring. To prevent inadvertent deployment, the high and the low side switches will be turned on only if the proper configuration sequence is used and multiple inputs to the deploy controller logic are at the correct level. The registers are programmed using a serial communications interface.
The maximum on time for each channel is limited by programmable Firing Time Out Timer to prevent excessive power dissipation. In addition, a current limit register is used to program the maximum current through the switches during a deployment. The current limitation on the low side switch is larger than the corresponding high side switch. During deployment, the low side switch will be full enhanced and operate with RDS_ON mode and the high side switch will be in current regulation mode.
The implemented diagnostic functions monitor deployment ASIC pin voltages to provide High Side switch test, Low Side switch test, squib resistance measurements, squib leakage measurement to battery, ground and between any squib channels. Furthermore, the squib leakage measurement is provided for both Zx and ZMx pins and does not require the squib load to be present to operate properly. Diagnostic information is communicated through the AMX_OUT pin (for analog signals) and SPI mapped status registers (for status signals latched in digital core).
The high-side and low-side squib drivers have a diagnostic level current limit and a deployment level current limit. The default current limit for high-side and low-side squib drivers is the diagnostic level current limit. The high-side switch deployment current limit for all high-side drivers can be set to either 1.2 A min or 1.75 A min (see Table 1) through SPI mapped registers, device EEPROM settings (see Table 2). The low-side switch deployment current limit is not programmable and is fixed to a level greater than the high-side driver current limit. The ON time duration for each individual squib driver can be programmed through SPI mapped registers.
The deployment sequence requires a specific set of software commands combined with external hardware enable logic lines (TZ0=H, IWD=L) to provide deployment capability. The turn-on sequence of the high-side driver and low-side drivers is software controlled via SPI commands, but the turn-off procedure is automatically provided by the deployment ASIC. After the programmed ON time duration has been achieved, the high-side switch is deactivated first then followed by the low-side driver deactivation by approximately 100µsec.
The RESET_N is an active low input reset signal. This input will be released high by the power supply unit and/or the µC once the external voltage supplies are within the specified limits. The external microcontroller is required to configure and control device through the serial communication interface. Reliable software is critical for the system operation.
The TPIC71004-Q1 is a quad channel squib driver for airbags deployment in automotive applications. Each channel consists of a high side and a low side switch with independent control logic for protection against inadvertent deployment. Both the high and the low side switches have internal current limits, over-temperature protection.
The IC registers are used for four channel configuration, control and status monitoring. To prevent inadvertent deployment, the high and the low side switches will be turned on only if the proper configuration sequence is used and multiple inputs to the deploy controller logic are at the correct level. The registers are programmed using a serial communications interface.
The maximum on time for each channel is limited by programmable Firing Time Out Timer to prevent excessive power dissipation. In addition, a current limit register is used to program the maximum current through the switches during a deployment. The current limitation on the low side switch is larger than the corresponding high side switch. During deployment, the low side switch will be full enhanced and operate with RDS_ON mode and the high side switch will be in current regulation mode.
The implemented diagnostic functions monitor deployment ASIC pin voltages to provide High Side switch test, Low Side switch test, squib resistance measurements, squib leakage measurement to battery, ground and between any squib channels. Furthermore, the squib leakage measurement is provided for both Zx and ZMx pins and does not require the squib load to be present to operate properly. Diagnostic information is communicated through the AMX_OUT pin (for analog signals) and SPI mapped status registers (for status signals latched in digital core).
The high-side and low-side squib drivers have a diagnostic level current limit and a deployment level current limit. The default current limit for high-side and low-side squib drivers is the diagnostic level current limit. The high-side switch deployment current limit for all high-side drivers can be set to either 1.2 A min or 1.75 A min (see Table 1) through SPI mapped registers, device EEPROM settings (see Table 2). The low-side switch deployment current limit is not programmable and is fixed to a level greater than the high-side driver current limit. The ON time duration for each individual squib driver can be programmed through SPI mapped registers.
The deployment sequence requires a specific set of software commands combined with external hardware enable logic lines (TZ0=H, IWD=L) to provide deployment capability. The turn-on sequence of the high-side driver and low-side drivers is software controlled via SPI commands, but the turn-off procedure is automatically provided by the deployment ASIC. After the programmed ON time duration has been achieved, the high-side switch is deactivated first then followed by the low-side driver deactivation by approximately 100µsec.
The RESET_N is an active low input reset signal. This input will be released high by the power supply unit and/or the µC once the external voltage supplies are within the specified limits. The external microcontroller is required to configure and control device through the serial communication interface. Reliable software is critical for the system operation. |
TPIC71008-Q1Automotive Catalog Eight-Channel Squib Driver | Integrated Circuits (ICs) | 1 | Active | The TPIC71008 is an eight channel squib driver for airbags deployment in automotive applications. Each channel consists of a high side and low side switch with independent control logic for protection against inadvertent deployment. Both the high and the low side switches have internal current limit and over-temperature protection.
The IC registers are used for eight channel configuration, control and status monitoring. To prevent inadvertent deployment, the high and the low side switches are turned on only if the proper configuration sequence is used, two independent arming/safing inputs are active and multiple inputs to the deploy controller logic are at the correct level. The registers are programmed using a serial communications interface.
To prevent excessive power dissipation the maximum active ON time for each channel is limited by programmable Firing Time Out Timer. In addition, a current limit register is used to program the maximum current through the switches during a deployment. The current limitation on the low side switch is larger than the corresponding current limitation on the high side switch. During deployment, the low side switch is fully enhanced and operates with RDS_ON mode, while the high side switch is in current regulation mode.
IC diagnostic functions monitor deployment pin voltages to facilitate High Side switch test, Low Side switch test, squib resistance measurements, squib leakage measurement to battery or ground or leakage between any squib channels. The squib leakage measurement does not require the squib load to be present and covers both Zx and ZMx pins. Diagnostic information is communicated through the AMX_OUT pin (for analog signals) and SPI mapped status registers (for status signals latched in digital core).
The high-side and low-side squib drivers have a diagnostic level current limit and a deployment level current limit. The default current limit for high-side and low-side squib drivers is the diagnostic level current limit. The high-side switch deployment current limit for all high-side drivers can be set to either 1.2 A min or 1.75 A min through SPI mapped registers and device EEPROM settings. The low-side switch deployment current limit is not programmable and is fixed to a level greater than the high-side driver current limit. The ON time duration for each individual squib driver can be programmed through SPI mapped registers.
The deployment sequence requires a specific set of software commands combined with external hardware arming/safing logic inputs (TZ=H, IWD=L) to provide deployment capability. The turn-on sequence of the high-side and low-side drivers is software controlled via SPI commands. The turn-off procedure is automatically controlled by the deployment ASIC for the high side drivers, while the low side drivers turn-off procedure can be controlled by the deployment ASIC or by software via SPI commands. After the programmed ON time deployment has been achieved, the high-side driver is deactivated first. It is followed by the low-side driver deactivation after approximately 100usec (in case of hardware control turn-off sequence device configuration), or after SPI command for low side driver turn-off has been received from an external microcontroller (in case of software control turn-off sequence device configuration).
The RESET_N is an active low input reset signal. This input will be released high by the power supply unit and/or the external microcontroller once the external voltage supplies are within the specified limits. The external microcontroller is required to configure and control device through the serial communication interface. Reliable software is critical for the system operation.
Extended deployment duration activates the over-temperature protection circuit and terminates deployment. If short-to-ground condition occurs during deployment, 35-V firing voltage is completely dropped across the HS_FET, thereby thermal shut down protection kicks in to protect the device.
The TPIC71008 is an eight channel squib driver for airbags deployment in automotive applications. Each channel consists of a high side and low side switch with independent control logic for protection against inadvertent deployment. Both the high and the low side switches have internal current limit and over-temperature protection.
The IC registers are used for eight channel configuration, control and status monitoring. To prevent inadvertent deployment, the high and the low side switches are turned on only if the proper configuration sequence is used, two independent arming/safing inputs are active and multiple inputs to the deploy controller logic are at the correct level. The registers are programmed using a serial communications interface.
To prevent excessive power dissipation the maximum active ON time for each channel is limited by programmable Firing Time Out Timer. In addition, a current limit register is used to program the maximum current through the switches during a deployment. The current limitation on the low side switch is larger than the corresponding current limitation on the high side switch. During deployment, the low side switch is fully enhanced and operates with RDS_ON mode, while the high side switch is in current regulation mode.
IC diagnostic functions monitor deployment pin voltages to facilitate High Side switch test, Low Side switch test, squib resistance measurements, squib leakage measurement to battery or ground or leakage between any squib channels. The squib leakage measurement does not require the squib load to be present and covers both Zx and ZMx pins. Diagnostic information is communicated through the AMX_OUT pin (for analog signals) and SPI mapped status registers (for status signals latched in digital core).
The high-side and low-side squib drivers have a diagnostic level current limit and a deployment level current limit. The default current limit for high-side and low-side squib drivers is the diagnostic level current limit. The high-side switch deployment current limit for all high-side drivers can be set to either 1.2 A min or 1.75 A min through SPI mapped registers and device EEPROM settings. The low-side switch deployment current limit is not programmable and is fixed to a level greater than the high-side driver current limit. The ON time duration for each individual squib driver can be programmed through SPI mapped registers.
The deployment sequence requires a specific set of software commands combined with external hardware arming/safing logic inputs (TZ=H, IWD=L) to provide deployment capability. The turn-on sequence of the high-side and low-side drivers is software controlled via SPI commands. The turn-off procedure is automatically controlled by the deployment ASIC for the high side drivers, while the low side drivers turn-off procedure can be controlled by the deployment ASIC or by software via SPI commands. After the programmed ON time deployment has been achieved, the high-side driver is deactivated first. It is followed by the low-side driver deactivation after approximately 100usec (in case of hardware control turn-off sequence device configuration), or after SPI command for low side driver turn-off has been received from an external microcontroller (in case of software control turn-off sequence device configuration).
The RESET_N is an active low input reset signal. This input will be released high by the power supply unit and/or the external microcontroller once the external voltage supplies are within the specified limits. The external microcontroller is required to configure and control device through the serial communication interface. Reliable software is critical for the system operation.
Extended deployment duration activates the over-temperature protection circuit and terminates deployment. If short-to-ground condition occurs during deployment, 35-V firing voltage is completely dropped across the HS_FET, thereby thermal shut down protection kicks in to protect the device. |
TPIC7218Automotive Catalog Power Controller and Sensor Interface | Integrated Circuits (ICs) | 1 | Active | The TPIC7218-Q1 device integrates in single package several functions needed in ABS and ESC electronic control units (ECU). This integration coupled with the minimization of the external components saves valuable ECU board space.
The TPIC7218-Q1 device is an antilock braking controller capable of directly driving eight solenoid valves with internal high-current low-side drivers. Low-side drivers configured for digital control do not require external voltage clamps. The TPIC7218-Q1 device has gate drive capability for two high-side N-Channel MOSFETs that can be used to drive a pump motor and power to all solenoids. The TPIC7218-Q1 device provides a fault-tolerant interface for both Intelligent and Active wheel-speed sensors to an external microprocessor. The TPIC7218-Q1 device can be used with either 3.3- or 5-V microprocessors and uses a standard SPI (Serial-Peripheral Interface).
The TPIC7218-Q1 device has two internal open-drain warning lamp drivers that can be pulled up to battery voltage, as well as one low-voltage driver. An internal state machine monitors a watchdog input and reports faults on a warning-lamp pin and SPI register. A K-Line transceiver is also included. A multitude of safety and fault monitoring functionality supervise both system and TPIC7218-Q1 circuits. Faults must be polled and reset over SPI. The TPIC7218-Q1 device is designed for use in harsh automotive environments, capable of withstanding high operating temperatures and electrically noisy signals and power. Short-to-ground, short-to-battery, and open-load conditions are tolerated and monitored. The TPIC7218-Q1 device also exhibits outstanding Electro-Magnetic Compatibility (EMC) performance.
The TPIC7218-Q1 device integrates in single package several functions needed in ABS and ESC electronic control units (ECU). This integration coupled with the minimization of the external components saves valuable ECU board space.
The TPIC7218-Q1 device is an antilock braking controller capable of directly driving eight solenoid valves with internal high-current low-side drivers. Low-side drivers configured for digital control do not require external voltage clamps. The TPIC7218-Q1 device has gate drive capability for two high-side N-Channel MOSFETs that can be used to drive a pump motor and power to all solenoids. The TPIC7218-Q1 device provides a fault-tolerant interface for both Intelligent and Active wheel-speed sensors to an external microprocessor. The TPIC7218-Q1 device can be used with either 3.3- or 5-V microprocessors and uses a standard SPI (Serial-Peripheral Interface).
The TPIC7218-Q1 device has two internal open-drain warning lamp drivers that can be pulled up to battery voltage, as well as one low-voltage driver. An internal state machine monitors a watchdog input and reports faults on a warning-lamp pin and SPI register. A K-Line transceiver is also included. A multitude of safety and fault monitoring functionality supervise both system and TPIC7218-Q1 circuits. Faults must be polled and reset over SPI. The TPIC7218-Q1 device is designed for use in harsh automotive environments, capable of withstanding high operating temperatures and electrically noisy signals and power. Short-to-ground, short-to-battery, and open-load conditions are tolerated and monitored. The TPIC7218-Q1 device also exhibits outstanding Electro-Magnetic Compatibility (EMC) performance. |