T
Texas Instruments
| Series | Category | # Parts | Status | Description |
|---|---|---|---|---|
| Part | Spec A | Spec B | Spec C | Spec D | Description |
|---|---|---|---|---|---|
| Series | Category | # Parts | Status | Description |
|---|---|---|---|---|
| Part | Spec A | Spec B | Spec C | Spec D | Description |
|---|---|---|---|---|---|
| Part | Category | Description |
|---|---|---|
Texas Instruments | Integrated Circuits (ICs) | BUS DRIVER, BCT/FBT SERIES |
Texas Instruments | Integrated Circuits (ICs) | 12BIT 3.3V~3.6V 210MHZ PARALLEL VQFN-48-EP(7X7) ANALOG TO DIGITAL CONVERTERS (ADC) ROHS |
Texas Instruments | Integrated Circuits (ICs) | TMX320DRE311 179PIN UBGA 200MHZ |
Texas Instruments TPS61040DRVTG4Unknown | Integrated Circuits (ICs) | IC LED DRV RGLTR PWM 350MA 6WSON |
Texas Instruments LP3876ET-2.5Obsolete | Integrated Circuits (ICs) | IC REG LINEAR 2.5V 3A TO220-5 |
Texas Instruments LMS1585ACSX-ADJObsolete | Integrated Circuits (ICs) | IC REG LIN POS ADJ 5A DDPAK |
Texas Instruments INA111APG4Obsolete | Integrated Circuits (ICs) | IC INST AMP 1 CIRCUIT 8DIP |
Texas Instruments | Integrated Circuits (ICs) | AUTOMOTIVE, QUAD 36V 1.2MHZ OPERATIONAL AMPLIFIER |
Texas Instruments OPA340NA/3KG4Unknown | Integrated Circuits (ICs) | IC OPAMP GP 1 CIRCUIT SOT23-5 |
Texas Instruments PT5112AObsolete | Power Supplies - Board Mount | DC DC CONVERTER 8V 8W |
| Series | Category | # Parts | Status | Description |
|---|---|---|---|---|
UCC2805-Q112V, 1A low power BICMOS 1MHz current mode PWM with 4.1V/3.6V UVLO and 50% duty cycle, -40C to 12 | Power Supply Controllers, Monitors | 8 | Active | The UCC280x-Q1 family of high-speed, low-power integrated circuits contain all of the control and drive components required for off-line and DC-to-DC fixed frequency current-mode switching mode power supplies with minimal parts count.
These devices have the same pin configuration as the UCx84x family, and also offer the added features of internal full-cycle soft start and internal leading-edge blanking of the current-sense input.
The UCC280x-Q1 family offers a variety of package options, temperature range options, choice of maximum duty cycle, and choice of critical voltage levels. Lower reference parts such as the UCC2803-Q1 and UCC2805-Q1 fit best into battery-operated systems, while the higher reference and higher UVLO hysteresis of the UCC2802-Q1 and UCC2804-Q1 make these ideal choices for use in off-line power supplies.
The UCC280x-Q1 series is specified for operation from –40°C to 125°C.
The UCC280x-Q1 family of high-speed, low-power integrated circuits contain all of the control and drive components required for off-line and DC-to-DC fixed frequency current-mode switching mode power supplies with minimal parts count.
These devices have the same pin configuration as the UCx84x family, and also offer the added features of internal full-cycle soft start and internal leading-edge blanking of the current-sense input.
The UCC280x-Q1 family offers a variety of package options, temperature range options, choice of maximum duty cycle, and choice of critical voltage levels. Lower reference parts such as the UCC2803-Q1 and UCC2805-Q1 fit best into battery-operated systems, while the higher reference and higher UVLO hysteresis of the UCC2802-Q1 and UCC2804-Q1 make these ideal choices for use in off-line power supplies.
The UCC280x-Q1 series is specified for operation from –40°C to 125°C. |
UCC28050Transition mode PFC controller with 15.6V/9.7V UVLO and IEC61000-3-2 compliance, -40°C to 105°C | Power Management (PMIC) | 3 | Active | The UCC38050 and UCC38051 are PFC controllers for low-to-medium power applications requiring compliance with IEC 1000-3-2 harmonic reduction standard. The controllers are designed for a boost preregulator operating in transition mode (also referred to as boundary-conduction mode or critical conduction-mode operation). They feature a transconductance voltage amplifier for feedback error processing, a simple multiplier for generating a current command proportional to the input voltage, a current-sense (PWM) comparator, PWM logic, and a totem-pole driver for driving an external FET.
In the transition mode operation, the PWM circuit is self-oscillating, with the turnon being governed by an inductor zero-current detector (ZCD pin), and the turnoff being governed by the current-sense comparator. Additionally, the controller provides features such as peak current limit, default timer, overvoltage protection (OVP) and enable.
The UCC38050 and UCC38051 are PFC controllers for low-to-medium power applications requiring compliance with IEC 1000-3-2 harmonic reduction standard. The controllers are designed for a boost preregulator operating in transition mode (also referred to as boundary-conduction mode or critical conduction-mode operation). They feature a transconductance voltage amplifier for feedback error processing, a simple multiplier for generating a current command proportional to the input voltage, a current-sense (PWM) comparator, PWM logic, and a totem-pole driver for driving an external FET.
In the transition mode operation, the PWM circuit is self-oscillating, with the turnon being governed by an inductor zero-current detector (ZCD pin), and the turnoff being governed by the current-sense comparator. Additionally, the controller provides features such as peak current limit, default timer, overvoltage protection (OVP) and enable. |
UCC28051Transition mode PFC controller with 12.5V/9.7V UVLO and IEC61000-3-2 compliance, -40°C to 105 | PFC (Power Factor Correction) | 5 | Active | The UCC38050 and UCC38051 are PFC controllers for low-to-medium power applications requiring compliance with IEC 1000-3-2 harmonic reduction standard. The controllers are designed for a boost preregulator operating in transition mode (also referred to as boundary-conduction mode or critical conduction-mode operation). They feature a transconductance voltage amplifier for feedback error processing, a simple multiplier for generating a current command proportional to the input voltage, a current-sense (PWM) comparator, PWM logic, and a totem-pole driver for driving an external FET.
In the transition mode operation, the PWM circuit is self-oscillating, with the turnon being governed by an inductor zero-current detector (ZCD pin), and the turnoff being governed by the current-sense comparator. Additionally, the controller provides features such as peak current limit, default timer, overvoltage protection (OVP) and enable.
The UCC38050 and UCC38051 are PFC controllers for low-to-medium power applications requiring compliance with IEC 1000-3-2 harmonic reduction standard. The controllers are designed for a boost preregulator operating in transition mode (also referred to as boundary-conduction mode or critical conduction-mode operation). They feature a transconductance voltage amplifier for feedback error processing, a simple multiplier for generating a current command proportional to the input voltage, a current-sense (PWM) comparator, PWM logic, and a totem-pole driver for driving an external FET.
In the transition mode operation, the PWM circuit is self-oscillating, with the turnon being governed by an inductor zero-current detector (ZCD pin), and the turnoff being governed by the current-sense comparator. Additionally, the controller provides features such as peak current limit, default timer, overvoltage protection (OVP) and enable. |
UCC280566-pin high performance CRM/DCM PFC controller | Development Boards, Kits, Programmers | 6 | Active | The UCC28056 device drives PFC boost stages based on an innovative mixed mode method that operates in transition mode (TM) at full load and transitions seamlessly into discontinuous conduction mode (DCM) at reduced load, automatically reducing switching frequency. This device incorporates burst mode operation to further improve light load performance, enabling systems to meet challenging energy standards while eliminating the need to switch off the PFC. UCC28056 can drive a PFC power stage up to 300 W, ensuring sinusoidal line input current with low distortion, close to unity power factor. When used with the LLC controllerUCC256403/4, and dual synchronous rectifier controllerUCC24624less than 80 mW system standby power can be achieved, enabling PFC always on architecture and eliminating the need for an auxiliary converter. This with FET Drain valley turn-on with simple boost inductor allows fewest component count and reduced system cost.
The UCC28056 device drives PFC boost stages based on an innovative mixed mode method that operates in transition mode (TM) at full load and transitions seamlessly into discontinuous conduction mode (DCM) at reduced load, automatically reducing switching frequency. This device incorporates burst mode operation to further improve light load performance, enabling systems to meet challenging energy standards while eliminating the need to switch off the PFC. UCC28056 can drive a PFC power stage up to 300 W, ensuring sinusoidal line input current with low distortion, close to unity power factor. When used with the LLC controllerUCC256403/4, and dual synchronous rectifier controllerUCC24624less than 80 mW system standby power can be achieved, enabling PFC always on architecture and eliminating the need for an auxiliary converter. This with FET Drain valley turn-on with simple boost inductor allows fewest component count and reduced system cost. |
UCC280615V, 0.5A low power BICMOS 1MHz Dual output current mode PWM controller -40C to 85C | Integrated Circuits (ICs) | 8 | Active | The UCC3806 family of BiCMOS PWM controllers offers exceptionally improved performance with a familiar architecture. With the same block diagram and pinout of the popular UC3846 series, the UCC3806 line features increased switching frequency capability while greatly reducing the bias current used within the device. With a typical startup current of 50µA and a well defined voltage threshold for turn-on, these devices are favored for applications ranging from off-line power supplies to battery operated portable equipment. Dual high current, MOSFET driving outputs and a fast current sense loop further enhance device versatility.
All the benefits of current mode control including simpler loop closing, voltage feed-forward, parallelability with current sharing, pulse-by-pulse current limiting, and push-pull symmetry correction are readily achievable with the UCC3806 series.
These devices are available with multiple package options for both through-hole and surface mount applications; and in commercial, industrial, and military temperature ranges.
The UCC3806 is specified for operation from –55°C to +125°C, the UCC2806 is specified for operation from –40°C to +85°C, and the UCC3806 is specified for operation from 0°C to +70°C.
The UCC3806 family of BiCMOS PWM controllers offers exceptionally improved performance with a familiar architecture. With the same block diagram and pinout of the popular UC3846 series, the UCC3806 line features increased switching frequency capability while greatly reducing the bias current used within the device. With a typical startup current of 50µA and a well defined voltage threshold for turn-on, these devices are favored for applications ranging from off-line power supplies to battery operated portable equipment. Dual high current, MOSFET driving outputs and a fast current sense loop further enhance device versatility.
All the benefits of current mode control including simpler loop closing, voltage feed-forward, parallelability with current sharing, pulse-by-pulse current limiting, and push-pull symmetry correction are readily achievable with the UCC3806 series.
These devices are available with multiple package options for both through-hole and surface mount applications; and in commercial, industrial, and military temperature ranges.
The UCC3806 is specified for operation from –55°C to +125°C, the UCC2806 is specified for operation from –40°C to +85°C, and the UCC3806 is specified for operation from 0°C to +70°C. |
| Integrated Circuits (ICs) | 3 | Active | ||
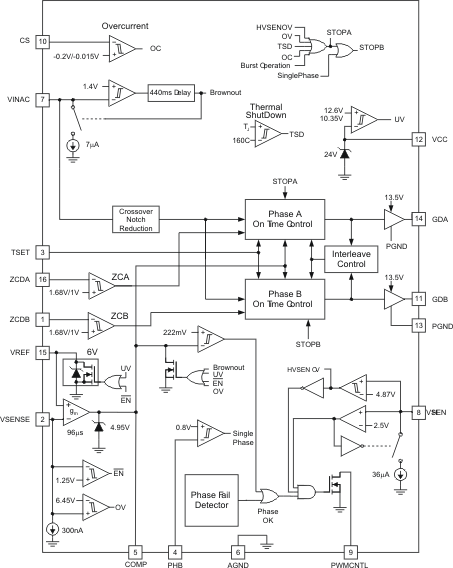
UCC28061-Q1Automotive transition-mode interleaved PFC controller with improved audible noise immunity | Evaluation and Demonstration Boards and Kits | 6 | Active | Optimized for consumer applications concerned with audible noise elimination, this solution extends the advantages of transition mode—high efficiency with low-cost components—to higher power ratings than previously possible. By utilizing a Natural Interleaving technique, both channels operate as (that is, there is no slave channel) synchronized to the same frequency. This approach delivers inherently strong matching, faster responses, and ensures that each channel operates in transition mode.
Complete system-level protections feature input brownout, output over-voltage, open-loop, overload, soft-start, phase-fail detection, and thermal shutdown. The additional FailSafe over-voltage protection (OVP) feature protects against shorts to an intermediate voltage that, if undetected, could lead to catastrophic device failure.
Optimized for consumer applications concerned with audible noise elimination, this solution extends the advantages of transition mode—high efficiency with low-cost components—to higher power ratings than previously possible. By utilizing a Natural Interleaving technique, both channels operate as (that is, there is no slave channel) synchronized to the same frequency. This approach delivers inherently strong matching, faster responses, and ensures that each channel operates in transition mode.
Complete system-level protections feature input brownout, output over-voltage, open-loop, overload, soft-start, phase-fail detection, and thermal shutdown. The additional FailSafe over-voltage protection (OVP) feature protects against shorts to an intermediate voltage that, if undetected, could lead to catastrophic device failure. |
UCC28063ANatural interleaving transition-mode PFC controller with audible and input surge noise Immunity | Evaluation Boards | 4 | Active | This part is identical to UCC28063 with the exception that the TSET pin Open/ Short Fault Detect and the CS pin Open Fault Detect features are removed. Removal of these Fault Detect features provides a higher degree of noise immunity to provide increased "ride-through" for applications where significant voltage noise could be coupled onto the TSET or CS pins during conditions of fast transient, surge or impulse noise on the AC Supply.
Optimized for consumer applications concerned with audible noise elimination, this solution extends the advantages of transition mode – high efficiency with low-cost components – to higher power ratings than previously possible. By utilizing a Natural Interleaving technique, both channels operate as masters (that is, there is no slave channel) synchronized to the same frequency. This approach delivers inherently strong matching, faster responses, and ensures that each channel operates in transition mode.
Expanded system level protections feature input brownout and dropout recovery, output over-voltage, open-loop, overload, soft-start, phase-fail detection, and thermal shutdown. The additional FailSafe over-voltage protection (OVP) feature protects against shorts to an intermediate voltage that, if undetected, could lead to catastrophic device failure. Advanced non-linear gain results in rapid, yet smoother response to line and load transient events. Reduced bias currents improve stand-by power efficiency. Special line-dropout handling avoids significant current disruption and minimizes audible-noise generation.
This part is identical to UCC28063 with the exception that the TSET pin Open/ Short Fault Detect and the CS pin Open Fault Detect features are removed. Removal of these Fault Detect features provides a higher degree of noise immunity to provide increased "ride-through" for applications where significant voltage noise could be coupled onto the TSET or CS pins during conditions of fast transient, surge or impulse noise on the AC Supply.
Optimized for consumer applications concerned with audible noise elimination, this solution extends the advantages of transition mode – high efficiency with low-cost components – to higher power ratings than previously possible. By utilizing a Natural Interleaving technique, both channels operate as masters (that is, there is no slave channel) synchronized to the same frequency. This approach delivers inherently strong matching, faster responses, and ensures that each channel operates in transition mode.
Expanded system level protections feature input brownout and dropout recovery, output over-voltage, open-loop, overload, soft-start, phase-fail detection, and thermal shutdown. The additional FailSafe over-voltage protection (OVP) feature protects against shorts to an intermediate voltage that, if undetected, could lead to catastrophic device failure. Advanced non-linear gain results in rapid, yet smoother response to line and load transient events. Reduced bias currents improve stand-by power efficiency. Special line-dropout handling avoids significant current disruption and minimizes audible-noise generation. |
| Evaluation Boards | 1 | Active | ||
UCC2807-2Economy low power BICMOS 1MHz current mode PWM with 12.5V/8.3V UVLO, Prog duty cycle, -40C to 85C | PMIC | 8 | Active | The UCC3807 family of high speed, low power integrated circuits contains all of the control and drive circuitry required for off-line and dc-to-dc fixed frequency current mode switching power supplies with minimal external parts count.
These devices are similar to the UCC3800 family, but with the added feature of a user programmable maximum duty cycle. Oscillator frequency and maximum duty cycle are programmed with two resistors and a capacitor. The UCC3807 family also features internal full cycle soft start and internal leading edge blanking of the current sense input.
The UCC3807 family offers a variety of package options, temperature range options, and choice of critical voltage levels. The family has UVLO thresholds and hysteresis levels for off-line and battery powered systems. Thresholds are shown in the table below.
The UCC3807 family of high speed, low power integrated circuits contains all of the control and drive circuitry required for off-line and dc-to-dc fixed frequency current mode switching power supplies with minimal external parts count.
These devices are similar to the UCC3800 family, but with the added feature of a user programmable maximum duty cycle. Oscillator frequency and maximum duty cycle are programmed with two resistors and a capacitor. The UCC3807 family also features internal full cycle soft start and internal leading edge blanking of the current sense input.
The UCC3807 family offers a variety of package options, temperature range options, and choice of critical voltage levels. The family has UVLO thresholds and hysteresis levels for off-line and battery powered systems. Thresholds are shown in the table below. |