TPS620463.3-V Output, 1.2-A, 95% Efficient Step-Down Converter, 18uA, MSOP-10, QFN-10 | Integrated Circuits (ICs) | 5 | Active | The TPS6204x family of devices are high efficiency synchronous step-down dc-dc converters optimized for battery powered portable applications. The devices are ideal for portable applications powered by a single Li-Ion battery cell or by 3-cell NiMH/NiCd batteries. With an output voltage range from 6.0 V down to 0.7 V, the devices support low voltage DSPs and processors in PDAs, pocket PCs, as well as notebooks and subnotebook computers. The TPS6204x operates at a fixed switching frequency of 1.25 MHz and enters the power save mode operation at light load currents to maintain high efficiency over the entire load current range. For low noise applications, the devices can be forced into fixed frequency PWM mode by pulling the MODE pin high. The TPS6204x supports up to 1.2-A load current.
The TPS6204x family of devices are high efficiency synchronous step-down dc-dc converters optimized for battery powered portable applications. The devices are ideal for portable applications powered by a single Li-Ion battery cell or by 3-cell NiMH/NiCd batteries. With an output voltage range from 6.0 V down to 0.7 V, the devices support low voltage DSPs and processors in PDAs, pocket PCs, as well as notebooks and subnotebook computers. The TPS6204x operates at a fixed switching frequency of 1.25 MHz and enters the power save mode operation at light load currents to maintain high efficiency over the entire load current range. For low noise applications, the devices can be forced into fixed frequency PWM mode by pulling the MODE pin high. The TPS6204x supports up to 1.2-A load current. |
| Development Boards, Kits, Programmers | 4 | Active | |
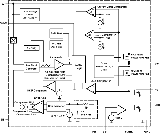
TPS62051Adjustable, 800-mA, 10V Vin, Enhanced LBI, Step-Down Converter in MSOP-10 | Voltage Regulators - DC DC Switching Regulators | 1 | Unknown | The TPS6205x devices are a family of high-efficiency synchronous step-down DC-DC converters that are ideally suited for systems powered from a 1- or 2-cell Li-Ion battery or from a 3- to 5-cell NiCd, NiMH, or alkaline battery.
The TPS6205x devices are synchronous pulse width modulation (PWM) converters with integrated N- and P-channel power MOSFET switches. Synchronous rectification increases efficiency and reduces external component count. To achieve highest efficiency over a wide load current range, the converter enters a power-saving pulse frequency modulation (PFM) mode at light load currents. Operating frequency is typically 850 kHz, allowing the use of small inductor and capacitor values. The device can be synchronized to an external clock signal in the range of 600 kHz to 1.2 MHz. For low noise operation, the converter can be programmed into forced-fixed frequency in PWM mode. In shutdown mode, the current consumption is reduced to less than 2 µA. The TPS6205x devices are available in the 10-pin (DGS) micro-small outline package (MSOP) and operates over a free air temperature range of –40°C to 85°C.
The TPS6205x devices are a family of high-efficiency synchronous step-down DC-DC converters that are ideally suited for systems powered from a 1- or 2-cell Li-Ion battery or from a 3- to 5-cell NiCd, NiMH, or alkaline battery.
The TPS6205x devices are synchronous pulse width modulation (PWM) converters with integrated N- and P-channel power MOSFET switches. Synchronous rectification increases efficiency and reduces external component count. To achieve highest efficiency over a wide load current range, the converter enters a power-saving pulse frequency modulation (PFM) mode at light load currents. Operating frequency is typically 850 kHz, allowing the use of small inductor and capacitor values. The device can be synchronized to an external clock signal in the range of 600 kHz to 1.2 MHz. For low noise operation, the converter can be programmed into forced-fixed frequency in PWM mode. In shutdown mode, the current consumption is reduced to less than 2 µA. The TPS6205x devices are available in the 10-pin (DGS) micro-small outline package (MSOP) and operates over a free air temperature range of –40°C to 85°C. |
TPS620521.5-V Output, 800-mA, 10V Vin, 95% Efficient Step-Down Converter in MSOP-10 | Voltage Regulators - DC DC Switching Regulators | 1 | Active | The TPS6205x devices are a family of high-efficiency synchronous step-down DC-DC converters that are ideally suited for systems powered from a 1- or 2-cell Li-Ion battery or from a 3- to 5-cell NiCd, NiMH, or alkaline battery.
The TPS6205x devices are synchronous pulse width modulation (PWM) converters with integrated N- and P-channel power MOSFET switches. Synchronous rectification increases efficiency and reduces external component count. To achieve highest efficiency over a wide load current range, the converter enters a power-saving pulse frequency modulation (PFM) mode at light load currents. Operating frequency is typically 850 kHz, allowing the use of small inductor and capacitor values. The device can be synchronized to an external clock signal in the range of 600 kHz to 1.2 MHz. For low noise operation, the converter can be programmed into forced-fixed frequency in PWM mode. In shutdown mode, the current consumption is reduced to less than 2 µA. The TPS6205x devices are available in the 10-pin (DGS) micro-small outline package (MSOP) and operates over a free air temperature range of –40°C to 85°C.
The TPS6205x devices are a family of high-efficiency synchronous step-down DC-DC converters that are ideally suited for systems powered from a 1- or 2-cell Li-Ion battery or from a 3- to 5-cell NiCd, NiMH, or alkaline battery.
The TPS6205x devices are synchronous pulse width modulation (PWM) converters with integrated N- and P-channel power MOSFET switches. Synchronous rectification increases efficiency and reduces external component count. To achieve highest efficiency over a wide load current range, the converter enters a power-saving pulse frequency modulation (PFM) mode at light load currents. Operating frequency is typically 850 kHz, allowing the use of small inductor and capacitor values. The device can be synchronized to an external clock signal in the range of 600 kHz to 1.2 MHz. For low noise operation, the converter can be programmed into forced-fixed frequency in PWM mode. In shutdown mode, the current consumption is reduced to less than 2 µA. The TPS6205x devices are available in the 10-pin (DGS) micro-small outline package (MSOP) and operates over a free air temperature range of –40°C to 85°C. |
TPS620541.8-V Output, 800-mA, 10V Vin, 95% Efficient Step-Down Converter in MSOP-10 | Integrated Circuits (ICs) | 1 | Active | The TPS6205x devices are a family of high-efficiency synchronous step-down DC-DC converters that are ideally suited for systems powered from a 1- or 2-cell Li-Ion battery or from a 3- to 5-cell NiCd, NiMH, or alkaline battery.
The TPS6205x devices are synchronous pulse width modulation (PWM) converters with integrated N- and P-channel power MOSFET switches. Synchronous rectification increases efficiency and reduces external component count. To achieve highest efficiency over a wide load current range, the converter enters a power-saving pulse frequency modulation (PFM) mode at light load currents. Operating frequency is typically 850 kHz, allowing the use of small inductor and capacitor values. The device can be synchronized to an external clock signal in the range of 600 kHz to 1.2 MHz. For low noise operation, the converter can be programmed into forced-fixed frequency in PWM mode. In shutdown mode, the current consumption is reduced to less than 2 µA. The TPS6205x devices are available in the 10-pin (DGS) micro-small outline package (MSOP) and operates over a free air temperature range of –40°C to 85°C.
The TPS6205x devices are a family of high-efficiency synchronous step-down DC-DC converters that are ideally suited for systems powered from a 1- or 2-cell Li-Ion battery or from a 3- to 5-cell NiCd, NiMH, or alkaline battery.
The TPS6205x devices are synchronous pulse width modulation (PWM) converters with integrated N- and P-channel power MOSFET switches. Synchronous rectification increases efficiency and reduces external component count. To achieve highest efficiency over a wide load current range, the converter enters a power-saving pulse frequency modulation (PFM) mode at light load currents. Operating frequency is typically 850 kHz, allowing the use of small inductor and capacitor values. The device can be synchronized to an external clock signal in the range of 600 kHz to 1.2 MHz. For low noise operation, the converter can be programmed into forced-fixed frequency in PWM mode. In shutdown mode, the current consumption is reduced to less than 2 µA. The TPS6205x devices are available in the 10-pin (DGS) micro-small outline package (MSOP) and operates over a free air temperature range of –40°C to 85°C. |
| Integrated Circuits (ICs) | 4 | Active | |
TPS620603MHz, 1.6A Step-Down Converter in 2x2 SON Package | Evaluation Boards | 3 | Active | The TPS6206x is a family of highly efficient synchronous step-down DC-DC converters. They provide up to 1.6-A output current.
With an input voltage range of 2.7 V to 6 V, the device is a perfect fit for power conversion from a single Li-Ion battery as well from 5-V or 3.3-V system supply rails. The TPS6206x operates at 3-MHz fixed frequency and enters power save mode operation at light load currents to maintain high efficiency over the entire load current range. The power save mode is optimized for low output voltage ripple. For low noise applications, the device can be forced into fixed frequency PWM mode by pulling the MODE pin high.
In the shutdown mode, the current consumption is reduced to less than 1 µA and an internal circuit discharges the output capacitor.
TPS6206x family is optimized for operation with a tiny 1-µH inductor and a small 10-µF output capacitor to achieve smallest solution size and high regulation performance.
The TPS6206x operates over a free air temperature of –40°C to 85°C. The device is available in a small 2-mm × 2-mm × 0.75-mm 8-pin WSON PowerPAD integrated circuit package.
The TPS6206x is a family of highly efficient synchronous step-down DC-DC converters. They provide up to 1.6-A output current.
With an input voltage range of 2.7 V to 6 V, the device is a perfect fit for power conversion from a single Li-Ion battery as well from 5-V or 3.3-V system supply rails. The TPS6206x operates at 3-MHz fixed frequency and enters power save mode operation at light load currents to maintain high efficiency over the entire load current range. The power save mode is optimized for low output voltage ripple. For low noise applications, the device can be forced into fixed frequency PWM mode by pulling the MODE pin high.
In the shutdown mode, the current consumption is reduced to less than 1 µA and an internal circuit discharges the output capacitor.
TPS6206x family is optimized for operation with a tiny 1-µH inductor and a small 10-µF output capacitor to achieve smallest solution size and high regulation performance.
The TPS6206x operates over a free air temperature of –40°C to 85°C. The device is available in a small 2-mm × 2-mm × 0.75-mm 8-pin WSON PowerPAD integrated circuit package. |
TPS620613MHz, 1.6A Step-Down Converter in 2x2mm SON Package, Vout=1.8V | Power Management (PMIC) | 1 | Active | The TPS6206x is a family of highly efficient synchronous step-down DC-DC converters. They provide up to 1.6-A output current.
With an input voltage range of 2.7 V to 6 V, the device is a perfect fit for power conversion from a single Li-Ion battery as well from 5-V or 3.3-V system supply rails. The TPS6206x operates at 3-MHz fixed frequency and enters power save mode operation at light load currents to maintain high efficiency over the entire load current range. The power save mode is optimized for low output voltage ripple. For low noise applications, the device can be forced into fixed frequency PWM mode by pulling the MODE pin high.
In the shutdown mode, the current consumption is reduced to less than 1 µA and an internal circuit discharges the output capacitor.
TPS6206x family is optimized for operation with a tiny 1-µH inductor and a small 10-µF output capacitor to achieve smallest solution size and high regulation performance.
The TPS6206x operates over a free air temperature of –40°C to 85°C. The device is available in a small 2-mm × 2-mm × 0.75-mm 8-pin WSON PowerPAD integrated circuit package.
The TPS6206x is a family of highly efficient synchronous step-down DC-DC converters. They provide up to 1.6-A output current.
With an input voltage range of 2.7 V to 6 V, the device is a perfect fit for power conversion from a single Li-Ion battery as well from 5-V or 3.3-V system supply rails. The TPS6206x operates at 3-MHz fixed frequency and enters power save mode operation at light load currents to maintain high efficiency over the entire load current range. The power save mode is optimized for low output voltage ripple. For low noise applications, the device can be forced into fixed frequency PWM mode by pulling the MODE pin high.
In the shutdown mode, the current consumption is reduced to less than 1 µA and an internal circuit discharges the output capacitor.
TPS6206x family is optimized for operation with a tiny 1-µH inductor and a small 10-µF output capacitor to achieve smallest solution size and high regulation performance.
The TPS6206x operates over a free air temperature of –40°C to 85°C. The device is available in a small 2-mm × 2-mm × 0.75-mm 8-pin WSON PowerPAD integrated circuit package. |
TPS620633MHz, 1.6A Step-Down Converter in 2x2mm SON Package, Vout=3.3V | Integrated Circuits (ICs) | 1 | Active | The TPS6206x is a family of highly efficient synchronous step-down DC-DC converters. They provide up to 1.6-A output current.
With an input voltage range of 2.7 V to 6 V, the device is a perfect fit for power conversion from a single Li-Ion battery as well from 5-V or 3.3-V system supply rails. The TPS6206x operates at 3-MHz fixed frequency and enters power save mode operation at light load currents to maintain high efficiency over the entire load current range. The power save mode is optimized for low output voltage ripple. For low noise applications, the device can be forced into fixed frequency PWM mode by pulling the MODE pin high.
In the shutdown mode, the current consumption is reduced to less than 1 µA and an internal circuit discharges the output capacitor.
TPS6206x family is optimized for operation with a tiny 1-µH inductor and a small 10-µF output capacitor to achieve smallest solution size and high regulation performance.
The TPS6206x operates over a free air temperature of –40°C to 85°C. The device is available in a small 2-mm × 2-mm × 0.75-mm 8-pin WSON PowerPAD integrated circuit package.
The TPS6206x is a family of highly efficient synchronous step-down DC-DC converters. They provide up to 1.6-A output current.
With an input voltage range of 2.7 V to 6 V, the device is a perfect fit for power conversion from a single Li-Ion battery as well from 5-V or 3.3-V system supply rails. The TPS6206x operates at 3-MHz fixed frequency and enters power save mode operation at light load currents to maintain high efficiency over the entire load current range. The power save mode is optimized for low output voltage ripple. For low noise applications, the device can be forced into fixed frequency PWM mode by pulling the MODE pin high.
In the shutdown mode, the current consumption is reduced to less than 1 µA and an internal circuit discharges the output capacitor.
TPS6206x family is optimized for operation with a tiny 1-µH inductor and a small 10-µF output capacitor to achieve smallest solution size and high regulation performance.
The TPS6206x operates over a free air temperature of –40°C to 85°C. The device is available in a small 2-mm × 2-mm × 0.75-mm 8-pin WSON PowerPAD integrated circuit package. |
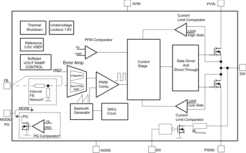
TPS620653MHz, 2A Step-Down Converter in 2x2 SON Package | Development Boards, Kits, Programmers | 2 | Active | The TPS6206x is a family of highly efficient synchronous step down DC/DC converters. They provide up to 2-A output current.
With an input voltage range of 2.9 V to 6 V, the device is a perfect fit for power conversion from a 5-V or 3.3-V system supply rail. The TPS6206x operates at 3-MHz fixed frequency and enters power save mode operation at light load currents to maintain high efficiency over the entire load current range. The power save mode is optimized for low output voltage ripple. For low noise applications, TPS62065 can be forced into fixed frequency PWM mode by pulling the MODE pin high. TPS62067 provides an open drain power good output.
In the shutdown mode, the current consumption is reduced to less than 1 µA and an internal circuit discharges the output capacitor.
TPS6206x family is optimized for operation with a tiny 1 µH inductor and a small 10-µF output capacitor to achieve smallest solution size and high regulation performance.
It is available in a small 2-mm × 2-mm × 0.75-mm 8-pin WSON package.
The TPS6206x is a family of highly efficient synchronous step down DC/DC converters. They provide up to 2-A output current.
With an input voltage range of 2.9 V to 6 V, the device is a perfect fit for power conversion from a 5-V or 3.3-V system supply rail. The TPS6206x operates at 3-MHz fixed frequency and enters power save mode operation at light load currents to maintain high efficiency over the entire load current range. The power save mode is optimized for low output voltage ripple. For low noise applications, TPS62065 can be forced into fixed frequency PWM mode by pulling the MODE pin high. TPS62067 provides an open drain power good output.
In the shutdown mode, the current consumption is reduced to less than 1 µA and an internal circuit discharges the output capacitor.
TPS6206x family is optimized for operation with a tiny 1 µH inductor and a small 10-µF output capacitor to achieve smallest solution size and high regulation performance.
It is available in a small 2-mm × 2-mm × 0.75-mm 8-pin WSON package. |