TPS60240170 uVrms Zero-Ripple Switched Cap Boost Converter With Fixed 3.3V Output For VCO Supply | Voltage Regulators - DC DC Switching Regulators | 1 | Active | The TPS6024x devices are a family of switched capacitor voltage converters, ideally suited for voltage-controlled oscillator (VCO) and phase-locked loop (PLL) applications that require low noise and tight tolerances. Its dual-cap design uses four ceramic capacitors to provide ultra-low output ripple with high efficiency, while eliminating the need for inefficient linear regulators.
The TPS6024x devices operate down to 1.8 V, supporting a 3.3-V, 2.7-V, 3-V output from two-cell, nickel- or alkaline-based chemistries, whereas the TPS60241 works with 2.7-V to 5.5-V input voltage providing a 5-V output. The devices work equally well for low EMI DC–DC step-up conversion without the need for an inductor. The high switching frequency (typical 160 kHz) promotes the use of small surface-mount capacitors, saving board space. The shutdown mode of the converter conserves battery energy.
The devices are thermally protected and current-limited for reliable operation even under persisting fault conditions. Normal quiescent current (ground pin current) is only 250 µA, and typically 0.1 µA in shutdown mode. The TPS6024x devices come in a thin, 8-pin VSSOP package with a component height of only 1.1 mm.
The TPS6024x devices are a family of switched capacitor voltage converters, ideally suited for voltage-controlled oscillator (VCO) and phase-locked loop (PLL) applications that require low noise and tight tolerances. Its dual-cap design uses four ceramic capacitors to provide ultra-low output ripple with high efficiency, while eliminating the need for inefficient linear regulators.
The TPS6024x devices operate down to 1.8 V, supporting a 3.3-V, 2.7-V, 3-V output from two-cell, nickel- or alkaline-based chemistries, whereas the TPS60241 works with 2.7-V to 5.5-V input voltage providing a 5-V output. The devices work equally well for low EMI DC–DC step-up conversion without the need for an inductor. The high switching frequency (typical 160 kHz) promotes the use of small surface-mount capacitors, saving board space. The shutdown mode of the converter conserves battery energy.
The devices are thermally protected and current-limited for reliable operation even under persisting fault conditions. Normal quiescent current (ground pin current) is only 250 µA, and typically 0.1 µA in shutdown mode. The TPS6024x devices come in a thin, 8-pin VSSOP package with a component height of only 1.1 mm. |
TPS60241170 uVrms Zero-Ripple Switched Cap Boost Converter With Fixed 5.0V Output For VCO Supply | Evaluation Boards | 4 | Active | The TPS6024x devices are a family of switched capacitor voltage converters, ideally suited for voltage-controlled oscillator (VCO) and phase-locked loop (PLL) applications that require low noise and tight tolerances. Its dual-cap design uses four ceramic capacitors to provide ultra-low output ripple with high efficiency, while eliminating the need for inefficient linear regulators.
The TPS6024x devices operate down to 1.8 V, supporting a 3.3-V, 2.7-V, 3-V output from two-cell, nickel- or alkaline-based chemistries, whereas the TPS60241 works with 2.7-V to 5.5-V input voltage providing a 5-V output. The devices work equally well for low EMI DC–DC step-up conversion without the need for an inductor. The high switching frequency (typical 160 kHz) promotes the use of small surface-mount capacitors, saving board space. The shutdown mode of the converter conserves battery energy.
The devices are thermally protected and current-limited for reliable operation even under persisting fault conditions. Normal quiescent current (ground pin current) is only 250 µA, and typically 0.1 µA in shutdown mode. The TPS6024x devices come in a thin, 8-pin VSSOP package with a component height of only 1.1 mm.
The TPS6024x devices are a family of switched capacitor voltage converters, ideally suited for voltage-controlled oscillator (VCO) and phase-locked loop (PLL) applications that require low noise and tight tolerances. Its dual-cap design uses four ceramic capacitors to provide ultra-low output ripple with high efficiency, while eliminating the need for inefficient linear regulators.
The TPS6024x devices operate down to 1.8 V, supporting a 3.3-V, 2.7-V, 3-V output from two-cell, nickel- or alkaline-based chemistries, whereas the TPS60241 works with 2.7-V to 5.5-V input voltage providing a 5-V output. The devices work equally well for low EMI DC–DC step-up conversion without the need for an inductor. The high switching frequency (typical 160 kHz) promotes the use of small surface-mount capacitors, saving board space. The shutdown mode of the converter conserves battery energy.
The devices are thermally protected and current-limited for reliable operation even under persisting fault conditions. Normal quiescent current (ground pin current) is only 250 µA, and typically 0.1 µA in shutdown mode. The TPS6024x devices come in a thin, 8-pin VSSOP package with a component height of only 1.1 mm. |
| Integrated Circuits (ICs) | 2 | Active | |
TPS60243170 uVrms Zero-Ripple Switched Cap Boost Converter With Fixed 3V Output For VCO Supply | Integrated Circuits (ICs) | 2 | Active | The TPS6024x devices are a family of switched capacitor voltage converters, ideally suited for voltage-controlled oscillator (VCO) and phase-locked loop (PLL) applications that require low noise and tight tolerances. Its dual-cap design uses four ceramic capacitors to provide ultra-low output ripple with high efficiency, while eliminating the need for inefficient linear regulators.
The TPS6024x devices operate down to 1.8 V, supporting a 3.3-V, 2.7-V, 3-V output from two-cell, nickel- or alkaline-based chemistries, whereas the TPS60241 works with 2.7-V to 5.5-V input voltage providing a 5-V output. The devices work equally well for low EMI DC–DC step-up conversion without the need for an inductor. The high switching frequency (typical 160 kHz) promotes the use of small surface-mount capacitors, saving board space. The shutdown mode of the converter conserves battery energy.
The devices are thermally protected and current-limited for reliable operation even under persisting fault conditions. Normal quiescent current (ground pin current) is only 250 µA, and typically 0.1 µA in shutdown mode. The TPS6024x devices come in a thin, 8-pin VSSOP package with a component height of only 1.1 mm.
The TPS6024x devices are a family of switched capacitor voltage converters, ideally suited for voltage-controlled oscillator (VCO) and phase-locked loop (PLL) applications that require low noise and tight tolerances. Its dual-cap design uses four ceramic capacitors to provide ultra-low output ripple with high efficiency, while eliminating the need for inefficient linear regulators.
The TPS6024x devices operate down to 1.8 V, supporting a 3.3-V, 2.7-V, 3-V output from two-cell, nickel- or alkaline-based chemistries, whereas the TPS60241 works with 2.7-V to 5.5-V input voltage providing a 5-V output. The devices work equally well for low EMI DC–DC step-up conversion without the need for an inductor. The high switching frequency (typical 160 kHz) promotes the use of small surface-mount capacitors, saving board space. The shutdown mode of the converter conserves battery energy.
The devices are thermally protected and current-limited for reliable operation even under persisting fault conditions. Normal quiescent current (ground pin current) is only 250 µA, and typically 0.1 µA in shutdown mode. The TPS6024x devices come in a thin, 8-pin VSSOP package with a component height of only 1.1 mm. |
| Power Management (PMIC) | 2 | Active | |
| Evaluation Boards | 3 | Active | |
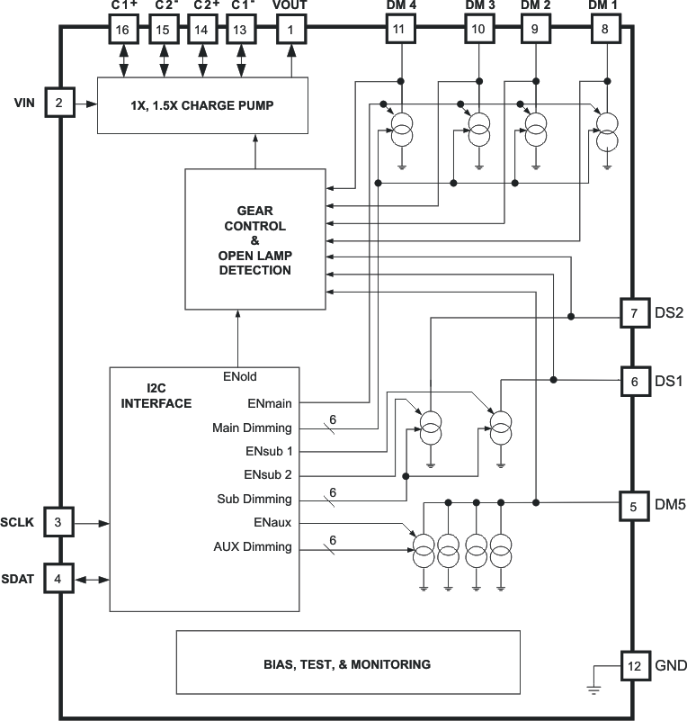
TPS60252High efficiency charge pump for 7 WLEDs with I2C interface with 0x76 I2C slave address | Power Management (PMIC) | 1 | Active | The TPS60250/2 are high efficiency, constant frequency charge pump DC/DC converters that use dual mode 1× and 1.5× conversions to maximize efficiency over the input voltage range. The devices drive up to five white LEDs for the main display and up to two white LEDs for the sub display with regulated constant current for uniform intensity. By utilizing adaptive 1×/1.5× charge pump modes and very low-dropout current regulators, the TPS60250/2 achieve high efficiency over the full 1-cell lithium-battery input voltage range.
Four enable inputs, ENmain, ENsub1, ENsub2, and ENaux, available through the I2C, are used for simple on/off controls for the independent main, sub1, sub2, and DM5 displays, respectively. To lower the operating current when using one sub display LED, the devices provide completely separate operation for the sub display LEDs.
The TPS60250/2 are available in a 16-pin 3mm x 3mm thin QFN.
The TPS60250/2 are high efficiency, constant frequency charge pump DC/DC converters that use dual mode 1× and 1.5× conversions to maximize efficiency over the input voltage range. The devices drive up to five white LEDs for the main display and up to two white LEDs for the sub display with regulated constant current for uniform intensity. By utilizing adaptive 1×/1.5× charge pump modes and very low-dropout current regulators, the TPS60250/2 achieve high efficiency over the full 1-cell lithium-battery input voltage range.
Four enable inputs, ENmain, ENsub1, ENsub2, and ENaux, available through the I2C, are used for simple on/off controls for the independent main, sub1, sub2, and DM5 displays, respectively. To lower the operating current when using one sub display LED, the devices provide completely separate operation for the sub display LEDs.
The TPS60250/2 are available in a 16-pin 3mm x 3mm thin QFN. |
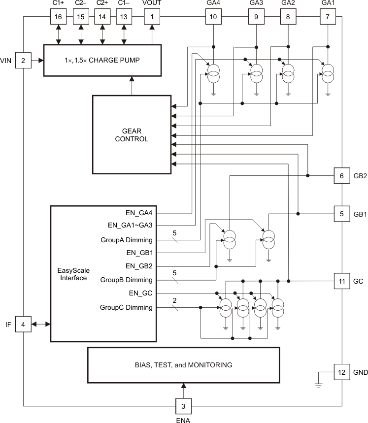
TPS602557-channel, high efficiency 175-mA charge pump for white LED backlight | LED Driver Evaluation Boards | 2 | Active | The TPS60255 is a high-efficiency, constant frequency charge pump DC/DC converter that uses 1× and 1.5× conversion to maximize efficiency for the input voltage range. By using adaptive 1×/1.5× charge-pump modes and very low dropout current regulators, the TPS60255 achieves high efficiency for the entire one-cell lithium battery range. The protection features include soft start, over-current limit, thermal shut down, and over-voltage detection. The device automatically detects and removes unused current sinks from the control loop.
This device drives six 25 mA current sinks and one 80 mA current sink. These current regulators are programmed by three independent brightness registers and five ON/OFF bits using a single-wire interface (EasyScale™). This offers flexible applications for a variety of lighting control in portable devices.
The TPS60255 is a high-efficiency, constant frequency charge pump DC/DC converter that uses 1× and 1.5× conversion to maximize efficiency for the input voltage range. By using adaptive 1×/1.5× charge-pump modes and very low dropout current regulators, the TPS60255 achieves high efficiency for the entire one-cell lithium battery range. The protection features include soft start, over-current limit, thermal shut down, and over-voltage detection. The device automatically detects and removes unused current sinks from the control loop.
This device drives six 25 mA current sinks and one 80 mA current sink. These current regulators are programmed by three independent brightness registers and five ON/OFF bits using a single-wire interface (EasyScale™). This offers flexible applications for a variety of lighting control in portable devices. |
| Development Boards, Kits, Programmers | 1 | Obsolete | |
| Integrated Circuits (ICs) | 3 | Active | |