T
Texas Instruments
| Series | Category | # Parts | Status | Description |
|---|---|---|---|---|
| Part | Spec A | Spec B | Spec C | Spec D | Description |
|---|---|---|---|---|---|
| Series | Category | # Parts | Status | Description |
|---|---|---|---|---|
| Part | Spec A | Spec B | Spec C | Spec D | Description |
|---|---|---|---|---|---|
| Part | Category | Description |
|---|---|---|
Texas Instruments | Integrated Circuits (ICs) | BUS DRIVER, BCT/FBT SERIES |
Texas Instruments | Integrated Circuits (ICs) | 12BIT 3.3V~3.6V 210MHZ PARALLEL VQFN-48-EP(7X7) ANALOG TO DIGITAL CONVERTERS (ADC) ROHS |
Texas Instruments | Integrated Circuits (ICs) | TMX320DRE311 179PIN UBGA 200MHZ |
Texas Instruments TPS61040DRVTG4Unknown | Integrated Circuits (ICs) | IC LED DRV RGLTR PWM 350MA 6WSON |
Texas Instruments LP3876ET-2.5Obsolete | Integrated Circuits (ICs) | IC REG LINEAR 2.5V 3A TO220-5 |
Texas Instruments LMS1585ACSX-ADJObsolete | Integrated Circuits (ICs) | IC REG LIN POS ADJ 5A DDPAK |
Texas Instruments INA111APG4Obsolete | Integrated Circuits (ICs) | IC INST AMP 1 CIRCUIT 8DIP |
Texas Instruments | Integrated Circuits (ICs) | AUTOMOTIVE, QUAD 36V 1.2MHZ OPERATIONAL AMPLIFIER |
Texas Instruments OPA340NA/3KG4Unknown | Integrated Circuits (ICs) | IC OPAMP GP 1 CIRCUIT SOT23-5 |
Texas Instruments PT5112AObsolete | Power Supplies - Board Mount | DC DC CONVERTER 8V 8W |
| Series | Category | # Parts | Status | Description |
|---|---|---|---|---|
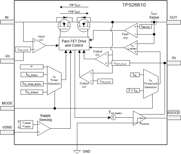
TPS2661150-V, universal 4-20-mA, ±20-mA current loop protector | Current Regulation/Management | 3 | Active | The TPS2661x is a compact, feature-rich, fully integrated current loop protector suitable for analog inputs, analog outputs, sensor transmitters, HART inputs, and UART IO protection. The device provides universal input protection for ±20 mA, 0 mA to 20 mA, and 4 mA–20 mA. Low RONvalues of 7.5 Ω minimizes drop in the current loop, thereby extending operating range and supporting operation even with lower voltage power supplies. The device can withstand and protect the loads from positive and negative supply voltages up to ±50 V. The MODE pin allows flexibility to enable 2x current limit through the device to enable proper start-up of two wire transmitters. Device is capable of operating from an external bipolar supply as low as ± 2.25 V to ±20 V. The device can also be powered from unipolar supplies as low as 3 V to 30 V. The TPS26610 and TPS26613 feature loop power mode to facilitate loop testing in un-powered state without ±Vs supplies.
The device also protects the system from output side miswiring in analog outputs and sensor transmitters by turning off the current path. The internal robust protection control blocks along with the 50-V rating of the TPS2661x help to protect against surge (IEC61000-4-5) and EFT (IEC61000-4-4) transients for signal lines. The device greatly reduces system footprint by its 2.9-mm × 1.6-mm 8-pin SOT-23 package.
The TPS2661x is a compact, feature-rich, fully integrated current loop protector suitable for analog inputs, analog outputs, sensor transmitters, HART inputs, and UART IO protection. The device provides universal input protection for ±20 mA, 0 mA to 20 mA, and 4 mA–20 mA. Low RONvalues of 7.5 Ω minimizes drop in the current loop, thereby extending operating range and supporting operation even with lower voltage power supplies. The device can withstand and protect the loads from positive and negative supply voltages up to ±50 V. The MODE pin allows flexibility to enable 2x current limit through the device to enable proper start-up of two wire transmitters. Device is capable of operating from an external bipolar supply as low as ± 2.25 V to ±20 V. The device can also be powered from unipolar supplies as low as 3 V to 30 V. The TPS26610 and TPS26613 feature loop power mode to facilitate loop testing in un-powered state without ±Vs supplies.
The device also protects the system from output side miswiring in analog outputs and sensor transmitters by turning off the current path. The internal robust protection control blocks along with the 50-V rating of the TPS2661x help to protect against surge (IEC61000-4-5) and EFT (IEC61000-4-4) transients for signal lines. The device greatly reduces system footprint by its 2.9-mm × 1.6-mm 8-pin SOT-23 package. |
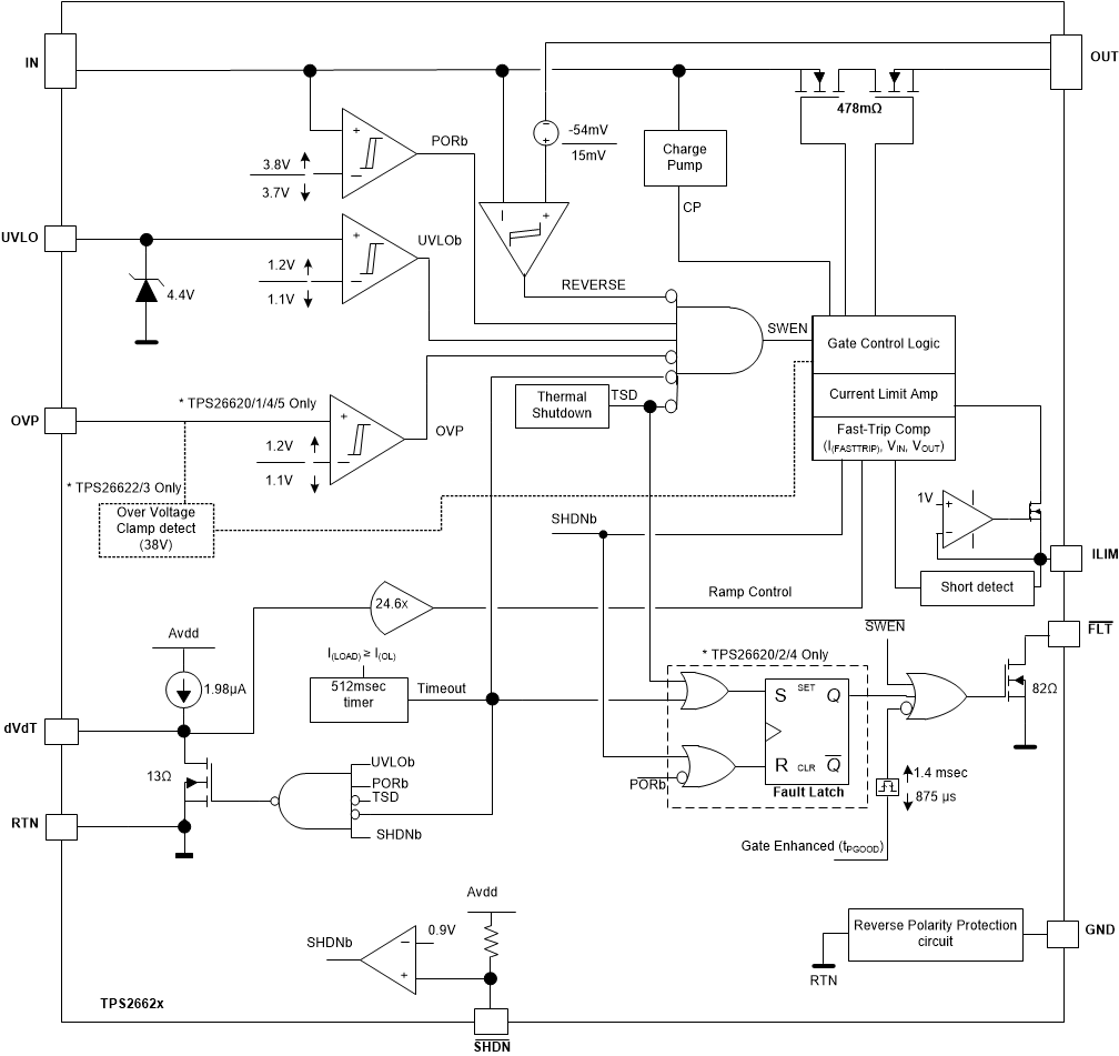
TPS266254.5-V to 60-V, 478mΩ, 0.025-0.88A eFuse with integrated input and output reverse polarity protection | Current Regulation/Management | 8 | Active | The TPS2662x family are compact, feature rich high voltage eFuses with a full suite of protection features. The wide supply input range of 4.5 V to 60 V allows control of many popular DC bus voltages. The device can withstand and protect the loads from positive and negative supply voltages up to ±60 V. The TPS26624 and TPS26625 devices support both input as well as output reverse polarity protection feature. Integrated back to back FETs provide reverse current blocking feature making the device suitable for systems with output voltage holdup requirements during power fail and brownout conditions. Load, source and device protection are provided with many adjustable features including overcurrent, output slew rate and overvoltage, undervoltage thresholds. The internal robust protection control blocks along with the high voltage rating of the TPS2662x family helps to simplify the system designs for Surge protection.
The TPS26620, TPS26622 and TPS26624 feature latch-off and TPS26621, TPS26623 and TPS26625 feature auto-retry functionality, which are the overtemperature and overcurrent fault events.
The devices are available in a 3 mm × 3 mm 10-pin SON package and are specified over a –40°C to +125°C temperature range.
The TPS2662x family are compact, feature rich high voltage eFuses with a full suite of protection features. The wide supply input range of 4.5 V to 60 V allows control of many popular DC bus voltages. The device can withstand and protect the loads from positive and negative supply voltages up to ±60 V. The TPS26624 and TPS26625 devices support both input as well as output reverse polarity protection feature. Integrated back to back FETs provide reverse current blocking feature making the device suitable for systems with output voltage holdup requirements during power fail and brownout conditions. Load, source and device protection are provided with many adjustable features including overcurrent, output slew rate and overvoltage, undervoltage thresholds. The internal robust protection control blocks along with the high voltage rating of the TPS2662x family helps to simplify the system designs for Surge protection.
The TPS26620, TPS26622 and TPS26624 feature latch-off and TPS26621, TPS26623 and TPS26625 feature auto-retry functionality, which are the overtemperature and overcurrent fault events.
The devices are available in a 3 mm × 3 mm 10-pin SON package and are specified over a –40°C to +125°C temperature range. |
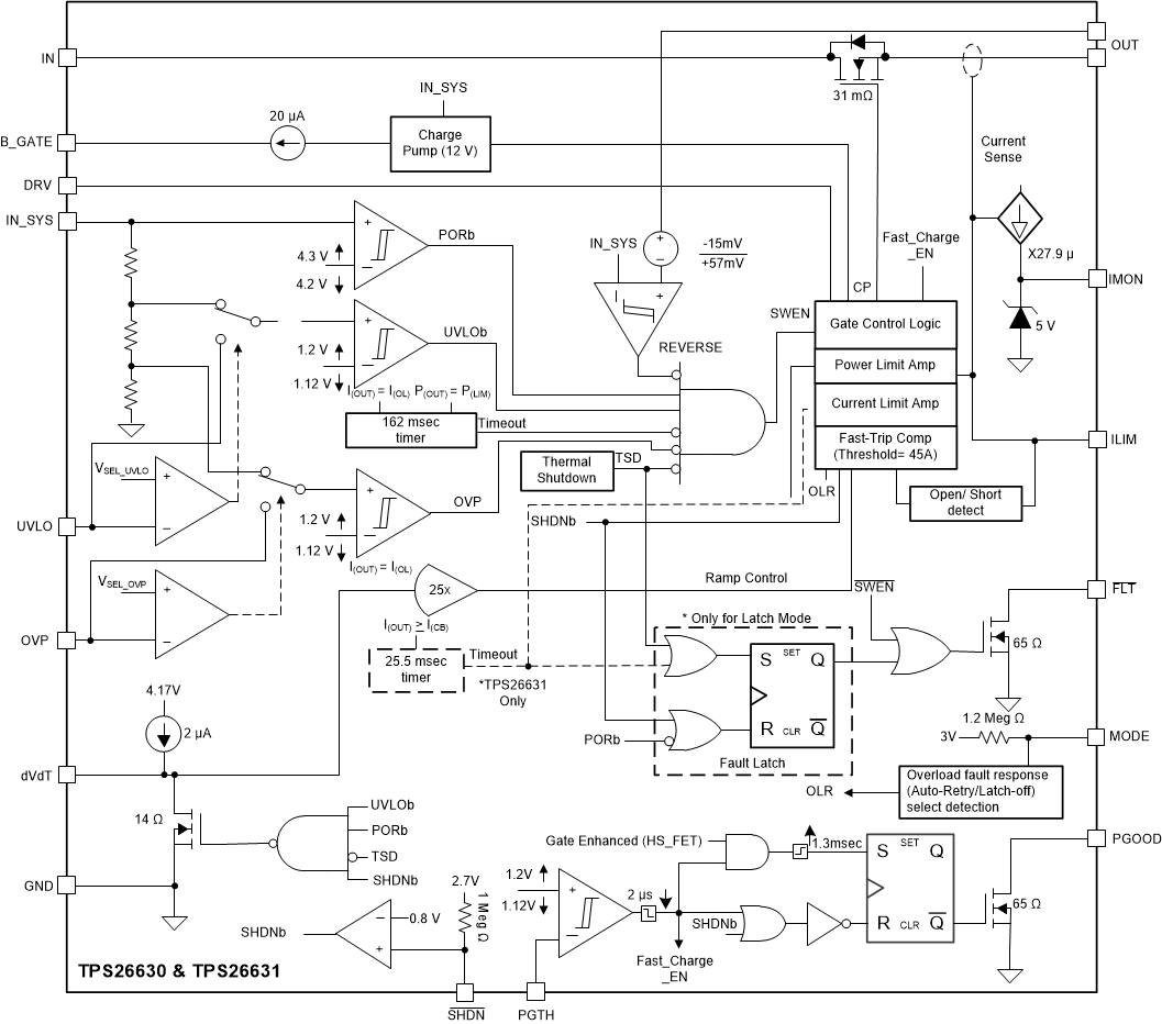
TPS266314.5-V to 60-V, 31mΩ, 0.6-6A eFuse with output power limiting and surge protection | Evaluation Boards | 9 | Active | The TPS2663x devices are easy to use, positive 60V and 6A eFuse with a 31mΩ integrated FET. The device features a B-FET driver to control an external N-channel FET in the system designs that require protection from input reverse polarity faults and reverse current blocking. The device incorporates robust protection features that simplify system designs requiring protection during system tests like IEC61000-4-5 industrial surge tests. The device features an adjustable output power limiting (PLIM) functionality that simplifies the system design requiring compliance in accordance to the standards like IEC61010-1 and UL1310. Additional protection features include adjustable overcurrent protection, fast short-circuit protection, output slew rate control, overvoltage protection, and undervoltage lockout.
For system status monitoring and downstream load control, the device provides fault and a precise current monitor output. PGOOD can be used for enable and disable control of the downstream DC-DC converters. The MODE pin allows flexibility to configure the device between the two current-limiting fault responses (latch-off and auto-retry).
The TPS2663x devices are easy to use, positive 60V and 6A eFuse with a 31mΩ integrated FET. The device features a B-FET driver to control an external N-channel FET in the system designs that require protection from input reverse polarity faults and reverse current blocking. The device incorporates robust protection features that simplify system designs requiring protection during system tests like IEC61000-4-5 industrial surge tests. The device features an adjustable output power limiting (PLIM) functionality that simplifies the system design requiring compliance in accordance to the standards like IEC61010-1 and UL1310. Additional protection features include adjustable overcurrent protection, fast short-circuit protection, output slew rate control, overvoltage protection, and undervoltage lockout.
For system status monitoring and downstream load control, the device provides fault and a precise current monitor output. PGOOD can be used for enable and disable control of the downstream DC-DC converters. The MODE pin allows flexibility to configure the device between the two current-limiting fault responses (latch-off and auto-retry). |
| Current Regulation/Management | 2 | Active | ||
| Power Management - Specialized | 1 | Active | ||
| Development Boards, Kits, Programmers | 1 | Active | ||
TPS27082L8-V, 3-A, 44-mΩ load switch with adj. rise time and hysteresis | Power Distribution Switches, Load Drivers | 1 | NRND | The TPS27082L IC is a high-side load switch that integrates a Power PFET and a control circuit in a tiny TSOT-23 package. TPS27082L requires very low ON-state quiescent current and offers very low OFF-state leakage thus optimizing system power efficiency.
TPS27082L ON/OFF logic interface features hysteresis, thus providing a robust logic interface even under very noisy operating conditions. TPS27082L ON/OFF interface supports direct interfacing to low voltage GPIOs down to 1 V. The TPS27082L level shifts ON/OFF logic signal to VIN levels without requiring an external level shifter.
TPS27082L features a novel OFF isolation circuit that prevents PMOS from turning ON in applications that may have fast transients, at the VIN pin when the load switch is in the OFF-state.
The TPS27082L IC is a high-side load switch that integrates a Power PFET and a control circuit in a tiny TSOT-23 package. TPS27082L requires very low ON-state quiescent current and offers very low OFF-state leakage thus optimizing system power efficiency.
TPS27082L ON/OFF logic interface features hysteresis, thus providing a robust logic interface even under very noisy operating conditions. TPS27082L ON/OFF interface supports direct interfacing to low voltage GPIOs down to 1 V. The TPS27082L level shifts ON/OFF logic signal to VIN levels without requiring an external level shifter.
TPS27082L features a novel OFF isolation circuit that prevents PMOS from turning ON in applications that may have fast transients, at the VIN pin when the load switch is in the OFF-state. |
TPS272C4536-V, 45-mΩ, 3-A, 2-ch, Industrial high-side switch with adjustable current limit | Power Distribution Switches, Load Drivers | 2 | Active | The TPS272C45 is a dual-channel smart high-side switch designed to meet the requirements of industrial control systems. The low on-resistance (R DS(on) of 45 mΩ) minimizes device power dissipation driving a wide range (100 mA to 3 A) of output load current. The device provides an additional low voltage supply (3.3 V to 5 V) input pin to minimize no-load power dissipation. The device integrates protection features such as thermal shut down, output clamp, and overcurrent limit. These features improve system robustness during fault events such as short circuit.
The TPS272C45 device implements an adjustable threshold current limiting circuit that improves the reliability of the system by reducing inrush current when driving large capacitive loads and minimizing overload current. The device also implements a configurable inrush current time period with a higher level of allowed current to drive high inrush current loads like lamps or for fast charging of capacitive loads. The device also provides an accurate load current sense that allows for improved load diagnostics enabling better predictive maintenance.
The TPS272C45 device is available in a small 24-pin, 5 mm × 4 mm QFN leadless package with 0.5 mm pin pitch minimizing the PCB footprint.
The TPS272C45 is a dual-channel smart high-side switch designed to meet the requirements of industrial control systems. The low on-resistance (R DS(on) of 45 mΩ) minimizes device power dissipation driving a wide range (100 mA to 3 A) of output load current. The device provides an additional low voltage supply (3.3 V to 5 V) input pin to minimize no-load power dissipation. The device integrates protection features such as thermal shut down, output clamp, and overcurrent limit. These features improve system robustness during fault events such as short circuit.
The TPS272C45 device implements an adjustable threshold current limiting circuit that improves the reliability of the system by reducing inrush current when driving large capacitive loads and minimizing overload current. The device also implements a configurable inrush current time period with a higher level of allowed current to drive high inrush current loads like lamps or for fast charging of capacitive loads. The device also provides an accurate load current sense that allows for improved load diagnostics enabling better predictive maintenance.
The TPS272C45 device is available in a small 24-pin, 5 mm × 4 mm QFN leadless package with 0.5 mm pin pitch minimizing the PCB footprint. |
TPS27416036-V, 160-mΩ, 1.35-A, 4-ch, Industrial high-side switch with adjustable current limit | Integrated Circuits (ICs) | 2 | Active | The TPS274160 device is a smart high-side switch with four integrated 160-mΩ NMOS power FETs and a chargepump to drive the gates. The device offers robust protection and diagnostic features to drive various loads (inductive, capacitive, and resistive) such as low wattage bulbs, LEDs, relays, solenoids, heaters, and sub-modules. The part enables flexible, multi-channel output configurations through paralleling channels and is in a very small WQFN package to enable usage in space constrained applications.
The device is protected against short circuit events and over-temperature events, safely shutting off the output during fault events. The device also implements an external adjustable current limiting feature. This feature improves the reliability of the system by reducing inrush current when driving large capacitive loads and minimizing overload current thereby eliminating system supply brown out condition.
The device also integrates diagnostic features like output current monitoring (version B) and open load detection to enable improved intelligence in modules and to enable predictive maintenance functionality.
The TPS274160 device is a smart high-side switch with four integrated 160-mΩ NMOS power FETs and a chargepump to drive the gates. The device offers robust protection and diagnostic features to drive various loads (inductive, capacitive, and resistive) such as low wattage bulbs, LEDs, relays, solenoids, heaters, and sub-modules. The part enables flexible, multi-channel output configurations through paralleling channels and is in a very small WQFN package to enable usage in space constrained applications.
The device is protected against short circuit events and over-temperature events, safely shutting off the output during fault events. The device also implements an external adjustable current limiting feature. This feature improves the reliability of the system by reducing inrush current when driving large capacitive loads and minimizing overload current thereby eliminating system supply brown out condition.
The device also integrates diagnostic features like output current monitoring (version B) and open load detection to enable improved intelligence in modules and to enable predictive maintenance functionality. |
TPS274C6512-V to 36-V 65-mΩ four-channel high-side switch with SPI interface and integrated ADC | Integrated Circuits (ICs) | 5 | Active | The TPS274C65xS device is a quad-channel smart high-side switch with a serial interface (SPI) control and is designed to meet the requirements of industrial control systems. The low 72mΩ RDSON minimizes device power dissipation even when providing large output load current. The device integrates protection and diagnostic features to ensure system protection even during harmful events like short circuits or load failures. The device protects against faults through areliable current limitwhich is adjustable from 250mA to 2.45A to provide protection regardless of output load current. The TPS274C65xS has a configurable inrush current period which sets a higher current limit during turn-on for high inrush current loads, charging capacitive loads faster, or driving incandescent bulbs.
The TPS274C65xS also provides accurate current sense and an integrated analog to digital converter (AS) that allows for improved load diagnostics. By reporting load current digitally, the device allows for communication over any isolation barrier while enabling predictive maintenance and load diagnostics to improve system lifetime. Additional diagnostic features are integrated, such as on-state or off-state open load detection and short-to-supply detection.
The TPS274C65xS is available in a small 6mm × 6mm VQFN package with 0.5mm pin pitch, which minimizes design PCB footprint.
The TPS274C65xS device is a quad-channel smart high-side switch with a serial interface (SPI) control and is designed to meet the requirements of industrial control systems. The low 72mΩ RDSON minimizes device power dissipation even when providing large output load current. The device integrates protection and diagnostic features to ensure system protection even during harmful events like short circuits or load failures. The device protects against faults through areliable current limitwhich is adjustable from 250mA to 2.45A to provide protection regardless of output load current. The TPS274C65xS has a configurable inrush current period which sets a higher current limit during turn-on for high inrush current loads, charging capacitive loads faster, or driving incandescent bulbs.
The TPS274C65xS also provides accurate current sense and an integrated analog to digital converter (AS) that allows for improved load diagnostics. By reporting load current digitally, the device allows for communication over any isolation barrier while enabling predictive maintenance and load diagnostics to improve system lifetime. Additional diagnostic features are integrated, such as on-state or off-state open load detection and short-to-supply detection.
The TPS274C65xS is available in a small 6mm × 6mm VQFN package with 0.5mm pin pitch, which minimizes design PCB footprint. |