T
Texas Instruments
| Series | Category | # Parts | Status | Description |
|---|---|---|---|---|
| Part | Spec A | Spec B | Spec C | Spec D | Description |
|---|---|---|---|---|---|
| Series | Category | # Parts | Status | Description |
|---|---|---|---|---|
| Part | Spec A | Spec B | Spec C | Spec D | Description |
|---|---|---|---|---|---|
| Part | Category | Description |
|---|---|---|
Texas Instruments | Integrated Circuits (ICs) | BUS DRIVER, BCT/FBT SERIES |
Texas Instruments | Integrated Circuits (ICs) | 12BIT 3.3V~3.6V 210MHZ PARALLEL VQFN-48-EP(7X7) ANALOG TO DIGITAL CONVERTERS (ADC) ROHS |
Texas Instruments | Integrated Circuits (ICs) | TMX320DRE311 179PIN UBGA 200MHZ |
Texas Instruments TPS61040DRVTG4Unknown | Integrated Circuits (ICs) | IC LED DRV RGLTR PWM 350MA 6WSON |
Texas Instruments LP3876ET-2.5Obsolete | Integrated Circuits (ICs) | IC REG LINEAR 2.5V 3A TO220-5 |
Texas Instruments LMS1585ACSX-ADJObsolete | Integrated Circuits (ICs) | IC REG LIN POS ADJ 5A DDPAK |
Texas Instruments INA111APG4Obsolete | Integrated Circuits (ICs) | IC INST AMP 1 CIRCUIT 8DIP |
Texas Instruments | Integrated Circuits (ICs) | AUTOMOTIVE, QUAD 36V 1.2MHZ OPERATIONAL AMPLIFIER |
Texas Instruments OPA340NA/3KG4Unknown | Integrated Circuits (ICs) | IC OPAMP GP 1 CIRCUIT SOT23-5 |
Texas Instruments PT5112AObsolete | Power Supplies - Board Mount | DC DC CONVERTER 8V 8W |
| Series | Category | # Parts | Status | Description |
|---|---|---|---|---|
TPS2032-Q1Automotive 1A loading, 2.7-5.5V, 33mΩ USB power switch, active-high | Evaluation and Demonstration Boards and Kits | 6 | Active | The TPS2032 power distribution switch is intended for applications where heavy capacitive loads and short circuits are likely to be encountered. These devices are 50-mN-channel MOSFET high-side power switches. The switch is controlled by a logic enable compatible with 5-V logic and 3-V logic. Gate drive is provided by an internal charge pump designed to control the power-switch rise times and fall times to minimize current surges during switching. The charge pump requires no external components and allows operation from supplies as low as 2.7 V.
When the output load exceeds the current-limit threshold or a short is present, the TPS2032 limits the output current to a safe level by switching into a constant-current mode, pulling the overcurrent (OC) logic output low. When continuous heavy overloads and short circuits increase the power dissipation in the switch, causing the junction temperature to rise, a thermal protection circuit shuts off the switch to prevent damage. Recovery from a thermal shutdown is automatic once the device has cooled sufficiently. Internal circuitry ensures the switch remains off until valid input voltage is present.
The TPS2032 limits at 1.5-A load. The TPS2032 is available in an 8-pin small-outline integrated-circuit (SOIC) package and operates over a temperature range of –40°C to 125°C.
The TPS2032 power distribution switch is intended for applications where heavy capacitive loads and short circuits are likely to be encountered. These devices are 50-mN-channel MOSFET high-side power switches. The switch is controlled by a logic enable compatible with 5-V logic and 3-V logic. Gate drive is provided by an internal charge pump designed to control the power-switch rise times and fall times to minimize current surges during switching. The charge pump requires no external components and allows operation from supplies as low as 2.7 V.
When the output load exceeds the current-limit threshold or a short is present, the TPS2032 limits the output current to a safe level by switching into a constant-current mode, pulling the overcurrent (OC) logic output low. When continuous heavy overloads and short circuits increase the power dissipation in the switch, causing the junction temperature to rise, a thermal protection circuit shuts off the switch to prevent damage. Recovery from a thermal shutdown is automatic once the device has cooled sufficiently. Internal circuitry ensures the switch remains off until valid input voltage is present.
The TPS2032 limits at 1.5-A load. The TPS2032 is available in an 8-pin small-outline integrated-circuit (SOIC) package and operates over a temperature range of –40°C to 125°C. |
| Power Distribution Switches, Load Drivers | 5 | Active | ||
| Power Distribution Switches, Load Drivers | 3 | Active | ||
| Evaluation and Demonstration Boards and Kits | 1 | Obsolete | ||
TPS2041B-Q10.5A loading, 4.5-5.5V, 97mΩ USB power switch, active-low, output discharge, reverse blocking | Evaluation Boards | 20 | Active | The TPS2041A through TPS2044A and TPS2051A through TPS2054A power-distribution switches are intended for applications where heavy capacitive loads and short circuits are likely to be encountered. These devices incorporate 80-mN-channel MOSFET high-side power switches for power-distribution systems that require multiple power switches in a single package. Each switch is controlled by an independent logic enable input. Gate drive is provided by an internal charge pump designed to control the power-switch rise times and fall times to minimize current surges during switching. The charge pump requires no external components and allows operation from supplies as low as 2.7V.
When the output load exceeds the current-limit threshold or a short is present, these devices limit the output current to a safe level by switching into a constant-current mode, pulling the overcurrent (OCx\) logic output low. When continuous heavy overloads and short circuits increase the power dissipation in the switch, causing the junction temperature to rise, a thermal protection circuit shuts off the switch to prevent damage. Recovery from a thermal shutdown is automatic once the device has cooled sufficiently. Internal circuitry ensures the switch remains off until valid input voltage is present. These power-distribution switches are designed to current limit at 0.9 A.
The TPS2041A through TPS2044A and TPS2051A through TPS2054A power-distribution switches are intended for applications where heavy capacitive loads and short circuits are likely to be encountered. These devices incorporate 80-mN-channel MOSFET high-side power switches for power-distribution systems that require multiple power switches in a single package. Each switch is controlled by an independent logic enable input. Gate drive is provided by an internal charge pump designed to control the power-switch rise times and fall times to minimize current surges during switching. The charge pump requires no external components and allows operation from supplies as low as 2.7V.
When the output load exceeds the current-limit threshold or a short is present, these devices limit the output current to a safe level by switching into a constant-current mode, pulling the overcurrent (OCx\) logic output low. When continuous heavy overloads and short circuits increase the power dissipation in the switch, causing the junction temperature to rise, a thermal protection circuit shuts off the switch to prevent damage. Recovery from a thermal shutdown is automatic once the device has cooled sufficiently. Internal circuitry ensures the switch remains off until valid input voltage is present. These power-distribution switches are designed to current limit at 0.9 A. |
TPS2042B-Q12-ch, 0.5A loading, 0.9A ILIMIT, 2.7-5.5V, 80mΩ USB power switch, active-low | Development Boards, Kits, Programmers | 17 | Active | The TPS2042 and TPS2052 dual power distribution switches are intended for applications where heavy capacitive loads and short circuits are likely to be encountered. Both the TPS2042 and the TPS2052 incorporate in a single package two 135-mN-channel MOSFET high-side power switches for power distribution systems that require multiple power switches. Each switch is controlled by a logic enable that is compatible with 5-V logic and 3-V logic. Gate drive is provided by an internal charge pump designed to control the power-switch rise times and fall times to minimize current surges during switching. The charge pump requires no external components and allows operation from supplies as low as 2.7 V.
When the output load exceeds the current-limit threshold or a short is present, the TPS2042 and TPS2052 limit the output current to a safe level by switching into a constant-current mode, pulling the overcurrent (OCx\) logic output low. When continuous heavy overloads and short circuits increase the power dissipation in the switch causing the junction temperature to rise, a thermal protection circuit shuts off the switch to prevent damage. Recovery from a thermal shutdown is automatic once the device has cooled sufficiently. Internal circuitry ensures the switch remains off until valid input voltage is present.
The TPS2042 and TPS2052 are designed to limit at 0.9-A load. These power distribution switches are available in 8-pin small-outline integrated circuit (SOIC) and 8-pin plastic dual-in-line packages (PDIP) and operate over an ambient temperature range of -40°C to 85°C.
The D package is available taped and reeled. Add an R suffix to device type (e.g., TPS2042DR)
The TPS2042 and TPS2052 dual power distribution switches are intended for applications where heavy capacitive loads and short circuits are likely to be encountered. Both the TPS2042 and the TPS2052 incorporate in a single package two 135-mN-channel MOSFET high-side power switches for power distribution systems that require multiple power switches. Each switch is controlled by a logic enable that is compatible with 5-V logic and 3-V logic. Gate drive is provided by an internal charge pump designed to control the power-switch rise times and fall times to minimize current surges during switching. The charge pump requires no external components and allows operation from supplies as low as 2.7 V.
When the output load exceeds the current-limit threshold or a short is present, the TPS2042 and TPS2052 limit the output current to a safe level by switching into a constant-current mode, pulling the overcurrent (OCx\) logic output low. When continuous heavy overloads and short circuits increase the power dissipation in the switch causing the junction temperature to rise, a thermal protection circuit shuts off the switch to prevent damage. Recovery from a thermal shutdown is automatic once the device has cooled sufficiently. Internal circuitry ensures the switch remains off until valid input voltage is present.
The TPS2042 and TPS2052 are designed to limit at 0.9-A load. These power distribution switches are available in 8-pin small-outline integrated circuit (SOIC) and 8-pin plastic dual-in-line packages (PDIP) and operate over an ambient temperature range of -40°C to 85°C.
The D package is available taped and reeled. Add an R suffix to device type (e.g., TPS2042DR) |
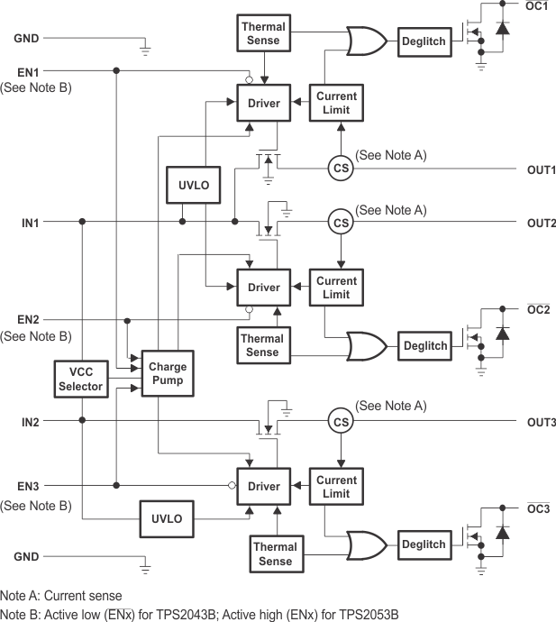
TPS2043B3-ch, 0.5A loading, 2.7-5.5V, 70mΩ USB power switch, active-low | Power Management (PMIC) | 6 | Active | The TPS20xxB power-distribution switches are intended for applications where heavy capacitive loads and short circuits are likely to be encountered. These devices incorporates 70mΩ N-channel MOSFET power switches for power-distribution systems that require multiple power switches in a single package. Each switch is controlled by a logic enable input. Gate drive is provided by an internal charge pump designed to control the power-switch rise times and fall times to minimize current surges during switching. The charge pump requires no external components and allows operation from supplies as low as 2.7V.
When the output load exceeds the current-limit threshold or a short is present, the device limits the output current to a safe level by switching into a constant-current mode, pulling the overcurrent ( OCx) logic output low. When continuous heavy overloads and short circuits increase the power dissipation in the switch, causing the junction temperature to rise, a thermal protection circuit shuts off the switch to prevent damage. Recovery from a thermal shutdown is automatic once the device has cooled sufficiently. Internal circuitry ensures that the switch remains off until valid input voltage is present. This power-distribution switch is designed to set current limit at 1A (typical).
The TPS20xxB power-distribution switches are intended for applications where heavy capacitive loads and short circuits are likely to be encountered. These devices incorporates 70mΩ N-channel MOSFET power switches for power-distribution systems that require multiple power switches in a single package. Each switch is controlled by a logic enable input. Gate drive is provided by an internal charge pump designed to control the power-switch rise times and fall times to minimize current surges during switching. The charge pump requires no external components and allows operation from supplies as low as 2.7V.
When the output load exceeds the current-limit threshold or a short is present, the device limits the output current to a safe level by switching into a constant-current mode, pulling the overcurrent ( OCx) logic output low. When continuous heavy overloads and short circuits increase the power dissipation in the switch, causing the junction temperature to rise, a thermal protection circuit shuts off the switch to prevent damage. Recovery from a thermal shutdown is automatic once the device has cooled sufficiently. Internal circuitry ensures that the switch remains off until valid input voltage is present. This power-distribution switch is designed to set current limit at 1A (typical). |
TPS2044B4-ch, 0.5A loading, 1A ILIMIT, 2.7-5.5V, 80mΩ USB power switch, active-low | Integrated Circuits (ICs) | 7 | Active | The TPS2041A through TPS2044A and TPS2051A through TPS2054A power-distribution switches are intended for applications where heavy capacitive loads and short circuits are likely to be encountered. These devices incorporate 80-mN-channel MOSFET high-side power switches for power-distribution systems that require multiple power switches in a single package. Each switch is controlled by an independent logic enable input. Gate drive is provided by an internal charge pump designed to control the power-switch rise times and fall times to minimize current surges during switching. The charge pump requires no external components and allows operation from supplies as low as 2.7V.
When the output load exceeds the current-limit threshold or a short is present, these devices limit the output current to a safe level by switching into a constant-current mode, pulling the overcurrent (OCx\) logic output low. When continuous heavy overloads and short circuits increase the power dissipation in the switch, causing the junction temperature to rise, a thermal protection circuit shuts off the switch to prevent damage. Recovery from a thermal shutdown is automatic once the device has cooled sufficiently. Internal circuitry ensures the switch remains off until valid input voltage is present. These power-distribution switches are designed to current limit at 0.9 A.
The TPS2041A through TPS2044A and TPS2051A through TPS2054A power-distribution switches are intended for applications where heavy capacitive loads and short circuits are likely to be encountered. These devices incorporate 80-mN-channel MOSFET high-side power switches for power-distribution systems that require multiple power switches in a single package. Each switch is controlled by an independent logic enable input. Gate drive is provided by an internal charge pump designed to control the power-switch rise times and fall times to minimize current surges during switching. The charge pump requires no external components and allows operation from supplies as low as 2.7V.
When the output load exceeds the current-limit threshold or a short is present, these devices limit the output current to a safe level by switching into a constant-current mode, pulling the overcurrent (OCx\) logic output low. When continuous heavy overloads and short circuits increase the power dissipation in the switch, causing the junction temperature to rise, a thermal protection circuit shuts off the switch to prevent damage. Recovery from a thermal shutdown is automatic once the device has cooled sufficiently. Internal circuitry ensures the switch remains off until valid input voltage is present. These power-distribution switches are designed to current limit at 0.9 A. |
TPS2045A0.25A loading, 0.5A ILIMIT, 2.7-5.5V, 80mΩ USB power switch, active-low | Power Management (PMIC) | 7 | Active | The TPS2045A through TPS2048A and TPS2055A through TPS2058A power-distribution switches are intended for applications where heavy capacitive loads and short circuits are likely to be encountered.
These devices incorporate 80-mN-channel MOSFET high-side power switches for power-distribution systems that require multiple power switches in a single package. Each switch is controlled by an independent logic enable input. Gate drive is provided by an internal charge pump designed to control the power-switch rise times and fall times to minimize current surges during switching. The charge pump requires no external components and allows operation from supplies as low as 2.7 V.
When the output load exceeds the current-limit threshold or a short is present, these devices limit the output current to a safe level by switching into a constant-current mode, pulling the overcurrent(OCx) logic output low. When continuous heavy overloads and short circuits increase the power dissipation in the switch, causing the junction temperature to rise, a thermal protection circuit shuts off the switch to prevent damage. Recovery from a thermal shutdown is automatic once the device has cooled sufficiently. Internal circuitry ensures the switch remains off until valid input voltage is present. These power-distribution switches are designed to current limit at 0.5 A.
The TPS2045A through TPS2048A and TPS2055A through TPS2058A power-distribution switches are intended for applications where heavy capacitive loads and short circuits are likely to be encountered.
These devices incorporate 80-mN-channel MOSFET high-side power switches for power-distribution systems that require multiple power switches in a single package. Each switch is controlled by an independent logic enable input. Gate drive is provided by an internal charge pump designed to control the power-switch rise times and fall times to minimize current surges during switching. The charge pump requires no external components and allows operation from supplies as low as 2.7 V.
When the output load exceeds the current-limit threshold or a short is present, these devices limit the output current to a safe level by switching into a constant-current mode, pulling the overcurrent(OCx) logic output low. When continuous heavy overloads and short circuits increase the power dissipation in the switch, causing the junction temperature to rise, a thermal protection circuit shuts off the switch to prevent damage. Recovery from a thermal shutdown is automatic once the device has cooled sufficiently. Internal circuitry ensures the switch remains off until valid input voltage is present. These power-distribution switches are designed to current limit at 0.5 A. |
TPS2046B2-ch, 0.25A loading, 2.7-5.5V, 70mΩ USB power switch, active-low | Power Distribution Switches, Load Drivers | 4 | Active | The TPS204xB/TPS2055B power-distribution switches are intended for applications where heavy capacitive loads and short circuits are likely to be encountered. These devices incorporate 70-mN-channel MOSFET power switches for power-distribution systems that require multiple power switches in a single package. Each switch is controlled by a logic-enable input. Gate drive is provided by an internal charge pump designed to control the power-switch rise times and fall times to minimize current surges during switching. The charge pump requires no external components and allows operation from supplies as low as 2.7 V.
When the output load exceeds the current-limit threshold or a short is present, the device limits the output current to a safe level by switching into a constant-current mode, pulling the overcurrent (OCx) logic output low. When continuous heavy overloads and short-circuits increase the power dissipation in the switch, causing the junction temperature to rise, a thermal protection circuit shuts off the switch to prevent damage. Recovery from a thermal shutdown is automatic once the device has cooled sufficiently. Internal circuitry ensures that the switch remains off until valid input voltage is present. This power-distribution switch is designed to set current limit at 0.5 A typically.
The TPS204xB/TPS2055B power-distribution switches are intended for applications where heavy capacitive loads and short circuits are likely to be encountered. These devices incorporate 70-mN-channel MOSFET power switches for power-distribution systems that require multiple power switches in a single package. Each switch is controlled by a logic-enable input. Gate drive is provided by an internal charge pump designed to control the power-switch rise times and fall times to minimize current surges during switching. The charge pump requires no external components and allows operation from supplies as low as 2.7 V.
When the output load exceeds the current-limit threshold or a short is present, the device limits the output current to a safe level by switching into a constant-current mode, pulling the overcurrent (OCx) logic output low. When continuous heavy overloads and short-circuits increase the power dissipation in the switch, causing the junction temperature to rise, a thermal protection circuit shuts off the switch to prevent damage. Recovery from a thermal shutdown is automatic once the device has cooled sufficiently. Internal circuitry ensures that the switch remains off until valid input voltage is present. This power-distribution switch is designed to set current limit at 0.5 A typically. |