TPA3136AD210-W stereo, 20-W mono, 4.5- to 14.4-V, analog in Class-D audio amplifier w/ inductor free & low EMI | Audio Amplifier Evaluation Boards | 5 | Active | The TPA3136D2, TPA3136AD2 device an efficient, Class-D audio power amplifier for driving bridged-tied stereo speakers at up to 10 W, 6 Ω, or 8 Ω (per channel).
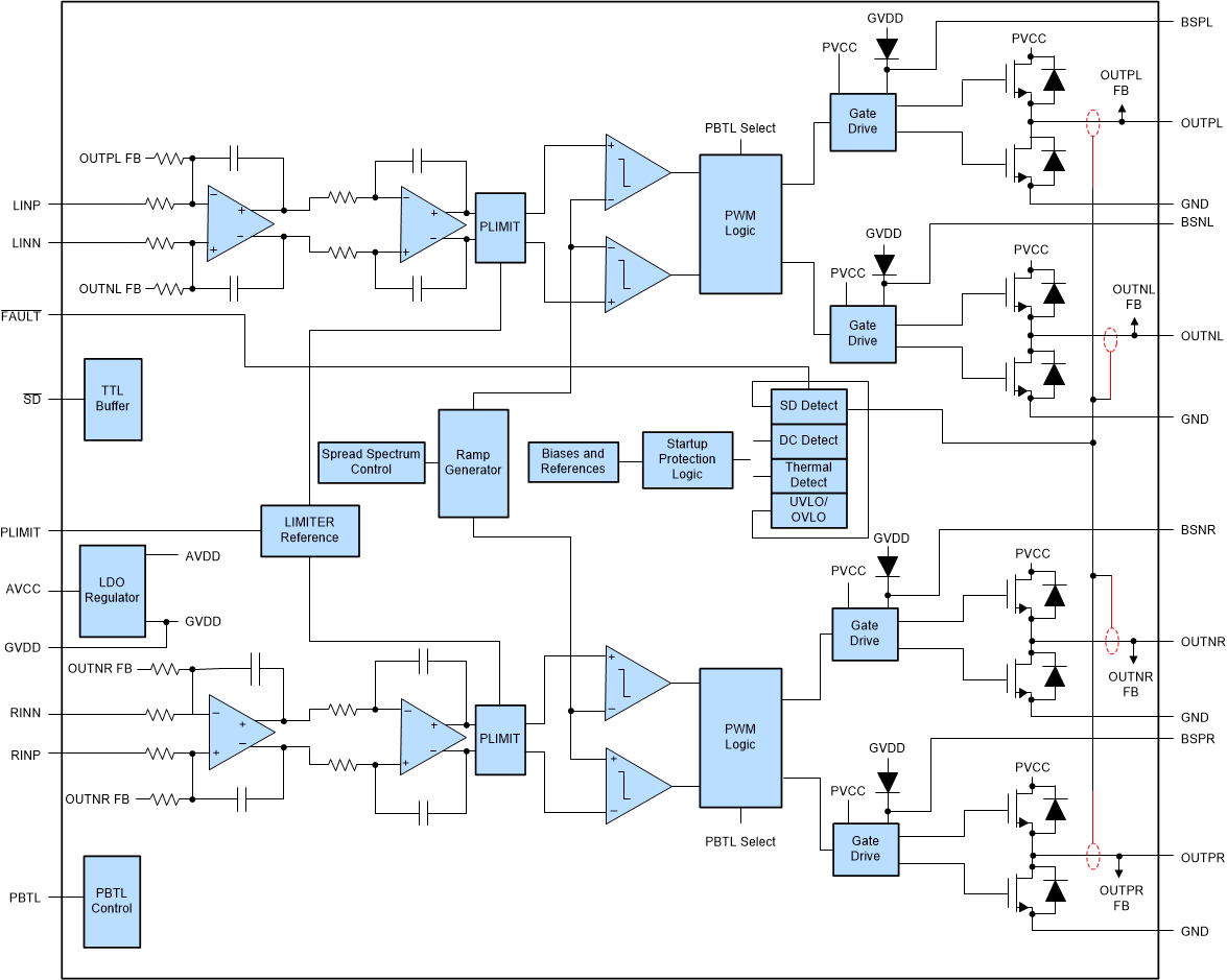
Advanced EMI Suppression Technology with Spread Spectrum Control scheme enables the use of inexpensive ferrite bead filters at the outputs while meeting EMC requirements for system cost reduction. The TPA3136D2, TPA3136AD2 device is not only fully protected against shorts and overload, the SpeakerGuard™ speaker protection circuitry includes a power limiter and a DC detection circuit for protection of the connected speakers. The DC detect and Pin-to-Pin, Pin-to-Ground, and Pin-to-Power Short Circuit protection circuit protect the speakers from output DC and pin shorts caused in production. The outputs are also fully protected against shorts to GND, PVCC, and output-to-output. The short-circuit protection and thermal protection includes an auto recovery feature.
The TPA3136D2, TPA3136AD2 device can drive stereo speakers with as low as 4-Ω impedance. The high efficiency of the TPA3136D2, TPA3136AD2, 90% with an 8-Ω load, eliminates the need for an external heat sink, and TPA3136D2, TPA3136AD2 will be able to output full power on a 2-layer PCB.
The TPA3136D2, TPA3136AD2 device an efficient, Class-D audio power amplifier for driving bridged-tied stereo speakers at up to 10 W, 6 Ω, or 8 Ω (per channel).
Advanced EMI Suppression Technology with Spread Spectrum Control scheme enables the use of inexpensive ferrite bead filters at the outputs while meeting EMC requirements for system cost reduction. The TPA3136D2, TPA3136AD2 device is not only fully protected against shorts and overload, the SpeakerGuard™ speaker protection circuitry includes a power limiter and a DC detection circuit for protection of the connected speakers. The DC detect and Pin-to-Pin, Pin-to-Ground, and Pin-to-Power Short Circuit protection circuit protect the speakers from output DC and pin shorts caused in production. The outputs are also fully protected against shorts to GND, PVCC, and output-to-output. The short-circuit protection and thermal protection includes an auto recovery feature.
The TPA3136D2, TPA3136AD2 device can drive stereo speakers with as low as 4-Ω impedance. The high efficiency of the TPA3136D2, TPA3136AD2, 90% with an 8-Ω load, eliminates the need for an external heat sink, and TPA3136D2, TPA3136AD2 will be able to output full power on a 2-layer PCB. |
TPA3137D26-W stereo, 12-W mono, 4.5- to 14.4-V, analog in Class-D audio amplifier, w/ inductor free & low EMI | Integrated Circuits (ICs) | 1 | Active | The TPA3137D2 device is an efficient, Class-D audio power amplifier for driving bridged-tied stereo speakers at up to 6 W, 6 Ω, or 8 Ω (per channel).
Advanced EMI Suppression Technology with Spread Spectrum Control scheme enables the use of inexpensive ferrite bead filters at the outputs while meeting EMC requirements for system cost reduction. The TPA3137D2 device is not only fully protected against shorts and overload, the SpeakerGuard™ speaker protection circuitry includes a power limiter and a DC detection circuit for protection of the connected speakers. The DC detect and Pin-to-Pin, Pin-to-Ground, and Pin-to-Power Short Circuit protection circuit protect the speakers from output DC and pin shorts caused in production. The outputs are also fully protected against shorts to GND, PVCC, and output-to-output. The short-circuit protection and thermal protection includes an auto recovery feature.
The TPA3137D2 device can drive stereo speakers with as low as 4-Ω impedance. The high efficiency of the TPA3137D2, 90% with an 8-Ω load, eliminates the need for an external heat sink, and TPA3137D2 will be able to output full power on a 2-layer PCB.
The TPA3137D2 device is an efficient, Class-D audio power amplifier for driving bridged-tied stereo speakers at up to 6 W, 6 Ω, or 8 Ω (per channel).
Advanced EMI Suppression Technology with Spread Spectrum Control scheme enables the use of inexpensive ferrite bead filters at the outputs while meeting EMC requirements for system cost reduction. The TPA3137D2 device is not only fully protected against shorts and overload, the SpeakerGuard™ speaker protection circuitry includes a power limiter and a DC detection circuit for protection of the connected speakers. The DC detect and Pin-to-Pin, Pin-to-Ground, and Pin-to-Power Short Circuit protection circuit protect the speakers from output DC and pin shorts caused in production. The outputs are also fully protected against shorts to GND, PVCC, and output-to-output. The short-circuit protection and thermal protection includes an auto recovery feature.
The TPA3137D2 device can drive stereo speakers with as low as 4-Ω impedance. The high efficiency of the TPA3137D2, 90% with an 8-Ω load, eliminates the need for an external heat sink, and TPA3137D2 will be able to output full power on a 2-layer PCB. |
TPA3138D210-W stereo, 18.5-W mono, 3.5- to 14.4-V, analog input Class-D audio amplifier w/ inductor free | Amplifiers | 1 | Active | The TPA3138D2 is a 10-W/ch, high-efficiency, low-idle-current Class-D stereo audio amplifier. It can drive stereo speakers with a load as low as 3.2-Ω. In the 1SPW mode, it consumes a low idle current of only 21-mA (12-V) and can operate down to 3.5-V, allowing for longer audio play and improved thermal performance in bluetooth speakers, battery-powered appliances and other power-sensitive applications.
Advanced EMI Suppression with Spread Spectrum Control enables the use of inexpensive ferrite bead filters while meeting EMC requirements for system cost reduction.
To further simplify the design, the TPA3138D2 integrates essential protection features including undervoltage, overvoltage, power limit, short circuit, overtemperature, as well as DC speaker protection. All of these protections come with automatic recovery.
Customers can leverage every TPA3138D2 feature in existing designs as it is fully pin-to-pin compatible to TI’s TPA3110D2, TPA3136D2 and TPA3136AD2.
The TPA3138D2 is a 10-W/ch, high-efficiency, low-idle-current Class-D stereo audio amplifier. It can drive stereo speakers with a load as low as 3.2-Ω. In the 1SPW mode, it consumes a low idle current of only 21-mA (12-V) and can operate down to 3.5-V, allowing for longer audio play and improved thermal performance in bluetooth speakers, battery-powered appliances and other power-sensitive applications.
Advanced EMI Suppression with Spread Spectrum Control enables the use of inexpensive ferrite bead filters while meeting EMC requirements for system cost reduction.
To further simplify the design, the TPA3138D2 integrates essential protection features including undervoltage, overvoltage, power limit, short circuit, overtemperature, as well as DC speaker protection. All of these protections come with automatic recovery.
Customers can leverage every TPA3138D2 feature in existing designs as it is fully pin-to-pin compatible to TI’s TPA3110D2, TPA3136D2 and TPA3136AD2. |
TPA3139D210W 3.5V–14.4V Inductor-free stereo QFN analog input Class-D audio amplifier | Development Boards, Kits, Programmers | 2 | Active | The TPA3139D2 is a 10-W stereo Class-D audio amplifier, featuring a fast turn-on time of <15 ms and mute function. It consumes low idle current of only 20-mA (12-V) and can operate down to 3.5-V, allowing for longer audio playback. Along with a small, 4 x 4 mm2QFN package, the TPA3139D2 is optimized for 2-cell or 3-cell battery-powered systems with the space constraints. In addition, the Spread Spectrum Control enables the use of inexpensive ferrite bead filters while meeting EMC requirements for system cost reduction.
To further simplify the design, the TPA3139D2 integrates essential protection features including undervoltage, overvoltage, power limit, short circuit, overtemperature, as well as DC speaker protection. All of these protections support automatic recovery.
The TPA3139D2 is a 10-W stereo Class-D audio amplifier, featuring a fast turn-on time of <15 ms and mute function. It consumes low idle current of only 20-mA (12-V) and can operate down to 3.5-V, allowing for longer audio playback. Along with a small, 4 x 4 mm2QFN package, the TPA3139D2 is optimized for 2-cell or 3-cell battery-powered systems with the space constraints. In addition, the Spread Spectrum Control enables the use of inexpensive ferrite bead filters while meeting EMC requirements for system cost reduction.
To further simplify the design, the TPA3139D2 integrates essential protection features including undervoltage, overvoltage, power limit, short circuit, overtemperature, as well as DC speaker protection. All of these protections support automatic recovery. |
TPA3140D210-W stereo, 20-W mono, 4.5- to 14.4-V, analog in Class-D audio amplifier w/ inductor free & AGL | Amplifiers | 1 | Active | The TPA3140D2 is an efficient, Class-D audio power amplifier for driving bridged-tied stereo speakers at up to 10 W, 6 Ω, or 8 Ω (per channel).
Advanced EMI Suppression Technology with Spread Spectrum Control and 1SPW modulation scheme enables the use of inexpensive ferrite bead filters at the outputs while meeting EMC requirements for system cost reduction. TPA3140D2 is not only fully protected against shorts and overload, the SpeakerGuard™ speaker protection circuitry includes an adjustable Automatic Gain Limit (AGL), an adjustable power limiter and a DC detection circuit for protection of the connected speakers. The AGL allows adjustment of the maximum output voltage without signal clipping for enhanced speaker protection and audio quality. The DC detect and Pin-to-Pin, Pin-to-Ground, and Pin-to-Power Short Circuit protection circuit protect the speakers from output DC and pin shorts caused in production. The outputs are also fully protected against shorts to GND, PVCC, and output-to-output. The short-circuit protection and thermal protection includes an auto recovery feature.
The TPA3140D2 can drive stereo speakers with as low as 4-Ω impedance. The high efficiency of the TPA3140D2, 90% with an 8-Ω load, eliminates the need for an external heat sink, and TPA3140D2 will be able to output full power on a 2-layer PCB.
The TPA3140D2 is an efficient, Class-D audio power amplifier for driving bridged-tied stereo speakers at up to 10 W, 6 Ω, or 8 Ω (per channel).
Advanced EMI Suppression Technology with Spread Spectrum Control and 1SPW modulation scheme enables the use of inexpensive ferrite bead filters at the outputs while meeting EMC requirements for system cost reduction. TPA3140D2 is not only fully protected against shorts and overload, the SpeakerGuard™ speaker protection circuitry includes an adjustable Automatic Gain Limit (AGL), an adjustable power limiter and a DC detection circuit for protection of the connected speakers. The AGL allows adjustment of the maximum output voltage without signal clipping for enhanced speaker protection and audio quality. The DC detect and Pin-to-Pin, Pin-to-Ground, and Pin-to-Power Short Circuit protection circuit protect the speakers from output DC and pin shorts caused in production. The outputs are also fully protected against shorts to GND, PVCC, and output-to-output. The short-circuit protection and thermal protection includes an auto recovery feature.
The TPA3140D2 can drive stereo speakers with as low as 4-Ω impedance. The high efficiency of the TPA3140D2, 90% with an 8-Ω load, eliminates the need for an external heat sink, and TPA3140D2 will be able to output full power on a 2-layer PCB. |
TPA3144D26-W stereo, 12-W mono, 4.5- to 14.4-V, analog in Class-D audio amplifier w/ inductor free & AGL | Integrated Circuits (ICs) | 2 | Active | The TPA3144D2 is an efficient, Class-D audio power amplifier for driving bridged-tied stereo speakers at up to 6 W, 6 Ω, or 8 Ω (per channel).
Advanced EMI Suppression Technology with Spread Spectrum Control and 1SPW modulation scheme enables the use of inexpensive ferrite bead filters at the outputs while meeting EMC requirements for system cost reduction. TPA3144D2 is not only fully protected against shorts and overload, the SpeakerGuard™ speaker protection circuitry includes an adjustable Automatic Gain Limit (AGL), an adjustable power limiter and a DC detection circuit for protection of the connected speakers. The AGL allows adjustment of the maximum output voltage without signal clipping for enhanced speaker protection and audio quality. The DC detect and Pin-to-Pin, Pin-to-Ground, and Pin-to-Power Short Circuit protection circuit protect the speakers from output DC and pin shorts caused in production. The outputs are also fully protected against shorts to GND, PVCC, and output-to-output. The short-circuit protection and thermal protection includes an auto recovery feature.
The TPA3144D2 can drive stereo speakers with as low as 4-Ω impedance. The high efficiency of the TPA3144D2, 90% with an 8-Ω load, eliminates the need for an external heat sink, and TPA3144D2 will be able to output full power on a 2-layer PCB.
The TPA3144D2 is an efficient, Class-D audio power amplifier for driving bridged-tied stereo speakers at up to 6 W, 6 Ω, or 8 Ω (per channel).
Advanced EMI Suppression Technology with Spread Spectrum Control and 1SPW modulation scheme enables the use of inexpensive ferrite bead filters at the outputs while meeting EMC requirements for system cost reduction. TPA3144D2 is not only fully protected against shorts and overload, the SpeakerGuard™ speaker protection circuitry includes an adjustable Automatic Gain Limit (AGL), an adjustable power limiter and a DC detection circuit for protection of the connected speakers. The AGL allows adjustment of the maximum output voltage without signal clipping for enhanced speaker protection and audio quality. The DC detect and Pin-to-Pin, Pin-to-Ground, and Pin-to-Power Short Circuit protection circuit protect the speakers from output DC and pin shorts caused in production. The outputs are also fully protected against shorts to GND, PVCC, and output-to-output. The short-circuit protection and thermal protection includes an auto recovery feature.
The TPA3144D2 can drive stereo speakers with as low as 4-Ω impedance. The high efficiency of the TPA3144D2, 90% with an 8-Ω load, eliminates the need for an external heat sink, and TPA3144D2 will be able to output full power on a 2-layer PCB. |
| Evaluation Boards | 1 | Active | |
TPA3156D270-W stereo, 140-W mono, 4.5- to 26-V, analog input Class-D audio amplifier w/ low idle current | Amplifiers | 1 | Active | The TPA3156D2 has low idle power loss and helps to extend the battery life of Bluetooth/Wireless speakers and other battery-powered audio systems. The high efficiency of the TPA3156D2 device allows it to do 2 × 70 W with external heat sink on a dual layer PCB. This device integrates an efficiency boost mode, which dynamically reduces the current ripple of the external LC filter and the idle current .
The TPA3156D2 advanced oscillator/PLL circuit employs a multiple switching frequency option to avoid AM interferences, which is achieved together with an option of either master or slave option, making it possible to synchronize multiple devices.
The TPA3156D2 devices are fully protected against faults with short-circuit protection and thermal protection as well as overvoltage, undervoltage, and DC protection. Faults are reported back to the processor to prevent devices from being damaged during overload conditions.
The TPA3156D2 has low idle power loss and helps to extend the battery life of Bluetooth/Wireless speakers and other battery-powered audio systems. The high efficiency of the TPA3156D2 device allows it to do 2 × 70 W with external heat sink on a dual layer PCB. This device integrates an efficiency boost mode, which dynamically reduces the current ripple of the external LC filter and the idle current .
The TPA3156D2 advanced oscillator/PLL circuit employs a multiple switching frequency option to avoid AM interferences, which is achieved together with an option of either master or slave option, making it possible to synchronize multiple devices.
The TPA3156D2 devices are fully protected against faults with short-circuit protection and thermal protection as well as overvoltage, undervoltage, and DC protection. Faults are reported back to the processor to prevent devices from being damaged during overload conditions. |
| Audio Amplifier Evaluation Boards | 4 | Obsolete | |
TPA321700-mW, mono, analog input Class-AB audio amplifier | Audio Amplifiers | 3 | Active | The TPA321 is a bridge-tied load (BTL) audio power amplifier developed especially for low-voltage applications where internal speakers are required. Operating with a 3.3-V supply, the TPA321 can deliver 250-mW of continuous power into a BTL 8-load at less than 1% THD+N throughout voice band frequencies. Although this device is characterized out to 20 kHz, its operation was optimized for narrower band applications such as cellular communications. The BTL configuration eliminates the need for external coupling capacitors on the output in most applications, which is particularly important for small battery-powered equipment. This device features a shutdown mode for power-sensitive applications with a quiescent current of 0.15 µA during shutdown. The TPA321 is available in an 8-pin SOIC surface-mount package and the surface-mount PowerPAD™ MSOP, which reduces board space by 50% and height by 40%.
The TPA321 is a bridge-tied load (BTL) audio power amplifier developed especially for low-voltage applications where internal speakers are required. Operating with a 3.3-V supply, the TPA321 can deliver 250-mW of continuous power into a BTL 8-load at less than 1% THD+N throughout voice band frequencies. Although this device is characterized out to 20 kHz, its operation was optimized for narrower band applications such as cellular communications. The BTL configuration eliminates the need for external coupling capacitors on the output in most applications, which is particularly important for small battery-powered equipment. This device features a shutdown mode for power-sensitive applications with a quiescent current of 0.15 µA during shutdown. The TPA321 is available in an 8-pin SOIC surface-mount package and the surface-mount PowerPAD™ MSOP, which reduces board space by 50% and height by 40%. |