T
Texas Instruments
| Series | Category | # Parts | Status | Description |
|---|---|---|---|---|
| Part | Spec A | Spec B | Spec C | Spec D | Description |
|---|---|---|---|---|---|
| Series | Category | # Parts | Status | Description |
|---|---|---|---|---|
| Part | Spec A | Spec B | Spec C | Spec D | Description |
|---|---|---|---|---|---|
| Series | Category | # Parts | Status | Description |
|---|---|---|---|---|
TPA3122D215-W stereo, 30-W mono, 10- to 26-V supply, analog input Class-D audio amplifier w/ SE output in DIP | Integrated Circuits (ICs) | 1 | Active | The TPA3122D2 is a 15-W (per channel) efficient, Class-D audio power amplifier for driving stereo single ended speakers or mono bridge tied load. The TPA3122D2 can drive stereo speakers as low as 4. The efficiency of the TPA3122D2 eliminates the need for an external heat sink when playing music.
The gain of the amplifier is controlled by two gain select pins. The gain selections are 20, 26, 32, and 36 dB.
The TPA3122D2 is a 15-W (per channel) efficient, Class-D audio power amplifier for driving stereo single ended speakers or mono bridge tied load. The TPA3122D2 can drive stereo speakers as low as 4. The efficiency of the TPA3122D2 eliminates the need for an external heat sink when playing music.
The gain of the amplifier is controlled by two gain select pins. The gain selections are 20, 26, 32, and 36 dB. |
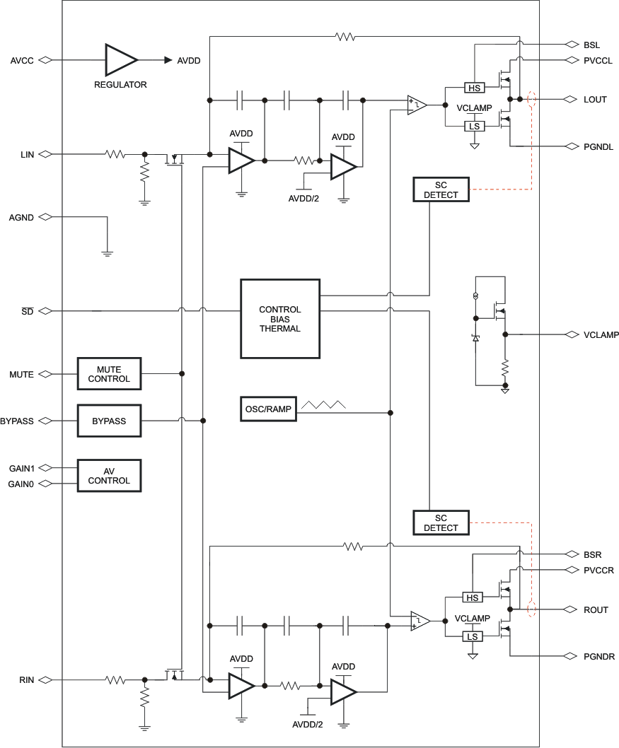
TPA3123D225-W stereo, 10- to 30-V supply, analog input Class-D audio amplifier w/ SE outputs | Evaluation Boards | 3 | Active | The TPA3123D2 is a 25-W (per channel) efficient, Class-D audio power amplifier for driving stereo speakers in a single-ended configuration or a mono speaker in a bridge-tied-load configuration. The TPA3123D2 can drive stereo speakers as low as 4. The efficiency of the TPA3123D2 eliminates the need for an external heat sink when playing music.
The gain of the amplifier is controlled by two gain select pins. The gain selections are 20, 26, 32, 36 dB.
The patented start-up and shut-down sequences minimizepopnoise in the speakers without additional circuitry.
The TPA3123D2 is a 25-W (per channel) efficient, Class-D audio power amplifier for driving stereo speakers in a single-ended configuration or a mono speaker in a bridge-tied-load configuration. The TPA3123D2 can drive stereo speakers as low as 4. The efficiency of the TPA3123D2 eliminates the need for an external heat sink when playing music.
The gain of the amplifier is controlled by two gain select pins. The gain selections are 20, 26, 32, 36 dB.
The patented start-up and shut-down sequences minimizepopnoise in the speakers without additional circuitry. |
TPA3124D215-W stereo, 30-W mono, 10- to 26-V, analog input Class-D audio amplifier w/ SE output, fast mute | Audio Amplifiers | 2 | Active | The TPA3124D2 is a 15-W (per channel), efficient, class-D audio power amplifier for driving stereo speakers in a single-ended configuration or a mono speaker in a bridge-tied-load configuration. The TPA3124D2 can drive stereo speakers as low as 4. The efficiency of the TPA3124D2 eliminates the need for an external heat sink when playing music.
The gain of the amplifier is controlled by two gain select pins. The gain selections are 20, 26, 32, and 36 dB.
The patented start-up and shutdown sequences minimize pop noise in the speakers without additional circuitry.
The TPA3124D2 is a 15-W (per channel), efficient, class-D audio power amplifier for driving stereo speakers in a single-ended configuration or a mono speaker in a bridge-tied-load configuration. The TPA3124D2 can drive stereo speakers as low as 4. The efficiency of the TPA3124D2 eliminates the need for an external heat sink when playing music.
The gain of the amplifier is controlled by two gain select pins. The gain selections are 20, 26, 32, and 36 dB.
The patented start-up and shutdown sequences minimize pop noise in the speakers without additional circuitry. |
TPA3125D210-W stereo, 20-W mono, 10- to 26-V supply, analog input Class-D audio amplifier w/ SE outputs | Development Boards, Kits, Programmers | 2 | Active | The TPA3125D2 is a 10-W (per channel), efficient, class-D audio power amplifier for driving stereo speakers in a single-ended configuration; or, a mono speaker in a bridge-tied-load configuration. The TPA3125D2 can drive stereo speakers as low as 4 Ω. The efficiency of the TPA3125D2 eliminates the need for an external heat sink when playing music. The gain of the amplifier is controlled by two gain select pins. The gain selections are 20, 26, 32, and 36 dB.
The patented start-up and shutdown sequences minimize pop noise in the speakers without additional circuitry.
The thru-hole package allows placement on single-sided printed circuit boards.
The TPA3125D2 is a 10-W (per channel), efficient, class-D audio power amplifier for driving stereo speakers in a single-ended configuration; or, a mono speaker in a bridge-tied-load configuration. The TPA3125D2 can drive stereo speakers as low as 4 Ω. The efficiency of the TPA3125D2 eliminates the need for an external heat sink when playing music. The gain of the amplifier is controlled by two gain select pins. The gain selections are 20, 26, 32, and 36 dB.
The patented start-up and shutdown sequences minimize pop noise in the speakers without additional circuitry.
The thru-hole package allows placement on single-sided printed circuit boards. |
TPA3126D250-W stereo, 100-W mono, 4.5- to 26-V, analog input Class-D audio amplifier w/ low idle current | Audio Amplifier Evaluation Boards | 2 | Active | The TPA3126D2 is a 50-W, stereo, low-idle-current Class-D amplifier in a thermally enhanced package. The TPA3126D2 includes TI’s proprietary hybrid modulation scheme, which dynamically reduces idle current at low power levels to extend the battery life of portable audio systems, like bluetooth speakers.
To further simply the design, the Class-D amplifier integrates full protection features including short circuit, thermal shutdown, overvoltage, undervoltage, and DC speaker protection. Faults are reported back to the processor to prevent devices from being damaged during overload conditions.
The TPA3126D2 is a 50-W, stereo, low-idle-current Class-D amplifier in a thermally enhanced package. The TPA3126D2 includes TI’s proprietary hybrid modulation scheme, which dynamically reduces idle current at low power levels to extend the battery life of portable audio systems, like bluetooth speakers.
To further simply the design, the Class-D amplifier integrates full protection features including short circuit, thermal shutdown, overvoltage, undervoltage, and DC speaker protection. Faults are reported back to the processor to prevent devices from being damaged during overload conditions. |
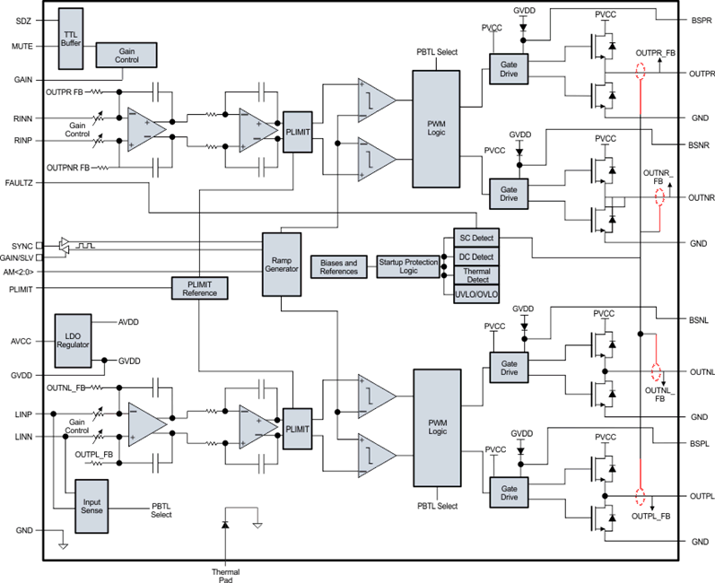
TPA3128D230-W stereo, 60-W mono, 4.5- to 26-V, analog input Class-D audio amplifier w/ low idle current | Development Boards, Kits, Programmers | 3 | Active | The TPA3128D2 and TPA3129D2 have low idle power loss and helps to extend the battery life of Bluetooth/Wireless speakers and other battery-powered audio systems. The high efficiency of the TPA3128D2 device allows it to do 2 × 30 W without external heat sink on a dual layer PCB. The high efficiency of the TPA3129D2 device allows it to do 2 × 15 W without external heat sink on a dual layer PCB. This device proposed an efficiency boost Mode, which can dynamically reduced the current ripple of the external LC filter and the idle current .
The TPA31xxD2 advanced oscillator/PLL circuit employs a multiple switching frequency option to avoid AM interferences, which is achieved together with an option of either master or slave option, making it possible to synchronize multiple devices.
The TPA31xxD2 devices are fully protected against faults with short-circuit protection and thermal protection as well as overvoltage, undervoltage, and DC protection. Faults are reported back to the processor to prevent devices from being damaged during overload conditions.
The TPA3128D2 and TPA3129D2 have low idle power loss and helps to extend the battery life of Bluetooth/Wireless speakers and other battery-powered audio systems. The high efficiency of the TPA3128D2 device allows it to do 2 × 30 W without external heat sink on a dual layer PCB. The high efficiency of the TPA3129D2 device allows it to do 2 × 15 W without external heat sink on a dual layer PCB. This device proposed an efficiency boost Mode, which can dynamically reduced the current ripple of the external LC filter and the idle current .
The TPA31xxD2 advanced oscillator/PLL circuit employs a multiple switching frequency option to avoid AM interferences, which is achieved together with an option of either master or slave option, making it possible to synchronize multiple devices.
The TPA31xxD2 devices are fully protected against faults with short-circuit protection and thermal protection as well as overvoltage, undervoltage, and DC protection. Faults are reported back to the processor to prevent devices from being damaged during overload conditions. |
TPA3129D215-W stereo, 30-W mono, 4.5- to 26-V, analog input Class-D audio amplifier w/ low idle current | Evaluation Boards | 3 | Active | The TPA3128D2 and TPA3129D2 have low idle power loss and helps to extend the battery life of Bluetooth/Wireless speakers and other battery-powered audio systems. The high efficiency of the TPA3128D2 device allows it to do 2 × 30 W without external heat sink on a dual layer PCB. The high efficiency of the TPA3129D2 device allows it to do 2 × 15 W without external heat sink on a dual layer PCB. This device proposed an efficiency boost Mode, which can dynamically reduced the current ripple of the external LC filter and the idle current .
The TPA31xxD2 advanced oscillator/PLL circuit employs a multiple switching frequency option to avoid AM interferences, which is achieved together with an option of either master or slave option, making it possible to synchronize multiple devices.
The TPA31xxD2 devices are fully protected against faults with short-circuit protection and thermal protection as well as overvoltage, undervoltage, and DC protection. Faults are reported back to the processor to prevent devices from being damaged during overload conditions.
The TPA3128D2 and TPA3129D2 have low idle power loss and helps to extend the battery life of Bluetooth/Wireless speakers and other battery-powered audio systems. The high efficiency of the TPA3128D2 device allows it to do 2 × 30 W without external heat sink on a dual layer PCB. The high efficiency of the TPA3129D2 device allows it to do 2 × 15 W without external heat sink on a dual layer PCB. This device proposed an efficiency boost Mode, which can dynamically reduced the current ripple of the external LC filter and the idle current .
The TPA31xxD2 advanced oscillator/PLL circuit employs a multiple switching frequency option to avoid AM interferences, which is achieved together with an option of either master or slave option, making it possible to synchronize multiple devices.
The TPA31xxD2 devices are fully protected against faults with short-circuit protection and thermal protection as well as overvoltage, undervoltage, and DC protection. Faults are reported back to the processor to prevent devices from being damaged during overload conditions. |
TPA3130D215-W stereo, 30-W mono, 4.5- to 26-V supply, analog input Class-D audio amplifier w/ filter free | Integrated Circuits (ICs) | 2 | Active | The TPA31xxD2 series are stereo efficient, digital amplifier power stage for driving speakers up to 100 W / 2 Ω in mono. The high efficiency of the TPA3130D2 allows it to do 2 × 15 W without external heat sink on a single layer PCB. The TPA3118D2 can even run 2 × 30 W / 8 Ω without heat sink on a dual layer PCB. If even higher power is needed the TPA3116D2 does 2 × 50 W / 4 Ω with a small heat-sink attached to its top side PowerPAD. All three devices share the same footprint enabling a single PCB to be used across different power levels.
The TPA31xxD2 advanced oscillator/PLL circuit employs a multiple switching frequency option to avoid AM interferences; this is achieved together with an option of either master or slave option, making it possible to synchronize multiple devices.
The TPA31xxD2 devices are fully protected against faults with short-circuit protection and thermal protection as well as overvoltage, undervoltage, and DC protection. Faults are reported back to the processor to prevent devices from being damaged during overload conditions.
The TPA31xxD2 series are stereo efficient, digital amplifier power stage for driving speakers up to 100 W / 2 Ω in mono. The high efficiency of the TPA3130D2 allows it to do 2 × 15 W without external heat sink on a single layer PCB. The TPA3118D2 can even run 2 × 30 W / 8 Ω without heat sink on a dual layer PCB. If even higher power is needed the TPA3116D2 does 2 × 50 W / 4 Ω with a small heat-sink attached to its top side PowerPAD. All three devices share the same footprint enabling a single PCB to be used across different power levels.
The TPA31xxD2 advanced oscillator/PLL circuit employs a multiple switching frequency option to avoid AM interferences; this is achieved together with an option of either master or slave option, making it possible to synchronize multiple devices.
The TPA31xxD2 devices are fully protected against faults with short-circuit protection and thermal protection as well as overvoltage, undervoltage, and DC protection. Faults are reported back to the processor to prevent devices from being damaged during overload conditions. |
TPA3131D24-W stereo, 8-W mono, 4.5- to 26-V supply, analog input Class-D audio amplifier w/ filter free | Audio Amplifier Evaluation Boards | 2 | Active | The TPA313xD2 are efficient, stereo digital amplifier power stages for driving speakers with up to 2×42W/4Ω peak power. TPA3131/32D2 operates heatsink-free with cooling to PCB through the bottom side PowerPAD with sustained output power from 2 × 4 W / 8 Ω (TPA3131D2) to 2 × 25 W / 8 Ω (TPA3132D2).
The TPA313xD2 advanced oscillator/PLL circuit employs a multiple switching frequency option to avoid AM interferences; this is achieved together with an option of Master and Slave synchronization, making it possible to synchronize multiple devices.
The TPA313xD2 are fully protected against faults with short-circuit protection and thermal protection as well as overvoltage, undervoltage, and DC protection. Faults are reported back to the processor to prevent devices from being damaged during overload conditions.
For feature compatible devices see: PowerPAD up device 2 × 50-W TPA3116D2, PowerPAD down 2 × 15-W TPA3130D2 and 2 × 30-W TPA3118D2.
The TPA313xD2 are efficient, stereo digital amplifier power stages for driving speakers with up to 2×42W/4Ω peak power. TPA3131/32D2 operates heatsink-free with cooling to PCB through the bottom side PowerPAD with sustained output power from 2 × 4 W / 8 Ω (TPA3131D2) to 2 × 25 W / 8 Ω (TPA3132D2).
The TPA313xD2 advanced oscillator/PLL circuit employs a multiple switching frequency option to avoid AM interferences; this is achieved together with an option of Master and Slave synchronization, making it possible to synchronize multiple devices.
The TPA313xD2 are fully protected against faults with short-circuit protection and thermal protection as well as overvoltage, undervoltage, and DC protection. Faults are reported back to the processor to prevent devices from being damaged during overload conditions.
For feature compatible devices see: PowerPAD up device 2 × 50-W TPA3116D2, PowerPAD down 2 × 15-W TPA3130D2 and 2 × 30-W TPA3118D2. |
TPA3132D225-W stereo, 50-W mono, 4.5- to 26-V supply, analog input Class-D audio amplifier w/ filter free | Evaluation Boards | 2 | Active | The TPA313xD2 are efficient, stereo digital amplifier power stages for driving speakers with up to 2×42W/4Ω peak power. TPA3131/32D2 operates heatsink-free with cooling to PCB through the bottom side PowerPAD with sustained output power from 2 × 4 W / 8 Ω (TPA3131D2) to 2 × 25 W / 8 Ω (TPA3132D2).
The TPA313xD2 advanced oscillator/PLL circuit employs a multiple switching frequency option to avoid AM interferences; this is achieved together with an option of Master and Slave synchronization, making it possible to synchronize multiple devices.
The TPA313xD2 are fully protected against faults with short-circuit protection and thermal protection as well as overvoltage, undervoltage, and DC protection. Faults are reported back to the processor to prevent devices from being damaged during overload conditions.
For feature compatible devices see: PowerPAD up device 2 × 50-W TPA3116D2, PowerPAD down 2 × 15-W TPA3130D2 and 2 × 30-W TPA3118D2.
The TPA313xD2 are efficient, stereo digital amplifier power stages for driving speakers with up to 2×42W/4Ω peak power. TPA3131/32D2 operates heatsink-free with cooling to PCB through the bottom side PowerPAD with sustained output power from 2 × 4 W / 8 Ω (TPA3131D2) to 2 × 25 W / 8 Ω (TPA3132D2).
The TPA313xD2 advanced oscillator/PLL circuit employs a multiple switching frequency option to avoid AM interferences; this is achieved together with an option of Master and Slave synchronization, making it possible to synchronize multiple devices.
The TPA313xD2 are fully protected against faults with short-circuit protection and thermal protection as well as overvoltage, undervoltage, and DC protection. Faults are reported back to the processor to prevent devices from being damaged during overload conditions.
For feature compatible devices see: PowerPAD up device 2 × 50-W TPA3116D2, PowerPAD down 2 × 15-W TPA3130D2 and 2 × 30-W TPA3118D2. |
| Part | Category | Description |
|---|---|---|
Texas Instruments | Integrated Circuits (ICs) | BUS DRIVER, BCT/FBT SERIES |
Texas Instruments | Integrated Circuits (ICs) | 12BIT 3.3V~3.6V 210MHZ PARALLEL VQFN-48-EP(7X7) ANALOG TO DIGITAL CONVERTERS (ADC) ROHS |
Texas Instruments | Integrated Circuits (ICs) | TMX320DRE311 179PIN UBGA 200MHZ |
Texas Instruments TPS61040DRVTG4Unknown | Integrated Circuits (ICs) | IC LED DRV RGLTR PWM 350MA 6WSON |
Texas Instruments LP3876ET-2.5Obsolete | Integrated Circuits (ICs) | IC REG LINEAR 2.5V 3A TO220-5 |
Texas Instruments LMS1585ACSX-ADJObsolete | Integrated Circuits (ICs) | IC REG LIN POS ADJ 5A DDPAK |
Texas Instruments INA111APG4Obsolete | Integrated Circuits (ICs) | IC INST AMP 1 CIRCUIT 8DIP |
Texas Instruments | Integrated Circuits (ICs) | AUTOMOTIVE, QUAD 36V 1.2MHZ OPERATIONAL AMPLIFIER |
Texas Instruments OPA340NA/3KG4Unknown | Integrated Circuits (ICs) | IC OPAMP GP 1 CIRCUIT SOT23-5 |
Texas Instruments PT5112AObsolete | Power Supplies - Board Mount | DC DC CONVERTER 8V 8W |