| Integrated Circuits (ICs) | 1 | Active | |
| Analog to Digital Converters (ADC) | 3 | Obsolete | |
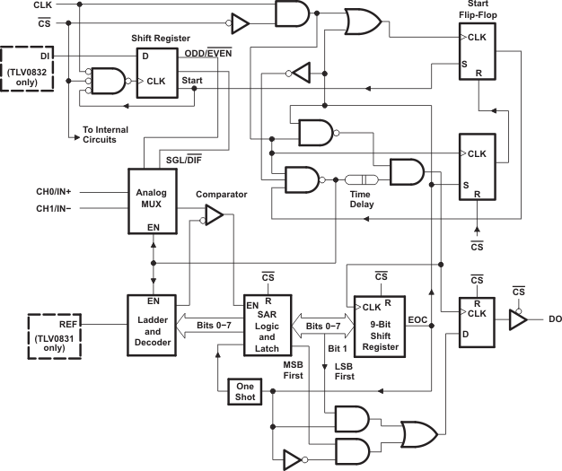
TLV08318-Bit 49 kSPS ADC Serial Out, Differential input, Configurable as SE input, 1 Ch. | Integrated Circuits (ICs) | 5 | Active | These devices are 8-bit successive-approximation analog-to-digital converters. The TLV0831 has single input channels; the TLV0832 has multiplexed twin input channels. The serial output is configured to interface with standard shift registers or microprocessors.
The TLV0832 multiplexer is software configured for single-ended or differential inputs. The differential analog voltage input allows for common-mode rejection or offset of the analog zero input voltage value. In addition, the voltage reference input can be adjusted to allow encoding any smaller analog voltage span to the full 8 bits of resolution.
The operation of the TLV0831 and TLV0832 devices is very similar to the more complex TLV0834 and TLV0838 devices. Ratiometric conversion can be attained by setting the REF input equal to the maximum analog input signal value, which gives the highest possible conversion resolution. Typically, REF is set equal to VCC(done internally on the TLV0832).
The TLV0831C and TLV0832C are characterized for operation from 0°C to 70°C. The TLV0831I and TLV0832I are characterized for operation from -40°C to 85°C.
These devices are 8-bit successive-approximation analog-to-digital converters. The TLV0831 has single input channels; the TLV0832 has multiplexed twin input channels. The serial output is configured to interface with standard shift registers or microprocessors.
The TLV0832 multiplexer is software configured for single-ended or differential inputs. The differential analog voltage input allows for common-mode rejection or offset of the analog zero input voltage value. In addition, the voltage reference input can be adjusted to allow encoding any smaller analog voltage span to the full 8 bits of resolution.
The operation of the TLV0831 and TLV0832 devices is very similar to the more complex TLV0834 and TLV0838 devices. Ratiometric conversion can be attained by setting the REF input equal to the maximum analog input signal value, which gives the highest possible conversion resolution. Typically, REF is set equal to VCC(done internally on the TLV0832).
The TLV0831C and TLV0832C are characterized for operation from 0°C to 70°C. The TLV0831I and TLV0832I are characterized for operation from -40°C to 85°C. |
TLV08328-Bit 44.7 kSPS ADC Serial Out, Muxed Twin Ch. w/SE or Differential Option, 2 Ch. | Data Acquisition | 6 | Active | These devices are 8-bit successive-approximation analog-to-digital converters. The TLV0831 has single input channels; the TLV0832 has multiplexed twin input channels. The serial output is configured to interface with standard shift registers or microprocessors.
The TLV0832 multiplexer is software configured for single-ended or differential inputs. The differential analog voltage input allows for common-mode rejection or offset of the analog zero input voltage value. In addition, the voltage reference input can be adjusted to allow encoding any smaller analog voltage span to the full 8 bits of resolution.
The operation of the TLV0831 and TLV0832 devices is very similar to the more complex TLV0834 and TLV0838 devices. Ratiometric conversion can be attained by setting the REF input equal to the maximum analog input signal value, which gives the highest possible conversion resolution. Typically, REF is set equal to VCC(done internally on the TLV0832).
The TLV0831C and TLV0832C are characterized for operation from 0°C to 70°C. The TLV0831I and TLV0832I are characterized for operation from -40°C to 85°C.
These devices are 8-bit successive-approximation analog-to-digital converters. The TLV0831 has single input channels; the TLV0832 has multiplexed twin input channels. The serial output is configured to interface with standard shift registers or microprocessors.
The TLV0832 multiplexer is software configured for single-ended or differential inputs. The differential analog voltage input allows for common-mode rejection or offset of the analog zero input voltage value. In addition, the voltage reference input can be adjusted to allow encoding any smaller analog voltage span to the full 8 bits of resolution.
The operation of the TLV0831 and TLV0832 devices is very similar to the more complex TLV0834 and TLV0838 devices. Ratiometric conversion can be attained by setting the REF input equal to the maximum analog input signal value, which gives the highest possible conversion resolution. Typically, REF is set equal to VCC(done internally on the TLV0832).
The TLV0831C and TLV0832C are characterized for operation from 0°C to 70°C. The TLV0831I and TLV0832I are characterized for operation from -40°C to 85°C. |
TLV08348-Bit 41 kSPS ADC Serial Out, Ratiometric Op or Vcc Ref, TTL/MOS Input & Output Compatible, 4 Ch. | Analog to Digital Converters (ADC) | 8 | Active | These devices are 8-bit successive-approximation analog-to-digital converters, each with an input-configurable multichannel multiplexer and serial input/output. The serial input/output is configured to interface with standard shift registers or microprocessors. Detailed information on interfacing with most popular microprocessors is readily available from the factory.
The TLV0834 (4-channel) and TLV0838 (8-channel) multiplexer is software-configured for single-ended or differential inputs as well as pseudodifferential input assignments. The differential analog voltage input allows for common-mode rejection or offset of the analog zero input voltage value. In addition, the voltage reference input can be adjusted to allow encoding of any smaller analog voltage span to the full 8 bits of resolution.
The TLV0834C and TLV0838C are characterized for operation from 0°C to 70°C. The TLV0834I and TLV0838I are characterized for operation from -40°C to 85°C.
These devices are 8-bit successive-approximation analog-to-digital converters, each with an input-configurable multichannel multiplexer and serial input/output. The serial input/output is configured to interface with standard shift registers or microprocessors. Detailed information on interfacing with most popular microprocessors is readily available from the factory.
The TLV0834 (4-channel) and TLV0838 (8-channel) multiplexer is software-configured for single-ended or differential inputs as well as pseudodifferential input assignments. The differential analog voltage input allows for common-mode rejection or offset of the analog zero input voltage value. In addition, the voltage reference input can be adjusted to allow encoding of any smaller analog voltage span to the full 8 bits of resolution.
The TLV0834C and TLV0838C are characterized for operation from 0°C to 70°C. The TLV0834I and TLV0838I are characterized for operation from -40°C to 85°C. |
TLV08388-Bit 37.9 kSPS ADC Serial Out, Ratiometric Op or Vcc Ref, TTL/MOS Input & Output Compatible, 8 Ch. | Analog to Digital Converters (ADC) | 10 | Active | These devices are 8-bit successive-approximation analog-to-digital converters, each with an input-configurable multichannel multiplexer and serial input/output. The serial input/output is configured to interface with standard shift registers or microprocessors. Detailed information on interfacing with most popular microprocessors is readily available from the factory.
The TLV0834 (4-channel) and TLV0838 (8-channel) multiplexer is software-configured for single-ended or differential inputs as well as pseudodifferential input assignments. The differential analog voltage input allows for common-mode rejection or offset of the analog zero input voltage value. In addition, the voltage reference input can be adjusted to allow encoding of any smaller analog voltage span to the full 8 bits of resolution.
The TLV0834C and TLV0838C are characterized for operation from 0°C to 70°C. The TLV0834I and TLV0838I are characterized for operation from -40°C to 85°C.
These devices are 8-bit successive-approximation analog-to-digital converters, each with an input-configurable multichannel multiplexer and serial input/output. The serial input/output is configured to interface with standard shift registers or microprocessors. Detailed information on interfacing with most popular microprocessors is readily available from the factory.
The TLV0834 (4-channel) and TLV0838 (8-channel) multiplexer is software-configured for single-ended or differential inputs as well as pseudodifferential input assignments. The differential analog voltage input allows for common-mode rejection or offset of the analog zero input voltage value. In addition, the voltage reference input can be adjusted to allow encoding of any smaller analog voltage span to the full 8 bits of resolution.
The TLV0834C and TLV0838C are characterized for operation from 0°C to 70°C. The TLV0834I and TLV0838I are characterized for operation from -40°C to 85°C. |
| Audio Amplifiers | 3 | Obsolete | |
| Integrated Circuits (ICs) | 1 | Obsolete | |
| Development Boards, Kits, Programmers | 71 | Active | The TLV1117LV low-dropout (LDO) linear regulator is a low input voltage version of the popular TLV1117 voltage regulator.
The TLV1117LV is an extremely low-power device that consumes 500 times lower quiescent current than traditional 1117 voltage regulators, making the device designed for applications that mandate very low standby current. The TLV1117LV LDO is also stable with 0 mA of load current; there is no minimum load requirement, making the device a good choice for applications where the regulator must power very small loads during standby in addition to large currents on the order of 1 A during normal operation. The TLV1117LV offers excellent line and load transient performance, resulting in very small magnitude undershoots and overshoots of output voltage when the load current requirement changes from less than 1 mA to more than 500 mA.
A precision band-gap and error amplifier provides 1.5% accuracy. A very high power-supply rejection ratio (PSRR) enables use of the device for post-regulation after a switching regulator. Other valuable features include low output noise and low-dropout voltage.
The device is internally compensated to be stable with 0-Ω equivalent series resistance (ESR) capacitors. These key advantages enable the use of cost-effective, small-size ceramic capacitors. Cost-effective capacitors that have higher bias voltages and temperature derating can also be used if desired.
The TLV1117LV is available in a SOT-223 package.
The TLV1117LV low-dropout (LDO) linear regulator is a low input voltage version of the popular TLV1117 voltage regulator.
The TLV1117LV is an extremely low-power device that consumes 500 times lower quiescent current than traditional 1117 voltage regulators, making the device designed for applications that mandate very low standby current. The TLV1117LV LDO is also stable with 0 mA of load current; there is no minimum load requirement, making the device a good choice for applications where the regulator must power very small loads during standby in addition to large currents on the order of 1 A during normal operation. The TLV1117LV offers excellent line and load transient performance, resulting in very small magnitude undershoots and overshoots of output voltage when the load current requirement changes from less than 1 mA to more than 500 mA.
A precision band-gap and error amplifier provides 1.5% accuracy. A very high power-supply rejection ratio (PSRR) enables use of the device for post-regulation after a switching regulator. Other valuable features include low output noise and low-dropout voltage.
The device is internally compensated to be stable with 0-Ω equivalent series resistance (ESR) capacitors. These key advantages enable the use of cost-effective, small-size ceramic capacitors. Cost-effective capacitors that have higher bias voltages and temperature derating can also be used if desired.
The TLV1117LV is available in a SOT-223 package. |
TLV1171151-A, low-dropout voltage regulator (tab GND) | Voltage Regulators - Linear, Low Drop Out (LDO) Regulators | 6 | Active | The TLV1171 low-dropout (LDO) linear regulator is a low input voltage version of the popular 1117 voltage regulator.
The TLV1171 is an extremely low-power device that consumes 500x lower quiescent current than the traditional 1117 voltage regulator, making the TLV1171 suitable for applications that mandate very low standby current. The TLV1171 LDO is also stable with 0 mA of load current; there is no minimum load requirement, making the device an ideal choice for applications where the regulator is required to power very small loads during standby in addition to large currents on the order of 1 A during normal operation. The TLV1171 offers excellent line and load transient performance, resulting in very small magnitude output voltage undershoots and overshoots when the load current requirement changes from less than 1 mA to more than 500 mA.
A precision band gap and error amplifier provides 1.5% accuracy. A very high power-supply rejection ratio enables the device to be used for post-regulation after a switching regulator. Other valuable features include low output noise and low-dropout voltage.
The device is internally compensated to be stable with 0-Ω equivalent series resistance (ESR) capacitors. These key advantages enable the use of cost-effective, small-size ceramic capacitors. Cost-effective capacitors that have higher bias voltages and temperature derating can also be used if desired.
The TLV1171 is available in a SOT223 package. For alternate pin outs of the device, refer to the TLV1117LV.
The TLV1171 low-dropout (LDO) linear regulator is a low input voltage version of the popular 1117 voltage regulator.
The TLV1171 is an extremely low-power device that consumes 500x lower quiescent current than the traditional 1117 voltage regulator, making the TLV1171 suitable for applications that mandate very low standby current. The TLV1171 LDO is also stable with 0 mA of load current; there is no minimum load requirement, making the device an ideal choice for applications where the regulator is required to power very small loads during standby in addition to large currents on the order of 1 A during normal operation. The TLV1171 offers excellent line and load transient performance, resulting in very small magnitude output voltage undershoots and overshoots when the load current requirement changes from less than 1 mA to more than 500 mA.
A precision band gap and error amplifier provides 1.5% accuracy. A very high power-supply rejection ratio enables the device to be used for post-regulation after a switching regulator. Other valuable features include low output noise and low-dropout voltage.
The device is internally compensated to be stable with 0-Ω equivalent series resistance (ESR) capacitors. These key advantages enable the use of cost-effective, small-size ceramic capacitors. Cost-effective capacitors that have higher bias voltages and temperature derating can also be used if desired.
The TLV1171 is available in a SOT223 package. For alternate pin outs of the device, refer to the TLV1117LV. |