| Integrated Circuits (ICs) | 7 | Active | |
TLC080ASingle, 16-V, 10-MHz, 1.4-mV offset voltage, In to V- op amp with shutdown functionality | Instrumentation, Op Amps, Buffer Amps | 11 | Active | The first members of TI’s new BiMOS general-purpose operational amplifier family are the TLC08x. The BiMOS family concept is simple: provide an upgrade path for BiFET users who are moving away from dual-supply to single-supply systems and demand higher ac and dc performance. With performance rated from 4.5 V to 16 V across commercial (0°C to 70°C) and an extended industrial temperature range (–40°C to 125°C), BiMOS suits a wide range of audio, automotive, industrial, and instrumentation applications. Familiar features like offset nulling pins, and new features like MSOP PowerPAD™ packages and shutdown modes, enable higher levels of performance in a variety of applications.
Developed in TI’s patented LBC3 BiCMOS process, the new BiMOS amplifiers combine a very high input impedance, low-noise CMOS front end with a high-drive bipolar output stage, thus providing the optimum performance features of both. AC performance improvements over the TL08x BiFET predecessors include a bandwidth of 10 MHz (an increase of 300%) and voltage noise of 8.5 nV/√Hz(an improvement of 60%). DC improvements include an ensured VICRthat includes ground, a factor of 4 reduction in input offset voltage down to 1.5 mV (maximum) in the standard grade, and a power supply rejection improvement of greater than 40 dB to 130 dB. Added to this list of impressive features is the ability to drive ±50-mA loads comfortably from an ultrasmall-footprint MSOP PowerPAD package, which positions the TLC08x as the ideal high-performance general-purpose operational amplifier family.
For the most current package and ordering information, see the Package Option Addendum at the end of this data sheet, or see the TI web site at www.ti.com.
The first members of TI’s new BiMOS general-purpose operational amplifier family are the TLC08x. The BiMOS family concept is simple: provide an upgrade path for BiFET users who are moving away from dual-supply to single-supply systems and demand higher ac and dc performance. With performance rated from 4.5 V to 16 V across commercial (0°C to 70°C) and an extended industrial temperature range (–40°C to 125°C), BiMOS suits a wide range of audio, automotive, industrial, and instrumentation applications. Familiar features like offset nulling pins, and new features like MSOP PowerPAD™ packages and shutdown modes, enable higher levels of performance in a variety of applications.
Developed in TI’s patented LBC3 BiCMOS process, the new BiMOS amplifiers combine a very high input impedance, low-noise CMOS front end with a high-drive bipolar output stage, thus providing the optimum performance features of both. AC performance improvements over the TL08x BiFET predecessors include a bandwidth of 10 MHz (an increase of 300%) and voltage noise of 8.5 nV/√Hz(an improvement of 60%). DC improvements include an ensured VICRthat includes ground, a factor of 4 reduction in input offset voltage down to 1.5 mV (maximum) in the standard grade, and a power supply rejection improvement of greater than 40 dB to 130 dB. Added to this list of impressive features is the ability to drive ±50-mA loads comfortably from an ultrasmall-footprint MSOP PowerPAD package, which positions the TLC08x as the ideal high-performance general-purpose operational amplifier family.
For the most current package and ordering information, see the Package Option Addendum at the end of this data sheet, or see the TI web site at www.ti.com. |
TLC081ASingle, 16-V, 10-MHz, 1.4-mV offset voltage, In to V- op amp | Instrumentation, OP Amps, Buffer Amps | 10 | Active | The first members of TI’s new BiMOS general-purpose operational amplifier family are the TLC08x. The BiMOS family concept is simple: provide an upgrade path for BiFET users who are moving away from dual-supply to single-supply systems and demand higher ac and dc performance. With performance rated from 4.5 V to 16 V across commercial (0°C to 70°C) and an extended industrial temperature range (–40°C to 125°C), BiMOS suits a wide range of audio, automotive, industrial, and instrumentation applications. Familiar features like offset nulling pins, and new features like MSOP PowerPAD™ packages and shutdown modes, enable higher levels of performance in a variety of applications.
Developed in TI’s patented LBC3 BiCMOS process, the new BiMOS amplifiers combine a very high input impedance, low-noise CMOS front end with a high-drive bipolar output stage, thus providing the optimum performance features of both. AC performance improvements over the TL08x BiFET predecessors include a bandwidth of 10 MHz (an increase of 300%) and voltage noise of 8.5 nV/√Hz(an improvement of 60%). DC improvements include an ensured VICRthat includes ground, a factor of 4 reduction in input offset voltage down to 1.5 mV (maximum) in the standard grade, and a power supply rejection improvement of greater than 40 dB to 130 dB. Added to this list of impressive features is the ability to drive ±50-mA loads comfortably from an ultrasmall-footprint MSOP PowerPAD package, which positions the TLC08x as the ideal high-performance general-purpose operational amplifier family.
For the most current package and ordering information, see the Package Option Addendum at the end of this data sheet, or see the TI web site at www.ti.com.
The first members of TI’s new BiMOS general-purpose operational amplifier family are the TLC08x. The BiMOS family concept is simple: provide an upgrade path for BiFET users who are moving away from dual-supply to single-supply systems and demand higher ac and dc performance. With performance rated from 4.5 V to 16 V across commercial (0°C to 70°C) and an extended industrial temperature range (–40°C to 125°C), BiMOS suits a wide range of audio, automotive, industrial, and instrumentation applications. Familiar features like offset nulling pins, and new features like MSOP PowerPAD™ packages and shutdown modes, enable higher levels of performance in a variety of applications.
Developed in TI’s patented LBC3 BiCMOS process, the new BiMOS amplifiers combine a very high input impedance, low-noise CMOS front end with a high-drive bipolar output stage, thus providing the optimum performance features of both. AC performance improvements over the TL08x BiFET predecessors include a bandwidth of 10 MHz (an increase of 300%) and voltage noise of 8.5 nV/√Hz(an improvement of 60%). DC improvements include an ensured VICRthat includes ground, a factor of 4 reduction in input offset voltage down to 1.5 mV (maximum) in the standard grade, and a power supply rejection improvement of greater than 40 dB to 130 dB. Added to this list of impressive features is the ability to drive ±50-mA loads comfortably from an ultrasmall-footprint MSOP PowerPAD package, which positions the TLC08x as the ideal high-performance general-purpose operational amplifier family.
For the most current package and ordering information, see the Package Option Addendum at the end of this data sheet, or see the TI web site at www.ti.com. |
TLC082-Q1Dual, 16-V, 10-MHz, 1.4-mV offset voltage, In to V- op amp | Instrumentation, OP Amps, Buffer Amps | 14 | Active | The first members of TI’s new BiMOS general-purpose operational amplifier family are the TLC08x. The BiMOS family concept is simple: provide an upgrade path for BiFET users who are moving away from dual-supply to single-supply systems and demand higher ac and dc performance. With performance rated from 4.5 V to 16 V across commercial (0°C to 70°C) and an extended industrial temperature range (–40°C to 125°C), BiMOS suits a wide range of audio, automotive, industrial, and instrumentation applications. Familiar features like offset nulling pins, and new features like MSOP PowerPAD™ packages and shutdown modes, enable higher levels of performance in a variety of applications.
Developed in TI’s patented LBC3 BiCMOS process, the new BiMOS amplifiers combine a very high input impedance, low-noise CMOS front end with a high-drive bipolar output stage, thus providing the optimum performance features of both. AC performance improvements over the TL08x BiFET predecessors include a bandwidth of 10 MHz (an increase of 300%) and voltage noise of 8.5 nV/√Hz(an improvement of 60%). DC improvements include an ensured VICRthat includes ground, a factor of 4 reduction in input offset voltage down to 1.5 mV (maximum) in the standard grade, and a power supply rejection improvement of greater than 40 dB to 130 dB. Added to this list of impressive features is the ability to drive ±50-mA loads comfortably from an ultrasmall-footprint MSOP PowerPAD package, which positions the TLC08x as the ideal high-performance general-purpose operational amplifier family.
For the most current package and ordering information, see the Package Option Addendum at the end of this data sheet, or see the TI web site at www.ti.com.
The first members of TI’s new BiMOS general-purpose operational amplifier family are the TLC08x. The BiMOS family concept is simple: provide an upgrade path for BiFET users who are moving away from dual-supply to single-supply systems and demand higher ac and dc performance. With performance rated from 4.5 V to 16 V across commercial (0°C to 70°C) and an extended industrial temperature range (–40°C to 125°C), BiMOS suits a wide range of audio, automotive, industrial, and instrumentation applications. Familiar features like offset nulling pins, and new features like MSOP PowerPAD™ packages and shutdown modes, enable higher levels of performance in a variety of applications.
Developed in TI’s patented LBC3 BiCMOS process, the new BiMOS amplifiers combine a very high input impedance, low-noise CMOS front end with a high-drive bipolar output stage, thus providing the optimum performance features of both. AC performance improvements over the TL08x BiFET predecessors include a bandwidth of 10 MHz (an increase of 300%) and voltage noise of 8.5 nV/√Hz(an improvement of 60%). DC improvements include an ensured VICRthat includes ground, a factor of 4 reduction in input offset voltage down to 1.5 mV (maximum) in the standard grade, and a power supply rejection improvement of greater than 40 dB to 130 dB. Added to this list of impressive features is the ability to drive ±50-mA loads comfortably from an ultrasmall-footprint MSOP PowerPAD package, which positions the TLC08x as the ideal high-performance general-purpose operational amplifier family.
For the most current package and ordering information, see the Package Option Addendum at the end of this data sheet, or see the TI web site at www.ti.com. |
TLC0820A8-Bit, 392 kSPS ADC Parallel Out, Microprocessor Peripheral, On-Chip Track-and-Hold, Single Channels | Integrated Circuits (ICs) | 7 | Active | The TLC0820AC and the TLC0820AI are Advanced LinCMOSTM8-bit analog-to-digital converters each consisting of two 4-bit flash converters, a 4-bit digital-to-analog converter, a summing (error) amplifier, control logic, and a result latch circuit. The modified flash technique allows low-power integrated circuitry to complete an 8-bit conversion in 1.18 us over temperature. The on-chip track-and-hold circuit has a 100-ns sample window and allows these devices to convert continuous analog signals having slew rates of up to 100 mV/us without external sampling components. TTL-compatible 3-state output drivers and two modes of operation allow interfacing to a variety of microprocessors. Detailed information on interfacing to most popular microprocessors is readily available from the factory.
The TLC0820AC and the TLC0820AI are Advanced LinCMOSTM8-bit analog-to-digital converters each consisting of two 4-bit flash converters, a 4-bit digital-to-analog converter, a summing (error) amplifier, control logic, and a result latch circuit. The modified flash technique allows low-power integrated circuitry to complete an 8-bit conversion in 1.18 us over temperature. The on-chip track-and-hold circuit has a 100-ns sample window and allows these devices to convert continuous analog signals having slew rates of up to 100 mV/us without external sampling components. TTL-compatible 3-state output drivers and two modes of operation allow interfacing to a variety of microprocessors. Detailed information on interfacing to most popular microprocessors is readily available from the factory. |
| Integrated Circuits (ICs) | 8 | Active | |
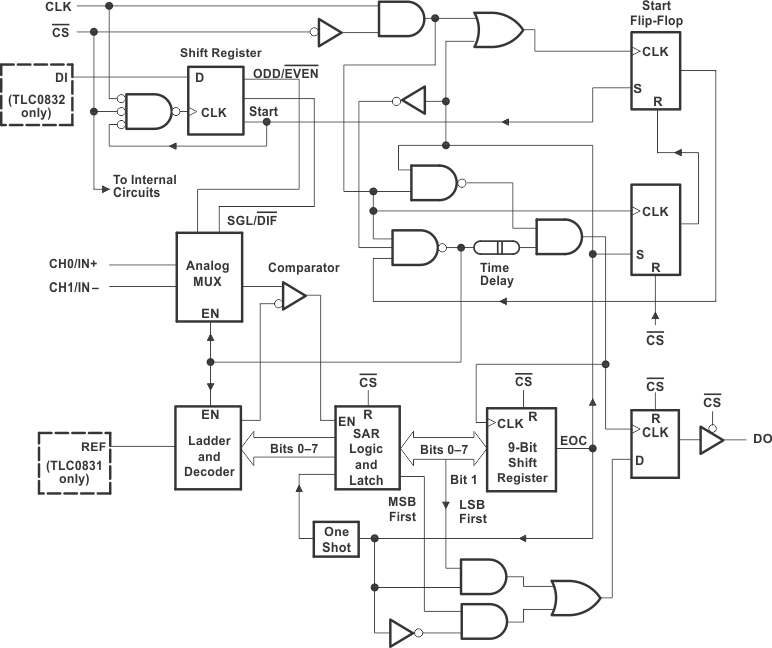
TLC08328-Bit, 22 kSPS ADC Serial Out, uProcessor Periph./Standalone, Mux option w/SE or differential, 2 Ch. | Data Acquisition | 6 | Active | These devices are 8-bit successive-approximation analog-to-digital converters. The TLC0831 has single input channels; the TLC0832 has multiplexed twin input channels. The serial output is configured to interface with standard shift registers or microprocessors.
The TLC0832 multiplexer is software configured for single-ended or differential inputs. The differential analog voltage input allows for common-mode rejection or offset of the analog zero input voltage value. In addition, the voltage reference input can be adjusted to allow encoding any smaller analog voltage span to the full 8 bits of resolution.
The operation of the TLC0831 and TLC0832 devices is very similar to the more complex TLC0834 and TLC0838 devices. Ratiometric conversion can be attained by setting the REF input equal to the maximum analog input signal value, which gives the highest possible conversion resolution. Typically, REF is set equal to VCC(done internally on the TLC0832).
The TLC0831C and TLC0832C are characterized for operation from 0°C to 70°C. The TLC0831I and TLC0832I are characterized for operation from -40°C to 85°C.
These devices are 8-bit successive-approximation analog-to-digital converters. The TLC0831 has single input channels; the TLC0832 has multiplexed twin input channels. The serial output is configured to interface with standard shift registers or microprocessors.
The TLC0832 multiplexer is software configured for single-ended or differential inputs. The differential analog voltage input allows for common-mode rejection or offset of the analog zero input voltage value. In addition, the voltage reference input can be adjusted to allow encoding any smaller analog voltage span to the full 8 bits of resolution.
The operation of the TLC0831 and TLC0832 devices is very similar to the more complex TLC0834 and TLC0838 devices. Ratiometric conversion can be attained by setting the REF input equal to the maximum analog input signal value, which gives the highest possible conversion resolution. Typically, REF is set equal to VCC(done internally on the TLC0832).
The TLC0831C and TLC0832C are characterized for operation from 0°C to 70°C. The TLC0831I and TLC0832I are characterized for operation from -40°C to 85°C. |
TLC08348-Bit, 4-Ch, 20 kSPS ADC Serial Out, uProcessor Periph./Standalone, Rem. Op w/Ser. Data Link | Integrated Circuits (ICs) | 5 | Active | These devices are 8-bit successive- approximation analog-to-digital converters, each with an input-configurable multichannel multiplexer and serial input/output. The serial input/ output is configured to interface with standard shift registers or microprocessors. Detailed information on interfacing with most popular microprocessors is readily available from the factory.
The TLC0834 (4-channel) and TLC0838 (8-channel) multiplexer is software-configured for single-ended or differential inputs as well as pseudodifferential input assignments. The differential analog voltage input allows for common-mode rejection or offset of the analog zero input voltage value. In addition, the voltage reference input can be adjusted to allow encoding of any smaller analog voltage span to the full 8 bits of resolution.
The TLC0834C and TLC0838C are characterized for operation from 0°C to 70°C. The TLC0834I and TLC0838I are characterized for operation from -40°C to 85°C. The TLC0834Q is characterized for operation from -40°C to 125°C.
These devices are 8-bit successive- approximation analog-to-digital converters, each with an input-configurable multichannel multiplexer and serial input/output. The serial input/ output is configured to interface with standard shift registers or microprocessors. Detailed information on interfacing with most popular microprocessors is readily available from the factory.
The TLC0834 (4-channel) and TLC0838 (8-channel) multiplexer is software-configured for single-ended or differential inputs as well as pseudodifferential input assignments. The differential analog voltage input allows for common-mode rejection or offset of the analog zero input voltage value. In addition, the voltage reference input can be adjusted to allow encoding of any smaller analog voltage span to the full 8 bits of resolution.
The TLC0834C and TLC0838C are characterized for operation from 0°C to 70°C. The TLC0834I and TLC0838I are characterized for operation from -40°C to 85°C. The TLC0834Q is characterized for operation from -40°C to 125°C. |
TLC08388-Bit, 8-Ch, 20 kSPS ADC Serial Out, uProcessor Periph./Standalone, Rem. Op w/Ser. Data Link | Data Acquisition | 9 | Active | These devices are 8-bit successive- approximation analog-to-digital converters, each with an input-configurable multichannel multiplexer and serial input/output. The serial input/ output is configured to interface with standard shift registers or microprocessors. Detailed information on interfacing with most popular microprocessors is readily available from the factory.
The TLC0834 (4-channel) and TLC0838 (8-channel) multiplexer is software-configured for single-ended or differential inputs as well as pseudodifferential input assignments. The differential analog voltage input allows for common-mode rejection or offset of the analog zero input voltage value. In addition, the voltage reference input can be adjusted to allow encoding of any smaller analog voltage span to the full 8 bits of resolution.
The TLC0834C and TLC0838C are characterized for operation from 0°C to 70°C. The TLC0834I and TLC0838I are characterized for operation from -40°C to 85°C. The TLC0834Q is characterized for operation from -40°C to 125°C.
These devices are 8-bit successive- approximation analog-to-digital converters, each with an input-configurable multichannel multiplexer and serial input/output. The serial input/ output is configured to interface with standard shift registers or microprocessors. Detailed information on interfacing with most popular microprocessors is readily available from the factory.
The TLC0834 (4-channel) and TLC0838 (8-channel) multiplexer is software-configured for single-ended or differential inputs as well as pseudodifferential input assignments. The differential analog voltage input allows for common-mode rejection or offset of the analog zero input voltage value. In addition, the voltage reference input can be adjusted to allow encoding of any smaller analog voltage span to the full 8 bits of resolution.
The TLC0834C and TLC0838C are characterized for operation from 0°C to 70°C. The TLC0834I and TLC0838I are characterized for operation from -40°C to 85°C. The TLC0834Q is characterized for operation from -40°C to 125°C. |
TLC083ADual, 16-V, 10-MHz, 1.4-mV offset voltage, In to V- op amp with shutdown functionality | Instrumentation, OP Amps, Buffer Amps | 10 | Active | The first members of TI’s new BiMOS general-purpose operational amplifier family are the TLC08x. The BiMOS family concept is simple: provide an upgrade path for BiFET users who are moving away from dual-supply to single-supply systems and demand higher ac and dc performance. With performance rated from 4.5 V to 16 V across commercial (0°C to 70°C) and an extended industrial temperature range (–40°C to 125°C), BiMOS suits a wide range of audio, automotive, industrial, and instrumentation applications. Familiar features like offset nulling pins, and new features like MSOP PowerPAD™ packages and shutdown modes, enable higher levels of performance in a variety of applications.
Developed in TI’s patented LBC3 BiCMOS process, the new BiMOS amplifiers combine a very high input impedance, low-noise CMOS front end with a high-drive bipolar output stage, thus providing the optimum performance features of both. AC performance improvements over the TL08x BiFET predecessors include a bandwidth of 10 MHz (an increase of 300%) and voltage noise of 8.5 nV/√Hz(an improvement of 60%). DC improvements include an ensured VICRthat includes ground, a factor of 4 reduction in input offset voltage down to 1.5 mV (maximum) in the standard grade, and a power supply rejection improvement of greater than 40 dB to 130 dB. Added to this list of impressive features is the ability to drive ±50-mA loads comfortably from an ultrasmall-footprint MSOP PowerPAD package, which positions the TLC08x as the ideal high-performance general-purpose operational amplifier family.
For the most current package and ordering information, see the Package Option Addendum at the end of this data sheet, or see the TI web site at www.ti.com.
The first members of TI’s new BiMOS general-purpose operational amplifier family are the TLC08x. The BiMOS family concept is simple: provide an upgrade path for BiFET users who are moving away from dual-supply to single-supply systems and demand higher ac and dc performance. With performance rated from 4.5 V to 16 V across commercial (0°C to 70°C) and an extended industrial temperature range (–40°C to 125°C), BiMOS suits a wide range of audio, automotive, industrial, and instrumentation applications. Familiar features like offset nulling pins, and new features like MSOP PowerPAD™ packages and shutdown modes, enable higher levels of performance in a variety of applications.
Developed in TI’s patented LBC3 BiCMOS process, the new BiMOS amplifiers combine a very high input impedance, low-noise CMOS front end with a high-drive bipolar output stage, thus providing the optimum performance features of both. AC performance improvements over the TL08x BiFET predecessors include a bandwidth of 10 MHz (an increase of 300%) and voltage noise of 8.5 nV/√Hz(an improvement of 60%). DC improvements include an ensured VICRthat includes ground, a factor of 4 reduction in input offset voltage down to 1.5 mV (maximum) in the standard grade, and a power supply rejection improvement of greater than 40 dB to 130 dB. Added to this list of impressive features is the ability to drive ±50-mA loads comfortably from an ultrasmall-footprint MSOP PowerPAD package, which positions the TLC08x as the ideal high-performance general-purpose operational amplifier family.
For the most current package and ordering information, see the Package Option Addendum at the end of this data sheet, or see the TI web site at www.ti.com. |