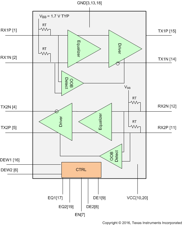
| Signal Buffers, Repeaters, Splitters | 2 | Active | The SN75LVPE801 is a versatile single channel, SATA Express signal conditioner supporting data rates up to 8 Gbps. The device supports SATA Gen 1, 2, and 3 specifications as well as PCIe 1.0, 2.0, and 3.0. The SN75LVPE801 operates from a single 3.3-V supply and has 100-Ω line termination with self-biasing feature, making the device suitable for AC coupling. The inputs incorporate an out-of-band (OOB) detector, which automatically squelches the output when the input differential voltage falls below threshold while maintaining a stable common-mode voltage. The device is also designed to handle spread spectrum clocking (SSC) transmission per SATA standard.
The SN75LVPE801 handles interconnect losses at its input with selectable equalization settings that can be programmed to match the loss in the channel. For data rates of 8 Gbps and lower the SN75LVPE801 equalizes signals for a span of up to 50 inches of FR4 board material. For data rates of 8 Gbps the device compensates up to 40 in of FR4 material. The equalization level is controlled by the setting of the signal control pin EQ.
Two de-emphasis levels can be selected on the transmit side to provide 0 dB or 1.2 dB of additional high-frequency loss compensation at the output.
The device is hot-plug capable(1)preventing device damage under device -insertion such as async signal plug and removal, unpowered plug and removal, powered plug and removal, or surprise plug and removal.
The SN75LVPE801 is a versatile single channel, SATA Express signal conditioner supporting data rates up to 8 Gbps. The device supports SATA Gen 1, 2, and 3 specifications as well as PCIe 1.0, 2.0, and 3.0. The SN75LVPE801 operates from a single 3.3-V supply and has 100-Ω line termination with self-biasing feature, making the device suitable for AC coupling. The inputs incorporate an out-of-band (OOB) detector, which automatically squelches the output when the input differential voltage falls below threshold while maintaining a stable common-mode voltage. The device is also designed to handle spread spectrum clocking (SSC) transmission per SATA standard.
The SN75LVPE801 handles interconnect losses at its input with selectable equalization settings that can be programmed to match the loss in the channel. For data rates of 8 Gbps and lower the SN75LVPE801 equalizes signals for a span of up to 50 inches of FR4 board material. For data rates of 8 Gbps the device compensates up to 40 in of FR4 material. The equalization level is controlled by the setting of the signal control pin EQ.
Two de-emphasis levels can be selected on the transmit side to provide 0 dB or 1.2 dB of additional high-frequency loss compensation at the output.
The device is hot-plug capable(1)preventing device damage under device -insertion such as async signal plug and removal, unpowered plug and removal, powered plug and removal, or surprise plug and removal. |
| Interface | 1 | Active | The SN75LVPE802 is a versatile dual channel, SATA Express signal conditioner supporting data rates up to 8 Gbps. The device supports SATA Gen 1, 2, and 3 specifications as well as PCIe 1, 2, 3. The SN75LVPE802 operates from a single 3.3-V supply and has 100-Ω line termination with self-biasing feature, making the device suitable for AC coupling. The inputs incorporate an out-of-band (OOB) detector, which automatically squelches the output when the input differential voltage falls below threshold while maintaining a stable common-mode voltage. The device is also designed to handle spread spectrum clocking (SSC) transmission per SATA standard.
The SN75LVPE802 handles interconnect losses at its input with selectable equalization settings that can be programmed to match the loss in the channel. For data rates of 3 Gbps and lower, the SN75LVPE802 equalizes signals for a span of up to 50 inches of FR4 board material. For data rates of 8 Gbps, the device compensates up to 40 in of FR4 material. The equalization level is controlled by the setting of the signal control pin EQ.
Two de-emphasis levels can be selected on the transmit side to provide 0 or 1.2 dB of additional high- frequency loss compensation at the output.
The device is hot-plug capable (requires use of AC coupling capacitors at differential inputs and outputs) preventing device damage under device hot-insertion such as async signal plug/removal, unpowered plug/removal, powered plug/removal, or surprise plug/removal.
The SN75LVPE802 is a versatile dual channel, SATA Express signal conditioner supporting data rates up to 8 Gbps. The device supports SATA Gen 1, 2, and 3 specifications as well as PCIe 1, 2, 3. The SN75LVPE802 operates from a single 3.3-V supply and has 100-Ω line termination with self-biasing feature, making the device suitable for AC coupling. The inputs incorporate an out-of-band (OOB) detector, which automatically squelches the output when the input differential voltage falls below threshold while maintaining a stable common-mode voltage. The device is also designed to handle spread spectrum clocking (SSC) transmission per SATA standard.
The SN75LVPE802 handles interconnect losses at its input with selectable equalization settings that can be programmed to match the loss in the channel. For data rates of 3 Gbps and lower, the SN75LVPE802 equalizes signals for a span of up to 50 inches of FR4 board material. For data rates of 8 Gbps, the device compensates up to 40 in of FR4 material. The equalization level is controlled by the setting of the signal control pin EQ.
Two de-emphasis levels can be selected on the transmit side to provide 0 or 1.2 dB of additional high- frequency loss compensation at the output.
The device is hot-plug capable (requires use of AC coupling capacitors at differential inputs and outputs) preventing device damage under device hot-insertion such as async signal plug/removal, unpowered plug/removal, powered plug/removal, or surprise plug/removal. |
| Unclassified | 1 | Obsolete | |
| RF Transceiver ICs | 13 | Obsolete | |
| Power Management (PMIC) | 1 | Active | |
SN888CBus-Polarity Correcting RS-485 Transceiver with IEC-ESD Protection | Drivers, Receivers, Transceivers | 1 | Active | The SN888C is a low-power RS-485 transceiver with bus-polarity correction and transient protection. Upon hot plug-in the device detects and corrects the bus polarity within the first 76 ms of bus idling. On-chip transient protection protects the device against IEC61000 ESD and EFT transients.
The SN888C is available in an SOIC-8 package. The device is characterized from –40°C to 85°C.
The SN888C is a low-power RS-485 transceiver with bus-polarity correction and transient protection. Upon hot plug-in the device detects and corrects the bus polarity within the first 76 ms of bus idling. On-chip transient protection protects the device against IEC61000 ESD and EFT transients.
The SN888C is available in an SOIC-8 package. The device is characterized from –40°C to 85°C. |
| Microcontrollers | 1 | Obsolete | |
| Uncategorized | 2 | Obsolete | |
| Logic | 1 | Active | |
| Latches | 1 | Active | |