L79L15Negative voltage regulators | Power Management (PMIC) | 11 | Active | The L79L series of three-terminal negative regulators employ internal current limiting and thermal shutdown, making them essentially indestructible. If adequate heat-sink is provided, they can deliver up to 100 mA output current. They are intended as fixed voltage regulators in a wide range of applications including local or on-card regulation for elimination of noise and distribution problems associated with single-point regulation. In addition, they can be used with power pass elements to make high-current voltage regulators. The L79L series used as Zener diode/resistor combination replacement, offers an effective output impedance improvement of typically two orders of magnitude, along with lower quiescent current and lower noise. |
L9300Flexible U-chip for braking & transmission | Power Management - Specialized | 1 | Active | The device is an integrated circuit designed for automotive environment and implemented in BCD8s_auto technology.
The device configurability involves both the supplies block and the valve drivers stage and particularly addresses to transmission applications. |
| PMIC | 1 | Obsolete | |
| Power Distribution Switches, Load Drivers | 1 | Active | |
L93474-channel valve driver | Power Management (PMIC) | 1 | Obsolete | The L9347 is an integrated quad low-side power switch to drive inductive loads like valves used in ABS systems. Two of the four channels are current regulators with current range from 250mA to 2.25A and an accuracy of 10%.
All channels are protected against fail functions. They are monitored by a status output. |
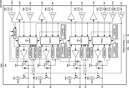
L9349-LFQuad intelligent power low side switch | Power Management (PMIC) | 2 | Active | The L9349 is a monolithic IC designed to drive inductive loads in low side configurations like hydraulic valves used in ABS systems.
Particular care has been taken to protect the device against failures, to avoid electromagnetic interferences and to offer extensive real time diagnostics.
The internal pull down current source at the ENable and INput pins assures, that the device is switched off, in case of open input conditions.
An output voltage slope limitation is implemented to reduce the EMI.
The device is equipped with an integrated Zener diodes clamp for fast inductive load current recirculation. This structure limits the output voltage during the recirculation phase to 50V.
The device is self-protected against short circuit at the outputs and overtemperature.
For the real time error diagnosis, the voltage and the current of the outputs are compared with internally fixed thresholds to recognize open load in OFF and ON conditions.
The output voltages are also compared with each other in OFF condition with a fixed offset, in order to recognize load bypasses.
If the over load current threshold is exceeded, the output current will be limited internally during the diagnostic overload delay switch-off time.
All four channels are monitored with a status output. The diagnostic output level in connection with different enable and input conditions allows it to recognize the different fail states. |
L9369Automotive IC for a specific application of electric parking braking | Integrated Circuits (ICs) | 1 | Active | The L9369 targets the specific application of electric parking braking, suitable for system configuration in cable-puller or Motor Gear Unit (MGU).
The cores are two H-bridge driver stages to drive 8 external FETs for the rear wheels brakes actuators. The stages are fully driven and configurable via SPI, also in PWM control mode and protected against overcurrent, with drain-source and gate-source voltages monitoring.
A synchronized motor voltages and currents acquisition, is performed via full differential amplifiers with programmable and precise gain and low offset and 10 ADC sigma-delta modulators.
Two configurable HS/LS stages are present with programmable output voltage to drive LED arrays, with feedforward regulation.
2 Motor Speed Sensor interfaces (MSS) are available to acquire position feedback from brake actuators (shared with Lamp driver stage and GPIO).
The set of the interfaces is completed by 4 GPIO (General Purpose I/O) pins and a button interface allows to manage specific customer requirements from Electronic parking braking (EPB) button console both in Normal and Sleep Mode. |
| Specialized ICs | 1 | Active | |
| Integrated Circuits (ICs) | 2 | Active | The L9374LF is a SPI (serial peripheral interface) controlled four channel low side driver with integrated recirculation diodes.
The output duty cycle (all channels) / current regulation level (Q3 & Q4 only) can be programmed individually. It is possible to program two consecutive output duty cycles or target currents per channel as well as an individual duration time for each channel actuation. |
| Gate Drivers | 1 | Active | |