L272Dual power operational amplifier | Amplifiers | 1 | Active | The L272 is a monolithic integrated circuits in Powerdip, Minidip and SO packages intended for use as power operational amplifiers in a wide range of applications including servo amplifiers and power supplies, compacts disc, VCR, etc.
The high gain and high output power capability provide superior performance whatever an operational amplifier/power booster combination is required. |
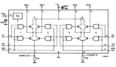
L293DPush-Pull Four Channel Drivers with Diodes | PMIC | 3 | Active | The Device is a monolithic integrated high voltage, high current four channel driver designed to accept standard DTL or TTL logic levels and drive inductive loads (such as relays solenoides, DC and stepping motors) and switching power transistors.
To simplify use as two bridges each pair of channels is equipped with an enable input. A separate supply input is provided for the logic, allowing operation at a lower voltage and internal clamp diodes are included.
This device is suitable for use in switching applications at frequencies up to 5 kHz.
The L293D is assembled in a 16 lead plastic packaage which has 4 center pins connected together and used for heatsinking
The L293DD is assembled in a 20 lead surface mount which has 8 center pins connected together and used for heatsinking. |
| PMIC | 2 | Obsolete | |
L297Stepper Motor Controller | Motor Drivers, Controllers | 2 | Active | The L297 Stepper Motor Controller IC generates four phase drive signals for two phase bipolar and four phase unipolar step motors in microcomputer-controlled applications. The motor can be driven in half step, normal and wawe drive modes and on-chip PWM chopper circuits permit switch-mode control of the current in the windings. A feature of this device is that it requires only clock, direction and mode input signals. Since the phase are generated internally the burden on the microprocessor, and the programmer, is greatly reduced. Mounted in DIP20 and SO20 packages, the L297 can be used with monolithic bridge drives such as the L298N or L293E, or with discrete transistors and darlingtons. |
L298Dual Full Bridge Driver | PMIC | 2 | Active | The L298 is an integrated monolithic circuit in a 15-lead Multiwatt and PowerSO20 packages. It is a high voltage, high current dual full-bridge driver designed to accept standard TTL logic levels and drive inductive loads such as relays, solenoids, DC and stepping motors. Two enable inputs are provided to enable or disable the device independently of the input signals. The emitters of the lower transistors of each bridge are connected together and the corresponding external terminal can be used for the connection of an external sensing resistor. An additional supply input is provided so that the logic works at a lower voltage. |
| Integrated Circuits (ICs) | 2 | Obsolete | |
| PMIC | 1 | Obsolete | |
| Power Management (PMIC) | 1 | Obsolete | |
| PMIC | 1 | Obsolete | |
L4925Very Low Drop Voltage Regulator | Voltage Regulators - Linear, Low Drop Out (LDO) Regulators | 1 | Obsolete | The L4925 is a monolithic integrated 5V voltage regulator with a very low dropout output and additional functions such as power-on reset and programmable reset delay time.
It is designed for supplying microcomputer controlled systems especially in automotive applications. |