| Buffers, Drivers, Receivers, Transceivers | 2 | Active | |
| Integrated Circuits (ICs) | 2 | Active | |
ZIOL2411Dual Channel IO-Link HV Line Driver | Buffers, Drivers, Receivers, Transceivers | 2 | Active | The ZIOL2411 is a line driver/level shifter IC that provides two independent HV I/O channels with a wide range of configurable system features. It addresses the physical layer of sensor/actuator systems in factory automation applications and is specifically designed to support the communication standard IO-Link. The output drivers are push-pull stages, which in tandem mode reach an RDSon of less than 3.3Ω at all operational temperatures. The configuration is stored in an on-chip EEPROM and automatically loaded into the ZIOL2411's control register during power up. The ZIOL2411 also provides status information, such as overload and over-temperature conditions. An integrated SPI interface supports access to configuration and status registers. The ZIOL2411 is fabricated in a powerful CMOS mixed-signal technology that allows supply voltages up to 40V. The EEPROM read/write functionality is guaranteed within the entire operating temperature range in combination with a low-voltage core supply of 3.3V. |
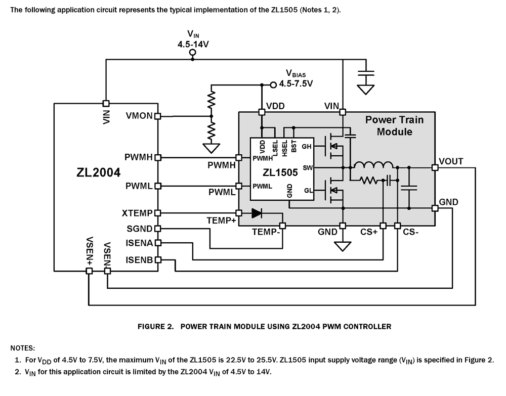
ZL1505Synchronous Step-Down MOSFET Drivers | Power Management (PMIC) | 4 | Obsolete | The ZL1505 is an integrated high-speed, high-current N-channel MOSFET driver for synchronous step-down DC/DC conversion applications. When used with Zilker Labs Digital- DC™ PWM controllers, the ZL1505 enables dynamically adaptive dead-time control that optimizes efficiency under all operating conditions. A dual input PWM configuration enables this efficiency optimization while minimizing complexity within the driver. Operating from a 4. 5V to 7. 5V input, the ZL1505 combines a 5A, 0. 5W low-side driver and a 3A, 0. 8W high-side driver to support high step-down buck applications. A unique adjustable gate drive current scheme allows the user to adjust the drive current on both drivers to optimize performance for a wide rage of input/output voltages, load currents, power MOSFETs and switching frequencies up to 1. 4MHz. An integrated 30V bootstrap Schottky diode is used to charge the external bootstrap capacitor. An internal watchdog circuit prevents excessive shoot-through currents and protects the external MOSFET switches. The ZL1505 is specified over a wide -40°C to +125°C junction temperature range and is available in an exposed pad DFN-10 package. |
| Power Management (PMIC) | 1 | Obsolete | |
| Integrated Circuits (ICs) | 1 | Obsolete | |
| Integrated Circuits (ICs) | 2 | Obsolete | |
| Integrated Circuits (ICs) | 2 | Obsolete | |
| PMIC | 3 | Obsolete | |
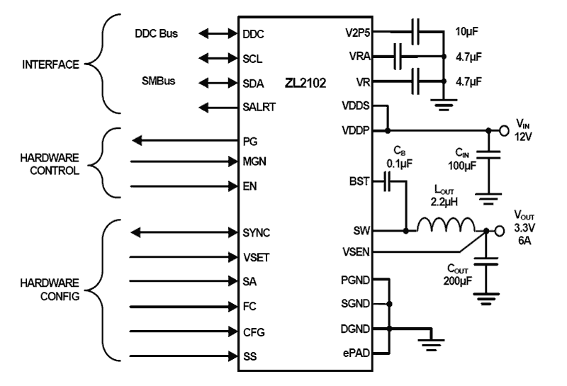
ZL21026A Digital Integrated Synchronous Step-Down DC/DC Regulator with Auto Compensation | Power Management (PMIC) | 2 | Obsolete | The ZL2102 is an integrated digital power regulator with auto compensation and power management functions in a small package, resulting in a flexible and integrated solution, which can be configured using the PowerNavigator™ graphical user interface. This synchronous buck converter operates from a 4. 5V to 14V input supply and provides from 0. 54V to 5. 5V output voltage at up to 6A. The ZL2102 can be configured for most applications using only hardware pin straps to adjust switching frequency, output voltage, UVLO, soft-start ramp/delay settings, sequencing options, and SMBus address. For more advanced configurations, the ZL2102 supports over 70 PMBus commands. Output voltage/current is factory calibrated. Internal synchronous power MOSFETs enable the ZL2102 to deliver continuous loads up to 6A with high efficiency. An internal Schottky bootstrap diode reduces discrete component count. The ZL2102 also supports phase spreading to reduce system input capacitance. The ZL2102 uses the SMBus™ with PMBus™ protocol for communication with a host controller and the Intersil's proprietary Digital-DC™ bus for interoperability between other Intersil devices. |