| Signal Switches, Multiplexers, Decoders | 1 | Active | The 74CBTLV3244 octal bus switch has standard 244 pinouts and is designed for asynchronous communication between data buses. Sets of four switches are controlled by one output Enable (OE). When OE is low, the set of four bus switches is on and port A is connected to port B. When OE is high, the set of four bus switches is off and a high impedance exists between port A and port B. The 74CBTLV3244 operates at -40 °C to +85 °C. |
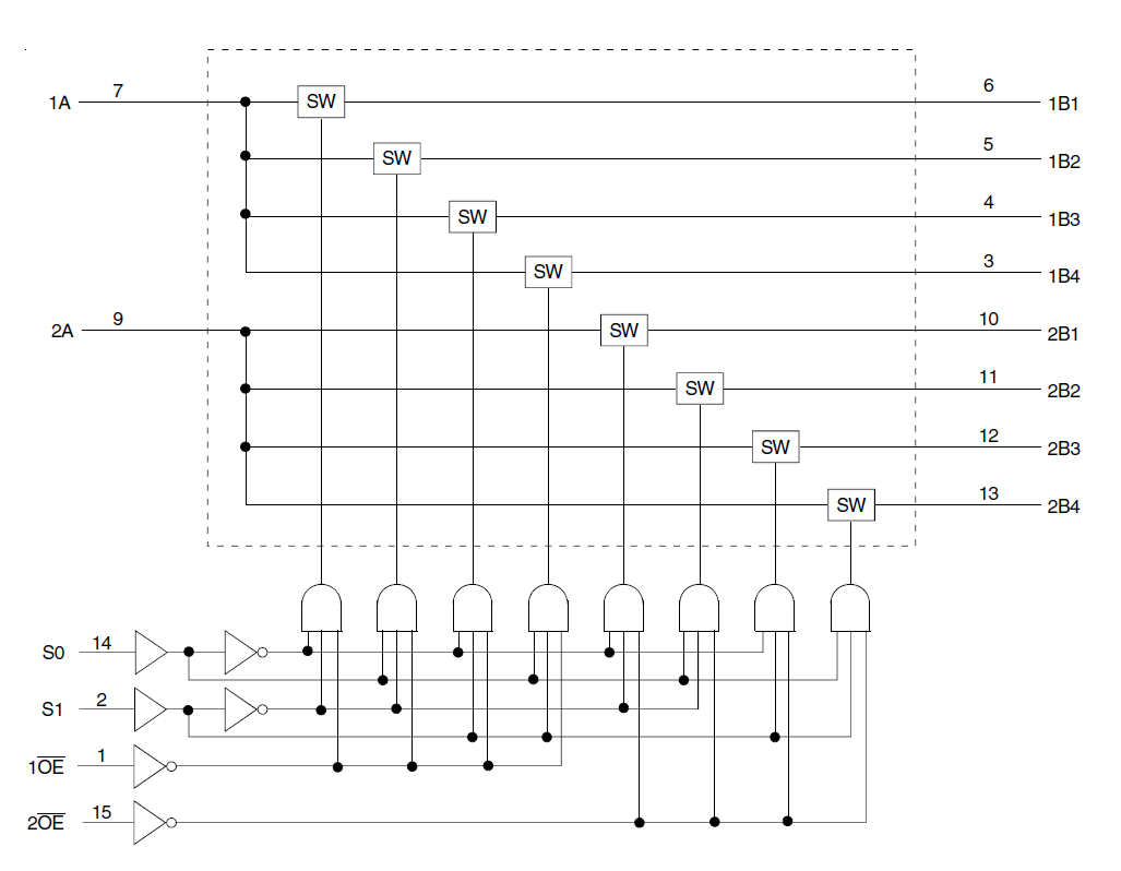
| Logic | 1 | Obsolete | The 74CBTLV3251 is a 1-of-8 high-speed multiplexer/demultiplexer. The select input (S0, S1, S2) controls the data flow. The multiplexer/demultiplexer switches are disabled when the output-enable (OE) input is high. The 74CBTLV3251 operates at -40 °C to +85 °C. |
74CBTLV3253Low-Voltage Dual 1-of-4 Multiplexer/Demultiplexer | Integrated Circuits (ICs) | 2 | Active | The 74CBTLV3253 is a dual 1-of-4 high-speed multiplexer/demultiplexer. The select (S0, S1) input controls the data flow. The multiplexer/demultiplexer switches are disabled when the output-enable (OE) input is high. The 74CBTLV3253 operates at -40 °C to +85 °C. |
| Signal Switches, Multiplexers, Decoders | 2 | Active | The 74CBTLV3384 is a 10-bit high-speed bus switch with low on-state resistance of the switch allowing connections to be made with minimal propagation delay. The device is organized as dual 5-bit bus switches with separate Output Enable (OE) inputs to allow use as two 5-bit bus switches or one 10-bit bus switch. The 74CBTLV3384 operates at -40 °C to +85 °C. |
| Integrated Circuits (ICs) | 1 | Active | The 74CBTLV3861 10-bit bus switch provides high-speed bus switching with low on-state resistance of the switch allowing connections to be made with minimal propagation delay. The 74CBTLV3861 operates at -40 °C to +85 °C. |
74CBTLV3862Low-Voltage 10-Bit Bus Switch with Active High and Low Enables | Signal Switches, Multiplexers, Decoders | 1 | Obsolete | The 74CBTLV3862 10-bit bus switch with active high/low enables, provides high-speed bus switching with low on-state resistance of the switch allowing connections to be made with minimal propagation delay. The 74CBTLV3862 operates at -40C to +85C |
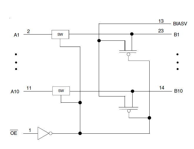
74CBTLV6800Low-Voltage 10-Bit Bus Switch with Precharged Outputs | Integrated Circuits (ICs) | 1 | Obsolete | The 74CBTLV6800 10-bit bus switch with precharged outputs provides high-speed bus switching with low on-state resistance of the switch, allowing connections to be made with minimal propagation delay. It is organized as a single 10-bit bus switch with a single output-enable (OE) input. The 74CBTLV6800 operates at -40C to +85C |
| Buffers, Drivers, Receivers, Transceivers | 5 | Obsolete | The 74FCT162244T 16-bit high-speed, low-power buffer/line driver can operate as an independent 4-bit, 8-bit, or combined 16-bit operation. The 74FCT162244T reduces the need for external series terminating resistors while still providing very high-speed operation for loads of less than 200pF. The device operates at -40 °C to +85 °C. For the Mil version, see 54FCT162244T. |
| Logic | 3 | Obsolete | The 74FCT162245T 16-bit high-speed, low-power transceiver is ideal for synchronous communication between two buses and can operate as either two independent 8-bit transceivers or one 16-bit transceiver. The 74FCT162245T offers low ground bounce, minimal undershoot, and controlled output fall times–reducing the need for external series terminating resistors. It is a plug-in replacement for the 74FCT16245T for onboard interface applications. The 74FCT162245T operates at -40 °C to +85 °C. For the Mil version, see 54FCT162245T. |
| Latches | 3 | Obsolete | The 74FCT162373T 16-bit high-speed, low-power transparent D-type latch is ideal for temporary storage of data. It can be used for implementing memory address latches, I/O ports, and bus drivers and can operate as two 8-bit latches, or one 16-bit latch. The 74FCT162373T offers low ground bounce, minimal undershoot, and controlled output fall times–reducing the need for external series terminating resistors. It is a plug-in replacement for the 74FCT16373T for on-board interface applications. The 74FCT162373T operates at -40C to +85C |