| Integrated Circuits (ICs) | 18 | Active | |
| Data Acquisition | 3 | Obsolete | |
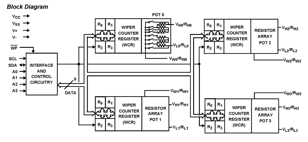
X9258Low Noise, Low Power, 2-Wire Bus, 256 Taps Quad Digital Controlled Potentiometer (XDCP™) | Integrated Circuits (ICs) | 19 | Active | The X9258 integrates 4 digitally controlled potentiometers (XDCP™) on a monolithic CMOS integrated circuit. The digitally controlled potentiometer is implemented using 255 resistive elements in a series array. Between each element are tap points connected to the wiper terminal through switches. The position of the wiper on the array is controlled by the user through the 2-wire bus interface. Each potentiometer has associated with it a volatile Wiper Counter Register (WCR) and 4 non-volatile Data Registers (DR0:DR3) that can be directly written to and read by the user. The contents of the WCR controls the position of the wiper on the resistor array though the switches. Power-up recalls the contents of DR0 to the WCR. The XDCP™ can be used as a three-terminal potentiometer or as a two-terminal variable resistor in a wide variety of applications including control, parameter adjustments, and signal processing. |
| Digital Potentiometers | 17 | Active | |
| Digital Potentiometers | 1 | Obsolete | |
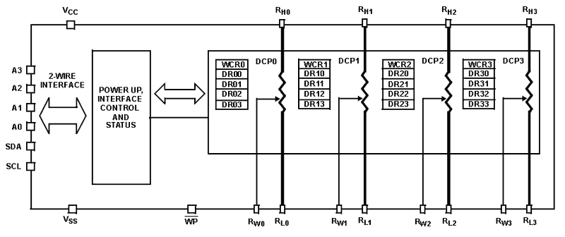
X9268Dual Digitally Controlled (XDCP™) Potentiometers | Digital Potentiometers | 1 | Obsolete | The X9268 integrates 2 digitally controlled potentiometer (XDCP) on a monolithic CMOS integrated circuit. The digital controlled potentiometer is implemented using 255 resistive elements in a series array. Between each element are tap points connected to the wiper terminal through switches. The position of the wiper on the array is controlled by the user through the 2-Wire bus interface. Each potentiometer has associated with it a volatile Wiper Counter Register (WCR) and a four nonvolatile Data Registers that can be directly written to and read by the user. The contents of the WCR controls the position of the wiper on the resistor array though the switches. Powerup recalls the contents of the default Data Register (DR0) to the WCR. The XDCP can be used as a three-terminal potentiometer or as a two terminal variable resistor in a wide variety of applications including control, parameter adjustments, and signal processing. |
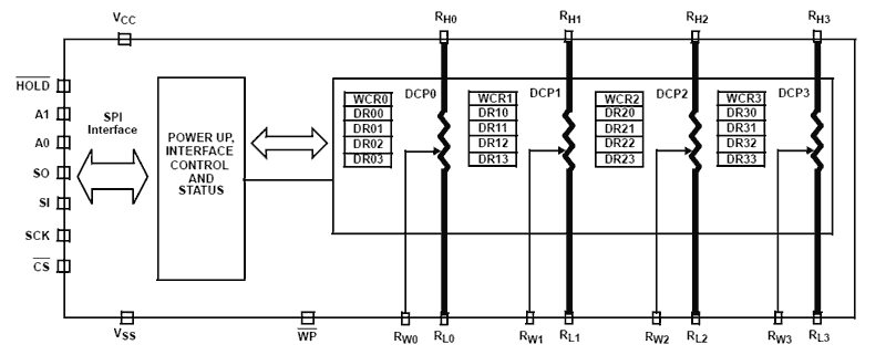
X9271Single Digitally-Controlled (XDCP™) Potentiometer | Integrated Circuits (ICs) | 11 | Active | The X9271 integrates a single, digitally controlled potentiometer (XDCP™) on a monolithic CMOS integrated circuit. The digitally controlled potentiometer is implemented by using 255 resistive elements in a series array. Between each element are tap points connected to the wiper terminal through switches. The position of the wiper on the array is controlled by the user through the SPI bus interface. The potentiometer has associated with it a volatile Wiper Counter Register (WCR) and four nonvolatile data registers that can be directly written to and read by the user. The contents of the WCR control the position of the wiper on the resistor array though the switches. Power-up recalls the contents of the default data register (DR0) to the WCR. The XDCP can be used as a three-terminal potentiometer or as a two-terminal variable resistor in a wide variety of applications including control, parameter adjustments, and signal processing. |
| Data Acquisition | 5 | Obsolete | |
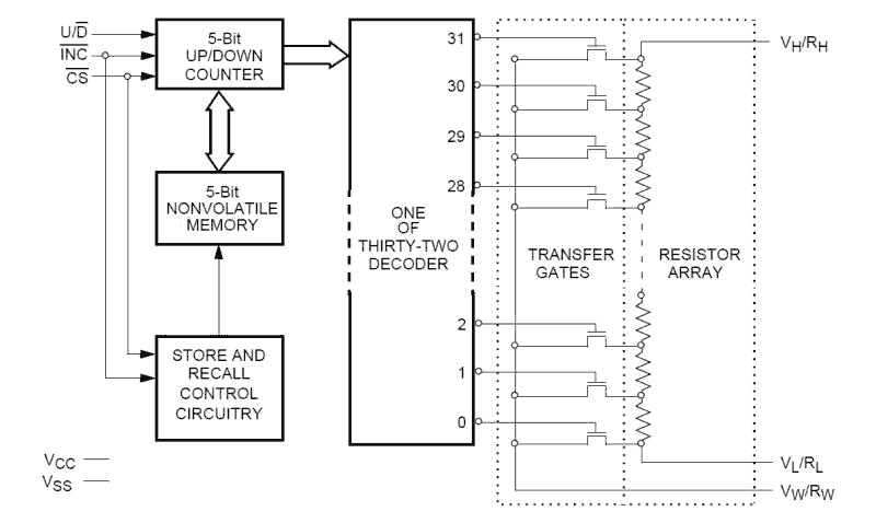
X9313Digitally Controlled Potentiometer (XDCP™), Linear, 32 Taps, 3 Wire Interface, Terminal Voltages ± VCC | Integrated Circuits (ICs) | 59 | Active | The Intersil X9313 is a digitally controlled potentiometer (XDCP). The device consists of a resistor array, wiper switches, a control section, and nonvolatile memory. The wiper position is controlled by a 3-wire interface. The potentiometer is implemented by a resistor array composed of 31 resistive elements and a wiper switching network. Between each element and at either end are tap points accessible to the wiper terminal. The position of the wiper element is controlled by the CS, U/D, and INC inputs. The position of the wiper can be stored in nonvolatile memory and then be recalled upon a subsequent power-up operation. The device can be used as a three-terminal potentiometer or as a two-terminal variable resistor in a wide variety of applications including: |
| Data Acquisition | 10 | Active | |