R
Renesas Electronics Corporation
| Series | Category | # Parts | Status | Description |
|---|---|---|---|---|
| Part | Spec A | Spec B | Spec C | Spec D | Description |
|---|---|---|---|---|---|
| Series | Category | # Parts | Status | Description |
|---|---|---|---|---|
| Part | Spec A | Spec B | Spec C | Spec D | Description |
|---|---|---|---|---|---|
| Part | Category | Description |
|---|---|---|
Renesas Electronics Corporation | Integrated Circuits (ICs) | RV1S9356ACCSP-120V#KC0 |
Renesas Electronics Corporation | Crystals Oscillators Resonators | XTAL OSC VCXO 44.7360MHZ HCMOS |
Renesas Electronics Corporation R7F7015693AFD#KA2Obsolete | Integrated Circuits (ICs) | IC MCU |
Renesas Electronics Corporation NE677M04-AObsolete | Discrete Semiconductor Products | RF TRANS NPN 6V 15GHZ SOT343F |
Renesas Electronics Corporation IDT71V416L10YIObsolete | Integrated Circuits (ICs) | IC SRAM 4MBIT PARALLEL 44SOJ |
Renesas Electronics Corporation IDT71V424YS10PHObsolete | Integrated Circuits (ICs) | IC SRAM 4MBIT PARALLEL 44TSOP II |
Renesas Electronics Corporation | Integrated Circuits (ICs) | IC MCU 32BIT 1.5MB FLASH 64TFBGA |
Renesas Electronics Corporation UPG2214TB-AObsolete | RF and Wireless | IC RF SWITCH SPDT 3GHZ 6-SMINI |
Renesas Electronics Corporation R5F212J1SNSP#U0Obsolete | Integrated Circuits (ICs) | IC MCU 16BIT 4KB FLASH 20LSSOP |
Renesas Electronics Corporation | Integrated Circuits (ICs) | MCU RA6 ARM CM33 200MHZ 512K/256 |
| Series | Category | # Parts | Status | Description |
|---|---|---|---|---|
| Clock Generators, PLLs, Frequency Synthesizers | 3 | Obsolete | ||
512LOCO™ PLL Clock Multiplier | Clock/Timing | 3 | Obsolete | The IDT512 is the most cost effective way to generate a high quality, high frequency clock output and a reference clock from a lower frequency crystal or clock input, and is designed to replace crystal oscillators in most electronic systems. Using Phase-Locked-Loop (PLL) techniques, the device uses a standard fundamental mode, inexpensive crystal to produce output clocks up to 200 MHz. With a reference output, this chip plus an inexpensive crystal can replace two oscillators. |
| Integrated Circuits (ICs) | 1 | Obsolete | ||
| Clock Generators, PLLs, Frequency Synthesizers | 2 | Obsolete | ||
| Integrated Circuits (ICs) | 2 | Active | ||
| Clock/Timing | 3 | Obsolete | ||
| Clock Generators, PLLs, Frequency Synthesizers | 3 | Obsolete | ||
525-03PECL Input Oscar™ User Configurable Clock | Clock/Timing | 1 | Obsolete | The 525-03 are the most flexible way to generate a high-quality, high-accuracy, high-frequency clock output from a PECL input. The name OSCaR stands for OSCillator Replacement, as they are designed to replace crystal oscillators in almost any electronic system. The user can configure the device to produce nearly any output frequency from any input frequency by grounding or floating the select pins. Neither microcontroller, software, nor device programmer are needed to set the frequency. Using Phase-Locked Loop (PLL) techniques, the device accepts a PECL clock to produce output clocks up to 250 MHz, keeping them frequency locked together. Resistors are for PECL outputs only. For simple multipliers to produce common frequencies, refer to the Loco™ family of parts, which are smaller and more cost effective. This product is intended for clock generation. It has low output jitter (variation in the output period), but input to output skew and jitter are not defined nor guaranteed. |
525RPECL Input Oscar™ User Configurable Clock | Clock Generators, PLLs, Frequency Synthesizers | 1 | Obsolete | The 525-03 are the most flexible way to generate a high-quality, high-accuracy, high-frequency clock output from a PECL input. The name OSCaR stands for OSCillator Replacement, as they are designed to replace crystal oscillators in almost any electronic system. The user can configure the device to produce nearly any output frequency from any input frequency by grounding or floating the select pins. Neither microcontroller, software, nor device programmer are needed to set the frequency. Using Phase-Locked Loop (PLL) techniques, the device accepts a PECL clock to produce output clocks up to 250 MHz, keeping them frequency locked together. Resistors are for PECL outputs only. For simple multipliers to produce common frequencies, refer to the Loco™ family of parts, which are smaller and more cost effective. This product is intended for clock generation. It has low output jitter (variation in the output period), but input to output skew and jitter are not defined nor guaranteed. |
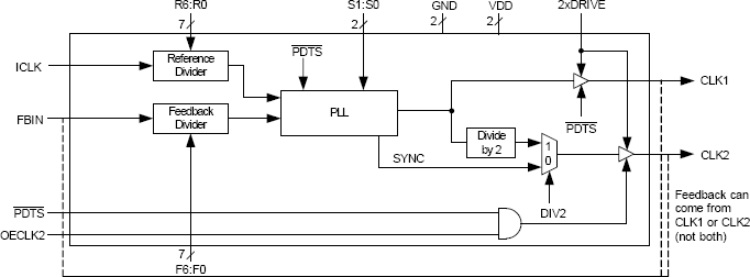
527-01Clock Slicer User Configurable Zero Delay Buffer | Clock/Timing | 2 | Obsolete | The 527-01 Clock Slicer is the most flexible way to generate an output clock from an input clock with zero skew. The user can easily configure the device to produce nearly any output clock that is multiplied or divided from the input clock. The part supports non-integer multiplications and divisions. A SYNC pulse indicates when the rising clock edges are aligned with zero skew. Using Phase-Locked Loop (PLL) techniques, the device accepts an input clock up to 200 MHz and produces an output clock up to 160 MHz. The 527-01 aligns rising edges on ICLK and FBIN at a ratio determined by the reference and feedback dividers. For configurable clocks that do not require zero delay, use the 525. |