R
Renesas Electronics Corporation
| Series | Category | # Parts | Status | Description |
|---|---|---|---|---|
| Part | Spec A | Spec B | Spec C | Spec D | Description |
|---|---|---|---|---|---|
| Series | Category | # Parts | Status | Description |
|---|---|---|---|---|
| Part | Spec A | Spec B | Spec C | Spec D | Description |
|---|---|---|---|---|---|
| Part | Category | Description |
|---|---|---|
Renesas Electronics Corporation | Integrated Circuits (ICs) | IC MCU 32BIT 1MB FLASH 48LFQFP |
Renesas Electronics Corporation | Integrated Circuits (ICs) | 16-BIT GENERAL MCU RL78/G23 96K |
Renesas Electronics Corporation | Isolators | OPTOISOLATOR 5KV TRANS 4SMD |
Renesas Electronics Corporation | Integrated Circuits (ICs) | IC REG PQFN |
Renesas Electronics Corporation X1228S14-2.7Obsolete | Integrated Circuits (ICs) | IC RTC CLK/CALENDAR I2C 14SOIC |
Renesas Electronics Corporation | Integrated Circuits (ICs) | 32-BIT MICROCONTROLLER OPTIMIZED FOR DUAL-MOTOR AND PFC CONTROL |
Renesas Electronics Corporation R5F104FJAFP#V0Obsolete | Integrated Circuits (ICs) | LOW POWER, HIGH FUNCTION, GENERAL PURPOSE MICROCONTROLLERS FOR MOTOR CONTROL, INDUSTRIAL AND METERING APPLICATIONS |
Renesas Electronics Corporation MK1493-03BGILFTRObsolete | Integrated Circuits (ICs) | IC CLOCK GENERATOR 48TSSOP |
Renesas Electronics Corporation | Development Boards Kits Programmers | E10A-USB SH4AL-DSP LICENSE TOOL |
Renesas Electronics Corporation | Integrated Circuits (ICs) | 32BIT MCU R32C/100X |
| Series | Category | # Parts | Status | Description |
|---|---|---|---|---|
| PMIC | 3 | Obsolete | ||
ISL69134Digital Dual Output, 4-Phase Configurable, IMVP8 PWM Controller | Voltage Regulators - Special Purpose | 1 | Active | The ISL69134 is a digital dual output, flexible multiphase (X+Y ≤ 4) PWM controller designed to be compliant with Intel IMVP8 specifications. The digital multiphase controller can be configured to support any desired phase assignments up to a maximum of 4 phases across the two outputs (X and Y). For example, 3+1, 2+2, or even a single output operation as a 4+0 configuration are supported. With a flexible X+Y ≤ 4 phase assignment along with PMBus and SVID interfaces, the ISL69134 is ideal for controlling the microprocessor core, memory, and system rails of Intel IMVP8 platforms. The ISL69134 uses a proprietary digital linear synthetic current modulation scheme to achieve the industry’s best combination of transient response and ease of tuning while addressing the challenges of powering the latest generation of Intel microprocessors. Device configuration and telemetry monitoring are accomplished with the intuitive Renesas PowerNavigator™ GUI. Diode emulation and automatic phase add/drop features allow the user to extract maximum efficiency from the converter regardless of load conditions. The ISL69134 supports a comprehensive fault management system to enable the design of highly reliable systems. From an overcurrent protection scheme including peak and average detection, to the configurable power-good and catastrophic fault protection flags, any need is accommodated. With minimal external components, the ability to store eight configurations, robust fault management, and highly accurate regulation capability, implementing a high-performance multiphase regulator has never been easier. |
ISL69137Digital Dual Output, 7-Phase Configurable, IMVP8 PWM Controller | Special Purpose Regulators | 1 | Active | The ISL69137 is a digital dual output, flexible multiphase (X+Y ≤ 7) PWM controller designed to be compliant with Intel IMVP8 specifications. The digital multiphase controller can be configured to support any desired phase assignments up to a maximum of seven phases across the two outputs (X and Y). For example, 6+1, 5+2, 4+2, 3+3, 3+2, or even single output operation as a 7+0 configuration are supported. The ISL69137, with a flexible X+Y ≤ 7 phase assignment, supports the SVID interface along with the PMBus v1. 3 interface, making it ideal for controlling the microprocessor core, memory, and system rails per Intel IMVP8 platforms. The ISL69137 uses the Renesas proprietary digital linear synthetic current modulation scheme to achieve the industry’s best combination of transient response and ease of tuning while addressing the challenges of powering the latest generation of Intel microprocessors. Device configuration and monitoring are accomplished with the intuitive Renesas PowerNavigator™ GUI. Diode emulation and automatic phase add/drop features allow the user to extract maximum efficiency from the converter regardless of load conditions. The ISL69137 supports a comprehensive fault management system to enable the design of highly reliable systems. From an overcurrent protection scheme including peak and average detection, to the configurable power-good and catastrophic fault protection flags, any need is accommodated. With minimal external components, the ability to store up to eight configurations, robust fault management, and highly accurate regulation capability, implementing a high-performance, multiphase regulator has never been easier. |
ISL69138Digital, Dual Output, 7-Phase Configurable, VR13/IMVP8 PWM Controller | Special Purpose Regulators | 4 | Active | The ISL69138 is a digital, dual output, flexible, multiphase (X+Y ≤ 7) PWM controller designed to be compliant with Intel VR13 and IMVP8 specifications. The controller can be configured to support any desired phase assignments up to a maximum of seven phases across the two outputs (X and Y). For example, 6+1, 5+2, 4+2, 3+3, 3+2, or even single output operation as a 7+0 configuration. The ISL69138, with a flexible X+Y ≤ 7 phase assignment, supports the SVID interface along with PMBus 1. 3, making it ideal for controlling the microprocessor core, memory, and system rails for Intel VR13 or IMVP8 platforms. The ISL69138 uses the Renesas proprietary digital, linear, synthetic, current modulation scheme to achieve the industry’s best combination of transient response and ease of tuning while addressing the challenges of powering the latest generation of Intel microprocessors. Device configuration and monitoring are accomplished using the intuitive PowerNavigator™ software. Diode emulation and automatic phase add/drop features allow the user to extract maximum efficiency from the converter regardless of load conditions. The ISL69138 supports a comprehensive fault management system to enable the design of highly reliable systems. From a multi-tiered overcurrent protection scheme to the configurable power-good and catastrophic fault protection flags, almost any need is accommodated. With minimal external components, easy configuration, robust fault management, and highly accurate regulation capability, implementing a high-performance, multiphase regulator has never been easier. |
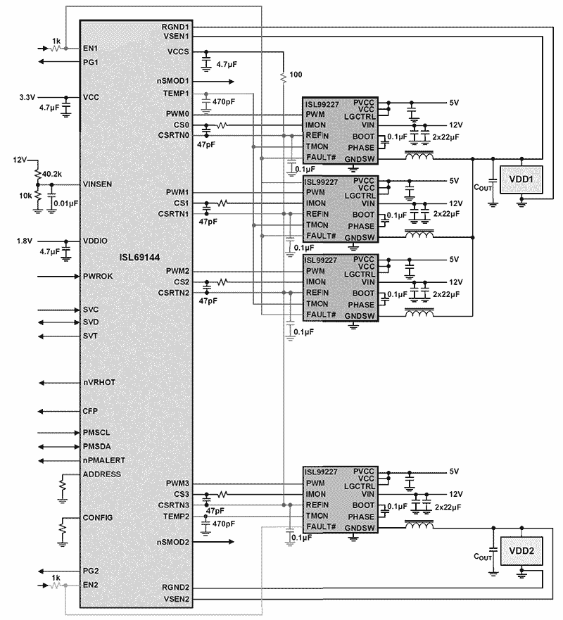
ISL69144Digital Dual Output 4-Phase AMD PWM Controller | Power Management (PMIC) | 1 | Active | The ISL69144 is a digital dual output, multiphase PWM controller designed to be compliant with AMD SVI2 specifications. The digital multiphase controller can be configured to support any desired phase assignments up to a maximum of four phases across the two outputs (X and Y). For example, 3+1, 2+2, or even a single output operation as a 4+0 configuration are supported. With a flexible X+Y ≤ 4-phase assignment along with PMBus and SVI2 interfaces, the ISL69144 is ideal for controlling the microprocessor core, memory, and system rails of AMD SVI2 based platforms. The ISL69144 uses a proprietary digital linear predictive current modulation scheme to achieve the industry’s best combination of transient response and ease of tuning while addressing the challenges of powering the latest generation of AMD microprocessors. The configuration is accomplished through the intuitive PowerNavigator™ GUI. Diode emulation and automatic phase add/drop features allow the user to extract maximum efficiency from the converter regardless of load conditions. The ISL69144 supports a comprehensive fault management system to enable the design of highly reliable systems. From an overcurrent protection scheme including peak and average detection, to the configurable power-good and catastrophic fault protection flags, any need is accommodated. With minimal external components, the ability to store eight configurations, robust fault management, and highly accurate regulation capability, implementing a high-performance, multiphase regulator has never been easier. |
ISL69147Digital Dual Output 7-Phase AMD PWM Controller | Special Purpose Regulators | 1 | Active | The ISL69147 is a digital dual output multiphase (X + Y = 7) PWM controller that is compliant with AMD SVI2 specifications. The digital multiphase controller can be configured to support any phase assignments across the two outputs (X and Y). The ISL69147 supports the PMBus V1. 3 and SVI2 interfaces, so the device is ideal for controlling the microprocessor core, memory, and system rails for AMD SVI2 based platforms. When the ISL69147 is configured to use the SVI2 interface, Rail 1 can support a maximum of six phases and Rail 2 must have one phase assigned. The ISL69147 uses a proprietary digital linear synthetic current modulation scheme to achieve the industry's best combination of transient response and ease of tuning while addressing the challenges of powering the latest generation of AMD microprocessors. You can use the intuitive Renesas PowerNavigator™ software to configure the device. Diode emulation and automatic phase add/drop features allow you to extract maximum efficiency from the converter regardless of load conditions. The ISL69147 supports a comprehensive fault management system to enable the design of highly reliable systems. From an overcurrent protection scheme including peak and average detection, to configurable power-good and catastrophic fault protection flags, almost any need is accommodated. With minimal external components, the ability to store eight configurations, robust fault management, and highly accurate regulation capability, implementing a high-performance multiphase regulator has never been easier. |
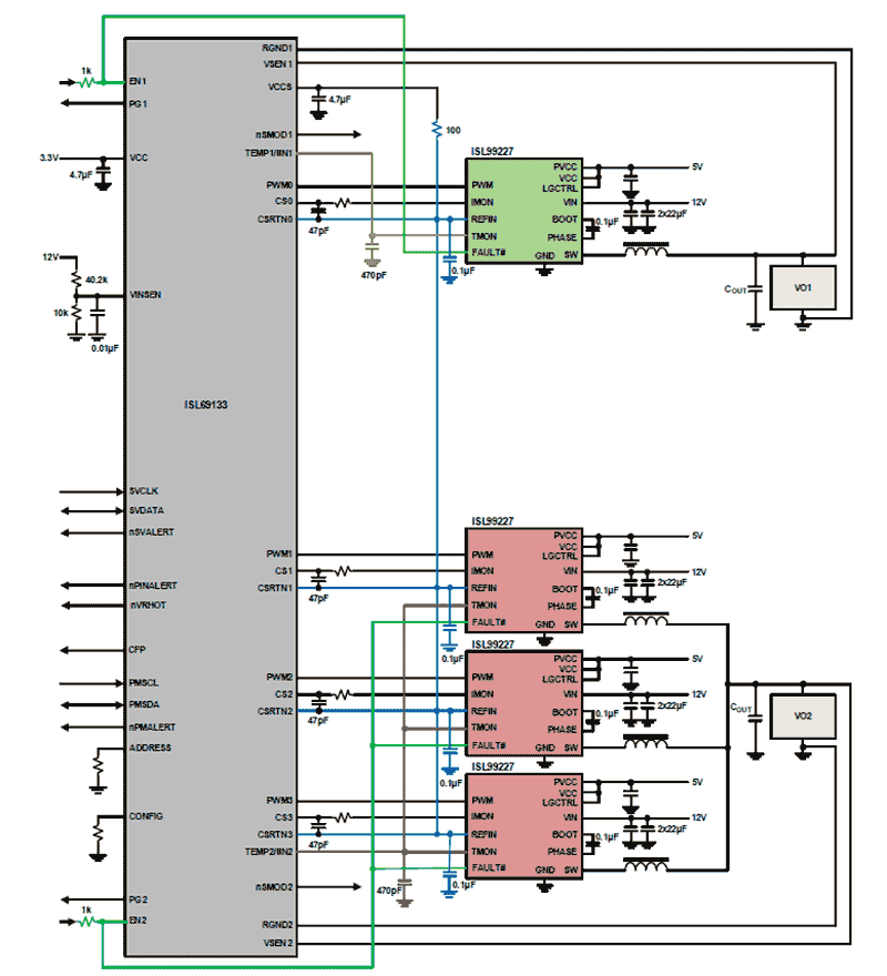
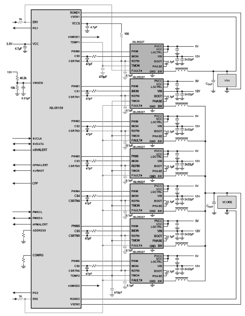
ISL69158Digital Dual Output, 7-Phase Configurable, VR13/VR13.HC/IMVP8 PWM Controller | Integrated Circuits (ICs) | 1 | Obsolete | The ISL69158 is a digital dual output, flexible multiphase (X+Y ≤ 7) PWM controller designed to be compliant with Intel VR13/VR13. HC and IMVP8 specifications. The digital multiphase controller can be configured to support any desired phase assignments up to a maximum of seven phases across the two outputs (X and Y). For example, 6+1, 5+2, 4+2, 3+3, 3+2, or even single output operation as a 7+0 configuration are supported. The ISL69158, with a flexible X+Y ≤ 7 phase assignment, supports the SVID interface along with PMBus 1. 3 specifications, making it ideal for controlling the microprocessor core, memory, and system rails of Intel VR13/VR13. HC or IMVP8 platforms. The ISL69158 uses the Renesas proprietary digital, linear, synthetic, current modulation scheme to achieve the industry’s best combination of transient response and ease of tuning while addressing the challenges of powering the latest generation of Intel microprocessors. The device is configured and monitored with the intuitive Renesas PowerNavigator software. Diode emulation and automatic phase add/drop features allow the user to extract maximum efficiency from the converter regardless of load conditions. The ISL69158 supports a comprehensive fault management system to enable the design of highly reliable systems. From a multitiered overcurrent protection scheme to the configurable power-good and catastrophic fault protection flags, almost any need is accommodated. With minimal external components, easy configuration, robust fault management, and highly accurate regulation capability, implementing a high-performance, multiphase regulator has never been easier. |
| Special Purpose Regulators | 1 | Active | ||
| Power Management (PMIC) | 2 | Active | ||
| PMIC | 1 | Obsolete | ||