ISL6842Improved Industry-Standard Single-Ended PWM Controller | Integrated Circuits (ICs) | 4 | Obsolete | The ISL6840, ISL6841, ISL6842, ISL6843, and ISL6844 (ISL684x) family of adjustable frequency, low power, Pulse-Width Modulating (PWM) current mode controllers is designed for a wide range of power conversion applications including boost, flyback, and isolated output configurations. Peak current mode control effectively handles power transients and provides inherent overcurrent protection. This advanced BiCMOS design is pin-compatible with the industry standard 384x family of controllers and offers significantly improved performance. Features include low operating current, 60µA start-up current, adjustable operating frequency to 2MHz, and high peak current drive capability with 20ns rise and fall times. |
ISL6843Improved Industry-Standard Single-Ended PWM Controller | Power Management (PMIC) | 3 | Active | The ISL6840, ISL6841, ISL6842, ISL6843, and ISL6844 (ISL684x) family of adjustable frequency, low power, Pulse-Width Modulating (PWM) current mode controllers is designed for a wide range of power conversion applications including boost, flyback, and isolated output configurations. Peak current mode control effectively handles power transients and provides inherent overcurrent protection. This advanced BiCMOS design is pin-compatible with the industry standard 384x family of controllers and offers significantly improved performance. Features include low operating current, 60µA start-up current, adjustable operating frequency to 2MHz, and high peak current drive capability with 20ns rise and fall times. |
ISL6844Improved Industry-Standard Single-Ended PWM Controller | Power Supply Controllers, Monitors | 1 | Obsolete | The ISL6840, ISL6841, ISL6842, ISL6843, and ISL6844 (ISL684x) family of adjustable frequency, low power, Pulse-Width Modulating (PWM) current mode controllers is designed for a wide range of power conversion applications including boost, flyback, and isolated output configurations. Peak current mode control effectively handles power transients and provides inherent overcurrent protection. This advanced BiCMOS design is pin-compatible with the industry standard 384x family of controllers and offers significantly improved performance. Features include low operating current, 60µA start-up current, adjustable operating frequency to 2MHz, and high peak current drive capability with 20ns rise and fall times. |
| Power Management (PMIC) | 2 | Obsolete | |
| Lighting, Ballast Controllers | 1 | Obsolete | |
| Lighting, Ballast Controllers | 2 | Obsolete | |
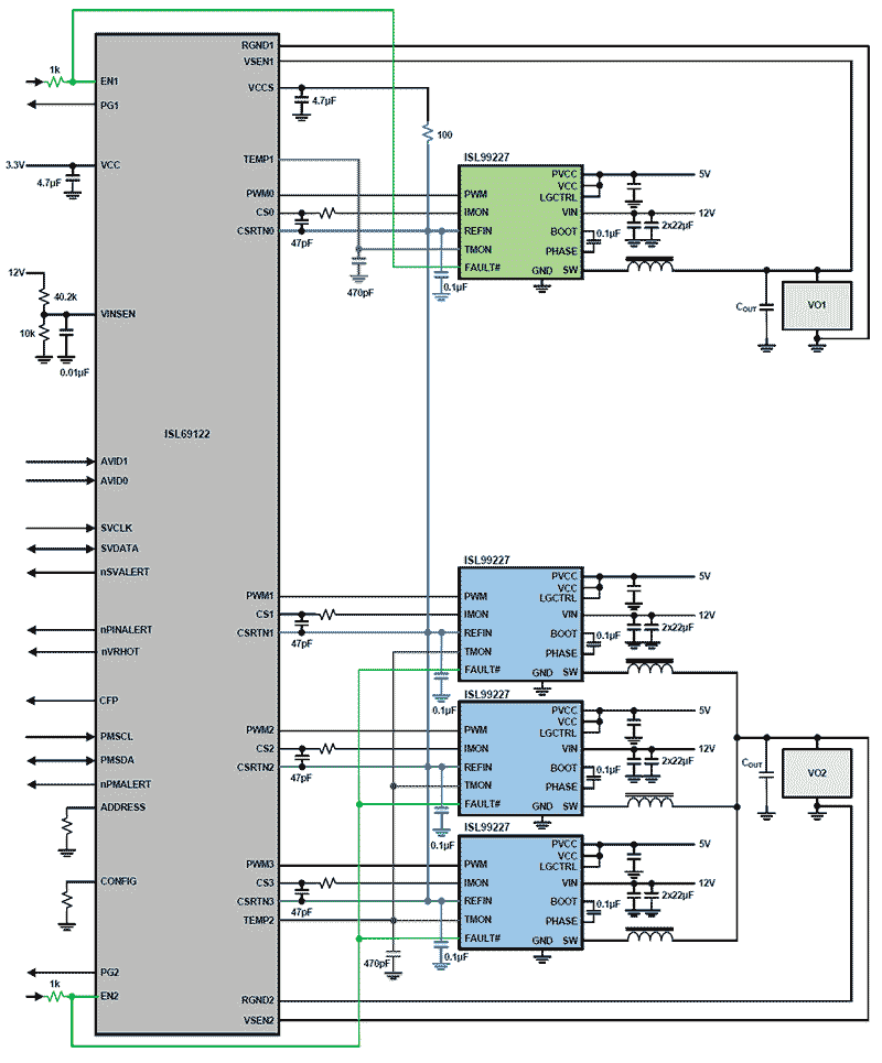
ISL69122Digital Dual Output, 4-Phase Configurable, VR13 PWM Controller with SVID and 2-Bit AVID Interfaces | PMIC | 1 | Obsolete | The ISL69122 is a digital dual output, flexible multiphase (X+Y ≤ 4) PWM controller that is compliant with Intel VR13 specifications. The digital multiphase controller can be configured to support any desired phase assignments up to a maximum of four phases across the two outputs (X and Y). For example, 3+1, 2+2, or even single output operation as a 4+0 configuration are supported. With a flexible X+Y ≤ 4 phase assignment along with PMBus and AVID interfaces, the ISL69122 is ideal for controlling the microprocessor core, memory, and system rails of Intel VR13 platforms. The ISL69122 uses the proprietary Renesas digital linear synthetic current modulation scheme to achieve the industry’s best combination of transient response and ease of tuning while addressing the challenges of powering the latest generation of Intel microprocessors. Device configuration and telemetry monitoring are accomplished using the intuitive Renesas PowerNavigator™ software. Diode emulation and automatic phase add/drop features allow the user to extract maximum efficiency from the converter regardless of load conditions. The ISL69122 supports a comprehensive fault management system to enable the design of highly reliable systems. From an overcurrent protection scheme including peak and average detection, to the configurable power-good and catastrophic fault protection flags, any need is accommodated. With minimal external components, the ability to store eight configurations, robust fault management, and highly accurate regulation capability, implementing a high-performance, multiphase regulator has never been easier. |
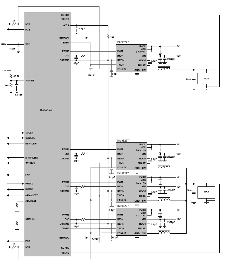
ISL69124Digital Dual Output, 4-Phase Configurable, VR13 PWM Controller | Integrated Circuits (ICs) | 2 | Active | The ISL69124 is a digital dual output, flexible multiphase (X+Y ≤ 4) PWM controller designed to be compliant with Intel VR13 specifications. The digital multiphase controller can be configured to support any desired phase assignments up to a maximum of four phases across the two outputs (X and Y). For example, 3+1, 2+2, or even single output operation as a 4+0 configuration are supported. With a flexible X+Y ≤ 4 phase assignment along with PMBus and SVID interfaces, it is ideal for controlling the microprocessor core, memory, and system rails of Intel VR13 platforms. The ISL69124 uses a proprietary digital linear synthetic current modulation scheme to achieve the industry’s best combination of transient response and ease of tuning while addressing the challenges of powering the latest generation of Intel microprocessors. Device configuration and telemetry monitoring are accomplished using the intuitive PowerNavigator software. Diode emulation and automatic phase add/drop features allow the user to extract maximum efficiency from the converter regardless of load conditions. The ISL69124 supports a comprehensive fault management system to enable the design of highly reliable systems. From an overcurrent protection scheme including peak and average detection, to the configurable power-good and catastrophic fault protection flags, any need is accommodated. With minimal external components, the ability to store eight configurations, robust fault management, and highly accurate regulation capability, implementing a high-performance, multiphase regulator has never been easier. |
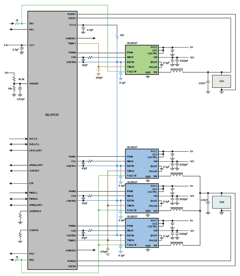
ISL69125Digital Dual Output, 4-Phase Configurable, VR13 PWM Controller | Evaluation Boards | 2 | Active | The ISL69125 is a digital dual output, flexible multiphase (X+Y ≤ 4) PWM controller designed to be compliant with Intel VR13 specifications. The digital multiphase controller can be configured to support any desired phase assignments up to a maximum of 4 phases across the two outputs (X and Y). For example, 3+1, 2+2, or even a single output operation as a 4+0 configuration are supported. With a flexible X+Y ≤ 4 phase assignment along with PMBus and SVID interfaces, it is ideal for controlling the microprocessor core, memory, and system rails of Intel VR13 platforms. The ISL69125 uses the Renesas proprietary digital linear synthetic current modulation scheme to achieve the industry’s best combination of transient response and ease of tuning while addressing the challenges of powering the latest generation of Intel microprocessors. Device configuration and telemetry monitoring are accomplished using the intuitive PowerNavigator software. Diode emulation and automatic phase add/drop features allow the user to extract maximum efficiency from the converter regardless of load conditions. The ISL69125 supports a comprehensive fault management system to enable the design of highly reliable systems. From an overcurrent protection scheme including peak and average detection, to the configurable power-good and catastrophic fault protection flags, any need is accommodated. With minimal external components, the ability to store 8 configurations, robust fault management, and highly accurate regulation capability, implementing a high-performance, multiphase regulator has never been easier. |
ISL69128Digital Dual Output, 7-Phase Configurable, VR13/IMVP8 PWM Controller | Integrated Circuits (ICs) | 2 | Active | The ISL69128 is a digital dual output, flexible multiphase (X+Y ≤ 7) PWM controller designed to be compliant with Intel VR13 and IMVP8 specifications. The digital multiphase controller can be configured to support any desired phase assignments up to a maximum of seven phases across the two outputs (X and Y). For example, 6+1, 5+2, 4+2, 3+3, 3+2, or even single output operation as a 7+0 configuration are supported. The ISL69128, with a flexible X+Y ≤ 7 phase assignment, supports SVID interface along with PMBus 1. 3 specifications, making it ideal for controlling the microprocessor core, memory, and system rails for Intel VR13 or IMVP8 platforms. The ISL69128 uses a proprietary digital linear synthetic current modulation scheme to achieve the industry’s best combination of transient response and ease of tuning while addressing the challenges of powering the latest generation of Intel microprocessors. Device configuration and monitoring are accomplished through the intuitive Renesas PowerNavigator™ application. Diode emulation and automatic phase add/drop features allow the user to extract maximum efficiency from the converter regardless of load conditions. The ISL69128 supports a comprehensive fault management system to enable the design of highly reliable systems. From a multitiered overcurrent protection scheme to the configurable power-good and catastrophic fault protection flags, almost any need is accommodated. With minimal external components, easy configuration, robust fault management, and highly accurate regulation capability, implementing a high-performance, multiphase regulator has never been easier. |