R
Renesas Electronics Corporation
| Series | Category | # Parts | Status | Description |
|---|---|---|---|---|
| Part | Spec A | Spec B | Spec C | Spec D | Description |
|---|---|---|---|---|---|
| Series | Category | # Parts | Status | Description |
|---|---|---|---|---|
| Part | Spec A | Spec B | Spec C | Spec D | Description |
|---|---|---|---|---|---|
| Series | Category | # Parts | Status | Description |
|---|---|---|---|---|
ISL6367Green Hybrid Digital Dual 6+1 Phase PWM Controller for VR12/IMVP7 Applications With SMBus/PMBus/I2C and AUTO Phase | Voltage Regulators - Special Purpose | 3 | Obsolete | The ISL6367 is a Hybrid Digital dual PWM controller and is designed to be compliant to Intel VR12/IMVP7 specifications. Its 6-phase PWMs control the microprocessor core or memory voltage regulator, while its single-phase PWM controls the peripheral voltage regulator for graphics, system agent, or processor I/O. It includes programmable functions and telemetries for easy use, high system flexibility and overclocking applications using SMBus, PMBus, or I2C (Modified) interface, which is designed to be conflict free with CPU’s SVID bus. This hybrid digital approach eliminates the need of NVM and Firmware often seen in a full digital solution and significantly reduces design complexity, inventory and manufacture cost. The ISL6367 utilizes Intersil's proprietary Enhanced Active Pulse Positioning (EAPP) modulation scheme to achieve the extremely fast transient response with fewer output capacitors. The ISL6367 accurately monitors the load current via the IMON pin and reports this information via the IOUT register to the microprocessor, which sends a PSI# signal to the controller at low power mode via SVID bus. The controller enters 1- or 2-phase operation in low power mode (PSI1); in the ultra-low power mode (PSI2, 3), it operates in single phase with diode emulation option. In low power modes, the magnetic core and switching losses are significantly reduced, yielding high efficiency at light load. After the PSI# signal is de-asserted, the dropped phase(s) are added back to sustain heavy load transient response and efficiency. In addition, the ISL6367 features auto-phase shedding to optimize the efficiency from light to full load for Green Environment without sacrificing the transient performance. Today’s microprocessors require a tightly regulated output voltage position versus load current (droop). The ISL6367 senses the output current continuously by measuring the voltage across a dedicated current sense resistor or the DCR of the output inductor. The sensed current flows out of the FB pin to develop the precision voltage drop across the feedback resistor for droop control. Current sensing circuits also provide the needed signals for channel-current balancing, average overcurrent protection and individual phase current limiting. The TM and TMS pins sense an NTC thermistor’s temperature, which is internally digitized for thermal monitoring and for integrated thermal compensation of the current sense elements of the respective regulator. The ISL6367 can sense input current to provide a true Catastrophic Failure Protection (CFP) output. It also features remote voltage sensing and completely eliminates any potential difference between remote and local grounds. This improves regulation and protection accuracy. The threshold-sensitive enable input is available to accurately coordinate the start-up of the ISL6367 with other voltage rails. |
ISL6373EAPP Hybrid Digital 4-Phase Green PWM Controller for Digital Power Management of Core and Memory with AUTO Phase Shedding | PMIC | 4 | Obsolete | The ISL6373 is an EAPP Hybrid Digital 4-Phase PWM controller and is designed to be compliant to Intel VR12. 5/VR12 specifications and control the microprocessor core or memory voltage regulator. It includes programmable functions and telemetries for easy use, high system flexibility and overclocking applications using SMBus, PMBus, or I2C interface, which is designed to be conflict free with the CPU’s SVID bus. This hybrid digital approach eliminates the need of NVM and Firmware often seen in a full digital solution and significantly reduces design complexity, inventory and manufacturing costs. The ISL6373 utilizes Intersil's proprietary Enhanced Active Pulse Positioning (EAPP) modulation scheme to achieve the extremely fast transient response with fewer output capacitors. The ISL6373 accurately monitors the load current via the IMON pin and reports this information via the IOUT register to the microprocessor, which sends a PSI# signal to the controller at low power mode via SVID bus. The controller enters 1- or 2-phase operation in low power mode (PSI1); in the ultra-low power mode (PSI2, PSI3), it operates in single phase with diode emulation option. In low power modes, the magnetic core and switching losses are significantly reduced, yielding high efficiency at light load. After the PSI# signal is de-asserted, the dropped phase(s) are added back to sustain heavy load transient response and efficiency. In addition, the ISL6373 features auto-phase shedding to optimize the efficiency from light to full load for Green Environment without sacrificing the transient performance. Today’s microprocessors require a tightly regulated output voltage position versus load current (droop). The ISL6373 senses the output current continuously by measuring the voltage across a dedicated current sense resistor or the DCR of the output inductor. The sensed current flows out of the FB pin to develop the precision voltage drop across the feedback resistor for droop control. Current sensing circuits also provide the needed signals for channel-current balancing, average overcurrent protection and individual phase current limiting. The TM pin senses an NTC thermistor’s temperature, which is internally digitized for thermal monitoring and for integrated thermal compensation of the current sense elements of the regulator. The ISL6373 features remote voltage sensing and completely eliminates any potential difference between remote and local grounds. This improves regulation and protection accuracy. The threshold-sensitive enable input is available to accurately coordinate the start-up of the ISL6373 with other voltage rails. |
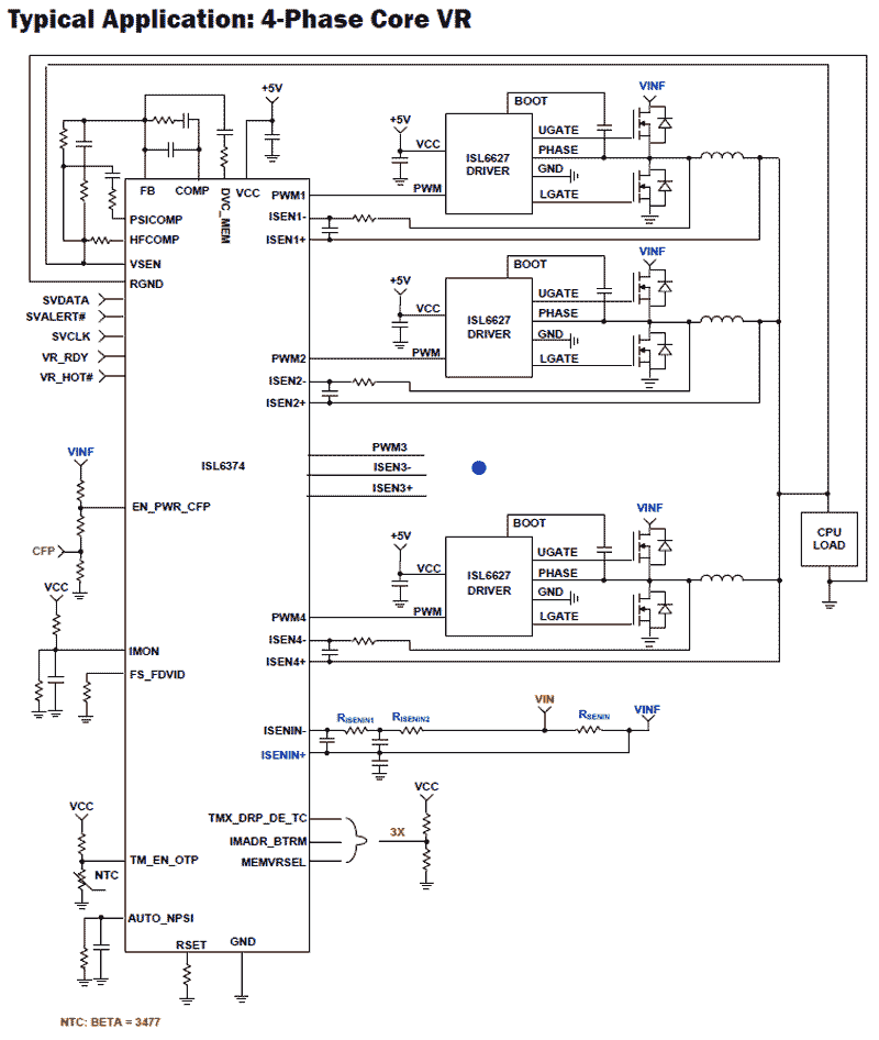
ISL6374EAPP Hybrid Digital 4-Phase Green PWM Controller for Digital Power Management of Core and Memory with AUTO Phase Shedding | Power Management (PMIC) | 2 | Obsolete | The ISL6374 is an EAPP Hybrid Digital 4-Phase PWM controller and is designed to be compliant to Intel VR12. 5/VR12 specifications and control the microprocessor core or memory voltage regulator. The ISL6374 utilizes Intersil’s proprietary Enhanced Active Pulse Positioning (EAPP) modulation scheme to achieve the extremely fast transient response with fewer output capacitors. The ISL6374 accurately monitors the load current via the IMON pin and reports this information via the IOUT register to the microprocessor, which sends a PSI# signal to the controller at low power mode via SVID bus. The controller enters 1- or 2-phase operation in low power mode (PSI1); in the ultra-low power mode (PSI2, PSI3), it operates in single phase with diode emulation option. In low power modes, the magnetic core and switching losses are significantly reduced, yielding high efficiency at light load. After the PSI# signal is de-asserted, the dropped phase(s) are added back to sustain heavy load transient response and efficiency. In addition, the ISL6374 features auto-phase shedding to optimize the efficiency from light to full load for Green Environment without sacrificing the transient performance. Today’s microprocessors require a tightly regulated output voltage position versus load current (droop). The ISL6374 senses the output current continuously by measuring the voltage across a dedicated current sense resistor or the DCR of the output inductor. The sensed current flows out of the FB pin to develop the precision voltage drop across the feedback resistor for droop control. Current sensing circuits also provide the needed signals for channel-current balancing, average overcurrent protection and individual phase current limiting. The TM pin senses an NTC thermistor’s temperature, which is internally digitized for thermal monitoring and for integrated thermal compensation of the current sense elements of the regulator. The ISL6374 features remote voltage sensing and completely eliminates any potential difference between remote and local grounds. This improves regulation and protection accuracy. The threshold-sensitive enable input is available to accurately coordinate the start-up of the ISL6374 with other voltage rails. |
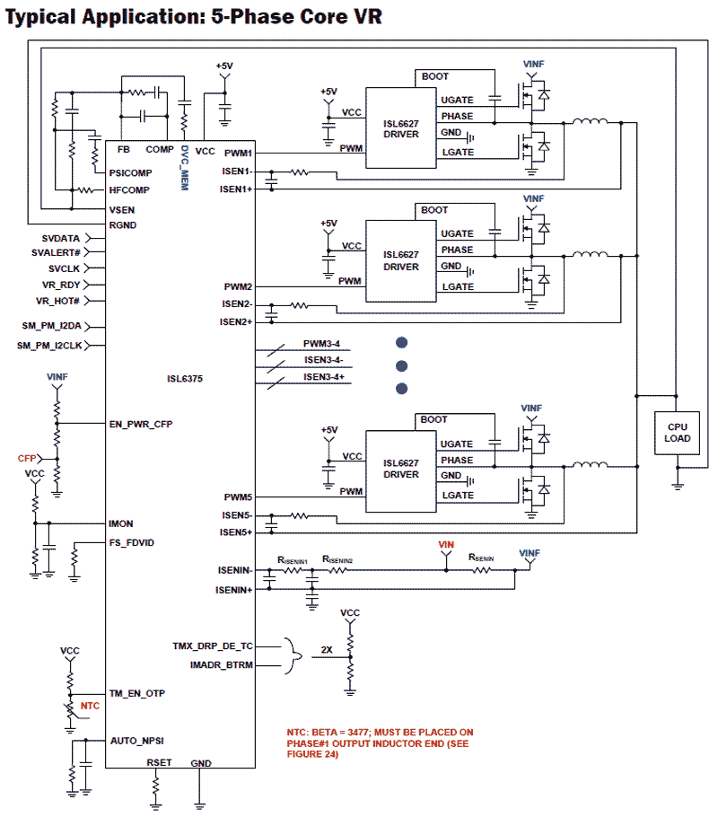
ISL6375EAPP Hybrid Digital 5-Phase Green PWM Controller for Digital Power Management of Core and Memory with AUTO Phase Shedding | PMIC | 1 | Obsolete | The ISL6375 is an EAPP Hybrid Digital 5-Phase PWM controller and is designed to be compliant to Intel VR12. 5/VR12 specifications and control the microprocessor core or memory voltage regulator. It includes programmable functions and telemetries for easy use, high system flexibility and overclocking applications using SMBus, PMBus, or I2C interface, which is designed to be conflict free with CPU’s SVID bus. This hybrid digital approach eliminates the need of NVM and Firmware often seen in a full digital solution and significantly reduces design complexity, inventory and manufacturing costs. The ISL6375 utilizes Intersil's proprietary Enhanced Active Pulse Positioning (EAPP) modulation scheme to achieve the extremely fast transient response with fewer output capacitors. The ISL6375 accurately monitors the load current via the IMON pin and reports this information via the IOUT register to the microprocessor, which sends a PSI# signal to the controller at low power mode via SVID bus. The controller enters 1- or 2-phase operation in low power mode (PSI1); in the ultra-low power mode (PSI2, PSI3), it operates in single phase with diode emulation option. In low power modes, the magnetic core and switching losses are significantly reduced, yielding high efficiency at light load. After the PSI# signal is de-asserted, the dropped phase(s) are added back to sustain heavy load transient response and efficiency. In addition, the ISL6375 features auto-phase shedding to optimize the efficiency from light to full load for Green Environment without sacrificing the transient performance. Today’s microprocessors require a tightly regulated output voltage position versus load current (droop). The ISL6375 senses the output current continuously by measuring the voltage across a dedicated current sense resistor or the DCR of the output inductor. The sensed current flows out of the FB pin to develop the precision voltage drop across the feedback resistor for droop control. Current sensing circuits also provide the needed signals for channel-current balancing, average overcurrent protection and individual phase current limiting. The TM pin senses an NTC thermistor’s temperature, which is internally digitized for thermal monitoring and for integrated thermal compensation of the current sense elements of the regulator. The ISL6375 features remote voltage sensing and completely eliminates any potential difference between remote and local grounds. This improves regulation and protection accuracy. The threshold-sensitive enable input is available to accurately coordinate the start-up of the ISL6375 with other voltage rails. |
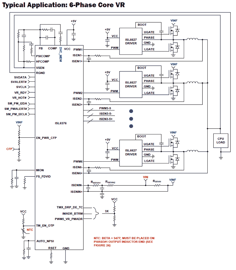
ISL6376EAPP Hybrid Digital 6-Phase Green PWM Controller for Digital Power Management of Core and Memory With AUTO Phase Shedding | PMIC | 1 | Obsolete | The ISL6376 is an EAPP Hybrid Digital 6-Phase PWM controller and is designed to be compliant to Intel VR12. 5/VR12 specifications and control the microprocessor core or memory voltage regulator. It includes programmable functions and telemetries for easy use, high system flexibility and overclocking applications using SMBus, PMBus, or I2C interface, which is designed to be conflict free with CPU’s SVID bus. This hybrid digital approach eliminates the need of NVM and Firmware often seen in a full digital solution and significantly reduces design complexity, inventory and manufacturing costs. The ISL6376 utilizes Intersil's proprietary Enhanced Active Pulse Positioning (EAPP) modulation scheme to achieve the extremely fast transient response with fewer output capacitors. The ISL6376 accurately monitors the load current via the IMON pin and reports this information via the IOUT register to the microprocessor, which sends a PSI# signal to the controller at low power mode via SVID bus. The controller enters 1- or 2-phase operation in low power mode (PSI1); in the ultra-low power mode (PSI2, PSI3), it operates in single phase with diode emulation option. In low power modes, the magnetic core and switching losses are significantly reduced, yielding high efficiency at light load. After the PSI# signal is de-asserted, the dropped phase(s) are added back to sustain heavy load transient response and efficiency. In addition, the ISL6376 features auto-phase shedding to optimize the efficiency from light to full load for Green Environment without sacrificing the transient performance. Today’s microprocessors require a tightly regulated output voltage position versus load current (droop). The ISL6376 senses the output current continuously by measuring the voltage across a dedicated current sense resistor or the DCR of the output inductor. The sensed current flows out of the FB pin to develop the precision voltage drop across the feedback resistor for droop control. Current sensing circuits also provide the needed signals for channel-current balancing, average overcurrent protection and individual phase current limiting. The TM pin senses an NTC thermistor’s temperature, which is internally digitized for thermal monitoring and for integrated thermal compensation of the current sense elements of the regulator. The ISL6376 features remote voltage sensing and completely eliminates any potential difference between remote and local grounds. This improves regulation and protection accuracy. The threshold-sensitive enable input is available to accurately coordinate the start-up of the ISL6376 with other voltage rails. |
ISL6377AMD Fusion Desktop CPUs Using SVI 2.0 | Integrated Circuits (ICs) | 1 | Obsolete | The ISL6377 is fully compliant with AMD Fusion™ SVI 2. 0 and provides a complete solution for microprocessor and graphics processor core power. The ISL6377 controller supports two Voltage Regulators (VRs) with three integrated gate drivers and three optional external drivers for maximum flexibility. The Core VR can be configured for 4-, 3-, 2-, or 1-phase operation while the Northbridge VR supports 2- or 1-phase configurations. The two VRs share a serial control bus to communicate with the AMD CPU and achieve lower cost and smaller board area compared with two-chip solutions. The PWM modulator is based on Intersil’s Robust Ripple Regulator R3™ technology. Compared to traditional modulators, the R3 modulator can automatically change switching frequency for faster transient settling time during load transients and improved light-load efficiency. The ISL6377 has several other key features. Both outputs support DCR current sensing with single NTC thermistor for DCR temperature compensation or accurate resistor current sensing. Both outputs utilize remote voltage sense, adjustable switching frequency, OC protection and power-good. |
| Special Purpose Regulators | 5 | Obsolete | ||
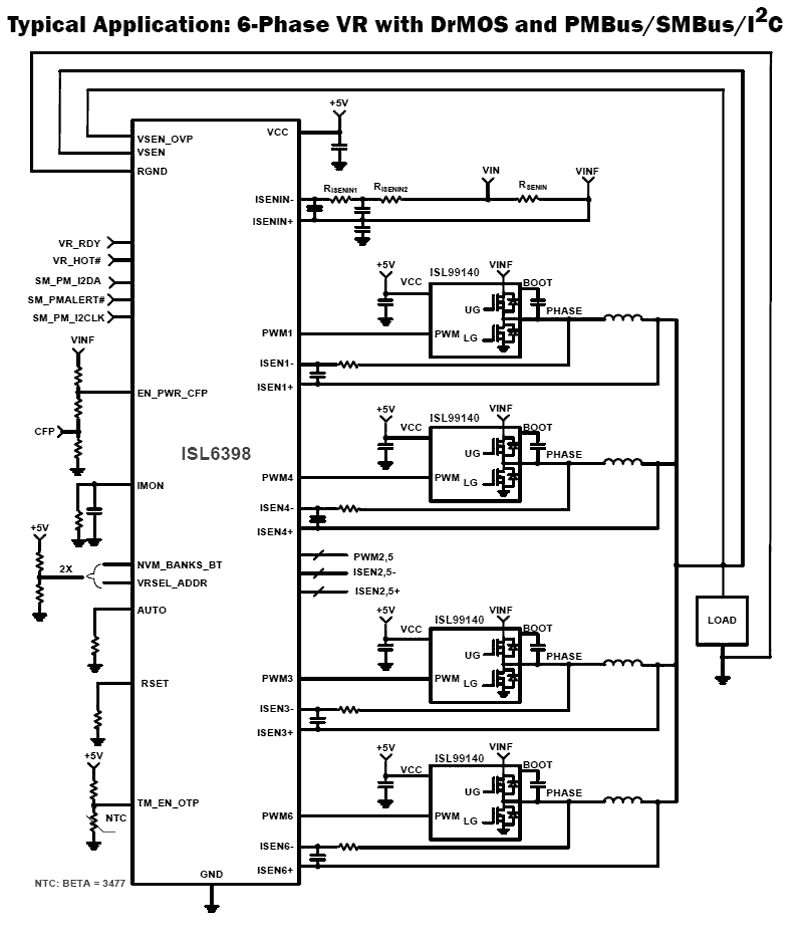
ISL6398Advanced Linear EAPP Digital 6-Phase Green PWM Controller for Digital Power Management With NVM and AUTO Phase Shedding | PMIC | 5 | Active | The ISL6398 is a smart and smallest 6-Phase Green PWM controller, designed for networking, datacenter, and POL applications. It includes programmable functions and telemetries for easy use and system flexibility using SMBus, PMBus, or I2C interface, which is designed to program NVM banks up to 8 different compensations and system parameters. This minimizes external components and significantly reduces design complexity and PCB area, and simplifies the manufacturing process. The ISL6398 utilizes Intersil’s proprietary Advanced Linear EAPP (Enhanced Active Pulse Positioning) Digital control scheme to achieve the extremely fast linear transient response with fewer output capacitors and overcomes many hurdles of traditional digital approach, which uses non-linear, discrete control method for both voltage loop and current balance loop and runs into beat frequency oscillation and non-linear response. The ISL6398 accurately monitors the load current via the IMON pin and reports this information via the READ_IOUT register for power management. The ISL6398 features auto-phase shedding. In low power operation, the magnetic core and switching losses are significantly reduced with lower phase count operation, yielding high efficiency at light load. When APA is triggered, the dropped phase(s) are added back to sustain heavy load transient response and efficiency. It optimizes the efficiency from light to full load for Greener Environment without sacrificing the transient performance. The ISL6398 senses the output current continuously by a dedicated current sense resistor or the DCR of the output inductor. The sensed current flows through a digitally programmable 1% droop resistor for precision load line control. Current sensing circuits also provide the needed signals for channel-current balancing, average overcurrent protection and individual phase current limiting. The TM pin senses an NTC thermistor’s temperature, which is internally digitized for thermal monitoring and for integrated thermal compensation of the current sense elements of the regulator. The ISL6398 features remote voltage sensing and completely eliminates any potential difference between remote and local grounds. This improves regulation and protection accuracy. The threshold-sensitive enable input is available to accurately coordinate the start-up of the ISL6398 with other voltage rails. |
| Integrated Circuits (ICs) | 1 | Obsolete | ||
| Special Purpose Regulators | 3 | Obsolete | ||
| Part | Category | Description |
|---|---|---|
Renesas Electronics Corporation | Integrated Circuits (ICs) | IC MCU 32BIT 1MB FLASH 48LFQFP |
Renesas Electronics Corporation | Integrated Circuits (ICs) | 16-BIT GENERAL MCU RL78/G23 96K |
Renesas Electronics Corporation | Isolators | OPTOISOLATOR 5KV TRANS 4SMD |
Renesas Electronics Corporation | Integrated Circuits (ICs) | IC REG PQFN |
Renesas Electronics Corporation X1228S14-2.7Obsolete | Integrated Circuits (ICs) | IC RTC CLK/CALENDAR I2C 14SOIC |
Renesas Electronics Corporation | Integrated Circuits (ICs) | 32-BIT MICROCONTROLLER OPTIMIZED FOR DUAL-MOTOR AND PFC CONTROL |
Renesas Electronics Corporation R5F104FJAFP#V0Obsolete | Integrated Circuits (ICs) | LOW POWER, HIGH FUNCTION, GENERAL PURPOSE MICROCONTROLLERS FOR MOTOR CONTROL, INDUSTRIAL AND METERING APPLICATIONS |
Renesas Electronics Corporation MK1493-03BGILFTRObsolete | Integrated Circuits (ICs) | IC CLOCK GENERATOR 48TSSOP |
Renesas Electronics Corporation | Development Boards Kits Programmers | E10A-USB SH4AL-DSP LICENSE TOOL |
Renesas Electronics Corporation | Integrated Circuits (ICs) | 32BIT MCU R32C/100X |