R
Renesas Electronics Corporation
| Series | Category | # Parts | Status | Description |
|---|---|---|---|---|
| Part | Spec A | Spec B | Spec C | Spec D | Description |
|---|---|---|---|---|---|
| Series | Category | # Parts | Status | Description |
|---|---|---|---|---|
| Part | Spec A | Spec B | Spec C | Spec D | Description |
|---|---|---|---|---|---|
| Part | Category | Description |
|---|---|---|
Renesas Electronics Corporation | Integrated Circuits (ICs) | IC MCU 32BIT 1MB FLASH 48LFQFP |
Renesas Electronics Corporation | Integrated Circuits (ICs) | 16-BIT GENERAL MCU RL78/G23 96K |
Renesas Electronics Corporation | Isolators | OPTOISOLATOR 5KV TRANS 4SMD |
Renesas Electronics Corporation | Integrated Circuits (ICs) | IC REG PQFN |
Renesas Electronics Corporation X1228S14-2.7Obsolete | Integrated Circuits (ICs) | IC RTC CLK/CALENDAR I2C 14SOIC |
Renesas Electronics Corporation | Integrated Circuits (ICs) | 32-BIT MICROCONTROLLER OPTIMIZED FOR DUAL-MOTOR AND PFC CONTROL |
Renesas Electronics Corporation R5F104FJAFP#V0Obsolete | Integrated Circuits (ICs) | LOW POWER, HIGH FUNCTION, GENERAL PURPOSE MICROCONTROLLERS FOR MOTOR CONTROL, INDUSTRIAL AND METERING APPLICATIONS |
Renesas Electronics Corporation MK1493-03BGILFTRObsolete | Integrated Circuits (ICs) | IC CLOCK GENERATOR 48TSSOP |
Renesas Electronics Corporation | Development Boards Kits Programmers | E10A-USB SH4AL-DSP LICENSE TOOL |
Renesas Electronics Corporation | Integrated Circuits (ICs) | 32BIT MCU R32C/100X |
| Series | Category | # Parts | Status | Description |
|---|---|---|---|---|
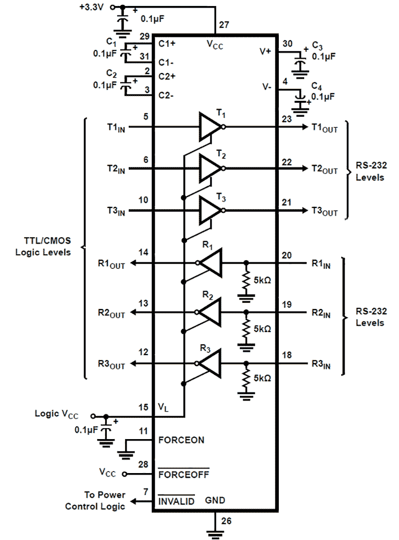
ISL4270EQFN Packaged, ±15kV ESD Protected, +3V to +5.5V, 300nA, 250kbps, RS-232 Transceivers with Enhanced Automatic Powerdown and a Separate Logic Supply | Drivers, Receivers, Transceivers | 2 | Active | The ISL4270E is a 3. 0V to 5. 5V powered RS-232 transceiver that meets ElA/TIA-232 and V. 28/V. 24 specifications, even at VCC = 3. 0V. It provides ±15kV ESD protection (IEC61000-4-2 Air Gap and Human Body Model) on transmitter outputs and receiver inputs (RS-232 pins). Targeted applications are notebook and laptop computers where the low operational power consumption and even lower standby power consumption is critical. Efficient on-chip charge-pumps coupled with manual and enhanced automatic powerdown functions reduce the standby supply current to a 300nA trickle. The 5mmx5mm Quad Flat No-Lead (QFN) packaging and the use of small, low value capacitors ensure board space savings. Data rates greater than 250kbps are ensured at worst case load conditions. The ISL4270E features a VL pin that adjusts the logic pin output levels and input thresholds to values compatible with the VCC powering the external logic (for example, a UART). This device includes an enhanced automatic powerdown function that powers down the on-chip power-supply and driver circuits. Automatic powerdown occurs when all receiver and transmitter inputs detect no signal transitions for a period of 30 seconds. The ISL4270E automatically powers back up whenever it senses a transition on any transmitter or receiver input. Application Note AN9863 summarizes the features of each device comprising the 3V RS-232 family. |
ISL43110Low-Voltage, Single Supply, SPST, High Performance Analog Switches | Analog Switches, Multiplexers, Demultiplexers | 4 | Obsolete | The Intersil ISL43110 and ISL43111 are precision, high performance analog switches that are fully specified for 3. 3V, 5V, and 12V operation, and feature improved leakage, ICC and switching time specifications. Designed to operate from a single +2. 4V to +12V supply, the low supply current (1µA Max over-temperature and voltage ranges) and low leakage currents (1nA) make these switches ideal for battery powered applications. Low rONand fast switching speeds over a wide operating supply range increase these devices usefulness in industrial equipment, portable instruments, and as input signal multiplexers for new generation, low supply voltage data converters. Some of the smallest packages are available alleviating board space limitations, and making Intersil’s newest line of low-voltage switches an ideal solution. The ISL43110 and ISL43111 are single-pole/single-throw (SPST) switches, with the ISL43110 being normally open (NO), and the ISL43111 being normally closed (NC). For similar performance ±5V supply versions, see the ISL43112 and ISL43113 data sheets. |
| Analog Switches, Multiplexers, Demultiplexers | 3 | Active | ||
ISL43112Low-Voltage, Dual Supply, SPST, High Performance Analog Switches | Interface | 1 | Obsolete | The Intersil ISL43112 and ISL43113 are precision, high performance analog switches designed to operate from ±1. 5V to ±6V supplies. These devices are fully specified for 10% tolerance ±5V and ±3. 3V supplies and feature supply and leakage currents much lower than those of other single SPST switches. Turn-on and turn-off times are also improved. Targeted applications include battery powered equipment that benefit from the devices’ low power consumption (250μW), sub-nanoamp leakage currents and fast switching speeds (tON= 40ns, tOFF= 25ns). The small SOT-23 packages and timing that delivers break-before-make operation, make this family ideal for custom multiplexer applications. Additionally, excellent rONflatness maintains signal fidelity over the whole input range, while micro packaging alleviates board space limitations. All these benefits combine to make Intersil’s newest line of low-voltage switches ideal solutions for "Next Generation" designs. The ISL4311x are Single-Pole/Single-Throw (SPST) switches, with the ISL43112 being Normally Open (NO) and the ISL43113 being Normally Closed (NC). |
ISL43113Low-Voltage, Dual Supply, SPST, High Performance Analog Switches | Analog Switches, Multiplexers, Demultiplexers | 3 | Active | The Intersil ISL43112 and ISL43113 are precision, high performance analog switches designed to operate from ±1. 5V to ±6V supplies. These devices are fully specified for 10% tolerance ±5V and ±3. 3V supplies and feature supply and leakage currents much lower than those of other single SPST switches. Turn-on and turn-off times are also improved. Targeted applications include battery powered equipment that benefit from the devices’ low power consumption (250μW), sub-nanoamp leakage currents and fast switching speeds (tON= 40ns, tOFF= 25ns). The small SOT-23 packages and timing that delivers break-before-make operation, make this family ideal for custom multiplexer applications. Additionally, excellent rONflatness maintains signal fidelity over the whole input range, while micro packaging alleviates board space limitations. All these benefits combine to make Intersil’s newest line of low-voltage switches ideal solutions for "Next Generation" designs. The ISL4311x are Single-Pole/Single-Throw (SPST) switches, with the ISL43112 being Normally Open (NO) and the ISL43113 being Normally Closed (NC). |
ISL43120Low-Voltage, Single Supply, Dual SPST, SPDT Analog Switches | Integrated Circuits (ICs) | 1 | Active | The Intersil ISL43120, ISL43121 and ISL43122 devices are precision, bidirectional, dual analog SPST switches designed to operate from a single +2. 7V to +12V supply. Targeted applications include battery powered equipment that benefit from the devices’ low power consumption (5μW), low leakage currents (100pA max) and fast switching speeds (tON= 28ns, tOFF= 20ns). Cell phones, for example, often face ASIC functionality limitations. The number of analog input or GPIO pins may be limited and digital geometries are not well suited to analog switch performance. This family of parts may be used to "mux-in" additional functionality while reducing ASIC design risk. Some of the smallest packages are available, alleviating board space limitations and making Intersil’s newest line of low-voltage switches an ideal solution. The ISL43120, ISL43121, ISL43122 are dual single-pole/single-throw (SPST) devices. The ISL43120 has two normally open (NO) switches; the ISL43121 has two normally closed (NC) switches; the ISL43122 has one NO and one NC switch and can be used as an SPDT. |
| Interface | 2 | Obsolete | ||
| Analog Switches, Multiplexers, Demultiplexers | 3 | Obsolete | ||
ISL43141Low-Voltage, Single and Dual Supply, High Performance, Quad SPST, Analog Switches | Analog Switches, Multiplexers, Demultiplexers | 4 | Obsolete | The Intersil ISL43140-ISL43142 devices are CMOS, precision, quad analog switches designed to operate from a single +2V to +12V supply or from a ±2V to ±6V supply. Targeted applications include battery powered equipment that benefit from the devices' low power consumption (1µW), low leakage currents (1nA max), and fast switching speeds (tON= 30ns, tOFF= 18ns). A 12Ω maximum RONflatness ensures signal fidelity, while channel-to-channel mismatch is guaranteed to be less than 2. 5Ω. The 3mm x 3mm Quad No- Lead Flatpack (QFN) package alleviates board space limitations, making this newest line of low-voltage switches an ideal solution. The ISL43140/ISL43141/ISL43142 are quad single-pole/ single-throw (SPST) devices. The ISL43140 has four normally closed (NC) switches; the ISL43141 has four normally open (NO) switches; the ISL43142 has two NO and two NC switches and can be used as a dual SPDT, or a dual 2:1 multiplexer. |
ISL43142Low-Voltage, Single and Dual Supply, High Performance, Quad SPST, Analog Switches | Analog Switches, Multiplexers, Demultiplexers | 4 | Obsolete | The Intersil ISL43140-ISL43142 devices are CMOS, precision, quad analog switches designed to operate from a single +2V to +12V supply or from a ±2V to ±6V supply. Targeted applications include battery powered equipment that benefit from the devices' low power consumption (1µW), low leakage currents (1nA max), and fast switching speeds (tON= 30ns, tOFF= 18ns). A 12Ω maximum RONflatness ensures signal fidelity, while channel-to-channel mismatch is guaranteed to be less than 2. 5Ω. The 3mm x 3mm Quad No- Lead Flatpack (QFN) package alleviates board space limitations, making this newest line of low-voltage switches an ideal solution. The ISL43140/ISL43141/ISL43142 are quad single-pole/ single-throw (SPST) devices. The ISL43140 has four normally closed (NC) switches; the ISL43141 has four normally open (NO) switches; the ISL43142 has two NO and two NC switches and can be used as a dual SPDT, or a dual 2:1 multiplexer. |