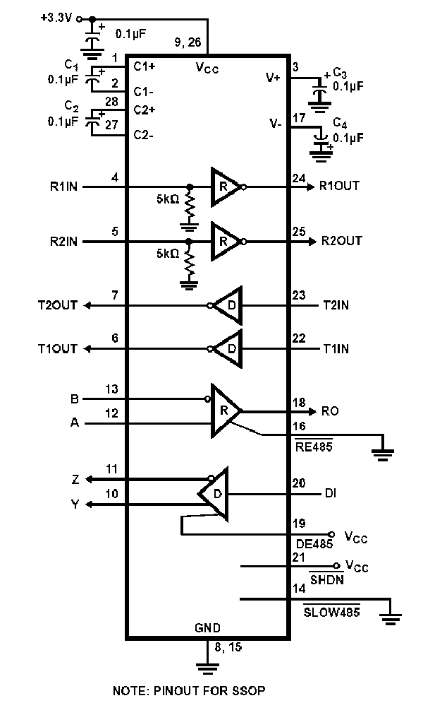
ISL33303.3V, ±15kV ESD Protected, Dual Protocol (RS-232/RS-485) Transceivers | Drivers, Receivers, Transceivers | 1 | Active | These devices are BiCMOS interface ICs that are user configured as either a single RS-422/RS-485 differential transceiver, or as a dual (2 Tx, 2 Rx) RS-232 transceiver. In RS-232 mode, the on-board charge pump generates RS-232 compliant ±5V Tx output levels, from a supply as low as 3. 15V. Four small 0. 1µF capacitors are required for the charge pump. The transceivers are RS-232 compliant, with the Rx inputs handling up to ±25V. In RS-485 mode, the transceivers support both the RS-485 and RS-422 differential communication standards. The RS-485 receiver features full failsafe operation, so the Rx output remains in a high state if the inputs are open or shorted together. The RS-485 transmitter supports up to three data rates, two of which are slew rate limited for problem free communications. The charge pump disables in RS-485 mode, thereby saving power, minimizing noise, and eliminating the charge pump capacitors. Both RS-232/RS-485 modes feature loopback and shutdown functions. The loopback mode internally connects the Tx outputs to the corresponding Rx input, which facilitates the implementation of board level self test functions. The outputs remain connected to the loads during loopback, where connection problems (e. g. , shorted connectors or cables) can be detected. The shutdown mode disables the Tx and Rx outputs, disables the charge pump if in RS-232 mode, and places the IC in a low current (30µA) mode. The ISL3331 is a QFN packaged device that offers additional functionality, including a lower speed and edge rate option (115kbps) for EMI sensitive designs, or to allow longer bus lengths. It also features a logic supply voltage pin (VL) that sets the VOHlevel of logic outputs, and the switching points of logic inputs, to be compatible with another supply voltage in mixed voltage systems. The QFN's choice of active high or low Rx enable pins increases design flexibility, allowing Tx/Rx direction control via a single signal by connecting DEN and RXEN together. For a dual port version of these devices, please see the ISL3332/ISL3333 data sheet. |
| Drivers, Receivers, Transceivers | 2 | Active | |
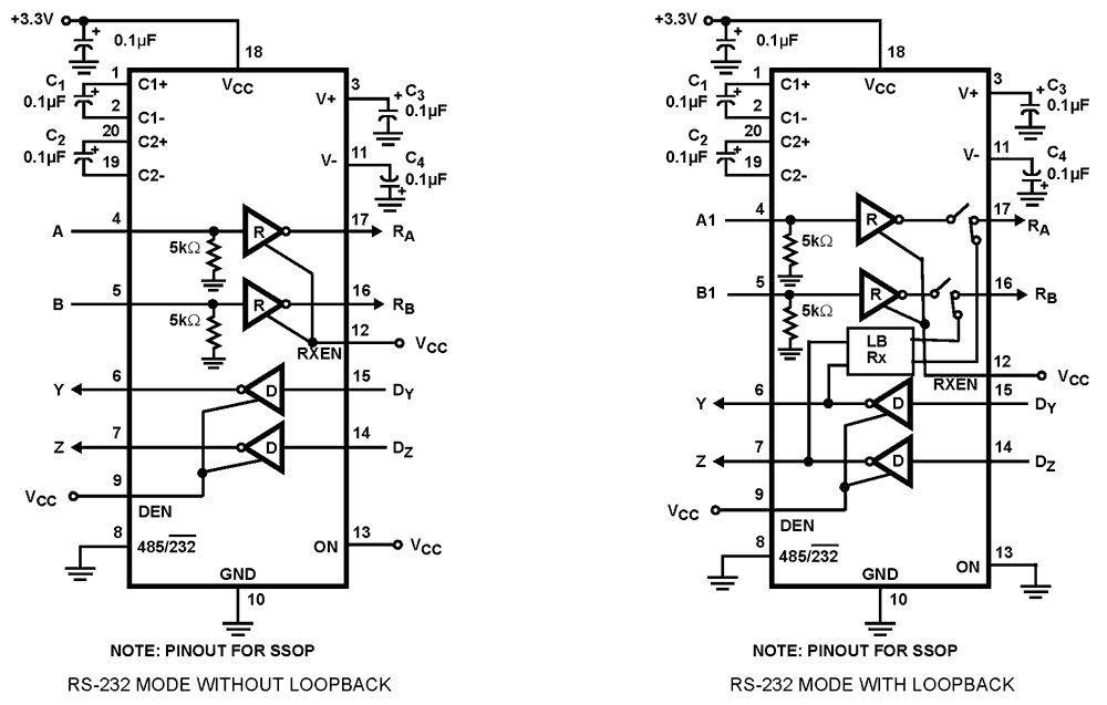
ISL33323.3V, ±15kV ESD Protected, Two Port, Dual Protocol (RS-232/RS-485) Transceivers | Drivers, Receivers, Transceivers | 1 | Active | The ISL3332, ISL3333 are two port interface ICs where each port can be independently configured as a single RS-485/422 transceiver, or as a dual (2 Tx, 2 Rx) RS-232 transceiver. With both ports set to the same mode, two RS- 485/RS-422 transceivers, or four RS-232 transceivers are available. If either port is in RS-232 mode, the onboard charge pump generates RS-232 compliant ±5V Tx output levels from a single VCCsupply as low as 3. 15V. The transceivers are RS-232 compliant, with the Rx inputs handling up to ±25V. In RS-485 mode, the transceivers support both the RS-485 and RS-422 differential communication standards. The receivers feature full failsafe operation, so the Rx outputs remain in a high state if the inputs are open or shorted together. The transmitters support up to three data rates, two of which are slew rate limited for problem free communications. The charge pump disables when both ports are in RS-485 mode, thereby saving power, minimizing noise, and eliminating the charge pump capacitors. Both RS-232 and RS-485 modes feature loopback and shutdown functions. Loopback internally connects the Tx outputs to the corresponding Rx input, to facilitate board level self test implementation. The outputs remain connected to the loads during loopback, so connection problems (e. g. , shorted connectors or cables) can be detected. Shutdown mode disables the Tx and Rx outputs, disables the charge pumps, and places the IC in a low current (35µA) mode. The ISL3333 is a QFN packaged device that includes two additional user selectable, lower speed and edge rate options for EMI sensitive designs, or to allow longer bus lengths. It also features a logic supply pin (VL) that sets the VOHlevel of logic outputs, and the switching points of logic inputs, to be compatible with another supply voltage in mixed voltage systems. The QFN also adds RS-232 mode Tx EN pins (DEN), and active low Rx enable pins (RXEN) to increase design flexibility. In RS-485 applications, active low Rx enable pins allow Tx/Rx direction control, via a single signal per port, by connecting the corresponding DE and RXEN pins together. For a single port version of these devices, please see the ISL3330, ISL3331 data sheet. |
ISL33337E3.3V, ±15kV ESD Protected, Two Port, Dual Protocol (RS-232/RS-485) Transceiver in a QFN Package | Integrated Circuits (ICs) | 1 | Active | The ISL33334E, ISL33337E are two port interface ICs where port 1 is configured as a dual (2 Tx, 2 Rx) RS-232 transceiver and port 2 is a single RS-485/RS-422 transceiver. The on-board charge pump generates RS-232 compliant ±5V Tx output levels from a single VCCsupply as low as 3. 15V. The transceivers are RS-232 compliant, with the Rx inputs handling up to ±25V. The port 2 transceiver supports both the RS-485 and RS-422 differential communication standards. The receiver features full fail-safe operation, so the Rx output remains in a high state if the inputs are open or shorted together. The transmitter supports two data rates, one of which is slew rate limited for problem free communication at low data rates. The active low Rx enable pin (RE485) allows Tx/Rx direction control, via a single signal, simply by connecting the corresponding DE485 and RE485 pins together. The ISL33334E and ISL33337E also include a shutdown function, which disables the Tx and Rx outputs, disables the charge pumps and places the IC in a low current (40μA) mode. The ISL33337E is a QFN packaged device for space constrained applications. |
ISL33354E5V, ±15kV ESD Protected, Two Port, Dual Protocol (RS-232/RS-485) Transeiver in a SSOP Package | Drivers, Receivers, Transceivers | 2 | Active | The ISL33354E, ISL33357E are two port interface ICs where port 1 is configured as a dual (2 Tx, 2 Rx) RS-232 transceiver, and port 2 is a single RS-485/422 transceiver. An on-board charge pump generates RS-232 compliant ±5V Tx output levels from a single VCCsupply as low as 4. 5V. The transceivers are RS-232 compliant, with the Rx inputs handling up to ±25V. The port 2 transceiver supports both the RS-485 and RS-422 differential communication standards. The receiver features full fail-safe operation, so the Rx output remains in a high state if the inputs are open or shorted together. The transmitter supports two data rates, one of which is slew rate limited for problem free communication at low data rates. The active low Rx enable pin (RE485) allows Tx/Rx direction control, via a single signal, simply by connecting the corresponding DE485 and RE485 pins together. The ISL33354E and ISL33357E also include a shutdown function, which disables the Tx and Rx outputs, disables the charge pumps and places the IC in a low current (55µA) mode. The ISL33357E is a QFN packaged device for space constrained applications. |
ISL33357E5V, ±15kV ESD Protected, Two Port, Dual Protocol (RS-232/RS-485) Transeiver in a QFN Package | Integrated Circuits (ICs) | 1 | Obsolete | The ISL33354E, ISL33357E are two port interface ICs where port 1 is configured as a dual (2 Tx, 2 Rx) RS-232 transceiver, and port 2 is a single RS-485/422 transceiver. An on-board charge pump generates RS-232 compliant ±5V Tx output levels from a single VCCsupply as low as 4. 5V. The transceivers are RS-232 compliant, with the Rx inputs handling up to ±25V. The port 2 transceiver supports both the RS-485 and RS-422 differential communication standards. The receiver features full fail-safe operation, so the Rx output remains in a high state if the inputs are open or shorted together. The transmitter supports two data rates, one of which is slew rate limited for problem free communication at low data rates. The active low Rx enable pin (RE485) allows Tx/Rx direction control, via a single signal, simply by connecting the corresponding DE485 and RE485 pins together. The ISL33354E and ISL33357E also include a shutdown function, which disables the Tx and Rx outputs, disables the charge pumps and places the IC in a low current (55µA) mode. The ISL33357E is a QFN packaged device for space constrained applications. |
| Serializers, Deserializers | 1 | Obsolete | |
| Specialized | 2 | Obsolete | The ISL35111 is a de-emphasis driver with extended functionality for advanced protocols operating with line rates up to 11.1Gbps such as 10G Ethernet. The ISL35111 is a high-speed driver/limiting amplifier with built-in de-emphasis to drive twin-axial copper cables and compensate for the frequency-dependent attenuation of PCB traces such as the SFI channel in the 10G SFP+ specification (SFF-8431). Used in conjunction with Renesas' ISL36111 receive-side equalizer, ISL35111 enables active copper cable assemblies that support 10G serial data transmission over >15m of twin-axial copper cables. Operating on a single 1.2V power supply, the ISL35111 enables channel throughputs of 10Gbps to 11.1Gbps while supporting lower data rates including 8.5, 6.25, 5, 4.25, 3.125, and 2.5Gb/s. The QL111VTx uses current mode logic (CML) input/output and is packaged in a 3mm x 3mm 16 lead QFN. |
| Interface | 1 | Obsolete | The ISL36411 is a quad receive-side equalizer with extended functionality for advanced protocols operating with line rates up to 11.1Gbps. It integrates a driver/limiting amplifier with a programmable equalizer to compensate for the frequency-dependent attenuation of PCB traces and twin-axial cables. The ISL36411 is capable of extending signal reach up to 10m on 28AWG cable. Supported protocols include 4k/8k video capable DisplayPort v1.3 (HBR1/2/3), USB 3.1 Gen 2 at 10Gbps. InfiniBand (QDR), 40G Ethernet (40GBASECR4/SR4), and 10G SFP+ specification (SFF-8431). The small form factor, highly-integrated quad design is ideal for high-density data transmission applications including active copper cable assemblies. The four equalizing filters within the ISL36411 can each be set to provide optimal signal fidelity for a given media and length. The compensation level for the filters is set by two external control pins. Operating on a single 1.2V power supply, the ISL36411 enables per channel throughputs of up to 11.1Gbps while passing USB3. x LFPS signals as low as 100kHz. High data rates are achieved by using Current Mode Logic (CML) inputs and outputs and the device is packaged in a 4mm x 7mm 46 Ld QFN. Individual lane LOS support is included for module applications. |
| Drivers, Receivers, Transceivers | 1 | Obsolete | |