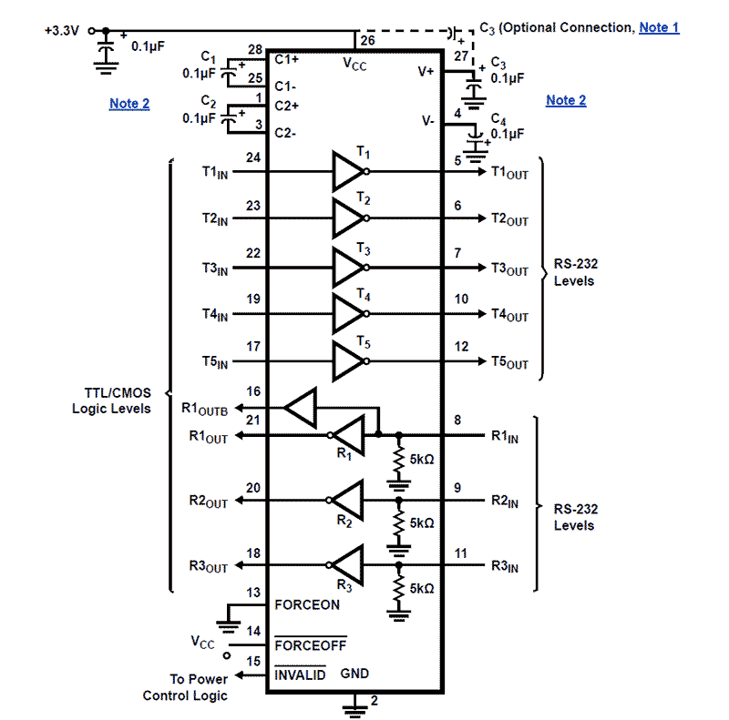
ICL3238E±15kV ESD Protected, +3V to +5.5V, 1µA, 250kbps, RS-232 Transceivers With Enhanced Automatic Powerdown | Integrated Circuits (ICs) | 3 | Active | The ICL3238E contains 3. 0V to 5. 5V powered RS‑232 transmitters/receivers that meet ElA/TIA-232 and V. 28/V. 24 specifications, even at VCC= 3. 0V. It provides ±15kV ESD protection (IEC61000-4-2 Air Gap and Human Body Model) on transmitter outputs and receiver inputs (RS‑232 pins). Targeted applications are cell phones, Palmtops, and data cables in which the low operational power consumption and even lower standby power consumption is critical. Efficient on-chip charge pumps coupled with manual and enhanced automatic powerdown functions reduce the standby supply current to a 10nA trickle. Small footprint packaging and the use of small, low value capacitors ensure board space savings. Data rates greater than 250kbps are ensured at worst-case load conditions and provide compatibility with popular PC communication software. The ICL3238E is a five driver, three receiver device optimized for DCE applications with full hardware handshaking. It includes a noninverting, always-active receiver for RING INDICATOR monitoring. The ICL3238E features an enhanced automatic powerdown function that powers down the on-chip power-supply and driver circuits. Automatic powerdown occurs when all receiver and transmitter inputs detect no signal transitions for a period of 30s. The ICL3238E automatically powers back up whenever it senses a transition on any transmitter or receiver input. The transmitter and logic inputs include active feedback resistors that retain the input state when driven to a valid logic level. Application Note AN9863 summarizes the features of each device in the ICL32xxE 3V RS-232 family. |
| Interface | 16 | Active | |
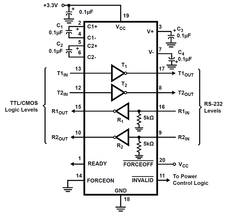
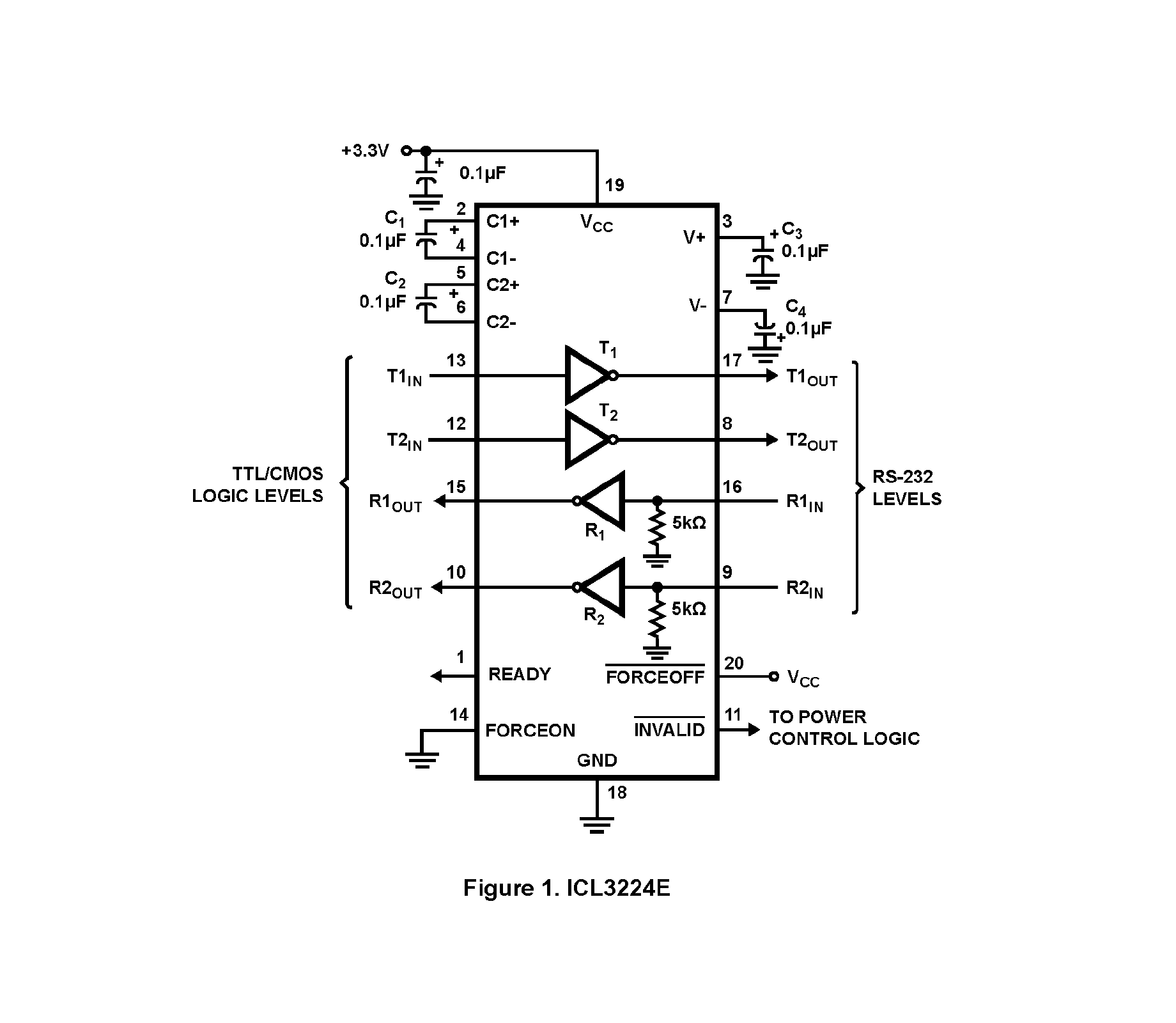
ICL3243E±15kV ESD Protected, +3V to +5.5V, 1µA, 250kbps, RS-232 Transmitters/Receivers | Interface | 18 | Active | The ICL3221E, ICL3222E, ICL3223E, ICL3232E, ICL3241E, and ICL3243E are 3. 0V to 5. 5V powered RS-232 transmitters/receivers that meet ElA/TIA-232 and V. 28/V. 24 specifications, even at VCC= 3. 0V. Additionally, they provide ±15kV ESD protection (IEC61000-4-2 Air Gap and Human Body Model) on transmitter outputs and receiver inputs (RS-232 pins). Targeted applications are notebook and laptop computers in which the low operational power consumption and even lower standby power consumption is critical. Efficient on-chip charge pumps, coupled with manual and automatic power-down functions (except for the ICL3232E), reduce the standby supply current to a 1µA trickle. Small footprint packaging and the use of small, low value capacitors ensure board space savings. Data rates greater than 250kbps are ensured at worst case load conditions. This family is fully compatible with 3. 3V-only systems, mixed 3. 3V and 5. 0V systems, and 5. 0V-only systems. The ICL324XE are 3-driver, 5-receiver devices that provide a complete serial port suitable for laptop or notebook computers. Both devices also include noninverting always-active receivers for "wake-up" capability. The ICL3221E, ICL3223E, and ICL3243E feature an automatic power-down function that powers down the on-chip power supply and driver circuits. Power-down occurs when an attached peripheral device is shut off or the RS-232 cable is removed, which conserves system power automatically without changes to the hardware or operating system. These devices power up again when a valid RS-232 voltage is applied to any receiver input. |
| Interface | 3 | Obsolete | |
| Integrated Circuits (ICs) | 4 | Obsolete | |
ICL3245E1mA, +3V to +5.5V, 1Mbps, RS-232 Transceivers with Enhanced Automatic Powerdown | Interface | 7 | Active | The ICL3225 and ICL3245 are 3. 0V to 5. 5V powered RS-232 transmitters/receivers that meet ElA/TIA-232 and V. 28/V. 24 specifications, even at VCC= 3. 0V. Targeted applications are PDAs, Palmtops, and notebook and laptop computers where the low operational power consumption and even lower standby power consumption is critical. Efficient on-chip charge pumps coupled with manual and enhanced automatic powerdown functions reduce the standby supply current to a 1µA trickle. Small footprint packaging and the use of small, low value capacitors ensure board space savings. Data rates greater than 1Mbps are ensured at worst case load conditions. The ICL3225 and ICL3245 are fully compatible with 3. 3V only systems, mixed 3. 3V and 5. 0V systems, and 5. 0V only systems. The ICL3245 is a 3-driver, 5-receiver device that provides a complete serial port suitable for laptop or notebook computers. It also includes a noninverting always-active receiver for "wake-up" capability. The ICL3225 and ICL3245 feature an enhanced automatic powerdown function that powers down the on-chip power-supply and driver circuits. Automatic powerdown occurs when all receiver and transmitter inputs detect no signal transitions for a period of 30s. The ICL3225 and ICL3245 automatically power back up whenever they sense a transition on any transmitter or receiver input. |
| Integrated Circuits (ICs) | 4 | Obsolete | |
| Data Acquisition | 3 | Obsolete | |
ICL71263 1/2 Digit, Low Power, Single-Chip A/D Converter | Data Acquisition | 1 | Active | The ICL7126 is a high performance, very low power 31/2-digit, A/D converter. All the necessary active devices are contained on a single CMOS IC, including seven segment decoders, display drivers, reference, and clock. The ICL7126 is designed to interface with a liquid crystal display (LCD) and includes a backplane drive. The supply current of 100µA is ideally suited for 9V battery operation. The ICL7126 brings together an unprecedented combination of high accuracy, versatility, and true economy. It features auto-zero to less than 10µV, zero drift of less than 1µV/oC, input bias current of 10pA maximum, and rollover error of less than one count. The versatility of true differential input and reference is useful in all systems, but gives the designer an uncommon advantage when measuring load cells, strain gauges and other bridge-type transducers. And finally the true economy of single power operation allows a high performance panel meter or multi-meter to be built with the addition of only 10 passive components and a display. The ICL7126 can be used as a plug-in replacement for the ICL7106 in a wide variety of applications, changing only the passive components. |
| Data Acquisition | 1 | Obsolete | |