R
Renesas Electronics Corporation
| Series | Category | # Parts | Status | Description |
|---|---|---|---|---|
| Part | Spec A | Spec B | Spec C | Spec D | Description |
|---|---|---|---|---|---|
| Series | Category | # Parts | Status | Description |
|---|---|---|---|---|
| Part | Spec A | Spec B | Spec C | Spec D | Description |
|---|---|---|---|---|---|
| Part | Category | Description |
|---|---|---|
Renesas Electronics Corporation | Integrated Circuits (ICs) | IC MCU 32BIT 1MB FLASH 48LFQFP |
Renesas Electronics Corporation | Integrated Circuits (ICs) | 16-BIT GENERAL MCU RL78/G23 96K |
Renesas Electronics Corporation | Isolators | OPTOISOLATOR 5KV TRANS 4SMD |
Renesas Electronics Corporation | Integrated Circuits (ICs) | IC REG PQFN |
Renesas Electronics Corporation X1228S14-2.7Obsolete | Integrated Circuits (ICs) | IC RTC CLK/CALENDAR I2C 14SOIC |
Renesas Electronics Corporation | Integrated Circuits (ICs) | 32-BIT MICROCONTROLLER OPTIMIZED FOR DUAL-MOTOR AND PFC CONTROL |
Renesas Electronics Corporation R5F104FJAFP#V0Obsolete | Integrated Circuits (ICs) | LOW POWER, HIGH FUNCTION, GENERAL PURPOSE MICROCONTROLLERS FOR MOTOR CONTROL, INDUSTRIAL AND METERING APPLICATIONS |
Renesas Electronics Corporation MK1493-03BGILFTRObsolete | Integrated Circuits (ICs) | IC CLOCK GENERATOR 48TSSOP |
Renesas Electronics Corporation | Development Boards Kits Programmers | E10A-USB SH4AL-DSP LICENSE TOOL |
Renesas Electronics Corporation | Integrated Circuits (ICs) | 32BIT MCU R32C/100X |
| Series | Category | # Parts | Status | Description |
|---|---|---|---|---|
EL8176Micropower Single Supply Rail-to-Rail Input-Output Precision Op Amp | Instrumentation, Op Amps, Buffer Amps | 2 | Obsolete | The EL8176 is a precision low power, operational amplifier. The device is optimized for single supply operation between 2. 4V to 5. 5V. The EL8176 draws minimal supply current while meeting excellent DC-accuracy noise and output drive specifications. Competing devices seriously degrade these parameters to achieve micropower supply current. The EL8176 can be operated from one lithium cell or two Ni-Cd batteries. The input range includes both positive and negative rail. The output swings to both rails. |
| Linear | 1 | Obsolete | ||
| Linear | 1 | Obsolete | ||
EL8200200MHz Rail-to-Rail Amplifiers | Linear | 3 | Obsolete | The EL8200, EL8201, and EL8401 represent rail-to-rail amplifiers with a -3dB bandwidth of 200MHz and slew rate of 200V/µs. Running off a very low supply current of 2mA per channel, the EL8200, EL8201, and EL8401 also feature inputs that go to 0. 15V below the VS- rail. The EL8200 and EL8201 are dual channel amplifiers. The EL8401 is a quad channel amplifier. The EL8200 includes a fast-acting disable/power-down circuit. With a 25ns disable and a 200ns enable, the EL8200 is ideal for multiplexing applications. The EL8200, EL8201, and EL8401 are designed for a number of general purpose video, communication, instrumentation, and industrial applications. The EL8200 is available in a 10 Ld MSOP package, the EL8201 in an 8 Ld SO and 8 Ld MSOP package, and the EL8401 in a 14 Ld SO and 16 Ld QSOP packages. All are specified for operation over the -40°C to +85°C temperature range. |
EL8201200MHz Rail-to-Rail Amplifiers | Linear | 1 | Obsolete | The EL8200, EL8201, and EL8401 represent rail-to-rail amplifiers with a -3dB bandwidth of 200MHz and slew rate of 200V/µs. Running off a very low supply current of 2mA per channel, the EL8200, EL8201, and EL8401 also feature inputs that go to 0. 15V below the VS- rail. The EL8200 and EL8201 are dual channel amplifiers. The EL8401 is a quad channel amplifier. The EL8200 includes a fast-acting disable/power-down circuit. With a 25ns disable and a 200ns enable, the EL8200 is ideal for multiplexing applications. The EL8200, EL8201, and EL8401 are designed for a number of general purpose video, communication, instrumentation, and industrial applications. The EL8200 is available in a 10 Ld MSOP package, the EL8201 in an 8 Ld SO and 8 Ld MSOP package, and the EL8401 in a 14 Ld SO and 16 Ld QSOP packages. All are specified for operation over the -40°C to +85°C temperature range. |
| Integrated Circuits (ICs) | 2 | Obsolete | ||
EL8401200MHz Rail-to-Rail Amplifiers | Integrated Circuits (ICs) | 1 | Obsolete | The EL8200, EL8201, and EL8401 represent rail-to-rail amplifiers with a -3dB bandwidth of 200MHz and slew rate of 200V/µs. Running off a very low supply current of 2mA per channel, the EL8200, EL8201, and EL8401 also feature inputs that go to 0. 15V below the VS- rail. The EL8200 and EL8201 are dual channel amplifiers. The EL8401 is a quad channel amplifier. The EL8200 includes a fast-acting disable/power-down circuit. With a 25ns disable and a 200ns enable, the EL8200 is ideal for multiplexing applications. The EL8200, EL8201, and EL8401 are designed for a number of general purpose video, communication, instrumentation, and industrial applications. The EL8200 is available in a 10 Ld MSOP package, the EL8201 in an 8 Ld SO and 8 Ld MSOP package, and the EL8401 in a 14 Ld SO and 16 Ld QSOP packages. All are specified for operation over the -40°C to +85°C temperature range. |
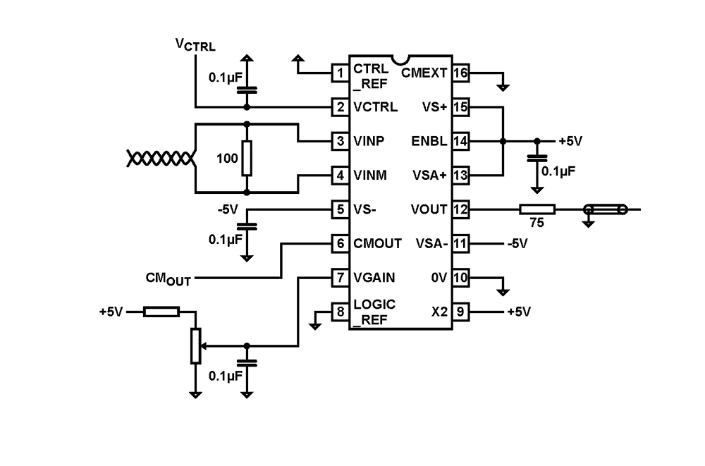
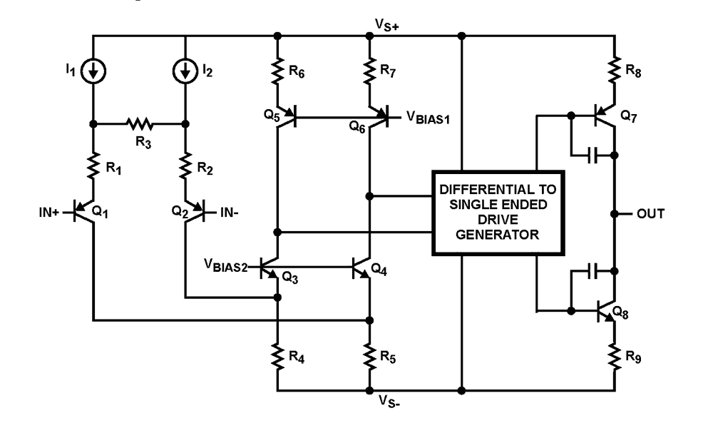
EL9110Differential Receiver/Equalizer | Interface | 1 | Obsolete | The EL9110 is a single channel differential receiver and equalizer. It contains a High-Speed differential receiver with 5 programmable poles. The outputs of these pole blocks are then summed into an output buffer. The equalization length is set with the voltage on a single pin. The EL9110 also contains a three-statable output, enabling multiple devices to be connected in parallel and used in a multiplexing application. The gain can be adjusted up or down by 6dB using the VGAINcontrol signal. In addition, a further 6dB of gain can be switched in to provide a matched drive into a cable. The EL9110 has a bandwidth of 150MHz and consumes just 33mA on ±5V supply. A single input voltage is used to set the compensation levels for the required length of cable. The EL9110 is available in the 16 Ld QSOP package and is specified for operation over the full -40°C to +85°C temperature range. |
| Interface | 2 | Obsolete | ||
EL9115Triple Analog Video Delay Line | Video Processing | 2 | Obsolete | The EL9115 is a triple analog delay line that allows skew compensation between any three signals. This part is perfect for compensating for the skew introduced by a typical CAT-5 cable with differing electrical lengths on each pair. The EL9115 can be programmed in steps of 2ns up to 62ns total delay on each channel. |