R
Renesas Electronics Corporation
| Series | Category | # Parts | Status | Description |
|---|---|---|---|---|
| Part | Spec A | Spec B | Spec C | Spec D | Description |
|---|---|---|---|---|---|
| Series | Category | # Parts | Status | Description |
|---|---|---|---|---|
| Part | Spec A | Spec B | Spec C | Spec D | Description |
|---|---|---|---|---|---|
| Series | Category | # Parts | Status | Description |
|---|---|---|---|---|
| Clock/Timing | 1 | Active | ||
| Clock/Timing | 1 | Active | ||
| Clock/Timing | 1 | Active | ||
| Clock/Timing | 3 | Active | ||
8SLVP11021:2 LVPECL Output Fanout Buffer | Integrated Circuits (ICs) | 1 | Active | The 8SLVP1102 is a high-performance differential LVPECL fanout buffer. The device is designed for the fanout of high-frequency, very-low additive phase noise clock and data signals. The 8SLVP1102 is characterized to operate from a 3.3V or 2.5V power supply. Guaranteed output-to-output and part-to-part skew characteristics make the 8SLVP1102 ideal for those clock distribution applications demanding well-defined performance and repeatability. One differential input and two low-skew outputs are available. The integrated bias voltage reference enables easy interfacing of single-ended signals to the device input. The device is optimized for low power consumption and low additive phase noise. |
| Clock Buffers, Drivers | 2 | Active | ||
| Clock Buffers, Drivers | 2 | Active | ||
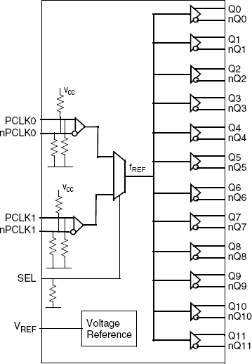
8SLVP1212I2:12,3.3V,2.5V LVPECL Fanout Buffer | Clock/Timing | 2 | Active | The 8SLVP1212I is a high-performance, 12 output differential LVPECL fanout buffer. The device is designed for the fanout of high-frequency, very low additive phase-noise clock and data signals. The 8SLVP1212I is characterized to operate from a 3.3V and 2.5V power supply. Guaranteed output-to-output and part-to-part skew characteristics make the 8SLVP1212I ideal for those clock distribution applications demanding well-defined performance and repeatability. Two selectable differential inputs and twelve low skew outputs are available. The integrated bias voltage generators enables easy interfacing of single-ended signals to the device inputs. The device is optimized for low power consumption and low additive phase noise. |
8SLVP2102IDual 1:2, 3.3V, 2.5V LVPECL Output Fanout Buffer | Clock Buffers, Drivers | 2 | Active | The 8SLVP2102I is a high-performance differential LVPECL fanout buffer. The device is designed for the fanout of high-frequency, very low additive phase-noise clock and data signals. The 8SLVP2102I is characterized to operate from a 3.3V or 2.5V power supply. Guaranteed output-to-output and part-to-part skew characteristics make the 8SLVP2102I ideal for those clock distribution applications demanding well-defined performance and repeatability. Two selectable differential inputs and four low skew outputs are available. The integrated bias voltage reference enables easy interfacing of single-ended signals to the device inputs. The device is optimized for low power consumption and low additive phase noise. |
| Clock Buffers, Drivers | 3 | Active | ||
| Part | Category | Description |
|---|---|---|
Renesas Electronics Corporation | Integrated Circuits (ICs) | IC MCU 32BIT 1MB FLASH 48LFQFP |
Renesas Electronics Corporation | Integrated Circuits (ICs) | 16-BIT GENERAL MCU RL78/G23 96K |
Renesas Electronics Corporation | Isolators | OPTOISOLATOR 5KV TRANS 4SMD |
Renesas Electronics Corporation | Integrated Circuits (ICs) | IC REG PQFN |
Renesas Electronics Corporation X1228S14-2.7Obsolete | Integrated Circuits (ICs) | IC RTC CLK/CALENDAR I2C 14SOIC |
Renesas Electronics Corporation | Integrated Circuits (ICs) | 32-BIT MICROCONTROLLER OPTIMIZED FOR DUAL-MOTOR AND PFC CONTROL |
Renesas Electronics Corporation R5F104FJAFP#V0Obsolete | Integrated Circuits (ICs) | LOW POWER, HIGH FUNCTION, GENERAL PURPOSE MICROCONTROLLERS FOR MOTOR CONTROL, INDUSTRIAL AND METERING APPLICATIONS |
Renesas Electronics Corporation MK1493-03BGILFTRObsolete | Integrated Circuits (ICs) | IC CLOCK GENERATOR 48TSSOP |
Renesas Electronics Corporation | Development Boards Kits Programmers | E10A-USB SH4AL-DSP LICENSE TOOL |
Renesas Electronics Corporation | Integrated Circuits (ICs) | 32BIT MCU R32C/100X |