R
Renesas Electronics Corporation
| Series | Category | # Parts | Status | Description |
|---|---|---|---|---|
| Part | Spec A | Spec B | Spec C | Spec D | Description |
|---|---|---|---|---|---|
| Series | Category | # Parts | Status | Description |
|---|---|---|---|---|
| Part | Spec A | Spec B | Spec C | Spec D | Description |
|---|---|---|---|---|---|
| Series | Category | # Parts | Status | Description |
|---|---|---|---|---|
| Integrated Circuits (ICs) | 1 | Active | ||
| Clock/Timing | 1 | Obsolete | ||
8S89202ILow Skew,2:1 LVPECL MUX With 1:8 Fanout And Internal Termination | Integrated Circuits (ICs) | 1 | Obsolete | The 8S89202I is a high speed 1-to-8 Differential-to-LVPECL Clock Divider and is part of the high performance clock solutions from IDT. The 8S89202I is optimized for high speed and very low output skew, making it suitable for use in demanding applications such as SONET, 1 Gigabit and 10 Gigabit Ethernet, and Fibre Channel. The internally terminated differential inputs and VREF_AC pins allow other differential signal families such as LVPECL, LVDS and CML to be easily interfaced to the input with minimal use of external components. The device also has a selectable ÷1, ÷2, ÷4 output divider, which can allow the part to support multiple output frequencies from the same reference clock. The 8S89202I is packaged in a small 5mm x 5mm 32-pin VFQFN package which makes it ideal for use in space-constrained applications. |
| Integrated Circuits (ICs) | 1 | Active | ||
| Integrated Circuits (ICs) | 1 | Active | ||
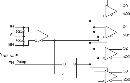
8S89833ILow Skew,1-to-4 Differential-to-LVDS Fanout Buffer W/Internal Termination | Clock Buffers, Drivers | 1 | Active | The 8S89833I is a high speed 1-to-4 Differential-to-LVDS Fanout Buffer with Internal Termination. The 8S89833I is optimized for high speed and very low output skew, making it suitable for use in demanding applications such as SONET, 1 Gigabit and 10 Gigabit Ethernet, and Fibre Channel. The internally terminated differential input and VREF_AC pin allow other differential signal families such as LVPECL, LVDS, and CML to be easily interfaced to the input with minimal use of external components. The device also has an output enable pin which may be useful for system test and debug purposes. The 8S89833I is packaged in a small 3mm x 3mm 16-pin VFQFN package which makes it ideal for use in space-constrained applications. |
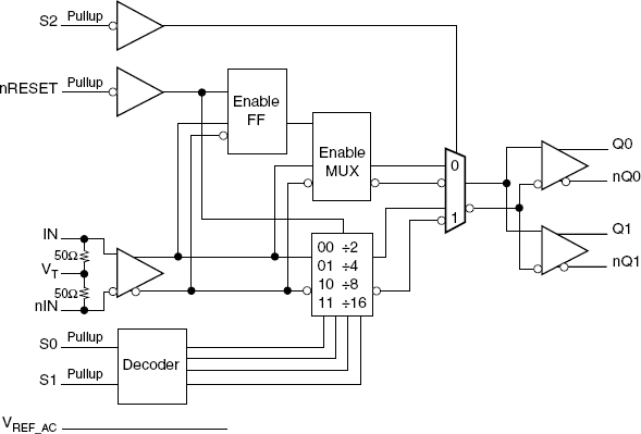
8S89874I1:2 Differential-to-LVPECL Buffer/Divider | Clock Buffers, Drivers | 1 | Obsolete | The 8S89874I is a high speed 1:2 Differential-to- LVPECL Buffer/ Divider. The 8S89874I has a selectable ÷1, ÷2, ÷4, ÷8, ÷16 output divider, which allows the device to be used as either a 1:2 fanout buffer or frequency divider. The clock input has internal termination resistors, allowing it to interface with several differential signal types while minimizing the number of required external components. The device is packaged in a small, 3mm x 3mm VFQFN package, making it ideal for use on space-constrained boards. |
| Integrated Circuits (ICs) | 1 | Obsolete | ||
8S89876IDifferential-to-LVDS Buffer/Divider W/Internal Termination | Clock Buffers, Drivers | 1 | Obsolete | The 8S89876I is a high speed Differential-to-LVDS Buffer/Divider w/Internal Termination. The 8S89876I has a selectable ÷1, ÷2, ÷4, ÷8, ÷16 output divider. The clock input has internal termination resistors, allowing it to interface with several differential signal types while minimizing the number of required external components. The device is packaged in a small, 3mm x 3mm VFQFN package, making it ideal for use on space-constrained boards. |
| Clock/Timing | 1 | Active | ||
| Part | Category | Description |
|---|---|---|
Renesas Electronics Corporation | Integrated Circuits (ICs) | IC MCU 32BIT 1MB FLASH 48LFQFP |
Renesas Electronics Corporation | Integrated Circuits (ICs) | 16-BIT GENERAL MCU RL78/G23 96K |
Renesas Electronics Corporation | Isolators | OPTOISOLATOR 5KV TRANS 4SMD |
Renesas Electronics Corporation | Integrated Circuits (ICs) | IC REG PQFN |
Renesas Electronics Corporation X1228S14-2.7Obsolete | Integrated Circuits (ICs) | IC RTC CLK/CALENDAR I2C 14SOIC |
Renesas Electronics Corporation | Integrated Circuits (ICs) | 32-BIT MICROCONTROLLER OPTIMIZED FOR DUAL-MOTOR AND PFC CONTROL |
Renesas Electronics Corporation R5F104FJAFP#V0Obsolete | Integrated Circuits (ICs) | LOW POWER, HIGH FUNCTION, GENERAL PURPOSE MICROCONTROLLERS FOR MOTOR CONTROL, INDUSTRIAL AND METERING APPLICATIONS |
Renesas Electronics Corporation MK1493-03BGILFTRObsolete | Integrated Circuits (ICs) | IC CLOCK GENERATOR 48TSSOP |
Renesas Electronics Corporation | Development Boards Kits Programmers | E10A-USB SH4AL-DSP LICENSE TOOL |
Renesas Electronics Corporation | Integrated Circuits (ICs) | 32BIT MCU R32C/100X |