A
Analog Devices
| Series | Category | # Parts | Status | Description |
|---|---|---|---|---|
| Part | Spec A | Spec B | Spec C | Spec D | Description |
|---|---|---|---|---|---|
| Series | Category | # Parts | Status | Description |
|---|---|---|---|---|
| Part | Spec A | Spec B | Spec C | Spec D | Description |
|---|---|---|---|---|---|
| Series | Category | # Parts | Status | Description |
|---|---|---|---|---|
| Data Acquisition | 1 | Active | ||
AD778024-Bit Pin-Programmable Low Power Σ−Δ ADC | Analog to Digital Converters (ADC) | 4 | Active | The AD7780 is a complete low power front-end solution for bridge sensor products, including weigh scales, strain gages, and pressure sensors. It contains a precision, low power, 24-bit sigma-delta (Σ-Δ) ADC; an on-chip, low noise programmable gain amplifier (PGA); and an on-chip oscillator.Consuming only 330 μA, the AD7780 is particularly suitable for portable or battery-operated products where very low power is required. The AD7780 also has a power-down mode that allows the user to switch off the power to the bridge sensor and power down the AD7780 when not converting, thus increasing the battery life of the product.For ease of use, all the features of the AD7780 are controlled by dedicated pins. Each time a data read occurs, eight status bits are appended to the 24-bit conversion. These status bits contain a pattern sequence that can be used to confirm the validity of the serial transfer.The on-chip PGA has a gain of 1 or 128, supporting a full-scale differential input of ±5 V or ±39 mV. The device has two filter response options. The filter response at the 16.7 Hz update rate provides superior dynamic performance. The settling time is 120 ms at this update rate. At the 10 Hz update rate, the filter response provides greater than −45 dB of stop-band attenuation. In load cell applications, this stop-band rejection is useful to reject low frequency mechanical vibrations of the load cell. The settling time is 300 ms at this update rate. Simultaneous 50 Hz/60 Hz rejection occurs at both the 10 Hz and 16.7 Hz update rates.The AD7780 operates with a power supply from 2.7 V to 5.25 V. It is available in a narrow body, 14-lead SOIC package and a 16-lead TSSOP package.ApplicationsWeigh scalesPressure MeasurementIndustrial Process ControlPortable instrumentation |
AD778120-Bit, Pin-Programmable, Ultralow Power Sigma-Delta ADC | Data Acquisition | 2 | Active | The AD7781 is a complete low power front-end solution for bridge sensor products, including weigh scales, strain gages, and pressure sensors. It contains a precision low power 20-bit sigma-delta (Σ-Δ) ADC, an on-chip, low noise programmable gain amplifier (PGA), and an on-chip oscillator.Consuming only 330 μA, the AD7781 is particularly suitable for portable or battery-operated products where very low power is required. The AD7781 also has a power-down mode that allows the user to switch off the power to the bridge sensor and power down the AD7781 when not converting, thus increasing the battery life of the product.For ease of use, all the features of the AD7781 are controlled by dedicated pins. Each time that a data read occurs, eight status bits are appended to the 20-bit conversion. These status bits contain a pattern sequence that can be used to confirm the validity of the serial transfer.The on-chip PGA has a gain of 1 or 128, supporting a full-scale differential input of ±5 V or ±39 mV. The device has two filter response options. The filter response at the 16.7 Hz update rate provides superior dynamic performance. The settling time is 120 ms at this update rate. At the 10 Hz update rate, the filter response provides better than -45 dB of stop-band attenuation. In load cell applications, this stop-band rejection is useful to reject low frequency mechanical vibrations of the load cell. The settling time is 300 ms at this update rate. Simultaneous 50 Hz/60 Hz rejection occurs at both the 10 Hz and 16.7 Hz update rates.The AD7781 operates with a power supply from 2.7 V to 5.25 V. It is available in a narrow body, 14-lead SOIC package and in a 16-lead TSSOP package.ApplicationsWeigh scalesPressure measurementIndustrial process controlPortable instrumentation |
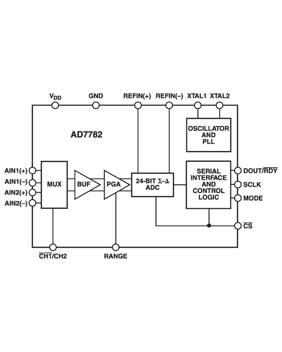
AD77822-Channel, Read-Only, Pin-Configured, 24-bit Sigma-Delta ADC | Integrated Circuits (ICs) | 2 | Active | The AD7782 is a complete analog front end for low-frequency measurement applications. The 24-bit sigma-delta ADC contains two fully differential analog input channels that can be configured with a gain of 1 or 16 allowing full-scale input signal ranges of ±2.56 V or ± 160 mV from a +2.5 V differential reference input.The AD7782 has an extremely simple, read-only digital interface which can be operated in master mode or slave mode. There are no on-chip registers to be programmed. The input signal range and input channel selection are configured using two external pins.The device operates from a 32.768 kHz crystal with an on-chip PLL generating the required internal operating frequency. The output data rate from the part is fixed via the master clock at 19.79 Hz and provides simultaneous 50 Hz and 60 Hz rejection at this update rate. Eighteen-bit p-p resolution can be obtained at this update rate.The part operates from a single 3 V or 5 V supply. When operating from 3 V supplies, the power dissipation for the part is 3.9 mW. The AD7782 is available in a 16-lead TSSOP package.Another part in the AD778x family is the AD7783. It is similar to the AD7782 except it has two integrated current sources and only one differential input channel.APPLICATIONSSensor MeasurementIndustrial Process ControlTemperature MeasurementPressure MeasurementsWeigh ScalesPortable Instrumentation |
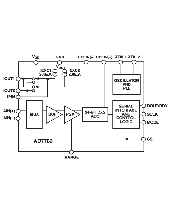
AD7783Read-Only, Pin-Configured, 24-bit Sigma-Delta ADC with Excitation Current Sources | Integrated Circuits (ICs) | 1 | Obsolete | The AD7783 is a complete analog front end for low frequency measurement applications. The 24-bit sigma-delta ADC contains one fully differential input channel that can be configured with a gain of 1 or 16 allowing full-scale input signal ranges of ±2.56 V or ±160 mV from a +2.5 V differential reference input. It also contains two 200 mA integrated current sources.The AD7783 has an extremely simple, read-only digital interface that can be operated in master mode or slave mode. There are no on-chip registers to be programmed. The input signal range and current source selection are configured using two external pins.The device operates from a 32.768 kHz crystal with an on-chip PLL generating the required internal operating frequency. The output data rate from the part is fixed via the master clock at 19.79 Hz and provides simultaneous 50 Hz and 60 Hz rejection at this update rate. At this update rate, 18-bit p-p resolution can be obtained.The part operates from a single 3 V or 5 V supply. When operating from 3 V supplies, the power dissipation for the part is 3.9 mW. The AD7783 is available in a 16-lead TSSOP.Another part in the AD778x family is the AD7782. It is similar to the AD7783 except it has no integrated current sources and two differential input channels.APPLICATIONSSensor MeasurementIndustrial Process ControlTemperature MeasurementPressure MeasurementWeigh ScalesPortable Instrumentation |
| Integrated Circuits (ICs) | 2 | Active | ||
| Integrated Circuits (ICs) | 4 | Active | ||
| Data Acquisition | 1 | Obsolete | ||
AD77914-Bit 128 kSPS Complete Sampling ADC | Integrated Circuits (ICs) | 5 | Obsolete | The AD779 is a complete, multipurpose 14-bit monolithic analog-to-digital converter, consisting of a sample-hold amplifier (SHA), a microprocessor compatible bus interface, a voltage reference and clock generation circuitry.The AD779 is specified for ac (or "dynamic") parameters such as S/N+D ratio, THD and IMD which are important in signal processing applications. In addition, the AD779K, B and T grades are fully specified for dc parameters which are important in measurement applications.The 14 data bits are accessed by a 16-bit bus in a single read operation. Data format is straight binary for unipolar mode and twos complement binary for bipolar mode. The input has a full-scale range of 10 V with a full power bandwidth of 1 MHz and a full linear bandwidth of 500 kHz. High input impedance (10 MW) allows direct connection to unbuffered sources without signal degradation.This product is fabricated on Analog Devices’ BiMOS process, combining low power CMOS logic with high precision, low noise bipolar circuits; laser-trimmed thin-film resistors provide high accuracy. The converter utilizes a recursive subranging algorithm which includes error correction and flash converter circuitry to achieve high speed and resolution.The AD779 operates from +5 V and ±12 V supplies and dissipates 560 mW (typ). Twenty-eight-pin plastic DIP and ceramic DIP packages are available.PRODUCT HIGHLIGHTSCOMPLETE INTEGRATION: The AD779 minimizes external component requirements by combining a high speed sample-hold amplifier (SHA), ADC, 5 V reference, clock and digital interface on a single chip. This provides a fully specified sampling A/D function unattainable with discrete designs.SPECIFICATIONS: The AD779K, B and T grades provide fully specified and tested ac and dc parameters. The AD779J, A and S grades are specified and tested for ac parameters; dc accuracy specifications are shown as typicals. DC specifications (such as INL, gain and offset) are important in control and measurement applications. AC specifications (such as S/N+D ratio, THD and IMD) are of value in signal processing applications.EASE OF USE: The pinout is designed for easy board layout, and the single cycle read output provides compatibility with 16-bit buses. Factory trimming eliminates the need for calibration modes or external trimming to achieve rated performance.RELIABILITY: The AD779 utilizes Analog Devices’ monolithic BiMOS technology. This ensures long term reliability compared to multichip and hybrid designs.The AD779 is available in versions compliant with MIL-STD-883. Refer to the Analog Devices Military Products Databook or current AD779/883B data sheet for detailed specifications. |
AD779016-Bit, Single-Channel, Ultra Low Power, Sigma Delta A/D Converter | Analog to Digital Converters (ADC) | 2 | Active | The AD7790/AD7791are low-power, complete analog front ends for low frequency measurement applications. The device consumes 65 µA of current typically when operated with a 3 V power supply and 75 µA typical when operated with a 5 V power supply with the buffer disabled. The AD7791 contains a 24-bit S-D ADC with one differential input, which can be buffered or unbuffered. The AD7790 is a 16-bit version of the AD7791. The AD7790 has a peak-to-peak resolution of 16 bits at the default output data rate of 16.6 Hz while the AD7789 has a peak to peak resolution of 19 bits, which is equivalent to an effective resolution of 21.5 bits at this output data rate.The device operates from an internal clock. Therefore, the user does not have to supply a clock source to the device. The output data rate from the part is software programmable, allowing rates from 9.5 Hz to 120 Hz. The p-p resolution from the part varies with the programmed output data rate. With an output data rate of 16.6 Hz, simultaneous 50 Hz/60 Hz rejection is achieved. Power supply monitoring is also included.The part can be used in single conversion mode whereby the device powers up, performs a single conversion and then returns to powerdown mode. Alternatively, it can be operated in continuous mode. In continuous conversion mode, the part can be configured to continuously read i.e. the conversions are placed on the serial bus automatically as soon as a conversion is complete (the user does not need to write to the ADC to read the data), assuming that the serial clock is applied to the device.The AD7790/AD7791 is housed in a 10-lead MSOP package. |
| Part | Category | Description |
|---|---|---|
Analog Devices ADM6713RAKSZ-REELObsolete | Integrated Circuits (ICs) | IC SUPERVISOR 1 CHANNEL SC70-4 |
Analog Devices | RF and Wireless | RF AMP SINGLE GENERAL PURPOSE RF AMPLIFIER 20GHZ 3.6V 22-PIN DIE TRAY |
Analog Devices | Integrated Circuits (ICs) | LOW NOISE, SWITCHED CAPACITOR REGULATED VOLTAGE INVERTERS |
Analog Devices | Integrated Circuits (ICs) | QUAD 16-BIT/12-BIT ±10V VOUTSOFTSPAN DACS WITH 10PPM/°C MAX REFERENCE |
Analog Devices | Integrated Circuits (ICs) | SERIAL 14-BIT, 3.5MSPS SAMPLING ADC WITH BIPOLAR INPUTS |
Analog Devices | Integrated Circuits (ICs) | ISOSPI ISOLATED COMMUNICATIONS INTERFACE |
Analog Devices | Integrated Circuits (ICs) | 4.5A, 500KHZ STEP-DOWN SWITCHING REGULATOR |
Analog Devices | Integrated Circuits (ICs) | 300 MA, LOW QUIESCENT CURRENT, ADJUSTABLE OUTPUT, CMOS LINEAR REGULATOR |
Analog Devices AD767KNObsolete | Integrated Circuits (ICs) | IC DAC 12BIT V-OUT 24DIP |
Analog Devices | Integrated Circuits (ICs) | QUAD 12-/10-/8-BIT RAIL-TO-RAIL DACS WITH 10PPM/°C REFERENCE |