A
Analog Devices
| Series | Category | # Parts | Status | Description |
|---|---|---|---|---|
| Part | Spec A | Spec B | Spec C | Spec D | Description |
|---|---|---|---|---|---|
| Series | Category | # Parts | Status | Description |
|---|---|---|---|---|
| Part | Spec A | Spec B | Spec C | Spec D | Description |
|---|---|---|---|---|---|
| Series | Category | # Parts | Status | Description |
|---|---|---|---|---|
AD7303+2.7 V to +5.5 V, Serial Input, Dual Voltage Output 8-Bit DAC | Data Acquisition | 5 | Active | The AD7303 is a dual, 8-bit voltage out DAC that operates from a single +2.7 V to +5.5 V supply. Its on-chip precision output buffers allow the DAC outputs to swing rail to rail. This device uses a versatile 3-wire serial interface that operates at clock rates up to 30 MHz, and is compatible with QSPI, SPI, microwire and digital signal processor interface standards. The serial input register is sixteen bits wide; 8 bits act as data bits for the DACs, and the remaining eight bits make up a control register.The on-chip control register is used to address the relevant DAC, to power down the complete device or an individual DAC, to select internal or external reference and to provide a synchronous loading facility for simultaneous update of the DAC outputs with a software LDAC function.The low power consumption of this part makes it ideally suited to portable battery operated equipment. The power consumption is 7.5 mW max at 3 V, reducing to less than 3 µW in full power-down mode.The AD7303 is available in an 8-pin plastic dual in-line package, 8-lead SOIC and microSOIC packages. |
AD7304+3V/+5V, Rail-to-Rail Quad, 8-Bit DAC Serial-IN | Data Acquisition | 5 | Active | The AD7304 /AD7305are quad, 8-bit DACs that operate from a single +3 V to +5 V supply or ±5 V supplies. The AD7304 has a serial interface, while the AD7305 has a parallel interface. Internal precision buffers swing rail-to-rail. The reference input range includes both supply rails allowing for positive or negative full-scale output voltages. Operation is guaranteed over the supply voltage range of +2.7 V, +5.5 V to ±5 V consuming less than 9 mW from a +3 V supply. The full-scale voltage output is determined by the external reference input voltage applied. The rail-to-rail VREFinput to DAC VOUTallows for a full-scale voltage set equal the positive supply VDD, the negative supply VSSor any value in between.The AD7304's doubled-buffered serial-data interface offers high-speed, three-wire, SPI and micro controller compatible inputs using data in (SDI), clock (CLK) and chip select (CS) pins.The parallel input AD7305 uses a standard address decode along with the WR control line to load data into the input registers. The double buffered architecture allows all four input registers to be preloaded with new values followed by aLDACcontrol strobe which copies all the new data into the DAC registers thereby updating the analog output values. The AD7305 is pin-compatible with the popular industry standard AD7226 when operating from less than +5.5 V.An internal power ON reset places both parts in the zero-scale state at turn ON. A 40 µA power shutdown (SHDN) feature is activated on both parts by tri-stating the SDI/SHDN pin on the AD7304, and tri-stating the A0/SHDN address pin on the AD7305. The AD7304 / AD7305 are specified over the extended industrial (-40°C to +85°C), and the automotive (-40°C to +125°C) temperature ranges.The AD7304/AD7305 are specified over the extended industrial −40°C to +85°C and the automotive −40°C to +125°C temperature ranges. AD7304s are available in a wide-body 16-lead SOIC (R-16) package. The parallel input AD7305 is available in the wide-body 20-lead SOIC (R-20) surface-mount package. For ultracompact applications, the thin 1.1 mm, 16-lead TSSOP (RU-16) package is available for the AD7304, while the 20-lead TSSOP (RU-20) houses the AD7305.APPLICATIONSAutomotive output span voltageInstrumentation, digitally controlled calibrationPin-compatible AD7226 replacement when VDD < 5.5 V |
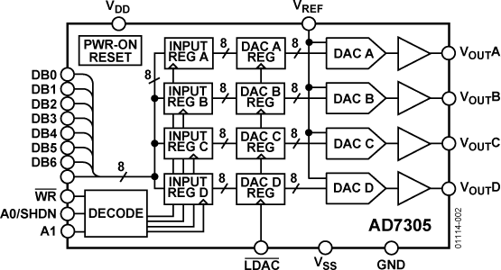
AD7305+3V/+5V, Rail-to-Rail Quad, 8-Bit DAC Parallel-IN | Integrated Circuits (ICs) | 7 | Active | TheAD7304/ AD7305 are quad, 8-bit DACs that operate from a single +3 V to +5 V supply or ±5 V supplies. The AD7304 has a serial interface, while the AD7305 has a parallel interface. Internal precision buffers swing rail-to-rail. The reference input range includes both supply rails allowing for positive or negative full-scale output voltages. Operation is guaranteed over the supply voltage range of +2.7 V, +5.5 V to ±5 V consuming less than 9 mW from a +3 V supply. The full-scale voltage output is determined by the external reference input voltage applied. The rail-to-rail VREFinput to DAC VOUTallows for a full-scale voltage set equal the positive supply VDD, the negative supply VSSor any value in between.The AD7304's doubled-buffered serial-data interface offers high-speed, three-wire, SPI and micro controller compatible inputs using data in (SDI), clock (CLK) and chip select (CS) pins. Additionally, an internal power-on reset sets the output to zero scale.The parallel input AD7305 uses a standard address decode along with theWRcontrol line to load data into the input registers.The double buffered architecture allows all four input registers to be preloaded with new values followed by aLDACcontrol strobe which copies all the new data into the DAC registers thereby updating the analog output values. The AD7305 is pin-compatible with the popular industry standardAD7226when operating from less than +5.5 V.An internal power ON reset places both parts in the zero-scale state at turn ON. A 40 µA power shutdown (SHDN) feature is activated on both parts by tri-stating the SDI/SHDN pin on the AD7304, and tri-stating the A0/SHDN address pin on the AD7305. The AD7304 / AD7305 are specified over the extended industrial (−40°C to +85°C), and the automotive (−40°C to +125°C) temperature ranges. |
| Interface | 5 | Active | ||
AD7314Complete Temperature Monitoring System in an 8-PinµSOIC Package | Sensors, Transducers | 1 | Active | The AD7314 is a complete temperature monitoring system in an 8-pin µSOIC package. It contains a bandgap temperature sensor and 10-bit ADC to monitor and digitize the temperature reading to a resolution of 0.25ºC.The AD7314 has a flexible serial interface that allows easy interfacing to most microcontrollers. The interface is compatible with SPI, QSPI™and MICROWIRE™protocol and is also compatible with DSPs. It is pin compatible with the Dallas DS1722 part.The part features a standby mode, which is controlled via the serial interface. The AD7314 has a supply voltage range of +2.65 V to +2.9 V. Having a very low supply current and SPI compatible interface, the AD7314 is ideal for a variety of applications, including personal computers, office equipment and domestic appliances.PRODUCT HIGHLIGHTSThe AD7314 has an on-chip temperature sensor that allows an accurate measurement of the ambient temperature. The measurable temperature range is –35°C to +85°C, with a ±2°C temperature accuracy.Supply voltage of 2.65 V to 5.5 V.Space-saving 8-lead MSOP package.10-bit temperature reading to 0.25°C resolution.The AD7314 features a standby mode that reduces the current consumption to 1 mA max.APPLICATIONSHard Disk DrivesPersonal ComputersElectronic Test EquipmentOffice EquipmentDomestic AppliancesProcess ControlMobile Phones |
AD7321500 kSPS, 2-Channel, Software-Selectable, True Bipolar Input, 12-Bit Plus Sign ADC | Integrated Circuits (ICs) | 1 | Active | The AD7321 is a 2-channel, 12-bit plus sign successive approximation ADC designed on theiCMOS (industrial CMOS) process.iCMOS is a process combining high voltage silicon with submicron CMOS and complementary bipolar technologies. It enables the development of a wide range of high performance analog ICs capable of 33 V operation in a footprint that no previous generation of high voltage parts could achieve. Unlike analog ICs using conventional CMOS processes,iCMOS components can accept bipolar input signals while providing increased performance, dramatically reduced power consumption, and reduced package size.The AD7321 can accept true bipolar analog input signals. The AD7321 has four software-selectable input ranges, ±10 V, ±5 V, ±2.5 V, and 0 V to +10 V. Each analog input channel is independently programmed to one of the four input ranges. The analog input channels on the AD7321 are programmed to be single-ended, true differential, or pseudo differential.The ADC contains a 2.5 V internal reference. The AD7321 also allows for external reference operation. If a 3 V reference is applied to the REFIN/OUT pin, the AD7321 can accept a true bipolar ±12 V analog input. A minimum of ±12 V VDDand VSSsupplies are required for the ±12 V input range. The ADC has a high speed serial interface that can operate at throughput rates up to 500 kSPS.PRODUCT HIGHLIGHTSThe AD7321 can accept true bipolar analog input signals, ±10 V, ±5 V, ±2.5 V, and 0 V to +10 V unipolar signals.The two analog inputs are configured as two single-ended inputs, one true differential input pair, or one pseudo differential input.A 500 kSPS serial interface. SPI®-/QSPI™-/DSP-/MICROWIRE™-compatible interface.Low power, 18 mW, at a maximum throughput rate of 500 kSPS.Channel sequencer. |
AD7322Software Selectable True Bipolar Input, 2-Channel, 12-Bit Plus Sign ADC | Data Acquisition | 2 | Active | The AD7322 is a 2-channel, 12-bit plus sign, successive approximation analog-to-digital converter (ADC) designed on theiCMOS™(industrial CMOS) process.iCMOS is a process combining high voltage silicon with submicron CMOS and complementary bipolar technologies. It enables the development of a wide range of high performance analog ICs capable of 33 V operation in a footprint that no previous generation of high voltage parts could achieve. Unlike analog ICs using conventional CMOS processes,iCMOS components can accept bipolar input signals while providing increased performance, dramatically reduced power consumption, and reduced package size.The AD7322 can accept true bipolar analog input signals. The AD7322 has four software-selectable input ranges, ±10 V, ±5 V, ±2.5 V, and 0 V to +10 V. Each analog input channel can be independently programmed to one of the four input ranges. The analog input channels on the AD7322 can be programmed to be single-ended, true differential, or pseudo differential.The ADC contains a 2.5 V internal reference. The AD7322 also allows for external reference operation. If a 3 V reference is applied to the REFIN/OUT pin, the AD7322 can accept a true bipolar ±12 V analog input. Minimum ±12 V VDD and VSS supplies are required for the ±12 V input range. The ADC has a high speed serial interface that can operate at throughput rates up to 1 MSPS.PRODUCT HIGHLIGHTSThe AD7322 can accept true bipolar analog input signals, ±10 V, ±5 V, and ±2.5 V, and 0 V to +10 V unipolar signals.The two analog inputs can be configured as two single-ended inputs, one true differential input, or one pseudo differential input.1 MSPS serial interface. SPI-/QSPI™-/DSP-/MICROWIRE™-compatible interface.Low power, 31 mW maximum, at 1 MSPS throughput rate.Channel sequencer. |
AD7323500 kSPS, 4-Channel, Software Selectable True bipolar Input, 12-Bit Plus Sign A/D Converter | Analog to Digital Converters (ADC) | 3 | Active | The AD7323 is a 4-channel, 12-bit plus sign successive approximation analog-to-digital converter (ADC) designed on theiCMOS™(industrial CMOS) process.iCMOS is a process combining high voltage silicon with submicron CMOS and complementary bipolar technologies. It enables the development of a wide range of high performance analog ICs capable of 33 V operation in a footprint that no previous generation of high voltage parts could achieve. Unlike analog ICs using conventional CMOS processes,iCMOS components can accept bipolar input signals while providing increased performance, dramatically reduced power consumption, and reduced package size.The AD7323 can accept true bipolar analog input signals. The AD7323 has four software selectable input ranges, ±10 V, ±5 V, ±2.5 V, and 0 V to +10 V. Each analog input channel can be independently programmed to one of the four input ranges. The analog input channels on the AD7323 can be programmed to be single-ended, true differential, or pseudo differential.The ADC contains a 2.5 V internal reference. The AD7323 also allows for external reference operation. If a 3 V reference is applied to the REFIN/OUT pin, the AD7323 can accept a true bipolar ±12 V analog input. Minimum ±12 V VDDand VSSsupplies are required for the ±12 V input range. The ADC has a high speed serial interface that can operate at throughput rates up to 500 kSPS.PRODUCT HIGHLIGHTSThe AD7323 can accept true bipolar analog input signals, ±10 V, ±5 V, and ±2.5 V, and 0 V to +10 V unipolar signals.The four analog inputs can be configured as four single-ended inputs, two true differential input pairs, two pseudo differential inputs, or three pseudo differential inputs.500 kSPS serial interface. SPI-/QSPI™-/DSP-/MICROWIRE™-compatible interface.Low power, 18 mW, at a maximum throughput rate of 500 kSPS.Channel sequencer. |
AD7324Software Selectable True Bipolar Input, 4-Channel, 12-Bit Plus Sign A/D Converter | Integrated Circuits (ICs) | 1 | Active | The AD7324 is a 4-channel, 12-bit plus sign, successive approximation ADC designed on theiCMOS (industrial CMOS) process.iCMOS is a process combining high voltage silicon with submicron CMOS and complementary bipolar technologies. It enables the development of a wide range of high performance analog ICs capable of 33 V operation in a footprint that no previous generation of high voltage parts could achieve. Unlike analog ICs using conventional CMOS processes,iCMOS components can accept bipolar input signals while providing increased performance, dramatically reduced power consumption, and reduced package size.The AD7324 can accept true bipolar analog input signals. The AD7324 has four software-selectable input ranges: ±10 V, ±5 V, ±2.5 V, and 0 V to +10 V. Each analog input channel can be independently programmed to one of the four input ranges. The analog input channels on the AD7324 can be programmed to be single-ended, true differential, or pseudo differential.The ADC contains a 2.5 V internal reference. The AD7324 also allows for external reference operation. If a 3 V reference is applied to the REFIN/OUT pin, the AD7324 can accept a true bipolar ±12 V analog input. Minimum ±12 V VDDand VSSsupplies are required for the ±12 V input range. The ADC has a high speed serial interface that can operate at throughput rates up to 1 MSPS.PRODUCT HIGHLIGHTSThe AD7324 can accept true bipolar analog input signals, ±10 V, ±5 V, ±2.5 V, and 0 V to +10 V unipolar signals.The four analog inputs can be configured as four single-ended inputs, two true differential input pairs, two pseudo differential inputs, or three pseudo differential inputs.1 MSPS serial interface. SPI®-/QSPI™-/DSP-/MICROWIRE™-compatible interface.Low power, 31 mW maximum, at 1 MSPS throughput rate.Channel sequencer. |
| Integrated Circuits (ICs) | 5 | Active | ||
| Part | Category | Description |
|---|---|---|
Analog Devices ADM6713RAKSZ-REELObsolete | Integrated Circuits (ICs) | IC SUPERVISOR 1 CHANNEL SC70-4 |
Analog Devices | RF and Wireless | RF AMP SINGLE GENERAL PURPOSE RF AMPLIFIER 20GHZ 3.6V 22-PIN DIE TRAY |
Analog Devices | Integrated Circuits (ICs) | LOW NOISE, SWITCHED CAPACITOR REGULATED VOLTAGE INVERTERS |
Analog Devices | Integrated Circuits (ICs) | QUAD 16-BIT/12-BIT ±10V VOUTSOFTSPAN DACS WITH 10PPM/°C MAX REFERENCE |
Analog Devices | Integrated Circuits (ICs) | SERIAL 14-BIT, 3.5MSPS SAMPLING ADC WITH BIPOLAR INPUTS |
Analog Devices | Integrated Circuits (ICs) | ISOSPI ISOLATED COMMUNICATIONS INTERFACE |
Analog Devices | Integrated Circuits (ICs) | 4.5A, 500KHZ STEP-DOWN SWITCHING REGULATOR |
Analog Devices | Integrated Circuits (ICs) | 300 MA, LOW QUIESCENT CURRENT, ADJUSTABLE OUTPUT, CMOS LINEAR REGULATOR |
Analog Devices AD767KNObsolete | Integrated Circuits (ICs) | IC DAC 12BIT V-OUT 24DIP |
Analog Devices | Integrated Circuits (ICs) | QUAD 12-/10-/8-BIT RAIL-TO-RAIL DACS WITH 10PPM/°C REFERENCE |