A
Analog Devices
| Series | Category | # Parts | Status | Description |
|---|---|---|---|---|
| Part | Spec A | Spec B | Spec C | Spec D | Description |
|---|---|---|---|---|---|
| Series | Category | # Parts | Status | Description |
|---|---|---|---|---|
| Part | Spec A | Spec B | Spec C | Spec D | Description |
|---|---|---|---|---|---|
| Part | Category | Description |
|---|---|---|
Analog Devices ADM6713RAKSZ-REELObsolete | Integrated Circuits (ICs) | IC SUPERVISOR 1 CHANNEL SC70-4 |
Analog Devices | RF and Wireless | RF AMP SINGLE GENERAL PURPOSE RF AMPLIFIER 20GHZ 3.6V 22-PIN DIE TRAY |
Analog Devices | Integrated Circuits (ICs) | LOW NOISE, SWITCHED CAPACITOR REGULATED VOLTAGE INVERTERS |
Analog Devices | Integrated Circuits (ICs) | QUAD 16-BIT/12-BIT ±10V VOUTSOFTSPAN DACS WITH 10PPM/°C MAX REFERENCE |
Analog Devices | Integrated Circuits (ICs) | SERIAL 14-BIT, 3.5MSPS SAMPLING ADC WITH BIPOLAR INPUTS |
Analog Devices | Integrated Circuits (ICs) | ISOSPI ISOLATED COMMUNICATIONS INTERFACE |
Analog Devices | Integrated Circuits (ICs) | 4.5A, 500KHZ STEP-DOWN SWITCHING REGULATOR |
Analog Devices | Integrated Circuits (ICs) | 300 MA, LOW QUIESCENT CURRENT, ADJUSTABLE OUTPUT, CMOS LINEAR REGULATOR |
Analog Devices AD767KNObsolete | Integrated Circuits (ICs) | IC DAC 12BIT V-OUT 24DIP |
Analog Devices | Integrated Circuits (ICs) | QUAD 12-/10-/8-BIT RAIL-TO-RAIL DACS WITH 10PPM/°C REFERENCE |
| Series | Category | # Parts | Status | Description |
|---|---|---|---|---|
LTC4280Hot Swap Controller with I2C Compatible Monitoring | Power Management (PMIC) | 3 | Active | The LTC4280 Hot Swap™controller allows a board to be safely inserted and removed from a live backplane. Using an external N-channel pass transistor, board supply voltage and inrush current are ramped up at an adjustable rate. An I2C interface and onboard ADC allow for monitoring of load current, voltage and fault status.The device features adjustable analog foldback current limit and a FILTER pin which configures the time spent in overcurrent before declaring a fault. An I2C interface may configure the part to latch off or automatically restart after the LTC4280 detects a current limit fault.The controller has additional features to interrupt the host when a fault has occurred, notify when output power is good, detect insertion of a load card, and power-up either automatically upon insertion or wait for an I2C command to turn on.ApplicationsLive Board InsertionElectronic Circuit BreakersComputers, ServersPlatform Management |
LTC4282High Current Hot Swap Controller with I2C Compatible Monitoring | PMIC | 5 | Active | The LTC4282 hot swap controller allows a board to be safely inserted and removed from a live backplane. Using one or more external N-channel pass transistors, board supply voltage and inrush current are ramped up at an adjustable rate. An I2C interface and onboard ADC allows for monitoring of board current, voltage, power, energy and fault status.The device features analog foldback current limiting and supply monitoring for applications from 2.9V to 33V. Dual 12V gate drive allows high power applications to either share safe operating area across parallel MOSFETs or support a 2-stage start-up that first charges the load capacitance followed by enabling a low on-resistance path to the load.The LTC4282 is well suited to high power applications because the precise monitoring capability and accurate current limiting reduce the extremes in which both loads and power supplies must safely operate. Non-volatile configuration allows for flexibility in the autonomous generation of alerts and response to faults.APPLICATIONSEnterprise Servers and Data Storage SystemsNetwork Routers and SwitchesBase StationsPlatform Management |
LTC4283Negative Voltage Hot Swap Controller with Energy Monitor | PMIC | 3 | Active | The LTC4283 negative voltage hot swap controller drives an external N-channel MOSFET to allow a board to be safely inserted and removed from a live backplane. The device features programmable current limit with foldback and independently adjustable inrush current to optimize the MOSFET safe operating area (SOA). The SOA timer limits MOSFET temperature rise for reliable protection against overstresses.An I2C interface and onboard gear-shift ADC allow monitoring of board current, voltage, power, energy, and fault status. An available single-wire broadcast mode simplifies the interface by eliminating two isolators. The included EEPROM provides black-box capturing and nonvolatile configuration of fault behavior.Additional features respond to input UV/OV, interrupt the host when a fault has occurred, notify when output power is good, detect insertion of a board, turn off the MOSFET if an external supply monitor fails to indicate power good within a timeout period, and auto-reboot after a programmable delay following a host commanded turn-off.APPLICATIONSTelecom Infrastructure–48V Distributed Power SystemsServers and Data CentersPower Monitors |
LTC4284High Power Negative Voltage Hot Swap Controller with Energy Monitor | PMIC | 5 | Active | The LTC4284 negative voltage hot swap controller drives external N-channel MOSFETs to allow a board to be safely inserted and removed from a live backplane. The dual-gate, multi-mode drivers optimize the MOSFET safe operating area (SOA) for a variety of power levels. The SOA timer limits MOSFET temperature rise for reliable protection against overstresses.An I2C interface and onboard gear-shift ADC allow monitoring of board current, voltage, power, energy, and fault status. An available single-wire broadcast mode simplifies the interface by eliminating two isolators. The included EEPROM provides black-box capturing and nonvolatile configuration of fault behavior.Additional features respond to input UV/OV, interrupt the host when a fault has occurred, notify when output power is good, detect insertion of a board, turn off the MOSFETs if an external supply monitor fails to indicate power good within a timeout period, and auto-reboot after a programmable delay following a host commanded turn-off.APPLICATIONSTelecom Infrastructure–48V Distributed Power SystemsServers and Data CentersPower Monitors |
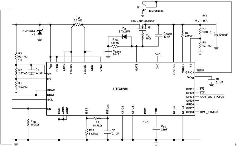
LTC4286High Power Positive Hot-Swap Controller with Power Monitor via PMBus | Hot Swap Controllers | 2 | Active | The LTC4286 is an integrated solution for hot-swap applications allowing a board to be safely inserted and removed from a live backplane. The circuit breaker timer protects against metal-oxide semiconductor field-effect transistor (MOSFET) overheating, enabling reliable protection against overstress.The SMBus 3.1 interface, PMBus command structure, and onboard analog-to-digital converter (ADC) with selectable averaging and speed allow monitoring of board current, voltage, power, temperature, and fault status.The LTC4286 has additional features to respond to input undervoltage (UV) and overvoltage (OV): interrupts the host when a fault occurs, notifies when output power is good, detects insertion of a board, and auto-reboot after a programmable delay following a host commanded turn off.APPLICATIONSHigh availability server backplane systems12 V/24 V/48 V/54 V Distributed power systemsIndustrial |
LTC4287High Power Positive Hot Swap Controller with Power Monitor | Integrated Circuits (ICs) | 1 | Active | The LTC4287 is an integrated solution for hot swap applications that allows a board to be safely inserted and removed from a live backplane. The dual-gate drivers coupled with configurable multimode startup sequencing and operation optimize the metal-oxide semiconductor field-effect transistor (MOSFET) safe operating area (SOA) for a variety of power levels. The circuit breaker timer limits the MOSFET temperature for reliable protection against overstress.The SMBus 3.1 interface, PMBus command structure, and onboard analog-to-digital converters (ADCs) with selectable resolution and speed allow monitoring of board current, voltage, power, energy, temperature, and fault status. An optional external, electrically erasable programmable read only memory (EEPROM) can be used for part configuration and provide BlackBox capturing of past fault conditions.The LTC4287 has additional features to respond to input undervoltages and overvoltages, to interrupt the host when a fault has occurred, to notify when the output power is good, to detect insertion of a board, to turn off the MOSFET if an external supply monitor fails to indicate power-good within a timeout period, and to auto reboot after a programmable delay following a host commanded turn-off.APPLICATIONSHigh availability server backplane systems12 V/24 V/48 V/54 V distributed power systemsIndustrial |
LTC42908-Port PoE/PoE+/LTPoE++ PSE Analog Controller | Power Management (PMIC) | 4 | Active | The LTC4290/LTC4271 chipset is an 8-port power sourcing equipment (PSE) controller designed for use in IEEE 802.3at Type 1 and Type 2 (high power) compliant Power over Ethernet (PoE) systems. Transformer-isolated communication protocol replaces expensive opto-couplers and complex isolated 3.3V supply resulting in significant BOM cost savings. The LTC4290/LTC4271 chipset delivers lowest-in-industry heat dissipation by utilizing low-RDS(ON)external MOSFETs and 0.25Ω sense resistors.Advanced power management features include per-port 12-bit current monitoring ADCs, DAC-programmable current limit, and versatile fast shut-down of preselected ports. Advanced power management host software is available under a no-cost license. PD discovery uses a proprietary dual-mode 4-point detection mechanism ensuring excellent immunity from false PD detection. Midspan PSEs are supported with 2-event classification and a 2 second backoff timer. The LTC4290/LTC4271 includes an I2C serial interface operable up to 1MHz.The LTC4290/LTC4271 is available in multiple power grades allowing delivered PD power up to 90W.ApplicationsPoE PSE Switches/RoutersPoE PSE Midspans |
LTC4291-14-Port IEEE 802.3bt PoE PSE Controller | PMIC | 3 | Active | The LTC4291-1 /LTC4292chipset is a 4-port power sourcing equipment (PSE) controller designed for use in IEEE 802.3bt Type 3 and 4 compliant Power over Ethernet (PoE) systems. The LTC4291-1 / LTC4292 is designed to power compliant 802.3af, 802.3at, and 802.3bt PDs. The LTC4291-1 / LTC4292 chipset delivers lowest-in-industry heat dissipation by utilizing low RDS(ON)external MOSFETs and 0.15Ω sense resistance per power channel. A transformer-isolated communication protocol replaces expensive opto-couplers and complex isolated 3.3V supply, resulting in significant BOM cost savings.Advanced power management features include per-port 14-bit current monitoring, programmable current limit, and versatile fast shutdown of preselected ports. Advanced power management host software is available under a no-cost license. PD detection uses a proprietary multipoint detection mechanism ensuring excellent immunity from false PD identification. Autoclass and 5-event physical classification are supported. The LTC4291-1 / LTC4292 includes an I2C serial interface operable up to 1MHz. The LTC4291-1/LTC4292 is pin or I2C programmable to negotiate PD delivered power up to 71.3W. |
LTC42924-Port PoE++ PSE Analog Controller | Integrated Circuits (ICs) | 2 | Active | The LTC4292/LTC4291chipset is a 4-port power sourcing equipment (PSE) controller designed for use in IEEE 802.3bt Type 3 and 4 compliant Power over Ethernet (PoE) systems. The LTC4292/LTC4291 is designed to power compliant 802.3af, 802.3at, and 802.3bt PDs. The LTC4292/LTC4291 chipset delivers lowest-in-industry heat dissipation by utilizing low-RDS(ON)external MOSFETs and 0.15Ω sense resistance per power channel. A transformer-isolated communication protocol replaces expensive opto-couplers and complex isolated 3.3V supply, resulting in significant BOM cost savings.Advanced power management features include perport 14-bit current monitoring, programmable current limit, and versatile fast shut-down of preselected ports. Advanced power management host software is available under a no-cost license. PD detection uses a proprietary multipoint detection mechanism ensuring excellent immunity from false PD identification. Autoclass and 5-event physical classification are supported. The LTC4292/LTC4291 includes an I2C serial interface operable up to 1MHz. The LTC4292/LTC4291 is pin or I2C programmable to negotiate PD delivered power up to 71.3W. |
| Evaluation Boards | 1 | Active | ||