A
Analog Devices
| Series | Category | # Parts | Status | Description |
|---|---|---|---|---|
| Part | Spec A | Spec B | Spec C | Spec D | Description |
|---|---|---|---|---|---|
| Series | Category | # Parts | Status | Description |
|---|---|---|---|---|
| Part | Spec A | Spec B | Spec C | Spec D | Description |
|---|---|---|---|---|---|
| Part | Category | Description |
|---|---|---|
Analog Devices ADM6713RAKSZ-REELObsolete | Integrated Circuits (ICs) | IC SUPERVISOR 1 CHANNEL SC70-4 |
Analog Devices | RF and Wireless | RF AMP SINGLE GENERAL PURPOSE RF AMPLIFIER 20GHZ 3.6V 22-PIN DIE TRAY |
Analog Devices | Integrated Circuits (ICs) | LOW NOISE, SWITCHED CAPACITOR REGULATED VOLTAGE INVERTERS |
Analog Devices | Integrated Circuits (ICs) | QUAD 16-BIT/12-BIT ±10V VOUTSOFTSPAN DACS WITH 10PPM/°C MAX REFERENCE |
Analog Devices | Integrated Circuits (ICs) | SERIAL 14-BIT, 3.5MSPS SAMPLING ADC WITH BIPOLAR INPUTS |
Analog Devices | Integrated Circuits (ICs) | ISOSPI ISOLATED COMMUNICATIONS INTERFACE |
Analog Devices | Integrated Circuits (ICs) | 4.5A, 500KHZ STEP-DOWN SWITCHING REGULATOR |
Analog Devices | Integrated Circuits (ICs) | 300 MA, LOW QUIESCENT CURRENT, ADJUSTABLE OUTPUT, CMOS LINEAR REGULATOR |
Analog Devices AD767KNObsolete | Integrated Circuits (ICs) | IC DAC 12BIT V-OUT 24DIP |
Analog Devices | Integrated Circuits (ICs) | QUAD 12-/10-/8-BIT RAIL-TO-RAIL DACS WITH 10PPM/°C REFERENCE |
| Series | Category | # Parts | Status | Description |
|---|---|---|---|---|
LTC3577-3LTC3577-4Highly Integrated 6-Channel Portable PMIC | Power Management (PMIC) | 7 | Active | The LTC3577 is a highly integrated power management IC for single cell Li-Ion/Polymer battery applications. It includes a PowerPath manager with automatic load prioritization, a battery charger, an ideal diode, input overvoltage protection and numerous other internal protection features. The LTC3577 is designed to accurately charge from current limited supplies such as USB by automatically reducing charge current such that the sum of the load current and the charge current does not exceed the programmed input current limit (100mA or 500mA modes). The LTC3577 reduces the battery voltage at elevated temperatures to improve safety and reliability. Efficient high current charging from supplies up to 38V is available using the on-chip Bat-Track controller. The LTC3577 also includes a pushbutton input to control the three synchronous step-down switching regulators and system reset. The onboard LED backlight boost circuitry can drive up to 10 series LEDs and includes versatile digital dimming via I2C input. The I2C input also controls two 150mA LDOs as well as other operating modes and status read back. The LTC3577 is available in a low profile 4mm × 7mm × 0.75mm 44-pin QFN package.BatTrackFloat VoltageLTC3577Yes4.2VLTC3577-1Yes4.1VLTC3577-3No4.2VLTC3577-4No4.1VApplicationsPNDs, DMB/DVB-H; Digital/Satellite Radio;Media PlayersPortable Industrial/Medical ProductsUniversal Remotes, Photo ViewersOther USB-Based Handheld Products |
LTC3586-2LTC3586-3High Efficiency USB Power Manager with Boost, Buck-Boost and Dual Bucks | Power Management (PMIC) | 4 | Active | The LTC3586/LTC3586-1 are highly integrated power management and battery charger ICs for Li-Ion/Polymer battery applications. They include a high efficiency current limited switching PowerPath manager with automatic load prioritization, battery charger, ideal diode, and four synchronous switching regulators (two bucks, one buck-boost and one boost). Designed specifically for USB applications, the LTC3586/LTC3586-1’s switching power manager automatically limits input current to a maximum of either 100mA or 500mA for USB applications or 1A for adapter-powered applications.Unlike linear chargers, the LTC3586/LTC3586-1 switching architecture transmits nearly all of the power available from the USB port to the load with minimal loss and heat which eases thermal constraints in small places. The two buck regulators can provide up to 400mA each, the buck-boost can deliver 1A, and the boost delivers at least 800mA.The LTC3586/LTC3586-1 are available in a low profile (0.75mm) 38-pin 4mm × 6mm QFN package.OptionsFloat Voltage (V)Fault Pin FunctionalityBoost Overvoltage Threshold (V)Boost Overvoltage HysteresisLTC35864.2VBi-Directional with Latch5.3V300mVLTC3586-14.1VBi-Directional with Latch5.3V300mVLTC3586-24.2VOutput Only, No Latch5.5V100mVLTC3586-34.1VOutput Only, No Latch5.5V100mVApplicationsDigital Still CamerasHDD-Based MP3 Players, PDAs, GPS, PMPsOther USB-Based Handheld Products |
LTC3588-1Nanopower Energy Harvesting Power Supply with 14V Minimum VIN | Development Boards, Kits, Programmers | 12 | Active | The LTC3588-1 integrates a low-loss full-wave bridge rectifier with a high efficiency buck converter to form a complete energy harvesting solution optimized for high output impedance energy sources such as piezoelectric, solar, or magnetic transducers. An ultralow quiescent current undervoltage lockout (UVLO) mode with a wide hysteresis window allows charge to accumulate on an input capacitor until the buck converter can efficiently transfer a portion of the stored charge to the output. In regulation, the LTC3588-1 enters a sleep state in which both input and output quiescent currents are minimal. The buck converter turns on and off as needed to maintain regulation.Four output voltages, 1.8V, 2.5V, 3.3V and 3.6V, are pin selectable with up to 100mA of continuous output current; however, the output capacitor may be sized to service a higher output current burst. An input protective shunt set at 20V enables greater energy storage for a given amount of input capacitance.Output Voltage (Switcher)UVLOQuiescent CurrentLTC3588-1Selectable 1.8V, 2.5V, 3.3V or 3.6V4.04V(Rising)2.87V(Falling)950nA (No Load)450nA (UVLO)LTC3588-2Selectable 3.45V, 4.1V, 4.5V or 5V16V(Rising)14V(Falling)1,500nA (No Load)830nA (UVLO)ApplicationsPiezoelectric Energy HarvestingElectro-Mechanical Energy HarvestingWireless HVAC SensorsMobile Asset TrackingTire Pressure SensorsBattery Replacement for Industrial SensorsRemote Light SwitchesStandalone Nanopower Buck Regulator |
LTC3589LTC3589-1LTC3589-28-Output Regulator with Sequencing and I2C | Power Management - Specialized | 10 | Active | The LTC3589 is a complete power management solution for ARM and ARM-based processors and advanced portable microprocessor systems. The device contains three step-down DC/DC converters for core, memory and SoC rails, a buck-boost regulator for I/O at 1.8V to 5V and three 250mA LDO regulators for low noise analog supplies. An I2C serial port is used to control enables, output voltage levels, dynamic voltage scaling, operating modes and status reporting. Differences between the LTC3589, LTC3589-1, and LTC3589-2 are summarized in Table 1.Regulator start-up is sequenced by connecting outputs to enable pins in the desired order or programmed via the I2C port. System power-on, power-off, and reset functions are controlled by pushbutton interface, pin inputs, or I2C interface.The LTC3589 supports i.MX53/51, PXA and OMAP processors with eight independent rails at appropriate power levels. Other features include interface signals such as the VSTB pin that simultaneously toggle up to four rails between programmed run and standby output voltages. The device is available in a low profile 40-pin 6mm × 6mm exposed pad QFN package.LTC3589LTC3589-1LTC3589-2Power-On Inhibit Enable Delay1 second2ms2msBuck 2 & 3 Current Output1A1.2A1.2APGOOD Fault TimeoutEnabled Default, I2C DisableDisabled by Default, I2C EnableDisabled by Default, I2C EnablePWR_ON to WAKE Delay50ms2ms2msLDO3 Vout1.8V2.8V2.8VLDO4 Vout1.8V, 2.5V, 2.8V, 3.3V1.2V, 1.8V, 2.5V, 3.2V1.2V, 1.8V, 2.5V, 3.2VLDO4 Vout1.8V, 2.5V, 2.8V, 3.3V1.2V, 1.8V, 2.5V, 3.2V1.2V, 1.8V, 2.5V, 3.2VDefault LDO4 EnableLDO34_EN (Pin) or I2CI2C OnlyI2C OnlyWait to Enable Until Output < 300mVYes. Change with I2CYes. Change with I2CNo. Change with I2CInsert 2.5K Discharge Resistor When DisabledYes when Wait to Enable Until Output < 300mVYes when Wait to Enable Until Output < 300mVAlways inserted when regulator disabledApplicationsHandheld Instruments and ScannersPortable Industrial DevicesAutomotive InfotainmentMedical DevicesHigh End Consumer DevicesMultirail SystemsSupports Freescale i.MX53/51, Marvell PXA and Other Application Processors |
LTC360015V, 1.5A Synchronous Rail-to-Rail Single Resistor Step-Down Regulator | PMIC | 3 | Active | The LTC3600 is a high efficiency, monolithic synchronous buck regulator whose output is programmed with just one external resistor. The accurate internally generated 50μA current source on the ISETpin allows the use of a single external resistor to program an output voltage that ranges from 0V to 0.5V below VIN. The VOUTvoltage feeds directly back to the error amplifier in unity gain fashion and equals the ISETvoltage. The operating supply voltage range is 4V to 15V, making it suitable for dual lithium-ion battery and 5V or 12V input point-of-load power supply applications.The operating frequency is synchronizable to an external clock or programmable from 200kHz to 4MHz with an external resistor. High switching frequency allows the use of small surface mount inductors. The unique constant on-time architecture is ideal for operating at high frequency in high step-down ratio applications that also demand fast load transient response.ApplicationsVoltage Tracking SuppliesPoint-of-Load Power SuppliesPortable InstrumentsDistributed Power Systems |
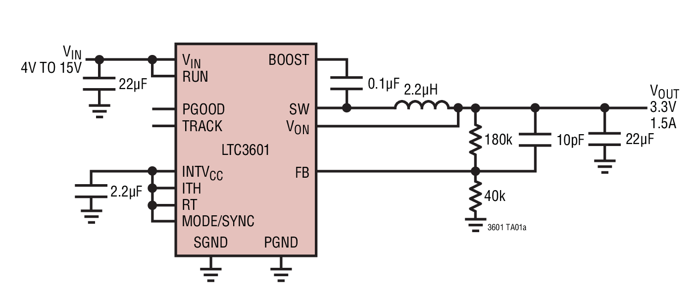
LTC36011.5A, 15V Monolithic Synchronous Step-Down Regulator | Power Management (PMIC) | 8 | Active | The LTC3601 is a high efficiency, monolithic synchronous buck regulator using a phase-lockable controlled on-time, current mode architecture capable of supplying up to 1.5A of output current. The operating supply voltage range is from 4V to 15V, making it suitable for a wide range of power supply applications.The operating frequency is programmable from 800kHz to 4MHz with an external resistor enabling the use of small surface mount inductors. For switching noise sensitive applications, the LTC3601 can be externally synchronized over the same frequency range. An internal phase-locked loop aligns the on-time of the top power MOSFET to the internal or external clock. This unique constant frequency/ controlled on-time architecture is ideal for high step-down ratio applications that demand high switching frequencies and fast transient response.The LTC3601 offers two operational modes: Burst Mode operation and forced continuous mode to allow the user to optimize output voltage ripple, noise, and light load efficiency for a given application. Maximum light load efficiency is achieved with the selection of Burst Mode operation while forced continuous mode provides minimum output ripple and constant frequency operation.ApplicationsDistributed Power SystemsLithium-Ion Battery-Powered InstrumentsPoint-of-Load Power Supply |
LTC36022.5A, 10V, Monolithic Synchronous Step-Down Regulator | PMIC | 4 | Active | The LTC3602 is a high efficiency, monolithic synchronous, step-down DC/DC converter utilizing a constant-frequency, current mode architecture. It operates from an input voltage range of 4.5V to 10V and provides an adjustable regulated output voltage from 0.6V to 9.5V while delivering up to 2.5A of output current. The internal synchronous power switch with 65mΩ on-resistance increases efficiency and eliminates the need for an external Schottky diode. The switching frequency can either be set by an external resistor or synchronized to an external clock. OPTI-LOOP®compensation allows the transient response to be optimized over a wide range of loads and output capacitors.The LTC3602 can be configured for either Burst Mode operation or forced continuous operation. Forced continuous operation reduces noise and RF interference, while Burst Mode operation provides the high efficiency at light loads. In Burst Mode operation, external control of the burst clamp level allows the output voltage ripple to be adjusted according to the requirements of the application.ApplicationsPoint-of-Load SuppliesPortable InstrumentsServer Backplane PowerBattery-Powered Devices |
LTC36032.5A, 15V Monolithic Synchronous Step-Down Regulator | Voltage Regulators - DC DC Switching Regulators | 1 | Active | The LTC3603 is a high efficiency, monolithic synchronous step-down DC/DC converter utilizing a constant-frequency, current mode architecture. It operates from an input voltage range of 4.5V to 15V and provides an adjustable regulated output voltage from 0.6V to 14.5V while delivering up to 2.5A of output current. The internal synchronous power switch with 45mΩ on-resistance increases efficiency and eliminates the need for an external Schottky diode. The switching frequency can either be set by an external resistor or synchronized to an external clock. OPTI-LOOP®compensation allows the transient response to be optimized over a wide range of loads and output capacitors.The LTC3603 can be configured for either Burst Mode operation or forced continuous operation. Forced continuous operation reduces noise and RF interference, while Burst Mode operation provides the highest efficiency at light loads. In Burst Mode operation, external control of the burst clamp level allows the output voltage ripple to be adjusted according to the requirements of the application.ApplicationsPoint-of-Load SuppliesPortable InstrumentsCommunications Infrastructure |
LTC36042.5A, 15V Monolithic Synchronous Step-Down Regulator | Power Management (PMIC) | 4 | Active | The LTC3604 is a high efficiency, monolithic synchronous buck regulator using a phase-lockable controlled on-time, current mode architecture capable of supplying up to 2.5A of output current. The operating supply voltage range is from 3.6V to 15V, making it suitable for a wide range of power supply applications.The operating frequency is programmable from 800kHz to 4MHz with an external resistor enabling the use of small surface mount inductors. For switching noise sensitive applications, the LTC3604 can be externally synchronized over the same frequency range. An internal phase-locked loop aligns the on-time of the top power MOSFET to the internal or external clock. This unique constant frequency/controlled on-time architecture is ideal for high step-down ratio applications that demand high switching frequencies and fast transient response.The LTC3604 offers two operational modes: Burst Mode operation and forced continuous mode to allow the user to optimize output voltage ripple, noise, and light load efficiency for a given application. Maximum light load efficiency is achieved with the selection of Burst Mode operation while forced continuous mode provides minimum output ripple and constant frequency operation.ApplicationsDistributed Power SystemsLithium-Ion Battery-Powered InstrumentsPoint-of-Load Power Supplies |
LTC3605A15V, 5A Synchronous Step-Down Regulator | Integrated Circuits (ICs) | 2 | Active | The LTC3605A is a high efficiency, monolithic synchronous buck regulator using a phase lockable controlled on-time constant frequency, current mode architecture. PolyPhase operation allows multiple LTC3605A regulators to run out of phase while using minimal input and output capacitance. The operating supply voltage range is from 20V down to 4V, making it suitable for dual, triple or quadruple lithium-ion battery inputs as well as point of load power supply applications from a 12V or 5V rail.The operating frequency is programmable from 800kHz to 4MHz with an external resistor. The high frequency capability allows the use of small surface mount inductors. For switching noise sensitive applications, it can be externally synchronized from 800kHz to 4MHz. The PHMODE pin allows user control of the phase of the outgoing clock signal. The unique constant frequency/controlled on-time architecture is ideal for high step-down ratio applications that are operating at high frequency while demanding fast transient response. Two internal phase-lock loops synchronize the internal oscillator to the external clock and also servos the regulator on-time to lock on to either the internal clock or the external clock if it’s present.Input Voltage RangeLTC36054V to 15VLTC3605A4V to 20VApplicationsPoint of Load Power SupplyPortable InstrumentsDistributed Power SystemsBattery-Powered Equipment |